一、首先说明一下,中国移动不是只卖手机的,我们也有光宽带网络
不仅是有,而且是高起点的光宽带网络:
-
江门全区9541平方公里,共划分为203个综合业务接入区域

-
我们以300米为半径开展微网格划分,也就是说,无论您身处何处,距离300米之内,一定有我们的光网络接入点至少1个

-
跟我们主要的竞争对手相比,中国X信用ADSL(电话铜线)覆盖120万户,实际用户60万户,自2015年才开始所谓的“光改”(部分地区还要收取用户的光改费用),目前约计75万户。我们呢,对不起,我们一开始建设就是全光的网络,目前光纤覆盖98.7万户,建设起点高,覆盖已经超过主要竞争对手,下面直观对比一下,什么是更有逼格的光网络:
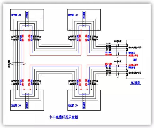
*主要竞争对手的组网结构

*中国移动的光网络组网结构

所以,中国移动不仅有手机,还有光宽带网络,而且是起点更高,技术更优,质量更好,更有逼格的光宽带网络!
二、好的网络并不足够,我们还有4K宽带电视
-
什么是4K,4K就是。。。能把女演员的粉底看得一清二楚的一种,再也回不去的高清分辨率,直观的说,它就像是这样

-
中国移动光宽带,配置了定制的华为4K机顶盒,它看起来是这样的

-
点亮之后,看到的界面是这样的

-
有人说,淘宝上电视盒子玲琅满目,乐视电视还内置了机顶盒,这有什么稀奇的,我们来对比一下:

-
请注意*放播**质量一项,“电视专网保障”,也就是说,您在市面上自行购买的智能盒子也好,智能电视也好,友商的电视机顶盒产品也好,且不论资费更贵,好的视频内容要加收点播费或购买会员,在技术上,电视业务和您平时的上网、游戏、*载下**,都是混合在一起的(除了广电的技术比较特殊,它是先有的电视,再加载的上网)。
-
而中国移动的宽带电视,从片源到您家里的盒子,电视的业务,都是一条您专用的通道,和别人的上网业务分离,甚至和您自己家里的上网业务也是分离的,也就是说,您装了中国移动的宽带电视,实际上您的家里就有两条“光高速公路”,1条给您平时上网、*载下**、游戏;1条给而且只给电视业务。
-
为什么要这样做,相当于每个客户,要多给一条通道,对几十万客户来说,就是一笔天文数字的投资!中国移动是“人傻钱多”吗?不是的,我们花费巨大投入,只为了解决一个问题: 【用户体验】,或者说,解决一个痛点:【卡顿】。
