2010年新君越起步冲击大, 客户非常生气,说故障时有时无
车辆信息 :
车 架 号 :LSGGF53F1AH202217
车 型 :2010年款新君越2.0T,AF40-6变速箱。
行驶里程 :10万公里
故障现象 :刚跑完一段路(特别是高速),在D档踩刹
车停车后,再起步时偶尔会出现很严重的冲击
客户描述:
车辆起步时偶尔出现冲击非常严重的情况,原来没有故障,就是发动机大修后出现的。
• 客户非常生气,说故障是有时出现,有时不出现。多数出现的情况就是等红绿灯停车再起步时。


接车后查看维修记录,此车确实因为活塞烧坏刚做的发动机大修。经和客户反复试车,故障没有出现。
• 首先想到,是不是发动机大修后,动力方面和以前有所改变,造成变速箱的学习程序和发动机不匹配,由于没有出现故障,给客户做了匹配设定后,让客户再试车观察
• 客户回去途中故障又出现,再次进店。

既然故障出现,路试验证故障现象。
• 在试车中反复停车实验,在停车5-6次后,果然出现客户所说的冲击现象。
• 车辆刚停车直接起步,什么故障也没有,但当停车10S左右后再松刹车时,变速箱会有很大的冲击,就像是手动挡车没有半联动,将离合器完全松开一样。
• 基本能确认是变速箱的问题,让客户将车留店检查。 首先检查车辆变速箱外观,没有发 现任何异常。
• GDS读取故障码,系统正常*码无**。
• 检查变速箱油量,正常。
• 此车是AF40变速器,很少维修过,资料也基本没有。
• 经询问800,反馈为无任何配件供应和详细资料。
• 由于时间较晚,暂时也无太好的思路,所以决定明天详细分析检查。

故障变速箱
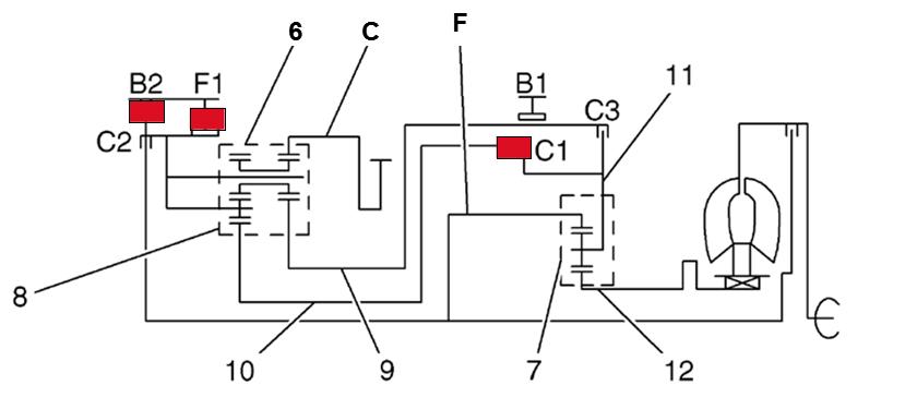
•此变速器的维修手册很简单,油路图和传动原理图都没有。
• 维修手册上有个变速箱自适应学习,需要上路跑。首先按照维修手册进行了自适用学习。
• 学习后,反复试车没有出现,以为已经好了,想要返回交车时故障又再次出现。
• 故障出现后,只能产生5-6次冲击,冲击后就又正常了。

网上查找AF40的维修资料,找到传动原理图。
• 经过挂D档测试,此变速箱也有N档控制功能,N档控制功能如下:
• 当车辆在D档处于停止状态时,变速箱将通过释放离合器而进入N档,通过减小
变扭器的拖拽减轻发动机的负荷,增加燃油经济性能,减小怠速震动。
• 此车想要在D档切断动力,只有切断C1离合器的供油。

通过以上的分析,决定用GDS读取变速箱工作时的数据流。
• 要查看在D档时,变速箱是否能切断到N档,可用GDS查看数据流中的变矩器滑差转速。
• 在N档时,滑差转速是23转。
• N档时,变速器里面的离合器完全分离的,没有负荷输出,23转是油液传递过程损耗,是正常的。

在D档停车时,变矩器的滑差转速时40-100转左右。
• 此时车辆无任何故障,没有冲击产生。
• 反复试车较多次,发现每当车辆高速行驶一段时间再停车后就会出现故障,出现几次又会正常。


诊断流程:
是什么原因会造成这样的问题发生呢?
这个滑差转速是产生问题的原因吗!
是TCM吗? !!
考虑到此车是大修发动机后出现的故障,并且必须要跑完高速后出现,出现一会就正常。
• 怀疑是不是ATF的原因,在跑完高速后ATF的温度会很高,不同的ATF高温粘度变化范围不一样。
• 经回店查看系统发现,此车大修时变速箱油出的是GF6变速箱专用的,实际应该是AF40专用油。

GF6 ATF

AF40 ATF
更换ATF后,故障排除 。
AF40的变速器油不是很方便换,变速箱下面的放油螺丝全部拆掉也最多放出1/3左右。
为了能彻底更换,采用拆2根变速箱散热油管的方法,拆后打着车放出,然后再加。

变速箱散热油管里面两根铝管
故障产生原因分析
• 此车D档时的N档控制,一般为80转左右的滑差转速,这个转速是便于在松掉制
动后能够迅速稳定的响应起步而预留的。
• 这个转速如果太低,代表变速箱完全进入N档状态,当松掉制动后,变速箱没
有任何向前的趋势,而TCM检测到在D档,制动也松开了,就会迅速增加C1油压,
动力迅速传递造成冲击。
故障总结
• 碰到此类故障,最主要的是要分以下5步进行。
• 确认故障发生的时机,是否有规律可循。
• 针对故障现象,准确的判定引起故障的总成件。
• 深入分析发生故障时,存在故障总成件的工作原理。
• 根据工作原理,通过数据分析确定故障点。
• 用各种手段,验证故障点,确认具体故障。
THANKS!谢谢大家的阅读。
兄弟姐妹们麻烦大家点一波关注与收藏,谢谢。