点动控制是各类机器设备在调试过程中经常使用的操作方式,变频器的点动控制运行方法是变频器的基本应用之一,由于点动主要用于调试,因此所需频率较低,而且也不需要调节。

点动控制可可以为PU模式点动控制和EXT模式点动控制。PU点动控制就是通过变频器的操作面板进行点动操作,点动频率是通过改变参数来确定的, EXT点动控制就是通过变频器外部接线端子来控制电动机的点动运行。
当使用外部点动控制时,需设置在EXT操作模式,点动运行用输人端子功能选择点动操作功能,当点动信号为ON时,用启动信号SIT或STR进行点动运行。
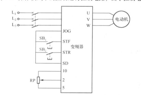
点动是通过JOG按钮或外部端子来控制电动机,按照设置的点动频率进行点动运行,下图所示为EXT操作模式下的点动运行控制电路。

点动正反转控制电路
由于控制电路端子JOG与SD短接,因此使变频器只能工作在点动状态,电动机可以工作在点动运行状态。
1、按上图所示接线,然后将Pr. 79设为2,此时,变频器处于EXT操作模式下的点动状态。
2、设定“点动频率”Pr. 15为10 Hz,
3、设定“点动加/减速时间”Pr. 16为3。

控制电路接线端子
4、按MODE键选择“运行模式(操作模式”。
5、按上下键选择“EXT点动操作模式”,确认EXT灯亮。
6、保持启动开关STF或STR接通,进行点动运行,断开则停止。

STF为正转,STR为反转