LM339构成的电磁炉
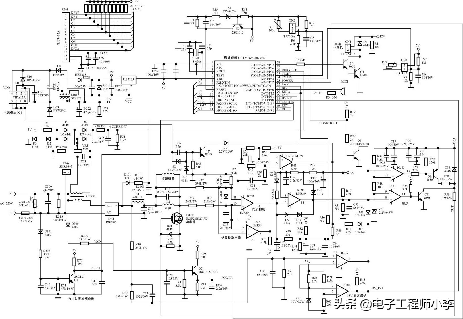
下面以美的PSY18B/18C型电磁炉为例,介绍由LM339为核心构成的电磁炉电路的识图方法。美的PSY18B/18C型电磁炉由300V供电电路、主回路(LC谐振回路)、驱动电路、电源电路、保护电路、操作与控制电路等构成,如图4-43和图4-44所示。
提示
美的PVY22A与PSY18B电磁炉的主板构成基本相同,所以维修PVY22A型电磁炉时也可参考本部分内容。

图4-43 美的PSY18B/18C型电磁炉主板电路

图4-44 美的PSY18B/18C型电磁炉操作、显示板电路
1.市电输入电路
市电输入电路的核心元器件是熔断器FUSE300、滤波电容C300、整流堆DB1、滤波电容C14,辅助元器件有电流互感器CT300、压敏电阻ZNR300,如图4-43所示。
该机输入的市电电压通过FUSE300输入,利用C300抑制高频干扰脉冲后,第一路送到电压检测电路和市电过零检测电路;第二路通过CT300的一次绕组加到DB1的交流输入端,市电经DB1、L1和C14构成的桥式整流、滤波电路整流和滤波,在C14两端产生300V左右直流电压。该电压不仅为功率变换器(主回路)供电,而且为低压电源电路供电。市电输入回路的ZNR300用于市电过电压保护。当市电电压过高时,ZNR300击穿,使FUSE300过电流熔断,切断市电输入回路,以免C14、功率管和开关电源的元器件过电压损坏。
2.电源电路
该机的电源电路是以电源模块IC1(VIPer12A)、开关变压器L101为核心构成的串联型开关电源。
(1)功率变换电路
功率变换电路的核心元器件是电源模块IC1、开关变压器L101、续流二极管D33、滤波电容EC22、稳压器U2,如图4-43所示。
300V电压通过D101隔离、R101限流,再经滤波电容EC101滤波后,加到IC1的供电端⑤~⑧脚,该电压不仅加到开关管的D极为它供电,而且通过高压电流源对IC1④脚外接的滤波电容EC20充电。当EC20两端建立的电压使IC1的④脚电压达到14.5V后,它内部的60kHz脉宽调制器等电路开始工作,由该电路产生的激励脉冲使开关管工作在开关状态。开关管导通期间,两端的电压通过开关管D/S极、开关变压器L101的一次绕组、EC22构成充电回路,不仅为EC22充电,而且在L101一次绕组上产生左正、右负的电动势。开关管截止期间,流过一次绕组的导通电流消失,由于电感中的电流不能突变,所以一次绕组通过自感产生右正、左负的电动势。该电动势第一路通过D30整流、EC20滤波后产生40V左右的电压,取代启动电路为IC1供电;第二路通过EC22、D33构成放电回路为EC22继续补充能量,使 EC22 在一个振荡器周期都可以得到能量,所以该开关电源不仅效率高于并联型开关电源,而且由于开关管D、S极间电压相对较低,所以该电源未设置尖峰脉冲吸收回路。
该电源工作后,EC22两端产生的18V电压为功率管驱动电路、振荡器、保护电路等供电。同时,L101的二次绕组输出的脉冲电压通过D31整流,EC21、EC24滤波产生12V电压,该电压不仅为风扇电动机供电,而且经三端稳压器U2(7805)稳压获得5V直流电压,为微处理器(CPU)、操作键电路、指示灯等供电。
(2)稳压控制电路
稳压控制电路的核心元器件是电源模块IC1、开关变压器L101、稳压管Z10、滤波电容EC20。
当市电电压升高或负载变轻引起开关电源输出电压升高时,滤波电容 EC20 两端升高的电压使稳压管Z10击穿导通程度加强,为IC1③脚提供的误差电压升高,被它内部的电路处理后,使开关管导通时间缩短,开关变压器 L101 存储的能量下降,开关电源输出电压下降到正常值。反之,稳压控制过程相反。因此,通过该电路的控制可保证开关电源输出电压不受市电高低和负载轻重的影响,实现稳压控制。
(3)欠电压保护电路
当D30或EC22击穿使IC1的④脚不能建立14.5V以上的电压时,它内部的电路不能启动;若D30开路或L101异常,为EC20两端提供的电压低于8V时,U1内的欠电压保护电路动作,避免了开关管因激励不足而损坏。
3.系统控制电路
参见图4-43,该机的系统控制电路以微处理器U1(TMP86C807M/N)为核心构成。
微处理器的基本工作条件电路主要包括供电、复位和时钟振荡电路。该电路的核心元器件是微处理器U1(TMP86C807M/N)、三极管Q3、稳压管Z1、晶体振荡器XL200。
① 供电。低压电源输出的5V电压经EC16滤波后,加到微处理器U1供电端⑤脚,为U1内部电路供电。
② 复位。复位电路由Q3、Z1等元器件组成。开机瞬间5V电源电压在滤波电容的作用下是从0逐渐升高到5V的。当该电压低于3.4V时,Q3的发射极电位不能超过基极电位0.7V,所以Q3截止,它的集电极电位为低电平,使U1的复位信号输入端⑧脚输入低电平复位信号,U1内部的存储器、寄存器等电路开始复位。当5V电源电压超过3.4V后,Q3导通,由它的c极输出的高电平电压经C7滤波后加到U1⑧脚,使U1内部电路复位结束后开始工作。
③ 时钟信号。U1获得供电后,它内部的振荡器开始工作,与②、③脚外接的晶体振荡器XL200通过振荡产生8MHz时钟信号。该信号经分频后作为U1工作的基准频率。
4.待机/开机控制电路
待机、开机控制电路的核心元器件是微处理器U1、控制管Q6,辅助元器件有Q1、Q2、风扇电动机、蜂鸣器。
(1)待机控制
U1获得以上 3 个基本工作条件后开始工作,U1输出自检脉冲,确认电路正常后进入待机状态。U1 21 脚输出蜂鸣器驱动信号,该信号驱动蜂鸣器BUZ1鸣叫一声,而且控制指示灯和显示屏发光,同时从 U1 27 脚输出高电平的功率管使能控制信号。该控制信号通过 R22 限流,使Q6导通,致使比较器IC3C的⑧脚和IC3D 10 脚电位为低电平。IC3C的⑧脚为低电平后IC3C的 14 脚输出高电平使Q8导通,而IC3D的 10 脚电位为低电平后,IC3D的 13 脚输出高电平控制信号使Q9截止。Q8导通、Q9截止后,功率管IGBT1截止,该机处于待机状态。
(2)开机控制
电磁炉在待机期间,按下开/关机键后,U1 从存储器内调出软件设置的默认工作状态数据:一是控制面板上的指示灯显示电磁炉的工作状态;二是U1 27 脚输出低电平控制信号,使Q6截止,解除对驱动电路关断的控制;三是U1的风扇控制端 28 脚输出高电平控制信号,该信号通过R3限流,再通过Q2射随放大、Q1倒相放大,为风扇电动机的绕组供电,使风扇电动机带动风扇旋转,对散热片进行强制散热,以免功率管过热而不能正常使用。
D1是用于保护Q1的钳位二极管。Q1截止后,电动机绕组将在Q1的集电极上产生较高的反峰电压,该电压通过D1泄放到12V电源,避免了Q1过电压损坏。
5.锅具检测电路
锅具检测电路的核心元器件是微处理器U1、谐振线圈(线盘)、谐振电容C15、比较器IC2及R37、R7,辅助元器件是Q6、Q8、Q9,如图4-43所示。
开机后,由于U1的 27 脚输出的功率管使能控制信号为低电平,Q6截止,它的集电极电位为高电平,经 IC3C、IC3D 比较放大后,从 13 、 14 脚输出高电平电压。该高电平信号通过Q9、Q8推挽放大,再利用R58、R59限流后驱动功率管IGBT1导通。IGBT1导通后,谐振线圈(线盘)和C15进入电压谐振状态,C15右端产生的脉冲电压通过R35、R36限流,再通过C17滤波后加到IC2A的⑤脚,它左端产生的脉冲通过R37、R7分压后加到IC2A的④脚,于是IC2A的②脚输出PAN脉冲,该脉冲加到U1的 19 脚。当炉面上放置了合适的锅具,因有负载使流过功率管的电流增大,谐振回路的工作频率降低,IC2A输出的PAN脉冲在单位时间内降低到3~8个,被U1检测后判断炉面已放置了合适的锅具,于是控制PWM端输出功率调整信号,使电磁炉进入加热状态。反之,判断炉面未放置锅具或放置的锅具不合适,控制电磁炉停止加热,U1 21 脚输出报警信号,该信号驱动蜂鸣器 BUZ1 鸣叫报警,同时 U1还控制显示屏显示故障代码,提醒用户未放置锅具或放置的锅具不合适。
6.同步控制、锯齿波脉冲形成电路
同步控制、锯齿波脉冲形成电路的核心元器件是谐振脉冲取样电路(限流电阻)、IC2 (LM339)内的两个比较器(IC2C、IC2D)、定时电容C32,如图4-43所示。
谐振线圈右端的脉冲电压通过R35、R36限流,C17滤波后加到比较器IC2D的反相输入端⑩脚,同时它左端产生的电压通过R37、R7取样产生的取样电压加到IC2D的同相输入端 11 脚。开机后,U1输出的启动脉冲使功率管IGBT1导通,谐振线圈产生左正、右负的电动势,使IC2D的 11 脚电位高于它的⑩脚电位,经IC2D比较后使它的 13 脚电位为高电平电压,该电压加到IC2C的⑨脚后,IC2C的 14 脚输出高电平电压。 14 脚输出的高电平电压一路加到IC3C的⑧脚和IC3D的⑩脚。因IC3C的⑨脚和IC3D的 11 脚输入的是2.2V参考电压,所以IC3D的 13 脚输出低电平电压,IC3C的 14 脚输出低电平电压,致使Q9导通、Q8截止。此时,从Q9的发射极输出的电压通过R58、R59限流使IGBT1继续导通,同时5V电压通过R46、R45、C32构成的充电回路为C32充电。当C32所充电压使IC2C的⑧脚电位超过它的⑨脚电位后,IC2C的 14 脚输出低电平电压, 14 脚电位为低电平后,不仅使C32两端电压通过R45、D11和IC2C 脚内部电路放电,使C32两端产生锯齿波脉冲,而且通过IC2C、IC2D比较放大后使Q9截止、Q8导通,通过R59使IGBT1迅速截止,流过谐振线圈的导通电流消失,于是谐振线圈通过自感产生左负、右正的电动势,使IC2D的⑩脚电位高于 11 脚电位,致使IC2D的 13 脚输出低电平电压,经IC2C比较放大后使IC2C的 14 脚输出低电平,确保IGBT1截止。随后,无论谐振线圈对谐振电容C15充电期间,还是C15对谐振线圈放电期间,谐振线圈的右端电位都会高于左端电位,IGBT1都不会导通。因此,只有谐振线圈通过C14、IGBT1内的阻尼管放电期间,IC2D的 11 脚电位高于⑩脚电位,使IC2D的 13 脚电位变为高电平,并且C32通过R45、D11放电使IC2C的⑧脚电位低于⑨脚电位后,IC2C的 14 脚才能再次输出高电平电压,通过驱动电路放大后使功率管IGBT1再次导通,不仅实现了同步控制,而且通过控制C32充、放电,产生了锯齿波脉冲,即振荡脉冲。
7.功率调整电路
该机的功率调整电路包括手动调整和自动调整两部分。
(1)手动调整
手动功率调整电路的核心元器件是微处理器U1、比较器IC2C(LM339)、电容EC3、电阻R50,如图4-43所示。
需要增大输出功率时,U1 22 脚输出的功率调整信号PWM的占空比增大,通过R50、EC3和C9平滑滤波产生的直流控制电压升高。该电压通过R40加到比较器IC2C的同相输入端⑨脚,而IC2C的反相输入端⑧脚输入的是锯齿波信号,于是IC2C的 14 脚输出激励脉冲的高电平时间延长,通过 IC3C、IC3D 比较放大后,再通过 Q8、Q9 推挽放大,使功率管 IGBT1导通时间延长,为谐振线圈(线盘)提供的能量增大,功率增大,加热温度高。反之,若U1 22 脚输出的功率调整信号占空比减小时,为谐振线圈提供的能量减小,加热温度低。
(2)自动调整
自动功率调整电路的核心元器件是电流互感器 CT300、微处理器 U1、电位器 VR1、整流管D4~D7,如图4-43所示。
当市电降低等原因引起加热功率减小时,流过功率管的导通电流减小,使CT300二次绕组的输出电压减小,通过C13滤波、R24与电位器VR1限压、D4~D7整流得到的取样电压(脉动直流电压)减小。该电压一路送到功率管过电流保护电路;另一路通过R38限流、EC2滤波产生的直流取样电压升高,被U1 26 脚内部电路识别后,U1的 22 脚输出的功率调整信号的占空比减小,如上所述,功率管IGBT1导通时间缩短,流过谐振线圈的电流减小,加热功率减小。反之控制过程相反,从而实现电流自动调整。
提示
VR1是用于设置最大取样电流的电位器,调整它就可改变输入到U1的 26 脚的电压高低,也就可改变U1输出的功率调整信号的占空比的大小。
8.市电过零检测电路
该机的市电过零检测电路(市电瞬间断电保护电路)的核心元器件是D301、R308、R71、Q4和微处理器U1,如图4-43所示。
市电电压通过D301半波整流产生脉动直流电压,再通过R308、R71取样,利用C40滤波后加到Q4的基极,经其放大后,在它的集电极输出倒相后的电压就是过零检测信号。该信号加到U1的 17 脚。若U1识别出 17 脚输入的过零检测信号正常,U1则输出正常的控制信号,使电磁炉正常工作;若 17 脚输入的过零检测信号异常,U1则输出控制信号,使电磁炉停止工作,实现市电瞬间断电保护。
当市电异常或该电路异常,使U1的 17 脚不能输入正常的市电过零检测信号时,U1会控制电磁炉停止工作,同时驱动蜂鸣器发出警报声,并控制显示屏显示“E1”的故障代码,表明该机进入市电过零异常的保护状态。
9.18V供电电压低保护电路
18V供电电压低保护电路的核心元器件是R28、稳压管Z4、LM339内的一个比较器IC3B,如图4-43所示。
18V电压一路通过R28限流、稳压管Z4稳压产生10V电压,该电压作为参考电压加到IC3B的⑥脚和IC3A的⑤脚;另一路通过R21、R63取样后产生的电压超过10V,该电压加到IC3B的⑦脚。当18V电压正常时,IC3B的⑦脚电位高于⑥脚输入的参考电压,于是IC3B的①脚内部电路为开路状态,5V电压通过R15不仅使D20截止,不影响IC3C的⑧脚、IC3D脚电位,而且加到U1的 18 脚,被U1识别后控制电磁炉正常工作。开关电源或18V供电电路异常,导致18V电压下降,经R21、R63取样后的电压低于10V,经IC3B比较后使IC3B的①脚内部电路导通。一方面通过D20将IC3C的⑧脚和IC3D的⑩脚电位钳位到低电平,通过IC3C、IC3D处理后使驱动管Q9截止、Q8导通,功率管IGBT1截止,避免了功率管可能因激励不足而损坏;另一方面还使U1的 18 脚电位为低电平,U1识别后使其输出的功率管调整信号的占空比为0,实现了18V供电低保护。
10.市电电压异常保护电路
市电电压异常保护电路的核心元器件是D300、R309、R8、Q7和微处理器U1,如图4-43所示。
市电电压通过D300半波整流,经R309、R8分压限流,再通过Q7射随放大,从它的发射极输出的电压经EC4滤波后加到U1的 23 脚。当市电电压正常时,U1的 23 脚输入的电压也正常,被U1识别后控制电磁炉正常工作。当市电电压异常时,必然导致U1的 23 脚输入的电压异常,被U1识别后,U1控制功率管等停止工作,以免功率管等元器件因市电异常而损坏。同时,驱动蜂鸣器报警,并控制显示屏显示故障代码,表明该机进入市电异常保护状态。市电低于170V时显示的故障代码为“E7”,市电高于250V时显示的故障代码为“E8”。
11.浪涌保护电路
浪涌保护电路的核心元器件是取样电阻R39、R27、R2以及比较器IC3A(LM339),如图4-43所示。
市电电压通过整流堆DB1桥式整流产生的电压通过R39、R27、R2分压后,加到IC3A的反相输入端④脚,而IC3A的同相输入端⑤脚输入的是10V参考电压。当市电正常时,IC3A的⑤脚电位高于④脚输入的参考电压,于是IC3A的②脚内部电路为开路状态,如18V供电电压低保护电路所述,电磁炉正常工作。当市电出现浪涌脉冲,使IC3A的④脚电位超过10V时,经IC3A比较后使IC3B的②脚内部电路导通,如上所述,电磁炉停止工作,实现了浪涌脉冲保护。待浪涌脉冲消失后,电磁炉会再次工作。
12.功率管集电极过电压保护电路
该机的功率管集电极过电压保护电路的核心元器件是取样电阻R35、R36、R42、R20、R56、R51和比较器IC2B,如图4-43所示。
5V电压通过取样电阻R56、R51取样后产生4V左右的参考电压加到IC2B的同相输入端⑦脚,同时功率管IGBT1的集电极产生的反峰电压通过R35、R36、R42、R20分压后加到IC2B的反相输入端⑥脚。当IGBT1的集电极产生的反峰电压正常时,IC2B⑥脚输入的电压低于⑦脚电位,IC2B①脚内部电路为开路状态,不影响IC2C的⑨脚电位,电磁炉正常工作。当IGBT1的集电极产生的反峰电压过高时,通过取样使IC2B⑥脚电位超过⑦脚电位,于是IC2B①脚内部电路导通,通过R49将功率调整电压钳位到低电平,于是IC2C的 14 脚输出的激励电压占空比降为0,IGBT1截止,避免了过电压损坏。待IGBT1集电极的反峰电压恢复正常,IC2B⑥脚电位低于⑦脚电位后,IC2B的①脚内部恢复开路,IGBT1又重新进入工作状态。
13.功率管过电流保护电路
功率管过电流保护电路的核心元器件是电流互感器 CT300、微处理器 U1、EC6、Z6、Q5,如图4-43所示。
当谐振回路电流增大使CT300二次绕组输出电压升高后,通过C13滤波、R24与电位器VR1限压、D4~D7整流得到的取样电压(脉动直流电压)升高。该电压一路送到功率调整电路;另一路通过EC6、Z6加到Q5的基极,通过Q5放大后,使稳压管Z2导通加强,通过R49使EC3两端的功率调整电压为0,功率管截止,以免功率管等元器件过电流损坏。
14.功率管过热保护电路
功率管过热保护电路的核心元器件是功率管温度传感器RT1、R6、C5和微处理器U1,辅助元器件是连接器CN2,如图4-43所示。
RT1 是负温度系数热敏电阻,它安装在 IGBT1 的散热片上,它的引脚通过连接器 CN2接到主板。当功率管散热片的温度高于85℃时,RT1的阻值减小,5V电压通过RT1、R6取样后的电压升高,该电压经C5滤波后加到U1的TIGBT信号输入端 25 脚,被U1检测后判断散热片温度过高,减小 22 脚输出的功率调整信号的占空比,使功率管IGBT1导通时间缩短,电流下降,将功率管的工作温度限制在85℃以内;当散热片的温度因风扇异常等原因而高于95℃时,RT1的阻值进一步减小,U1 25 脚输入的电压进一步升高,被U1检测后判断功率管过热,U1立即输出停止加热信号,使功率管停止工作,以免功率管过热损坏,同时驱动蜂鸣器鸣叫报警,并控制显示屏显示“E6”的故障代码,表明该机进入功率管过热保护状态。
提示
由于温度传感器RT1损坏后就不能实现对功率管的温度检测,这样容易导致功率管过热损坏。为了防止这种危害,该机还设置了RT1异常保护功能。
当RT1、连接器CN2开路或滤波电容C5短路时,U1 25 脚无电压输入,被U1识别后不仅不输出加热指令,而且驱动蜂鸣器报警,并控制显示屏显示故障代码“E4”,表明该机进入功率管温度传感器开路保护状态;当RT1击穿或R6开路使U1 25 脚输入高电平信号时,被 U1 识别后不再输出加热指令,而且驱动蜂鸣器报警,并控制显示屏显示故障代码“E5”,表明该机进入功率管温度传感器击穿保护状态。
15.炉面过热保护电路
炉面过热保护电路的核心元器件是炉面温度传感器RT2、R9、C6和微处理器U1,辅助元器件是连接器CN3,如图4-43所示。
RT2是负温度系数热敏电阻,它安装在谐振线圈的中部,并紧贴炉面底部,它的引脚通过连接器CN3接主板。当炉面的温度高于220℃时,RT2的阻值急剧减小,5V电压通过RT2与R9分压后的电压升高,通过C6滤波后加到U1 24 脚,被U1检测后判断炉面温度过高,输出停止加热信号,功率管停止工作,进入炉面温度过热保护状态。
提示
由于温度传感器RT2损坏后就不能实现炉面温度检测,这样容易扩大故障范围,为此该机还设置了RT2异常保护电路。
当RT2击穿、R9开路,使U1 24 脚输入的电压为高电平时,U1判断RT2击穿,输出停止加热指令,而且驱动蜂鸣器报警,并控制显示屏显示故障代码“E2”,提醒该机的炉面温度传感器击穿;当连接器CN2、RT2开路或C6击穿,使U1 24 脚输入的电压为0,U1则判断RT2开路,输出停止加热指令,而且驱动蜂鸣器报警,并控制显示屏显示故障代码“E3”,提醒该机的炉面温度传感器开路。
专用芯片构成的电磁炉电路
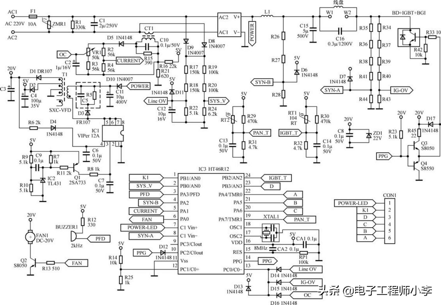
下面以奔腾采用“迅磁”小板构成的电磁炉为例,介绍专用芯片构成的电磁炉电路的识图方法。该机由300V供电电路、主回路(L、C谐振回路)、驱动电路、电源电路、保护电路、操作与控制电路等构成,如图4-45所示。

图4-45 奔腾采用“迅磁”小板构成的电磁炉电路
1.电源电路
该机的电源电路是以新型绿色电源模块VIPer12A(IC1)为核心构成的并联型开关电源。
提示
部分电磁炉采用VIPer12A构成的是串联型开关电源,所以它的①、②脚并未直接接地,而是接在18V供电的续流二极管(整流管)的负极上,所以它的①、②脚电位为18V,这样它的④脚电位为40V左右。
(1)300V供电
该机通上市电电压后,市电电压经熔断器F1输入到主板,利用高频滤波电容C1滤除高频干扰脉冲,经整流桥堆整流产生的300V电压一路为开关电源供电;另一路通过扼流圈L1、电容C15滤波后,为功率变换器(主回路)供电。市电输入回路的压敏电阻ZMR1用于市电过压保护,以免市电过压导致300V供电、电源电路和功率管等元器件过压损坏。
(2)功率变换
300V电压通过D10输入到开关电源,由滤波电容C11滤波后,通过开关变压器T1的初级绕组加到 IC1(VIPer12A)的⑤~⑧脚,不仅为它内部的开关管供电,而且通过高压电流源对④脚外接的滤波电容C6充电。当C6两端建立的电压达到14.5V后,IC1内的60kHz调制控制器等电路开始工作,由该电路产生的激励脉冲使开关管工作在开关状态。
开关电源工作后,T1的次级绕组输出的脉冲电压通过整流、滤波便获得直流电压:通过D1整流、C3滤波产生20V电压,该电压不仅通过R6、D4加到IC1④脚,取代启动电路为它供电,而且为功率管的驱动电路、风扇电机等电路供电;通过D2 整流、C4 滤波产生5V电压,为芯片IC3(HT46R12)、蜂鸣器、温度取样等电路供电。
为了防止 IC1 内的开关管在截止瞬间被过高的反峰电压击穿,本电路在开关变压器 T1的初级绕组两端设置了R5、D3和C5组成的尖峰脉冲吸收回路。
(3)稳压控制
当市电电压升高或负载变轻引起开关电源输出电压升高时,滤波电容C46两端升高的电压通过R9、R10取样的电压超过2.5V,再经IC2放大后,使Q1导通加强,从它c极输出的电压升高,通过R8为IC1③脚提供的误差电压升高,被IC1内部电路处理后,使开关管导通时间缩短,开关变压器 T1 存储的能量下降,开关电源输出电压下降到正常值,反之,稳压控制过程相反。因此,通过该电路的控制可确保开关电源输出电压的稳定。
(4)欠压保护
当C6漏电使IC1④脚在开机瞬间不能建立14.5V以上的电压时,IC1内部的电路不能启动;若R6、D4、D3开路或T1异常,为IC1提供启动后的工作电压低于8V时,IC1内的欠压保护电路动作,避免了开关管因激励不足而损坏。另外,IC1还具有过压和过流保护电路。
2.芯片HT46R12启动
低压电源输出的5V电压加到芯片IC3(HT46R12) 16 脚,为它供电。IC3获得供电后,它内部的振荡器与外接的晶振XTAL1通过振荡产生8MHz时钟信号。随后IC3在内部复位电路的作用下开始工作,并输出自检脉冲,确认电路正常后进入待机状态。待机期间,IC3 14 脚输出功率管激励信号为低电平,使推挽放大器的Q4导通、Q3截止,功率管IGBT截止。
3.锅具检测电路
电磁炉在待机期间,按下开/关键后,IC3内的CPU从存储器内调出软件设置的默认工作状态数据,控制操作显示屏显示电磁炉的工作状态,由 14 脚输出的启动脉冲通过Q3、Q4推挽放大,利用R33限流使功率管IGBT导通。IGBT导通后,线盘和谐振电容C16产生电压谐振。主回路工作后,市电输入回路产生的电流被电流互感器CT1检测并耦合到次级绕组,利用 C10、R15 抑制干扰脉冲,通过 D5 半波整流,再通过 R2 和 R4 取样产生取样电压CURRENT,加到 IC3 的⑤脚。当炉面上放置了合适的锅具时,因有负载使流过功率管的电流增大,电流检测电路产生的取样电压CURRENT较高。该电压被IC3检测后,判断炉面已放置了合适的锅具,控制电磁炉进入加热状态。反之,判断炉面未放置锅具或放置的锅具不合适,控制电磁炉停止加热,IC3③脚输出报警信号,驱动蜂鸣器BUZZER1鸣叫报警,提醒用户未放置锅具或放置的锅具不合适。
4.同步控制电路
该机同步控制电路由主回路脉冲取样电路、芯片IC3和取样电路等构成。线盘右端电压通过R35~R41、R43、R44取样产生取样电压SYN-A,加到IC3(HT46R12)的⑧脚,它左端的电压通过R26~R28取样产生的取样电压SYN-B,加到IC3的④脚。IC3通过对④、⑧脚输入的脉冲进行判断,确保线盘对谐振电容C16充电期间,以及C16对线盘放电期间, 14 脚均输出低电平脉冲,使功率管IGBT截止。只有线盘通过C15、功率管内的阻尼管放电结束后,IC3 的 14 脚才能输出高电平电压,该电压通过驱动电路放大后使功率管 IGBT 再次导通。因此,通过同步控制实现了功率管的零电压开关控制。
5.电流自动调整电路
该机的电流自动调整电路以电流取样电路、IC3内的CPU为核心构成。如上所述,主回路工作后,IC3⑤脚就会有取样电压CURRENT输入。若主回路的电流较大,CPU就会检测到CURRENT增大,于是IC3输出的功率调整信号的占空比减小,功率管导通时间缩短,主回路的电流减小。反之控制过程相反,从而实现了电流的自动调整。
6.风扇散热系统
开机后,IC3⑥脚输出的风扇控制信号FAN为高电平,通过R13限流使驱动管Q2导通,风扇电机的绕组得到供电,于是风扇电机开始旋转,对散热片进行强制散热,以免功率管、整流桥堆过热损坏。
7.保护电路
该机为了防止功率管因过压、过流、过热等原因损坏,设置了多种保护电路。保护电路通过两种方式来实现保护功能:一种是通过PWM电路切断激励脉冲输出,使功率管停止工作;另一种是通过CPU控制功率调整信号的占空比,同样可使功率管截止。
(1)功率管c极过压保护电路
功率管c极电压通过R34、R37、R39、R40、R43取样后产生取样电压IG-OV,该电压经隔离二极管D15加到芯片IC3 13 脚。当功率管c极产生的反峰电压在正常范围内时,IC3 13 脚输入的电压也在正常范围内,IC3 14 脚就能输出正常的激励脉冲,该机可正常工作。一旦功率管c极产生的反峰电压过高,通过取样使IC3 13 脚输入的电压达到保护电路动作的阈值时,IC3内的保护电路动作,使它的 14 脚不再输出激励脉冲,功率管截止,避免了过压损坏。
(2)市电检测电路
市电电压通过D8、D9全波整流产生脉动电压,再通过R19、R20、R24取样产生市电取样电压SYS_V,该电压加到微处理器IC3②脚。当市电电压过高或过低时,相应升高或降低的SYS_V信号被IC3检测后,IC3判断市电异常不再输出激励脉冲,功率管截止,避免了功率管等元器件因市电异常而损坏。同时,驱动蜂鸣器报警,并控制显示屏显示故障代码,提醒用户该机进入市电异常保护状态。
(3)浪涌保护电路
市电电压通过整流管 D8、D9全波整流产生的电压通过 R17、R18、R22取样,再通过C12滤波产生取样电压Line OV,该电压通过D14加到IC3 13 脚。当市电电压没有干扰脉冲时,IC3 13 脚输入的电压较低,不影响IC3输出的激励脉冲,电磁炉正常工作。一旦市电窜入干扰脉冲,IC3 13 脚输入的电压升高,该电压被IC3检测后判断浪涌电压过高,使 14 脚不再输出激励脉冲,功率管截止,避免了过压损坏。D11是防止取样电压过高而设置的钳位二极管,确保IC3 13 脚电位不超过5.5V。
(4)过流保护电路
主回路产生的电流被电流互感器CT1检测并耦合到次级绕组后,通过C10、R15抑制干扰脉冲,D5半波整流,再通过可调电阻VR1和R3取样产生取样电压OC。OC通过D16加到IC3 13 脚。若主回路的电流较大,CT1输出的电压升高,OC电压增大,被IC3检测后判断主回路过流,切断 14 脚输出的激励脉冲,功率管截止,避免了过流损坏。
提示
VR1是用于设置最大取样电流的可调电阻,调整它就可改变输入到IC3 13 脚的取样电压OC的高低,实现过流保护启控点的设置。
(5)炉面过热保护电路
炉面温度传感器(负温度系数热敏电阻)RT2紧贴在炉面下面,它与R31分压产生的检测信号PAN_T加到IC3 19 脚,送给IC3内部的CPU进行检测。当炉面的温度高于220℃时,RT2的阻值急剧减小,5V电压通过RT2与R31分压后使检测信号PAN_T的电压升高,被IC3检测后判断炉面温度过高,输出停止加热信号,同时驱动蜂鸣器BUZZER1报警,并控制显示屏显示故障代码“E7”,提醒用户该机进入炉面温度过热保护状态。
提示
由于炉面温度传感器RT2损坏后就不能实现炉面温度检测,这样容易扩大故障范围,因此该机还设置了RT2异常检测功能。
若RT2开路或C13击穿使检测信号PAN_T为低电平,IC3则判断RT2开路,不仅不发出加热指令,而且驱动蜂鸣器报警,并控制显示屏显示故障代码“E1”,提醒该机的炉面温度传感器开路;若RT2击穿或R31开路,使IC3输入的PAN_T电压为高电平,IC3则判断RT2击穿,不仅不发出加热指令,而且驱动蜂鸣器报警,并控制显示屏显示故障代码“E2”,提醒该机的炉面温度传感器击穿。
(6)功率管过热保护电路
功率管温度传感器(负温度系数热敏电阻)RT1紧贴在功率管、整流桥堆的散热片上,它与R32取样后产生检测信号IGBT_T送到IC3 24 脚,送给IC3内部的CPU进行检测。当散热片的温度高于 85℃时,RT1 的阻值急剧减小,5V 电压通过 RT1 和 R32 分压使检测信号IGBT_T的电压升高,被CPU检测后减小功率调整信号的占空比,使功率管导通时间缩短,电流下降,将功率管的工作温度限制在85℃以内;当散热片的温度高于95℃时,IGBT_T电压进一步升高,被CPU检测后立即输出停止加热的控制信号,使功率管停止工作,同时驱动蜂鸣器发出警报声,并控制显示屏显示“E4”的故障代码,提醒用户该机进入功率管过热保护状态。
提示
由于功率管温度传感器RT1损坏后就不能实现功率管温度检测,这样容易扩大故障范围,因此该机还设置了RT1异常检测功能。
若RT1开路或C14击穿使检测信号IGBT_T为低电平,被IC3检测后判断RT1开路,不仅不发出加热指令,而且驱动蜂鸣器报警,并控制显示屏显示故障代码“E3”,提醒该机的功率管温度传感器开路;若RT1击穿或R32开路使IGBT_T电压为高电平,被IC3检测后判断RT1击穿,不仅不发出加热指令,而且驱动蜂鸣器报警,并控制显示屏显示故障代码“E4”,提醒用户该机的功率管温度传感器击穿。