最近大家应该都做过抗原自测为什么两道杠就能代表阳性?C和T分别代表什么意思?
Q1
莱顿弗罗斯特效应是什么?
by 铄铄
答:
莱顿弗罗斯特效应描述的是当液体接触一个温度远超过其沸点的物体表面时,汽化速率相比于物体温度略超其沸点时反而降低的现象。莱顿弗罗斯特效应产生的原因是,液体接触到这样一个高温表面时,靠近表面的液体迅速汽化,产生一层有隔热作用的蒸气,使剩余液体不与热源直接接触,能够以液态存在较长时间。这种只有表面层汽化而液体内部不变的状态被称作薄膜沸腾。

莱顿弗罗斯特效应有许多有趣的应用[2]。比如向热锅中撒几滴水,水会在锅表面游走而不汽化;而如果锅不够热,水会固定在一处沸腾。有经验的厨师可以据此判断锅的温度。此外,一些演示实验中徒手触摸液氮也是类似的原理(该实验存在冻伤风险,请勿私下模仿)。
令某种液体产生莱顿弗罗斯特效应的温度被称为莱顿弗罗斯特点,也就是使液体产生稳定的薄膜沸腾的最低温度。就水而言,莱顿弗罗斯特点受水温、水中杂质含量、高温固体表面材质等因素影响(此处省略一个复杂公式,感兴趣读者可以参考文献[1])。粗略地说,水在平底锅上的莱顿弗罗斯特点约193℃。
参考资料:
[1]莱顿弗罗斯特现象
[2]现象演示
by 藏痴
Q.E.D.
Q2
闭上眼睛看到的是什么颜色?
by 一颗星
答:
眼睛闭上后能看到什么颜色?有时看到的是真实的色彩,有时看到的是幻象。二者相互交融,难以分辨。
当你闭上眼睛,眼睑遮盖了眼球,如果此时面向太阳,会看到淡淡的红色,这其实就是眼睑的颜色。如果面对着发出强光的白炽灯闭上眼睛,此时仍有很多光会进入眼睛,看到的会是白色。而当在光线很暗的环境里,闭上眼后几乎没有光进入眼睛,此时眼睛感觉到的就是黑色。这些都是眼睛真实看到的色彩。
但有时候,我们紧紧闭上眼睛会“看”到色彩斑斓的幻象,例如彩色的图案或者闪烁的光点,这种在闭眼后看到随机颜色的随机图形的现象叫做光幻视。
一种可能造成光幻视的原因叫做视觉后像。例如,在明亮的环境中突然切断光源(通过闭眼、关灯等方式),短时间内视野中还会残留一些光斑光点,这种视觉暂留的现象就属于“视觉后像”的一种。另外,长时间注视一个物体,在闭上眼睛后也会看到视野中保留着一个对应的幻象。这些现象产生的科学机理目前没有确定结论,大部分研究认为,视觉感受器和相关神经细胞在光线的刺激终止之后,不会立刻停止工作,而是会在一段时间内保持活动,向大脑输送刺激信号。

对于光幻视现象出现另一种可能的解释是,在视觉形成的过程中,视觉细胞产生的电信号,经由视觉神经传递到大脑,大脑才是视觉信号的受体和产生视觉的部位。在某些情况下,例如眼球受到机械压力刺激了视觉神经,或是视觉神经和大脑自发产生的兴奋信号刺激视觉皮层,也会导致人产生看到亮光的错觉。举个例子,当我们不小心撞到头部时,会产生“眼冒金星”的现象,这实际上就是位于大脑后部的视神经在被撞击后产生了错误的信号,显然并不是真的看到了星星。

事实上,即使是没有光进入我们的眼睛,我们视觉系统中的神经元也总是活跃的。即使在睡觉的时候,丘脑(大脑中负责传递感觉信号的部分)、视觉皮层和视网膜也始终处于开启的状态。因此,闭上眼后有时仍能看到一些幻象是很正常的现象。由于人与人的神经的构造和对光线的敏感程度都有差别,不同人能看到的幻象也是不同的。有少部分人就表示,他们能在闭上眼后“看”到非常丰富的奇特景象,不过这种幻象一般是很难受到大脑自主控制的。遗憾的是,答主并没有这种“特异功能”,如果你有在闭上眼睛后看到奇妙的场景的体验,欢迎到评论区来与大家分享!

by Childe
Q.E.D.
Q3
抗原的工作原理是什么?
by 阳敌
答:
首先我们需要了解常见的可用于检测病毒的几种方法,根据美国食品和药物管理局(FDA)的授权,目前约有三种可用于检测新冠病毒的方法:快速抗原检测(也称为即时检测);分子检测(也称为核酸扩增、基因、RNA或PCR检测);抗体测试(也称为血清学测试)。
一般来说,我们普通人常接触的有前两种,其中(我们在核酸亭所经历的)实时荧光RT-PCR方法非常灵敏并且非常适合诊断急性感染,但它们价格昂贵,需要使用特殊试剂、设备和经过专门培训的临床实验人员,而基于横向流动技术的快速诊断测试(RDT)价格低廉,并且允许在非实验室环境中进行患者测试。
至于抗原如何检测大家最近都有所接触想必我就不用多说了吧(手动狗头)。快速抗原检测是需要患者呼吸道标本(通常是咽或鼻拭子)的免疫测定,收集后,将样本置于提取缓冲液或试剂中,并测试是否存在病毒特异性蛋白质(称为抗原)的一种检测方法。

现在我们来看其原理的分子机制,抗原快速检测技术基于抗体,这些抗体可以特异性结合病毒的表面蛋白。这里会用到三种不同的抗体,第一组比较不同,它们会与一些(比如金)颗粒结合以用作标记(示踪剂),检测区的第二组抗体会被固定在测试垫上,校准区的第三组抗体是可以识别示踪剂的抗体。当含有病毒成分的样品放在测试垫上时,它们会与部分一抗结合,由于毛细作用,使得液体向下流动,二抗也会捕获样本,我们可以看到,样本中的抗原靶标在固定的测试二抗和自由流动的结合了金胶体的一抗之间架起了一座桥梁。如果当经过了一抗的分析物通过二抗的测试线时抗原存在于分析物中,则会出现可视化线条,如果有足够多的金结合抗体被卡住,它们就会显示为一条清晰的红线,未在此处捕获的病毒成分将流到三抗线那里,那里的三抗可以捕获被标记了的一抗,这样又会出现一条红线。

外在表现即为两条杠——阳性。

同理,若是没有病原体的样品,整体流程也与之差不多,只是经过二抗时不会与之结合,这些金结合抗体会简单地流过测试线,流向有三抗的校准区与试纸条的末端。从而也就少了一条红线。

外在表现即为一条杠——阴性。

最后,RDT通常不如PCR测试敏感,当病毒载量高时(出症状的最初几天)最准确。如果抗原阴可以用PCR再次印证,但是如果抗原阳就一定是阳不用分子检测确认,因为抗原检测具有高度特异性。
参考资料:
[1]Coronavirus Disease 2019 (COVID-19)
[2]Frew, E., Roberts, D., Barry, S. et al. A SARS-CoV-2 antigen rapid diagnostic test for resource limited settings. Sci Rep 11, 23009 (2021)
[3]Pedro Estrela, Katarzyna M. Koczula, Andrea Gallotta; Lateral flow assays. Essays Biochem 30 June 2016; 60 (1): 111–120.
[4]How SARS-CoV2 Antigen Rapid Tests work (Covid-19 Testing)
by 十七
Q.E.D.
Q4
为啥会有接触电阻?
by 匿名
答:
首先吐槽一下,在进行电输运测量中,接触电阻真的很“烦人”!
对于接触电阻产生的主要原因有两种,一是收缩电阻,二是表面在空气中形成的膜电阻。收缩电阻的产生是因为接触面的凹凸不平(即使看起来很光滑,在微米量级下就会显的非常凹凸,除非有三体“水滴”的工艺狗头)导致两个导电金属的实际接触面会减少很多,那么当电流流过这个接触面时导电截面大大缩小,从而导致电阻增加。

膜电阻的产生是因为接触面在空气中与氧气形成的一层导电性很差的氧化物膜,从而导致电阻增大。
最后再给大家说一下导体的接触形式大体可以分为点接触,面接触和线接触。对于点接触收缩电阻占主导地位,而对于面接触膜电阻占主导地位。所以实际情况考虑时要采用不同的处理方法。
参考资料:
[1]陈森昌,迟彦惠,张平.电接触现象和接触电阻模型的研究进展[J].广东技术师范学院学报,2015,36(2):40-44
by iu
Q.E.D.
Q5
过年点旺火之后为什么火堆周围的空气看起来会变形?
by 蘋初
答:
这个问题可以从两个方面来解释:一是温度对空气折射率的影响,二是温度对空气流动的影响。
首先是温度对空气折射率的影响。火堆会加热周围的空气,形成温度梯度场。温度的改变会影响空气介质的密度和分子动能等因素,从而改变介质对光子吸收和发射的速率,进而改变空气的折射率。在可见光范围内,温度对空气折射率的影响大致可以用下面的公式描述[1]:

当空气介质对光的折射率不均匀时,光在周围的空气中就不会像在均匀介质中一样直线传播,而是会类似水-空气界面的偏折一样曲线传播,从而发生变形。
其次是温度对空气流动的影响。由于火堆周围的空气处在非均匀的温度场中,因此空气的密度并不均匀。靠近火堆中央的空气温度高密度低,倾向于向上流动。而远离火堆的空气温度低密度高,倾向于向下流动。因此周围的空气形成了对流,加剧了光线传播的不确定性。
因此,我们看到的火堆周围的物体通常是变形的。
参考资料:
[1]《Laser beam propagation in atmospheric turbulence》P180
by 单身男青年 有意请留言
Q.E.D.
Q6
避雷针是如何避雷的?
by 匿名
答:
四个大字:尖端放电!
尖端放电:因为电场强度沿场强方向的变化率与该点的等势面的曲率半径呈负相关,曲率半径越小电场强度越强,对于导体来说,等势面的形状与导体表面的形状几乎一样,所以导体尖端处等势面曲率小,电场强度大。而尖端附近强大的电场就会让附近空气发生电离造成空气极易导电,这就叫做尖端放电。
那么把“尖端放电”带入到避雷针的物理过程是怎么样的呢?当雷雨天气时,假设带电云层带负电荷,高层建筑物会感应出正电荷,由于尖端放电原理,大量电荷只会聚集到避雷针处,与带电云层形成导电通路然后把雷电导入大地中。

所以避雷针可以叫“引雷针”更贴切些~
参考资料:
[1]江志东,李云,霍立平,邱实,刘玮.建筑物尺度对避雷针防雷性能影响的数值评估[J].解放军理工大学学报:自然科学版,2016,17(3):278-283
by iu
Q.E.D.
Q7
怎么将交流电转变为直流电?
by 帝阍
答:
首先要想知道如何将交流电转化为直流电需要提前了解以下概念:
直流电:是指电压的大小和正负极方向都不随时间(在一定范围内)而变化的电流。
交流电:是指电流方向随时间作周期性变化的电流,在一个周期内的平均电流为零。
二极管:是用半导体材料制成的一种电子器件,具有的单向导电性能。一般来说,对于普通的二极管,给二极管两侧加上正向电压时,二极管可以通过电流。当给二极管两侧加上反向电压时,二极管通过的电流非常小,一般可以忽略不计,可以认为是断路。

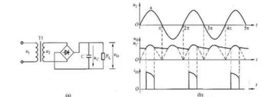
交流电转化为直流电:根据二极管的单向导电性,可用4个二极管组合成整流桥,整流桥就可以将交流电转为直流电。
简单来说交流电变直流电就是:交流电—整流(就是4个二极管组合起来把正负电压变成单向的)—滤波(修正波形使其平滑)—稳压(固定输出)—直流电。主要分为整流阶段和滤波阶段。整流阶段:

当在正半周期时,电流通过整流桥时如下图所示:

当在负半周期时,电流通过整流桥时如下图所示:

通过整流桥后的电压波形变化如下图所示:

滤波阶段:
给电路中加入一个电容,电路中加入电容的作用就是起滤波作用。因为经过整流桥直接整流过的电压还不够平滑,所以还需要滤波电路电压进行修正。滤波电路作用是尽可能减小脉动的直流电压中的交流成分,保留其直流成分,波形变得比较平滑,从而获得稳定的电压。最终将交流电被转化为直流电。

参考资料:
[1]交流电如何变为直流电-电子发烧友网
[2]交流电是如何变为直流电的?原理非常简单,知道的人却不多_哔哩哔哩
[3]电子电路学习笔记(10)——整流桥_Leung_ManWah的博客
by 扫地僧
Q.E.D.
Q8
为什么酸碱中和滴定图像中,越接近反应终点pH变化速率越快?
by 匿名
答:
我们可以定量计算一下这个问题。如果我们考虑使用 浓度的氢氧化钠溶液滴定 体积的浓度为 浓度的盐酸,可以计算溶液pH值和加入的氢氧化钠溶液的体积 的变化关系(忽略溶液混合前后的体积变化)。此时溶液中只有 、 、 、 四种离子,它们应该满足电荷守恒
水中的氢离子浓度和氢氧根例子浓度的乘积应该等于水的离子积
又因为氢氧化钠和氯化氢在水溶液中完全电离,所以钠离子和氯离子浓度应该为
根据这些方程就可以计算得到氢离子浓度的表达式
溶液的pH值为氢离子浓度的负对数 。这样我们可以画出溶液的pH值随着滴入氢氧化钠溶液的体积的变化(假设 )

从图中可以很明显的看出,在 的时候,pH的变化速率非常快,此时也正好对应于化学计量点。从数值上分析,造成pH变化速率非常快的原因是,水自身的电离实在是太微弱了,或者说水的离子积 实在是太小了,一般我们取 。我们可以做一个简单的估算来体会一下 到底有多小:假设我们有100mL的纯水,如果我们向其中加入一滴(按0.05mL计算)0.1 mol/L的盐酸,那么此时溶液中等效的盐酸浓度就有
这比纯水电离的氢离子浓度 仍然高出了两个数量级,所以此时溶液的氢离子浓度可以近似为 ,换算成为pH为4.3。也就是说,对于100mL的水来说,仅仅需要一滴0.1mol/L的盐酸就可以实现pH从7到4.3的变化,这是非常剧烈的。
by Paarthurnax
Q.E.D.
本期答题团队
藏痴、Childe、十七、iu、单身男青年 有意请留言、扫地僧、Paarthurnax
编辑:牧羊