大家好,今天给大家带来一个功放制作的分享。
相信大家之前也有做过小功放吧,就比如说,TDA2030A,LM1875之类的,但是它们的输出功率也就十几二十瓦,发热量大,但今天,小编给大家分享一个功率大,发热量小,外围元件少的功放电路。
TDA7377
TDA7377具有功率大,音质好,发热小,成本低,外围元件少,体积小,重量轻等优点。TDA7377有四个独立的通道,用非桥四单道接到四个喇叭的一般都是用在汽车音响上面,可以了用双桥接到喇叭上,采用双桥的接法,每声道35W。还可以接组成2.1道声。这里就不多说了,想要了解更多的就上网找资料吧。

好了,先给大家看一下TDA7377的引脚功能
管脚 功能 1 OUT1 2 OUT2 3 VCC 4 IN1 5 IN2 6 SUR 7 STAND-BY 8 GND 9 GND 10 NC 11 IN4 12 IN3 13 VCC 14 OUT4 15 OUT3
好了,废话不多说先上电路图,下图为一个电路图参考

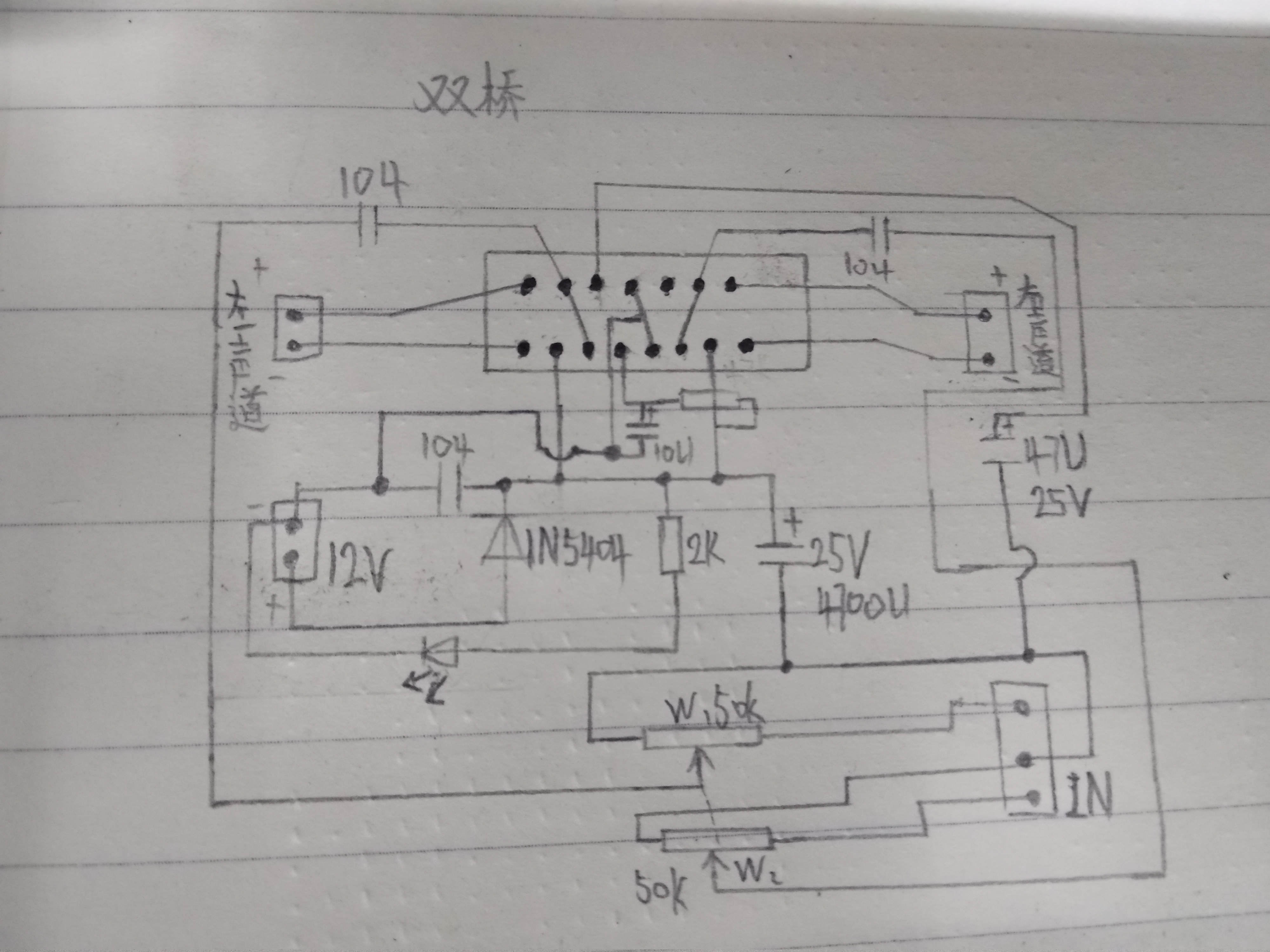
下图是我根据上面的电路图画出来的。

图中,二极管是为了防止电源正负极反接,所以呢要不要都可。(二极管要3A以上的)
首先,我们先在单面铜板上画电路图,(由于个人条件不好,只能用记号笔在铜板上画电路图,也可以用洞洞板直接焊接)

这是用记号笔画的,由于笔头太大了,不好画,所以有点丑,请忽略,谢谢。
画好电路图之后就开始腐蚀。

腐蚀
这是我腐蚀好的,好了,下面开始钻孔,由于不是用专门钻孔的工具转的,所以弄的孔有点难看,不过并不影响接下来的焊接。


焊接
下面可以焊接电子元器件了

先焊接几个电阻、二极管

孔钻好了,先插上跳线,因为孔有点大,所以我就用了比较大的跳线,好了,开始焊接。

焊接好了就装上了散热片,给你们看一下成品图

Final
通电测试,音质真的很好,功率也很大,只不过有一点点噪音,要把耳朵贴近喇叭才听到很小很小的噪音。有可能是我电源滤波没做好,因为我本来想用个10000UF大电容做滤波的,但是板子太小了,装不下这个电容,所以才没装。然后,在跟大家说一下TDA7377这个芯片,内固定增益20db单道,它的一二引脚跟十四十五引脚是音频输出脚,它是四个单独的通道,可以接四个喇叭,它双桥输出最大功率是2×35w。
3-13引脚接电源正,8-9接地,也可以说接电源负极。6脚接退耦电容。7引脚呢,是接一个10k的电阻,然后接电源,看TDA7377内部图,7引脚就是待机控制端。10引脚悬空。4-5跟11-12是音频输入,它是四个输入端,如果是双桥的话,那就把4-5短接11-12短接,然后在接耦合电容就行了。

本期分享就先到这里了,写的不是很好,请不要介意,如果有什么错误之处,那就请指出,大家一起交流学习。