【机器型号】联想Thinkpad E431
【故障现象】笔记本不开机
一美女客户拿来一台Thinkpad E431,由于疫情,在家放了很久没用了,她朋友之前在我这修过电脑,推荐到我这儿。拿来到机器一看,键盘被撬过,这可不是E431键盘正确的打开方式,大家都懂的。
接可调电源上电,无待机电流,于是和客户沟通留机维修。

【维修过程】
由于键盘被撬过,拆机,还好不是二修。无待机,先从接口和保护隔离看起。

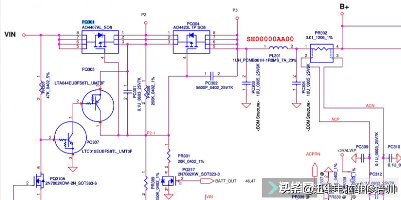
打开鑫智造结合图纸,找到PQ301,测DSG均有19v,PQ304 5678脚0v,明显不过保护隔离。

先不管G级电压,测公共电阻值正常,PQ301 DSG三脚阻值互相为0,PQ301击穿,找个好的换上。通电测PQ301 P304完美导通,然而此时待机电流却为0.2左右,明显还有短路。对于这种微短,直接上下其手,果然发现待机芯片1225c烫手,先不着急换待机芯片,测PWM 3v5v对地阻值正常,线性5v阻值正常,线性3v 对地0,看来问题在这了。


一般线性短路,EC挂的可能性比较大,找到线性3v电路,直接烧鸡,果然EC已经欲火焚身。此机EC为KB9012QF A3 自带程序,可惜没有现成的料板,来看看“备件库”有没有这个EC。

有存货,三下五除二把EC换了。

换好通电,果然待机降了下来,变成0.009,可惜现在不能触发,因为EC是全新不带程序的,没办法,刷吧。大家都知道以前有借鉴G480刷EC的方法,这里重复下

根据这个找到键盘接口对应的引脚,为了好焊接,把引线焊接在旁边的空焊点上:


一切准备就绪,开刷。

刷写成功,把线撤了,通电触发,正常亮机。

至此,本次维修完美结束,故障不难,但是程序繁多!!!
本案例由迅维学员(一维科技)原创提供!有爱好维修的小伙伴们,给我留言!