用过笔记本的朋友,如果细心的会发现,惠普电源适配器的插头中间有一根针,DELL笔记本电源也有中间针,那么这个中间针是干什么的?这其实是厂家的一种专门设计,主要用于适配器检测,说到这里,很多朋友就会恍然大悟,为什么有些非原装的Dell充电器会不太好用,就是检测电路的问题,除了中间针,还有联想的另外一种充电接口:充电+USB一体接口,也是专门设计,接下来我们一起具体了解一下。
我们先复习下老司机们都知道的--- HP中间针,DELL中间针。下面是HP中间针简图,好简单滴。

再往下,DELL中间针,高大上,增加了一个E-PROM。

本文就以联想中间针为例,给大家普及一下。联想中间针如下图中,左侧的,方口的,带针的,接口。

联想这个带针的方口,和Dell的类似,中间针有波形,主板上有中间针检测电路。
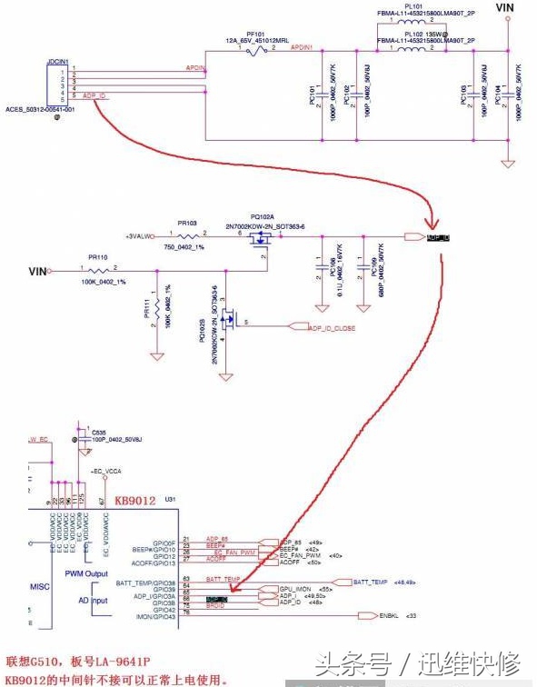
比如下图:联想G510中间针电路,不接可以正常上电使用。

联想G510中间针电路
联想G510中间针正常的波形。

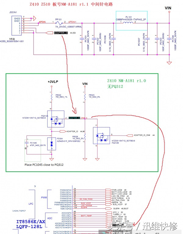
还有:联想Z510(Z410)中间针电路。

联想Z510(Z410)中间针检测正确适配的波形。

ok,那么有人就要问了,如果中间针电路出现问题,会出现什么情况呢?
看下图:联想Z510(Z410)中间针未识别正确适配器后,会循环上电。

本人测试的机型也不多,就拿G510,Z510(Z410)来说吧,做个小结:联想的中间针,有的采用,有的未用,具体情况视机型而定。
说完了方口带针,再叨叨下联想的另外一种充电接口:充电+USB一体接口。

这个接口多数出现在yoga,miiix机型中。咱们先看看这种接口的充电器,输出5v2A或20v2A。

充电器上面的USB供电输出接口:

再来看两款机型的充电线,注意它们的不同哦

这两款充电线的内部连线方式,miix和yoga一样。

下面以miix2-11接口为例,看一下主板接口部分实物,以及接口对地二级体值。


那么问题来了,这种接口充电线和普通的USB不同,多了两条检测线(检测线是我的叫法)。它的作用是什么呢?看下面:


好啦,写的够详细了吧,希望老鸟菜鸟们都能看明白。
本案例由维修工程师(jimces)提供
关注我们公众号,查看更多技术文章!