康铭KM-6623可充电式LED台灯电路

台灯维修电路图及原理分析
维修电子节能灯,首先要排除假故障。关灯后节能灯有间隙性的闪光,这并不是灯的质量问题。主要原因是电工线路安装不规范,将开关设在零线造成的。只要把进线端的零线与火线调换一下即可。使用了带氖灯的开关,关灯后仍然能形成微流通路,或借线安装双联开关的,会造成有时关灯后有闪光现象。

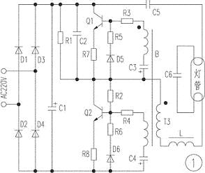
电子节能灯有玻罩型和裸露型。玻罩型又有球型、球柱型、工艺型等三个系列,前两个系列均有全透明、刻花、彩色刻花和乳白色4个品种。它具有外形美观、安装时不易损坏灯管、耐碰撞等优点;裸露型则有H型、UH型、3U型、4U型、2D型及螺旋型等。按发光的颜色分,则可分为红、绿、蓝、黄(色温为2700K,属暖色光,类似于白炽灯的光色)、白(色温以6400K居多,属冷色光,类似于日光灯的光色);而色温为5000K的灯管因光色接近于自然光,对眼睛无刺激,更适合于学生和精细工作。本文介绍的电子节能灯电路见图1,印板图见图2。该电路已加有软启动(灯丝预热)电路,可延长灯管寿命。多应用于护目灯和外销灯具中。
维修电子节能灯时,为安全应用1:1隔离变压器隔离市电。
一、灯不能正常点亮的检修
1.常见为谐振电容C6击穿(短路)或耐压降低(软击穿),应换为耐压在1kV以上的同容量优质涤纶或CBB电容。
2.灯管灯丝开路。若灯管未严重发黑,可在断丝灯脚两端并联0.047μF/400V的涤纶电容后应急使用。
3.R1、R2开路或变值(一般以R1故障可能性较大),用同阻值的1/4W优质电阻代换。
4.三极管开路。如发现只有一只三极管开路,但不能更换一只,而应更换一对耐压在400V以上的同型号配对开关管。否则容易出现灯光打滚或再次烧管。
5.灯光闪烁不停。灯管若未严重发黑,检查D5、D6有无虚焊或开路,若D5、D6软击穿或滤波电容C1漏液及不良,也会使灯光闪烁不停。
6.灯难以点亮,有时用手触摸灯管能点亮或灯光打滚,这可能是C3、C4容量不足、不配对。
7.倘若单支小功率节能灯点亮后灯丝有发红或发光的现象,还应检查D1~D4有无软击穿,C1是否装反或漏电,电源部分有无短路等。
8.扼流圈L及振荡变压器B的磁心有断裂。如若单换磁心,要注意三点:(1)使用符合要求的磁心,否则可能使扼流圈的电感值有较大出入,给节能灯埋下隐患;(2)磁隙不能过小,以免磁饱和;(3)磁隙间用合适的垫衬物垫好后,用胶粘剂粘上,并缠上耐高温阻燃胶带,以防松动。此外对B的同名端不能接错。
9.检修使用触发管的电子镇流器,应重点检查双向触发二极管,此管一般用DB3型,它的双向击穿电压为32±4V。
二、有元件明显损坏的检修
1.虽不熔断保险、不烧断进线处线路而电阻等有明显损坏的,三极管必损无疑。这首先可能是灯管老化引起的,其次是使用环境差,另外可能是由C1失去容量造成的。对于前二种情况,在更换电阻、三极管时,最好也更换配对的C3、C4小电解。对于后一种,C3、C4不必更换,由于C1工作在高压条件下,务必选用优质耐热电解电容器进行代换。
2.在熔断保险、烧断进线处线路的情况下,若C1、Q1、Q2完好,则必须逐个对D1~D4进行常规检查和耐压测试。或把D1~D4全部用优质品代换。
3.C1爆裂,如伴有熔断保险、烧断进线的现象,应将D1~D4、C1全部更换。
4.只有Q2一侧的阻容件、三极管烧坏的,应重点检查C2是否已击穿。
5.若高频变压器B损坏,可用∮0.32mm高强线在10mm&TImes;6mm&TImes;5mm的高频磁环上绕制,T1、T2各为4圈;T3为8圈(注意头尾)。扼流圈L:灯管功率5~40W,相应为1.5~5.5mH之间。
