一、双荧光灯的户外广告双灯管接电路
一般在接线时应尽可能减少外部接头。安装荧光灯时,镇流器、辉光启动器必须和电源电压、灯管功率相配合。这种电路一般用于厂矿和户外广告等要求照明度较高的场所。

图1 双荧光灯的户外广告双灯管接线电路
二、一只单连开关控制三盏灯电路
用一只单连开关控制三盏灯及三盏以上灯的线路见图2所示,要注意通过开关的电流值不能超过该开关允许的范围。按实物图连接就能使电路工作,非常直观实用。这对初学电工很有借鉴意义。

图2 一只单连开关控制三盏灯电路
三、用三个开关控制一盏灯电路
在日常生活中,经常需要用两个或多个开关来控制一盏灯,如楼梯上有一盏灯,要求上、下楼梯口处各安装一个开关,使人员上、下楼时都能开灯或关灯。这就需要一灯多控。
图3所示是三个开关控制一盏灯电路。
开关S1和S3用单刀双掷开关,而S2用双刀双掷开关。S1、S2、S3三个开关中的任何一个都可以独立地控制电路通断。

图3 用三个开关控制一盏灯电路
四、路灯光电控制电路
这是一种简单的光控开关电路,工作原理如图4所示。
当晚上(照度低)时,光敏电阻GR的电阻增大,VT1的基极电流减小直至截止,于是VT2也截止。VT2的集电极电压上升使VT3导通,继电器KA吸合,点亮路灯。早上天刚亮(照度高),GR的阻值减小,使VT1导通,于是与上述过程相反,关闭路灯。继电器KA为JRX-13F型。

图4 路灯光电控制电路
五、人体感应延时灯光控制电路
当有人进入控制区时,白炽灯会自然点亮;而当人走过或在控制区内静止不动时,它会延时一段时间自动关灯。但是,只要人在被控制的范围内活动,灯就会给人照明。这种装置还设有光控电路,在室内可见度较好的环境下,尽管人来人往,由它控制的灯不会点亮。
晶体管VT1、L1、L2、C1及R1~R4等组成近微波段自激振荡电路,其振荡频率在700~1000MHz范围内可调,由微调电容器C1设定。所产生的电磁波由L1发射到周围空间,其幅射面积在50~80m2,且无方向性。
当有人在该范围内活动时,根据电磁波的多普勒效应,人体的反射波将通过L1接收到,使VT1的振荡频率和幅度产生变化,电容器C2正端的电位发生波动。
电位波动的频率与人体活动快慢有关,而幅度与人体至L1的距离有关。该波动电位信号经电解电容器C2和电阻R5耦合到运算放大器N1A的反相输入端②脚进行高增益放大。
为了使N1A输出幅度变化最大,其同相输入端③脚的偏置电压设定在直流电源电压的一半处,即+6V左右。也就是说,适当地选取R7、R17、R12等的电阻值,使N1A静态时输出端①脚电位为6V。
当有人在灯下被监控范围内活动时,N1A输出端①脚电位就会在6V左右变化。这个变化的电信号通过C5、R8微分,送到N1B进行比较放大,这时N1B的输出端将在0~+10V之间大幅度变化,再送入比较器N1C进行比较。
当N1C的反相输入端电压高于同相输入端电压时,N1D的输出立刻由高电位转化为低电位,二极管VD2导通,使N1D的反相输入端电位低于同相输入端电位,N1D输出端⑦脚呈高电位,通过R15触发双向晶闸管VS导通,白炽灯泡EL点亮。

图5 人体感应延时灯光控制电路
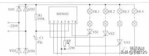
六、追逐式彩灯电路
本例是一种跳跃感特别强的新颖彩灯,其控制闪亮顺序采取1→3→2→4的跳马追逐方式。
二极管VD1~VD4组成桥式整流电路,输出全波整流电压作为4路彩灯的电源,同时通过限流电阻R1并经电容C1滤波后作为集成电路SH9043的电源。
电位器RP和电容C2是SH9043的外接电阻和电容,调节RP可以调节芯片内部振荡器的振荡频率,从而改变4路彩灯跳马追逐速率,闪光频率可以在1~200Hz之间变化。
集成电路的①脚、②脚、⑦脚、⑧脚分别与晶闸管VS2、VS4、VS1、VS3的控制极相接。4路输出信号用来控制晶闸管的导通与否,从而使得串接在晶闸管阳极回路中的灯串HL1~HL4闪亮。
制作时,集成电路用SH9043,VD1~VD4用1N4004型二极管,VS1~VS4用2N6565型单向晶闸管。
R1用RTX-2W型碳膜电阻器,RP用WH5型合成碳膜电位器;
C1用CD11-10V型普通电解电容器,C2可用CT1型瓷介电容器;
HL1~HL4用功率小于100W的市售彩灯串,也可用60个3.8V的小电珠串联而成。

图6 追逐式彩灯电路
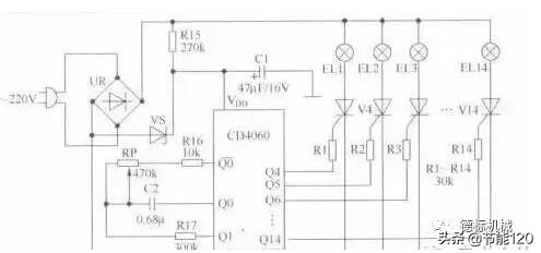
七、节日彩灯——满天星霓虹灯电路
主要由CD4060及外围元件组成。CD4060是一种带有振荡器的十四级计数器,用其输出端控制晶闸管导通,使各组灯串发光。由于CD4060输出方式是二进制状态,所以很难看出灯串的发光变化规律,从而好似满天星星。

图7 节日彩灯——满天星霓虹灯电路
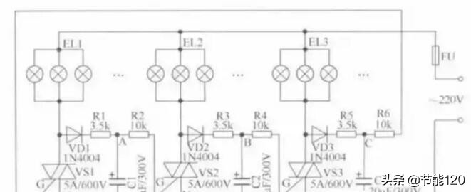
八、大功率“流水式”广告彩灯控制电路
大功率“流水式”广告彩灯,可以在商场、剧院、舞厅或其他建筑物上使用,使夜景显得很美,特别是在节日里用于广告时,更增加了节日的欢乐气氛。
这里介绍一种元件少、功率大,可同时点亮60盏25W彩灯的电路。灯光呈追逐式跳动闪光。
电路如图8所示,VSl、VS2、VS3组成相同的三个单元电路。当接通电源后,电源通过VD1、EL1、R1对C1充电,使A点电位升高。
同理,B、C点电位也逐渐升高。由于电子元件性能的差别,某一组双向晶闸管会首先触发导通,如C点电位升高使VS1首先触发导通,ELl灯亮,电容C3经电阻R6向VSl放电,C点电位下降,而电容C1继续充电,A点电位升高,一段时间后,VS2导通,EL2灯亮,VS1截止。
这时电容C1经R2向VS2放电,A点电位下降,而C2继续充电,B点电位升高,一段时间后,VS3导通,EL3灯亮,VS2截止。以下过程相同。这样,灯泡按次序轮流发光,产生“流水式”广告彩灯效果。

图8 大功率“流水式”广告彩灯控制电路
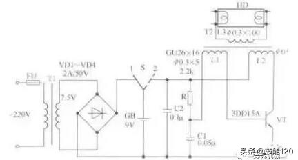
九、应急照明灯电路
当开关S在“1”的位置时,220V的交流电源经变压器T1降压、VD1~VD4整流后向蓄电池GB充电。当停止交流供电时,可把开关S拨向“2”的位置,此时蓄电池向逆变变压器T2二次[侧]输出高压,使灯管启辉。
逆变变压器采用铁氧体罐形磁芯绕制,规格为GU26×16。绕制时,要注意高压绕组L3的绝缘。电池组可根据条件选用。电源变压器可用10V?A铁芯绕制。灯管可选用7W的H形或U形节能灯。
电路安装无误后,如通电不起振,则有可能是反馈线圈接反,一般来讲,将L1两端对调,即可正常工作。调整C1的容量可改变振荡频率,C1的容量越大,振荡频率越低。
应急灯的应用很广泛,若应用在消防工程中时,除应具有产品相关合格证外,灯具还必须采用金属外壳,灯头(指白炽灯)不允许采用塑料制品。

图9 应急照明灯电路
十、声光控自动照明灯电路
这是一种智能灯具,能够只在夜晚有人时才自动开灯,人走后即自动关灯,既满足了照明的需要,又最大限度地节约了电能。电路如图10所示,主要元器件使用了数字集成电路,简化了电路结构,提高了工作可靠性。
电路工作原理如下:
(1)光敏二极管VD1等组成光控电路。白天由于环境光很亮,VD1导通,D8输出低电平封闭了与非门D7,照明灯泡EL不亮。夜晚VD1截止,D8输出高电平开启了与非门D7,灯泡EL亮或不亮取决于声控电路。
(2)驻极体话筒BM等组成声控电路。没有行人时灯泡EL不亮。当有行人接近时,行人的脚步声或讲话声由话筒BM接收、D1~D3放大、D6整形、D4倒相后,经过与非门D7使开关管VT和双向晶闸管VS导通,照明灯EL点亮。
(3)VD2、C2等组成延时电路。当声音信号消失后,由于延时电路的作用,照明灯EL将继续点亮数十秒后才关闭。
(4)与非门D7输出端的信号又回送至光控门D8,在灯泡EL点亮时封闭光控电路信号,这样即使本灯的灯光照射到光敏二极管VD1上,系统也不会误认为是白天而造成照明灯刚点亮就立即关闭。
该灯电路可以安放在灯座中,外表只留感光孔和感声孔,如图10所示组成一个整体,特别适合安装在楼梯、走廊等公共场所。

图10 声光控自动照明灯电路

1、断路
产生断路的原因主要是熔丝熔断、线头松脱、断线、开关没有接通、铝线接头腐蚀等。
如果一个灯泡不亮而其它灯泡都亮,应首先检查是否灯丝烧断。若灯丝未断,则应检查开关和灯头是否接触不良、有无断线等。为了尽快查出故障点,可用试电笔测灯座(灯口)的两极是否有电,若两极都不亮说明相线断路;若两极都亮(带灯泡测试),说明中性线(零线)断路;若一极亮一极不亮,说明灯丝未接通。对于日光灯来说,还应对其启辉器进行检查。
如果几盏电灯都不亮,应首先检查总保险是否熔断或总闸是否接通。也可按上述方法及试电笔判断故障点在总相线还是总零线上。
2、短路
造成短路的原因大致有以下几种:
(1)用电器具接线不好,以至接头碰在一起。
(2)灯座或开关进水,螺口灯头内部松动或灯座顶芯歪斜,造成内部短路。
(3)导线绝缘外皮损坏或老化损坏,并在零线和相线的绝缘处碰线。
发生短路故障时,会出现打火现象,并引起短路保护动作(熔丝烧断)。当发现短路打火或熔丝熔断时,应先查出发生短路的原因,找出短路故障点,并进行处理后再更换保险丝,恢复送电。
3、漏电
相线绝缘损坏而接地、用电设备内部绝缘损坏使外壳带电等原因,均会造成漏电。漏电不但造成电力浪费,还可能造成人身触电伤亡事故。
漏电保护装置一般采用漏电开关。当漏电电流超过整定电流值时,漏电保护器动作,切断电路。若发现漏电保护器动作,则应查出漏电接地点并进行绝缘处理后再通电。
照明线路的接地点多发生在穿墙部位和靠近墙壁或天花板等部位。查找接地点时,应注意查找这些部位。