苹果手机现在使用的人越来越多,在小编苹果手机日常的维修中,苹果手机不照相故障占到很大一部分,导致苹果手机不照相的原因有很多,其中很大一部分是人为损坏,比如重摔或者进水,苹果手机摄像头损坏常常会有以下几种故障现象:
1、打开摄像头黑屏不能拍照。
2、手机手电筒功能不能正常使用。
3、手机拍照模糊,不能正常对焦,不能扫码。
4、手机2x拍照功能用不了。
一般情况下,如果是正常使用导致的手机不能拍照或者拍照模糊现象,一般都是摄像头本身损坏,直接更换后置摄像头即可,也有很大一部分是重摔导致摄像头本身的损坏,直接更换即可。
摄像头不能拍照除了摄像头本身损坏以外,还有很大一部分是主板问题导致的,很多新手在处理摄像头不能拍照的问题的时候,只知道更换后置摄像头,如果更换后置摄像头还不行就不知道如何去维修了,今天,小编就分享不照相故障的主板维修攻略,只要领会了这个维修思路,不照相问题就可手到病除。

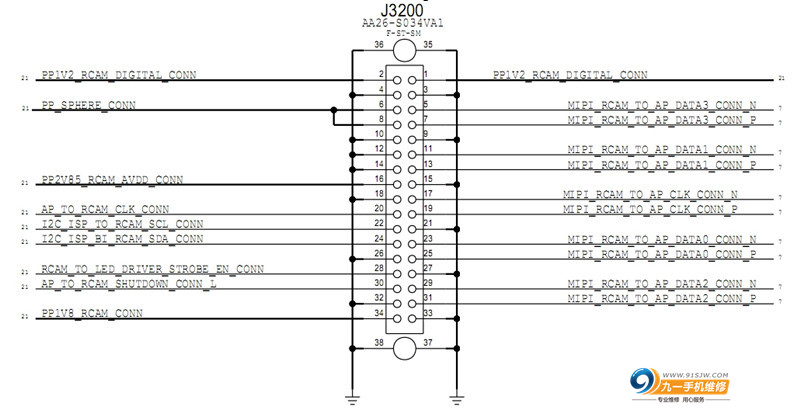
苹果手机摄像头工作原理
照相电路的工作原理不难理解,摄像头要正常工作,必须有工作电压,必须有CPU输出的各路控制信号。

以iPhone6splus为例,看原理图可以得知,照相电路一共有四路供电,分别是PP2V85_RCAM_AVDD,开机瞬间测量电压为2.85V,PP1V2_RCM_DIGITAL ,测量电压为1.2V,PP_SPHERE,测量电压无,最后一个电压PP1V8_RCAM ,测量电压为1.8V。在实际维修中,以2.85V供电最容易出问题,它是由pp_vcc_main电压转换过来的。

2.85v电压从照相供电转换IC输出,经过两个接地电容和电感FL3200送到照相接口J2300的16脚,开机瞬间测量,若没有2.85v电压,则照相供电转换IC 坏,更换即可,也可以飞线借用感光感距的3v供电。

如果1.2v、1.8v和2.85v电压都正常,则用万用表测量照相接口的对地阻值,发现哪个脚的阻值不对,就顺藤摸瓜查该条线路上的电感和电阻是否开路,若没有开路,则是CPU虚焊或损坏,以下图片为照相接口的阻值图。

另外,闪光灯IC坏也会导致不照相,若照相接口的对地阻值正常,有理由怀疑闪光灯IC问题,可拆下闪光灯IC,再装机测试,如果能照相了,说明闪光灯IC损坏,更换即可。若不是闪光灯IC问题,值得注意的还有照相接口,小编遇到过几例,外观良好的照相接口也会导致不照相,直接更换接口解决。
小编从事iPhone手机维修十余年,如果你的苹果手机坏了需要维修(更换屏幕或其他维修)或者在使用苹果手机的过程中有其他问题需要了解,可以直接私信搜索小编昆明九一手机维修中心或者直接下面留言评论,小编看到了会统一回复大家的。