关于电路设计,对于新手而言没有经验,更没有实践的机会,不知道理想和实践过程中会出现什么样的问题,又该如何有效解决这些棘手的问题?其实电路设计,三分理论,七分实践。理论固然重要,但是也不能忽略实践的宝贵经验。本期专题将和大家分享关于电路设计的优质文章,希望能给新手消除电路设计的烦恼。
基础电路设计
电路设计之MOS管快速开启和关闭
关于MOS管驱动电路设计的文章有很多,本文主要谈一谈如何让MOS管快速开启和关闭。
一般认为MOSFET(MOS管)是电压驱动的,不需要驱动电流。然而,在MOS管的G极和S极之间有结电容存在,这个电容会让驱动MOS变的不那么简单。下图的3个电容为MOS管的结电容,电感为电路走线的寄生电感:

如果不考虑纹波、EMI和冲击电流等要求的话,MOS管开关速度越快越好。
因为开关时间越短,开关损耗越小,而在开关电源中开关损耗占总损耗的很大一部分,因此MOS管驱动电路的好坏直接决定了电源的效率。怎么做到MOS管的快速开启和关闭呢?对于一个MOS管,如果把GS之间的电压从0拉到管子的开启电压所用的时间越短,那么MOS管开启的速度就会越快。与此类似,如果把MOS管的GS电压从开启电压降到0V的时间越短,那么MOS管关断的速度也就越快。由此我们可以知道,如果想在更短的时间内把GS电压拉高或者拉低,就要给MOS管栅极更大的瞬间驱动电流。大家常用的PWM芯片输出直接驱动MOS或者用三极管放大后再驱动MOS的方法,其实在瞬间驱动电流这块是有很大缺陷的。比较好的方法是使用专用的MOSFET驱动芯片如TC4420来驱动MOS管,这类的芯片一般有很大的瞬间输出电流,而且还兼容TTL电平输入,MOSFET驱动芯片的内部结构如下……
低侧or高侧?基于运算放大器的分流电阻检流方法分享
检测电流的常用方法
电流检测电路广泛应用于开关电源、电机控制等各种场合,检测电流的方法有很多。常见的有霍尔传感器、罗氏线圈、电流互感器、分流电阻等。其中,电流互感器和罗氏线圈仅用于交流电流检测。不同的测量方法,使用的测量原理不同,导致测量对象不同,测量精度也不同,且测量效率、测量成本、占用体积均有差异。有时,测量与被测之间还需要隔离。在电力电子应用中,多数情况下需要检测较大的交流或直流,此时使用霍尔传感器较为广泛。在小信号测量领域,多数情况下电流较小,但频率范围从直流到高频均有,此时使用分流电阻较为广泛。所谓分流电阻,就是将固定阻值的感应电阻串联于被测支路中,采用不同的方法测量感应电阻两端的压差,以表征被测电流。
本文我们主要聊聊基于运算放大器的分流电阻检测方法。
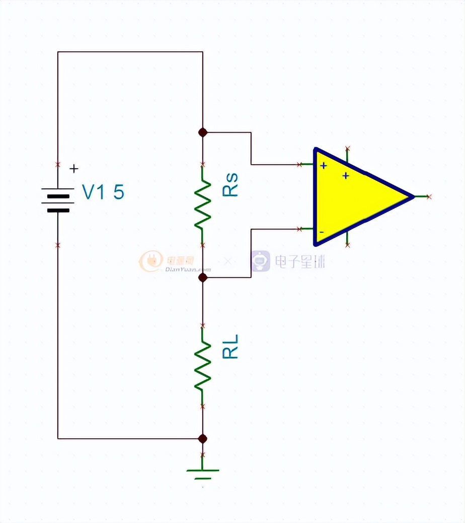
低侧or高侧

图1低侧电流检测

图2高测电流检测
先来看看这两种检测方式是如何工作的:

图3是典型的单运放低侧电流检测电路
只需测量负载LAOD下方的采样电阻Rsense的电压,使用同比例放大器将Rsense上的电压放大R3/R2倍(令R1和R2的阻值一样大),得到输出电压Vout=Isense*Rsense*R3/R2……
#征文#电路设计与PCB布线技巧
在设计电路时常常遇到一些不会设计或者pcb不会布局或者布局不好。下面说一些简单实用的小技巧:
一、先说一下去耦电容
集成电路的发展趋势是低电源电压和高功率消耗,集成芯片逻辑门越来越多,开关速度越来越快。当快速翻转设备同时改变状态时,通过电源分配系统的纹波噪声将随频率的变化而变化。这个噪声也可以依次干扰高速设备周围的环境。没有足够稳定的电源支持,高速元件的行为将是不可预测的。当前, 电 源完 整性问题主要通过两个途径解决,即优化 PCB 的叠层设计及布局布线和安装去耦电容。
我们设计的单板上去耦电容使用太多,影响单板布局和可生产性,增加生产成本和故障概率。单板电源网络设计存在以下问题:
1.针对各个功能模块和器件的去耦考虑较多,针对电源分配网络整体设计思考较少。
2.使用了去耦计算工具,但是仍然存在过设计情况,排除对工具的理解有误和使用方法不当的因素,如:使用电容计算工具时,目标值设定保守,本身计算得到电容数量就偏多;单板人员对计算结果没有信心,总担心电容不够,又额外增加电容;调用公司的模块电路中本身就带有多余的去耦电容;
3.在电容的去耦,滤波,磁珠的作用等概念上不是很清楚。
4.在pcb画板时去耦电容尽量靠近芯片,去偶电容离芯片越近越好。

在焊接条件允许的条件下可以选择较小的电容靠近芯片,来达到更好的去偶效果。例如:一般常用0402封装的电容放在芯片最近的地方,当然你也可以选择跟小的。但电容的耐压和容值一定要够……
技术实例---Buck电源电路计算全解析
本文接上篇,Buck电源电路作为汽车电子中通用的一种电路拓扑,被广泛应用于汽车的各种控制单元。以汽车ECU电控单元为例,ECU的内部供电电源包括供微处理器工作的5V、3.3V,部分处理器内核供电为1.2V和3.3V,因此对于ECU输入车载电池电压9V-32V而言,不能直接应用于该工作环境下,需要对输入电池电压进行降压处理。因此Buck电源电路作为性价比较高的一种电源拓扑广泛应用于ECU内部供电电路中。下面结合实际项目中ECU内部处理器1.2V内核供电的Buck电源电路从常见的电感、开关管等元器件参数选型到电源环路补偿和输出纹波等进行全面的分析设计,计算书源文件附加文末,欢迎大家交流学习。
一 、 技术参数
输入电压范围:9V-32V;
输出电压:1.2V;
输出电流:1.5A;
电流纹波率:0.3;
开关频率:2.4MHz
二、 工作模式
考虑到Buck电源电路为处理器内核供电,需要较高的控制精度和较小的输出电压纹波,因此设计该电路工作在CCM模式,采用PWM控制策略。
三、 环路补偿
环路补偿设计目标:①在穿越频率处,总的开环系统要有大于45°的相位裕量;②系统的开环增益曲线在穿越频率附近的增益斜率应为-1,即-20Db/每十倍频程;③增益裕量是开环系统模的度量,裕量太小可能导致开环增益刚好通过-1点,一般留有6dB的裕量。
四、其他
考虑到所选ECU电源管理芯片内部已集成Mos开关管,因此只需要完成电感、二极管等元器件的参数选型,但本计算依然给出了MOS的参数计算。
五、参数计算

根据伏秒平衡原则计算电感感量,伏秒平衡原是Buck电源电路在稳定工作的情况下,电感感两端的正伏秒值与负伏秒值相等。这里需要注意的是电感的感量并不是元器件厂商所标数值,需要考虑制造精度、温度、电流等参数对电感参数的影响……
进阶电路设计
#征文#谈谈火爆的GaN驱动电路设计
现在市面上动不动就有消息称某某公司研究出了氮化镓快充,氮化镓作为第三代半导体它具有了Si MOS无可比拟的优势,随着手机充电速度的不断提高,自然功率等级不断提高,另一方面用户体验也需要考虑,功率越大体积越大,所以必须要选用更高效的器件来缩小充电器的体积。那我们来看看,GaN的驱动设计与Si有哪些不同。【以GaN sysytem的GaN HEMTs为例】

与Si MOS的共同点:
1、真正的增强型器件(常闭型器件)
2、电压驱动
3、只需提供栅极漏电流Igss
4、能够通过驱动电阻Rg控制开关速度
5、与大部分Si MOS驱动芯片兼容
与Si MOS的差异:
1、极低的Qg:更低的驱动损耗;更快的开关速度
2、更大的跨导和更低的Vgs:需要-3~+6Vmax栅极偏置电压即可导通(负电压可可靠关断)
3、更低的Vg_th:典型值1.5V

目前各大半导体针对氮化镓的驱动芯片做了许多布局,大致如下:
当驱动电压Vdd高于6V时,需要负压生成电路吧Vgs转换成+6和-(Vdd-6)V,650V驱动芯片……
(DC-DC)电感电流“三兄弟”,极限条件来学习
电感在DC-DC转换电路中的地位十分重要,想要完美的设计DC-DC电路,肯定要对电感的电流特性以及相关定义非常熟悉,下面我们就一起学习电感中一些重要的电流参数!
我也是一边学习,一边跟大家分享我的学习成果,所以还是那句话,本人水平有限,如果有哪里讲的不对的地方还请各位看官大佬及时指正,互相学习,共同进步!
那我们言归正传,首先,电感在DC-DC电路中应用时,因为每个拓扑都是会达到动态平衡状态,也就是电感的在周期内的电流增量等于电流减量 △I_ON=△I_OFF。
它在电路中的电流表现就如下图所示:

由图可见:电感在动态平衡的电流波形中,引出三个重要的电流参数定义:
交流电流 直流电流 峰值电流 三兄弟,理解这三个电流参数意义重大。
交流分量电流: I_AC=△I/2 这里的△I也就是电感在充电,放电过程中的电流增减量,也就是图中电流的最高点与最低点的差值,交流分量电流也就是△I的一半,当然电感只有在电流不断变化的过程中才会产生感生电压,法拉第电磁定律相信大家都并不陌生。
直流分量电流: I_DC也就是平均电感电流,也是图中的I_L该电流值与负载电流I_O的关系,在上次DC-DC的转换原理中也做了介绍,在这需要特别注意的是(I_DC=I_O,降压电路)。(I_DC=I_O/(1-D)升压电路,升降压电路)。这里可能有小伙伴会问,为什么这三种电路的电感平均电流与负载电流的关系式有区别呢?这个其实很简单,是由于电感在电路中的位置所决定的,可以回过头三种转换电路的电路图,你就很轻松的理解了。
峰值电流: I_pk=I_DC+I_AC 电感的峰值电流也就是直流分量与交流分量的叠加值,这个时候你可能会问?这个峰值电流有什么意义呢?对我们的设计有什么影响?
很显然,峰值电流对我们设计意义重大,参与设计的小伙伴都知道,极限值在我们电路设计中占有极具重要的意义,电感的峰值电流大小不仅影响着你前端开关管的极限能力,而且影响电感的磁场强度,没有用过电感的小伙伴可能不知道,电感的峰值电流跟磁场强度有关系,当磁场强度高于某个值时,电感会饱和,电感如果一旦饱和的话,就失去了对电流的限制作用,所以峰值电流这个参数相当重要,我们在实际的应用中要确保电感不会发生饱和。
写到这里不用我说,也肯定会有小伙伴们开始发问了?我们在实际的设计应用中?怎么考虑这些极限条件?换句话说,什么时候会出现这些极限条件呢……
反激变换器的设计连载-RCD吸收电路设计
基本的反激变换器原理图如下所示,在需要对输入输出进行电气隔离的低功率<75W~的开关电源应用场合,反激变换器(Flyback Converter)是最常用的一种拓扑结构(Topology)。简单、可靠、低成本、易于实现是反激变换器突出的优点;接下来我将电源的关键部分的设计进行说明!

RCD吸收电路的计算结果如下:(上文已完成变压器关键设计)

反激变换器在MOS 关断的瞬间,由变压器漏感LLK 与MOS 管的输出电容造成的谐振尖峰加在MOS 管的漏极,如果不加以限制,MOS 管的寿命将会大打折扣。因此需要采取措施,把这个尖峰吸收掉。
因此反激的RCD吸收电路设计对FLY的EMI及MOS的应力都有比较大的影响。对于<75w的FLY设计;为了保证其参数的最佳化设计:


开关MOS管关断时的实际波形图
注意:RCD吸收电路的设计对系统的EMI也会有很大的改善!
■RCD吸收电路 (DS, CS,RS) 将改变MOSFET 关断时的突波振幅与振荡频率,
进而改变了杂讯频谱。
■电压Vds波形改变了共模杂讯,电流ID波形改变了差模杂讯……
高级电路设计
嵌入式系统的低功耗设计(一)
经过近几年的快速发展,嵌入式系统已经成为电子信息产业中最具增长力的一个分支。随着手机、PDA、GPS、机顶盒等新兴产品的大量应用,嵌入式系统的市场正在以每年30%的速度递增(IDC预测),嵌入式系统的设计也成为软硬件工程师越来越关心的话题。
在嵌入式系统的设计中,低功耗设计是许多设计人员必须面对的问题,其原因在于嵌入式系统被广泛应用于便携式和移动性较强的产品中,而这些产品不是一直都有充足的电源供应,往往是靠电池来供电,所以设计人员从每一个细节来考虑降低功率消耗,从而尽可能地延长电池使用时间。事实上,从全局来考虑低功耗设计已经成为了一个越来越迫切的问题。
从今天起,我们介绍一些关于低功耗设计的知识。
本系列文章可分为部分:
1.介绍嵌入式(电路)的功耗分类;根据功耗类型进行详细介绍和说明,由功耗类型的定义引申出所对应的降低功耗的方式;
2.介绍常见的硬件方面降低功耗的方法;
3.介绍常见的软件方面降低功耗的方法;
4.针对已量产产品进行进行功耗分析及功耗降低的步骤……
解决高频同步BUCK在嵌入式系统中串扰问题
在很多嵌入式系统或者是低压供电端用的比较多,为了实现系统的小体积,目前市面上几MHz的buck变换器IC层出不穷,如此高的开关频率也会给系统带来一些扰动,尤其在传导和辐射方面。同步降压转换器的高频传导和辐射发射基于硬开关期间产生的瞬态电压 (dv/dt) 和瞬态电流 (di/dt) 发生。 这种电磁干扰 (EMI) 在设计和认证周期中是一个越来越令人烦恼的问题,尤其是考虑到功率 MOSFET 的开关速度增加。
先来分析高频回路是什么样子?
有效高频功率回路电感 LLOOP 是总漏极电感 LD 和共源电感 LS 的总和,由输入电容和 PCB 走线的串联电感LPCB以及封装电感产生 的功率 MOSFET。 正如预期的那样,功率环路电感与输入电容器-MOSFET 环路的布局高度相关,如图 1 中的红色阴影区域所示。

图1
同时,栅极回路自感 LG 包括来自 MOSFET (主要是封装形式) 和 PCB 走线布线的寄生参数影响。 对图 2 的检查表明,Q1 的共源电感在电源和栅极环路中都存在。 它会增加开关损耗,因为电源回路的 di/dt 会产生一个负反馈电压,阻碍栅源电压的上升和下降时间。 导致组件应力增加的另一个因素是 Q2 的共源电感,它会在体二极管反向恢复期间导致低侧 MOSFET 的误导通。

图2
经过上图分析,基本可以确定高频噪声的来源就是回路中,杂散电容和电感之间谐振引起,那么我们再来分析一下等效电路,可以通过波形的变化来进行参数优化。图4中SW 电压波形,MOSFET 开关期间存储的寄生能量会激发谐振……
选择合适的共模电感对EMC实验的重要性
共模电感是指两个线圈绕在一个铁心上,且绕制方向相反,匝数和相位相同,常用于开关电源中过滤共模干扰。电源输入端加共模电感一般是为了减少辐射、降低高频共模噪音。其对共模噪音有明显的抑制作用,工作原理是当共模电流通过元件时,两个电感的电感量会叠加。但是对于差模噪音,两个电感量相当于取差,电感值减小,抑制效果会削弱。
在前面的文章中我们也提到过对于干扰源可以采用“堵”或者“疏”作为方向指导,共模电感属于对干扰信号的“堵”,当然对于“堵”的处理,针对需要处理的频段选择合适的共模电感才能起到作用。下面以一篇实例进行说明。
实验布置图:

DUT是测试设备,车载导航产品;
bridge板(测试用板)负责接收和传输信号给到空调控制面板,并将信号通过CAN给到上位机系统进行诊断处理。按键和旋钮的数值都要求在一定的范围以内,如果超出这个范围,上位机系统会提示报错
意犹未尽,查看更多精彩文章→→https://www.dianyuan.com/eestar/
更多精彩内容→→
学了那么多年的单片机,你真的学会了吗?
换个角度学习PWM,豁然开朗许多
关于变压器的那些疑问,此文给你作答
关于嵌入式单片机,怎样的学习方法才是正确的