AV-2000C功率放大器具有漂亮的外观,并能显示出各种控制功能及工作状态。
该机具 备8种DSP效果选择,4种卡拉OK延时及360°音量调整电位器,并以数字方式在荧光屏 上显示,大部分功能均可通过遥控器进行操作。
该机存在以下不足:低音偏硬、下潜不够深且缺乏弹性,高音颗粒较粗,缺少几分细腻, 长时间聆听会有吵耳、烦燥之感。若对其功放板和电源进行摩机, 上述问题可基本得到解决。
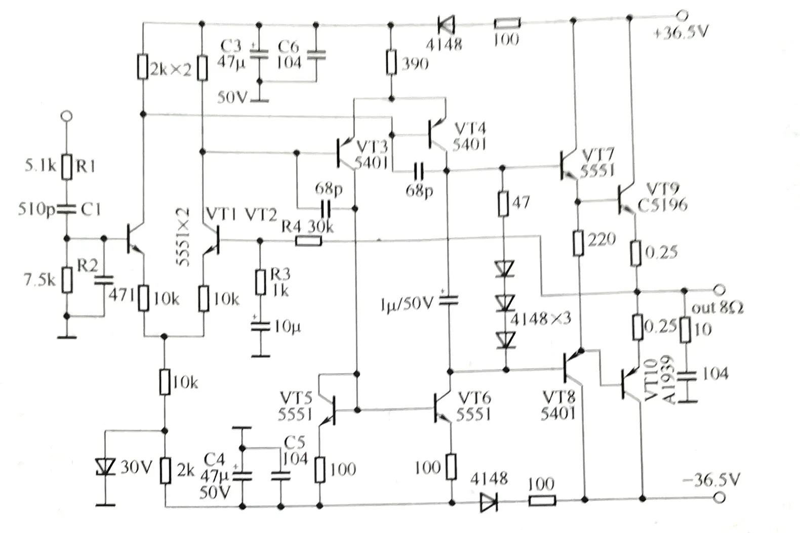
AV-2000C功放电路如图所示。

首先将功放板上惟一的一只信号耦合电解电容C1 替换为同值的“苏伦”CBB电容,再并联一只“威马”103;将原100μF/25V的负反馈隔直电 容C2换为 220μF/50V的“红宝石”,其上并联一只“威马”104,再将通往前级放大电路的 电源上串入两只二极管,以消除大动态输出时对前级产生的影响,再把退耦合电容C3、C4 (47pF/50V)和C5、C6(0.1μF/50V)分别换为 2200μF/50V的“红宝石”和0.1μF/50V的“威 马”。
将并接在VT3、VT4 的基极与集电极之间的电容由68pF减小到 18pF,把电路中起关 键作用的电阻如R1、R2、R3和R4等,全部换为等值的五色环金属膜电阻。
把推动管VT7、 VT8换为D669和B649,以提高对末级功放管的驱动能力。
对电源的摩机措施有如下几种。
首先在电源的输入端(变压器之前)加入一只15A/250V的电源滤波器,在整流桥的各 桥臂上并联一只容量为102的CBB电容,再用两只6800uF50V的“黑金刚”及两只“威马”104电容并联在原滤波电容上,这样可使得整流后直流电的纹波和高频干扰降至极限。
经过如此的摩机,然后联机试听,音质有较大的提高,音 乐的整体密度感加大,低音铿锵有力,充满能量感,中音清晰明亮、饱满,高音则增加了几 分通透和细腻,延伸到位。
点赞加关注感谢您的支持!