
本案例系微信公众号 “技师帮”搜集整理,转载必须注明出处。
车辆信息
赛欧1.2L,搭载一台LMU发动机,行驶里程42201KM。保修日期:2011年11月27日,维修时间:2013年11月11日。
故障现象
客户反映发动机故障灯亮、车辆不好启动发动机冷却风扇不停机(高速运转),仪表油表不显示。
故障原因
车辆在外面接燃油泵的线束时,可能误接造成发动机控制模块损坏。
故障诊断
1、经RDS2电脑检查发现发动机有九个当前故障码。故障码均为电压过高,用RDS对故障码进行清除,故障码无法消除;



2、查看车辆历史维修记录,车辆在二万公里后均在外维修在4S店无维修记录。
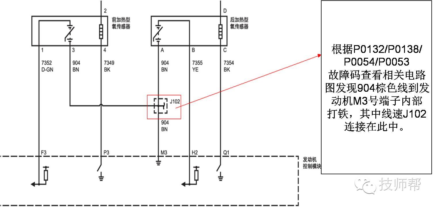
3、检查车辆外观线束,发现车辆底部连接油泵的线束连接过,在询问客户得知,油泵线速是在外面接的。再观看故障码发现有P0463燃油液面传感器电压过高,初步怀疑电路有故障,再看电路图发现:

△ 点击图片可放大

△ 点击图片可放大

△ 点击图片可放大

△ 点击图片可放大

△ 点击图片可放大

△ 点击图片可放大

4、检查步骤:
(1)用带有故障码的传感器进行测量,每个传感器插头上有一根BN棕色的线束;
(2)对每个传感器之间的线速进行测量,都为导通;
(3)把每个插头上的棕色线跟发动机控制模块M3号端子进行测量,均为导通。可以判定线速是好的无开路或短路;
故障排除
更换发动机模块,故障排除。
技师帮(微信搜索“技师帮”即可),免费查阅各汽车品牌维修手册及电路图,更有在线提问功能,技术总监一对一进行回答~
联系微信号:practicezx1,加入中国汽车维修技师微信群,与更多同行朋友探讨技术难题,成为中国汽车技术大牛!