机械喷涂法界面砂浆施工及质量验收方法
广东浪淘砂新型材料有限公司 技术部
此方法用于混凝土、蒸压加气混凝土等表面采用干混界面砂浆并采用机械喷涂的工艺进行的界面砂浆施工及质量验收。
施工
1. 基层应干净、无松动、无灰尘,油脂、青苔等应清除掉,松动及开裂部位应凿除并修补好。
2. 施工前须提前浇水润湿基层,并在喷涂施工过程中始终保持基面处于润湿且无明水状态。
3. 界面施工的材料须使用符合GB/T 25181《预拌砂浆》要求的干混界面砂浆。
4. 按照比例将水与干混界面砂浆混合,采用电动搅拌机搅拌成均匀、无颗粒的糊状物。
5. 使用空压机配合弹涂枪将搅拌好的界面砂浆喷涂至基层表面上。
6. 喷涂点应连续均匀分布在基面上。
7. 界面砂浆干硬后,进行淋水养护1d。
8. 界面砂浆施工完成,进行施工界面质量验收,合格后才能进行后序的抹灰施工。
质量验收

1. 界面粗糙度检测方法
1.1 界面粗糙度:用以表征界面处理的粗糙程度,单位为mm。
1.2采用以下试验仪器:
粗糙度仪:附合GB/T 18761的多功能指示表电动检定仪, 分度值0.001mm, 规格0--6.5mm;


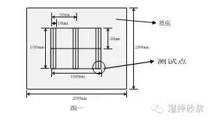
1.3.3将九张纸用办公胶水按图二的方式沿1m*1m正方形标线粘贴于界面处理基层上,依次标记为序号A--I,
总共81个测试点.

1.3.4 将粗糙度仪归零,在图二中所示的测试点测试插入深度值,每个测试点间隔5mm的距离测一个深度值,共测3个深度值,取3个深度值中的最大值作为该测试点的深度值,精确至0.001mm,将A1--A9,B1--B9,C1--C9,D1--D9,E1--E9,F1--F9,G1--G9,H1--H9,I1--I9的深度值测试完成后,再测试一下粗糙度仪是否在零位,若不在零位,此组测试值作废.
1.4 界面粗糙度按下式计算:
C=( ∑Ai +∑Bi+∑Ci+∑Di+∑Ei+∑Fi+∑Gi+∑Hi+∑Ii)/N;
式中:
C为界面粗糙度(mm),精确至0.001mm;
∑Ai为A1--A9的深度值之和,以此类推;
N为总的测试点数,取81.
1.5 粗糙度仪使用方法图示

2.拉伸粘结强度检测方法
2.1在墙上喷涂界面砂浆的施工完成48小时后,使用1:4(质量比)的水泥砂浆在界面层上做成面积2m2,厚10mm的砂浆层。
2.2 砂浆层保湿养护3d,第4d按JGJ/T 223《预拌砂浆应用技术规程》中9.3的规定进行拉伸粘结强度的检测。
2.3 本测试中1:4的水泥砂浆中的水泥应符合国家标准《通用硅酸盐水泥》(GB 175)中的42.5水泥的要求,砂应符合国家标准《建设用砂》(GB/T 14684)中砂的要求。
技术背景
在建筑抹灰工程中,砂浆层的空鼓开裂是一个建筑通病,其中基面的界面处理的好坏对砂浆的空鼓开裂起着至关重要的作用。基面需经过界面处理后以增加基面的粗糙度同时增加砂浆与基面间的粘结力,砂浆才能与基面粘结牢固,以避免砂浆在干硬收缩过程中产生的空鼓开裂现象(特别是光滑的混凝土基面)。所以界面处理的界面粗糙度及拉伸粘结强度的定量测定对整个抹灰工程的质量显得尤其重要。
原创内容,转载请注明出处
学习更多精彩课程,尽在微信号:“LADOS888”。