本文由口腔器械知识站提供
产业数据
1.【境外消息】老年人口的增加将推动牙冠和牙桥市场增长
标签:#dental
根据Research And Markets的报告数据,在2023-2028预测期内牙冠和牙桥市场的复合年增长率为8.15%,老年人口的增加、3D成像和CAD/CAM技术的发展,以及口腔保健、预防牙科和美容牙科需求的增长,都推动了牙冠和牙桥市场的发展。
According to the report data from Research And Markets, the compound annual growth rate of the dental crown and bridge market during the 2023-2028 forecast period is 8.15%. The increase in the elderly population, the development of 3D imaging and CAD/CAM technology, and the growth in demand for oral health, preventive dentistry, and cosmetic dentistry have all driven the development of the dental crown and bridge market.
产品资讯
2.【境外消息】JW17 Signature系列显微牙髓探测仪
标签:#dental

JW17是Signature系列显微牙髓探测仪由John West博士设计,其双面17号牙尖和标志性的蓝色细长形状可实现龋齿和牙石检测、牙周袋特征、分叉和修复体的探索。JW 17采用优质不锈钢制成,尺寸紧凑,具有卓越的探索能力。
JW17 is a Signature series of micro pulp detectors designed by Dr. John West. Its double-sided No.17 tooth tip and iconic blue elongated shape enable the exploration of caries and calculus detection, periodontal pocket features, bifurcation, and restoration. JW 17 is made of high-quality stainless steel, with a compact size and excellent exploration ability.
新型材料
3.【境外消息】Pac-Dent推出Rodin Bond牙科粘合剂
标签:#牙科

Pac-Dent最近宣布推出Rodin™ Bond牙科粘接系统,适用于各种牙科材料,包括牙本质、釉质、复合材料、锆石和牙科金属。Rodin Bond采用先进的玻璃填充技术,提供强大的粘接强度和性能,超过传统无填充粘接系统的标准。与Rodin Sensiguard一起使用,可以促进牙齿的牢固粘接,同时减少敏感和龋斑形成的风险,且能延长牙齿修复物的寿命。
Pac Dent recently announced the launch of Rodin ™ Bond dental bonding system is suitable for various dental materials, including dentin, enamel, composite materials, zircon, and dental metals. Rodin Bond uses advanced glass filling technology to provide strong bonding strength and performance, surpassing the standards of traditional unfilled bonding systems. When used in conjunction with Rodin Sensiguard, it can promote strong tooth bonding while reducing the risk of sensitivity and caries formation, and can extend the lifespan of dental restorations.
4.【境外消息】DMP开发了一种纳米混合复合材料
标签:#dental

DMP开发了一种创新的制造工艺NANOCERAM-BRIGHT,将微米和纳米填料的独特混合物集成到树脂基质中,为 I 至 IV 级修复体创造了易于雕刻的纳米混合复合材料。NANOCERAM-BRIGHT拥有出色的色彩匹配性、高抛光性和逼真的半透明度,使修复体能够融入天然牙齿结构和周围区域,从而产生变色龙效果。
DMP has developed an innovative manufacturing process, NANOCERAM-BRIGHT, which integrates a unique mixture of micro and nano fillers into a resin matrix, creating an easy to carve nano hybrid composite material for Class I to IV restorations. NANOCERAM-BRIGHT has excellent color matching, high polishing, and realistic translucency, allowing the restoration to integrate into the natural tooth structure and surrounding area, resulting in a chameleon effect.
前沿技术
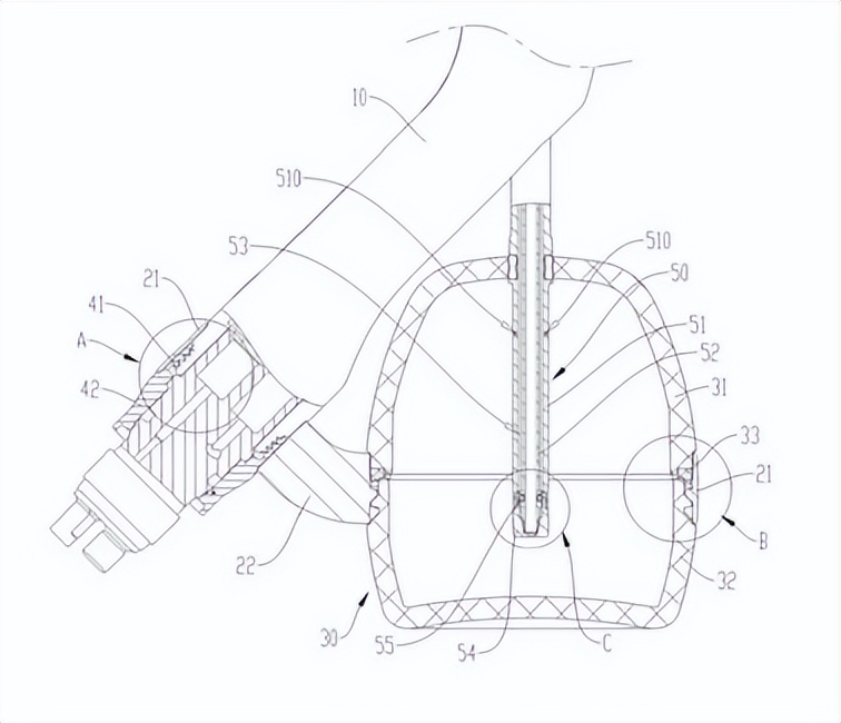
5.一种多孔射流种植体活化亲水装置
标签:#口腔

四川大学公开了一种多孔射流种植体活化亲水装置,属于口腔种植体活化领域,包括等离子体发生器、驱动机构、种植体和携带体。由于该结构,使放电等离子体处理种植体表面后,活性物质分布均匀,产生亲水性表面。
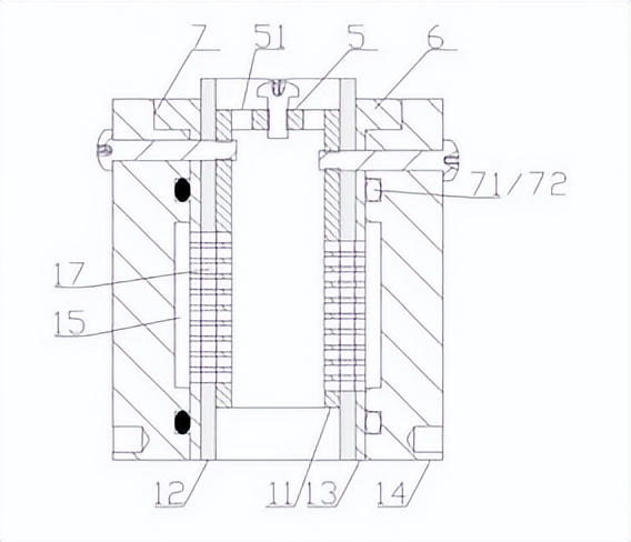
6.根管治疗导向式根管锉装置
标签:#根管锉

山东盛德仁口腔医疗有限公司公开了一种根管治疗导向式根管锉装置。可通过导套对根管锉进行导向,防止根管锉作业时大幅度摆动,有效防止了根管锉尖端断裂现象的发生,从而提高了根管治疗手术的效率。
7.牙科喷砂枪和喷砂洁治设备
标签:#牙科

桂林市啄木鸟医疗器械有限公司公开了一种牙科喷砂枪和喷砂洁治设备,通过在机身上设置固定架,然后在固定架上设置用于容纳砂粉的储粉件,从而通过固定架将机身和储粉件分离设置,通过固定架将储粉件与机身连接的位置避空,可以有效减轻牙科喷砂枪的重量,降低用户的手部负担,缓解疲劳。
行业动态
8.【境外消息】Plasmap成功签订牙科市场规模164亿元的灭菌器供应合同
标签:#dailydental

韩国公司Plasmapp与日本大型零售商签订了16.4亿韩元的产品供应合同。这是针对Plasmapp的灭菌器产品在日本市场的合作。这个合同是通过与日本医疗设备公司、零售企业和经销商等形成联盟来扩大日本市场的重要举措。产品将在日本牙科展览会上正式发布,并计划在日本以外的地区也寻求合作伙伴关系。
한국 회사 플라즈맵은 일본 대형 소매상과 16억4천만원의 제품 공급 계약을 체결했다.이는 Plasmapp의 살균기 제품에 대한 일본 시장 협력이다.이 계약은 일본 의료 장비 회사, 소매 업체 및 딜러 등과 동맹을 형성함으로써 일본 시장을 확대하는 중요한 조치입니다.제품은 일본 치과 전시회에서 공식 발표되며 일본 이외의 지역에서도 파트너십을 모색할 계획이다.
市场商机
9.徐州市口腔医院口腔数字印膜仪、牙科种植机、牙椅采购项目招标公告
标签:#口腔
徐州市口腔医院采购腔数字印膜仪、牙科种植机和牙椅,供应商应在9月14日前在徐州市泉山区王陵路开发大厦502获取招标文件,并于10月8日前在徐州市泉山区王陵路开发大厦5楼会议室提交投标文件。
10.徐州市口腔医院超声骨刀及超声波牙科治疗仪采购竞争性磋商公告
标签:#口腔
徐州市口腔医院采购超声骨刀及超声波牙科治疗仪,供应商应在9月15日前在江苏中瑞建设项目管理有限公司获取采购文件,并于9月19日前在徐州市泉山区西安北路恒茂大厦801室提交响应文件。
11.(拟建项目)晋江市中西医结合医院二期工程
标签:#医院
晋江市中西医结合医院二期工程获审批通过,项目位于福建省泉州市晋江市。
本文内容来源于网络资料,由【口腔器械知识站】整理
