11年到现在六七年年了,我记得那时候在论坛了发了个问题,就是Fluke 15B和187之间测量斩波后的市电,其电压值显示不同,一个是入门级万用表,一个是高端的万用表,差别很大,随后我就对比了不同的万用表,结果发现每一个都不一样,但是测量正弦波的时候都会准确显示220V;结果论坛的大神告诉我是算法的不同,因此涨了见识。

前两天又看到论坛里有人说万用表的可信度,正好我在实际操作中也遇到这个现象,给大家再参考一下,理想万用表对我们的产品是没有影响的,但是实际中必然会存在干扰,而我们实际测量必须要进行相应的估算,来选定合适的档位尽量避免误差。而且我们的仪器在使用过程中也必须进行相应的校验,很多供电电源这种设备精度是漂移很大,必须要首先用万用表这种测量设备校准。
因为不是可编程电源,价格便宜,误差也比较大,在只点亮一个3030 1W的贴片LED时候,电源显示1.9V 0.1A,而万用表显示2.023V,自然以万用表为准。

但是万用表电流档串接进入以后电流值就会有很大的差距了,不过更令人奇怪的是,mA档和A档测量出的结果有了差不多一倍的差距,哪个是真的?


换上电阻以后,差别就没那么明显,2V/100mA来估算差不多此时LED的阻值在20R左右;用10R的瓷盘电阻作为负载会发现mA档位和A档位差别30mA左右,但是不像LED差别那么大。


为什么LED会差别那么大?难道万用表出故障?那肯定不可能,因为全新的刚经过质检的万用表出错概率极低。实际上这只是极其简单的直流电压电流的测量,每一个测量结果都是正确的,但哪个结果比较可信?自然应该是A档位测量电阻最可信!
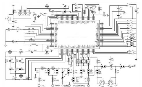
为什么说测量结果正确但是不可信,是因为万用表的引入造成了误差,下图是一个万用表的电路图,好像就是15B的,各家万用表的原理都差不多。从图中我们可以看出电流不同档位之间串接的电阻不同,实际上电流表的原理就是将电路的电流经过一个恒定的电阻,然后测量电阻两端电压,所以电流档位越大,串接的电阻越小,对于电路的影响也就越小。从图中可以看到10A档接入的是0.01R,mA/uA分别会接入9.99R/990R等电阻。所以说上面的测试结果A档位测量电阻最可信。

为什么LED会差别那么大?如果对此有疑问,那么不好意思,你肯定把LED理解成电阻了,根据LED的V/A特性曲线,我们可以看出,LED的阻值并不是一个稳定的参数,可以在某个阶段近似看成一个稳定的电阻,但是整个曲线接近一个冥次方的曲线。所以串联电阻的大小会极大的影响我们LED的电流测量结果。当使用mA档时候,由于检测电阻的分压增大,使得LED分压减小,工作电流会急剧减小,测量出来的结果差异就会比较大。

不过,由于现在很多发光LED是用PWM调光的,所以很多时候不会注意LED的伏安曲线,但是这次的测试也给大家做一个警示,就是不能迷信仪器,更应该注意自己的参数设计,多审查器件的规格书。有句话说的好,电路是计算出来的,而万用表只能作为辅助参考。大家遇到测量和设计不同的时候,一定要大胆求证,不能一味的纠结自己的设计问题,而忽略仪器特性引入的误差。
本文转自:面包板社区,详情请点击了解更多查看作者文章。