电磁炉各单元电路分析下 (典型电磁炉高清单元电路原理图片)

前我分享了电磁炉的基本原理知识。发现大家兴趣挺大,所以这次继续分享电磁炉单元电路的工作原理。

其实,这也是电子爱好者也是一个很好的切入点。因为电磁炉电路包含了很多电路知识。

电磁炉电路图高清图中文版,爱尚电子电磁炉电路原理视频

欢迎关注:光头机电,欢迎评论,点赞。

电磁炉要正常可靠的工作,就需要性能比较完善的电路,完善的整机电路一般由下面几种单元电路组成。这个单元电路也都比较容易理解的,掌握了它们大家就可以举一反三,一通百通。

第一,高压整流变换电路。如下图所示:

电磁炉电路图高清图中文版,爱尚电子电磁炉电路原理视频

该电路的主要功能是将交流220伏的电压经线路滤波,滤除电网中高频干扰成分,然后经整流变成310伏左右的直流电,提供给线圈盘和IGBT管作为正常工作电压。

第二,低压电源稳压电路。

电磁炉电路图高清图中文版,爱尚电子电磁炉电路原理视频

主要作用是将220伏电压转换成300伏左右的直流电压,该电压经开关电路降压和稳压后输出电磁炉所需的低压电源。这一部分电路,我想大家应该容易理解,我在之前带开关电源有关电路中都有讲到过。如果大家有兴趣,就自行对照电路图分析。

第三,LC震荡逆变电路。

电磁炉电路图高清图中文版,爱尚电子电磁炉电路原理视频

该电路主要通过IGBT的导通与截止,让电流在线圈盘与高频电容间成形震荡,把电能转化为磁能,然后磁能在锅底成形涡流,产生热量对锅具进行加热。

第四,同步检测电路。

电磁炉电路图高清图中文版,爱尚电子电磁炉电路原理视频

该电路的主要功能是:从线圈盘与高频谐振电容并联电路两端检测到同步信号,经整形放大后控制IGBT的的G极的驱动电压,使使加到IGBT的G极开关脉冲电压的前沿与C极峰值电压的后沿保持同步。

第五,震荡锯齿波成形电路。

电磁炉电路图高清图中文版,爱尚电子电磁炉电路原理视频

震荡锯齿波形成的电路的主要功能是:根据同步检测电压与CPU生成的驱动控制电压,形成一定的锯齿波电压来驱动后级的电路。

第六,IGBT驱动脉宽调整电路和放大电路

电磁炉电路图高清图中文版,爱尚电子电磁炉电路原理视频

驱动脉宽调整电路生成占空比可调的方波,送入驱动放大电路,生成直接驱IGBT的方波。如上图所示,脉宽调整电路由IC3B及其外接电路组成。

第七,IGBT高压保护电路

电磁炉电路图高清图中文版,爱尚电子电磁炉电路原理视频

该该电路的主要功能是检测IGBT的反峰逆程脉冲电压,当该电压高于一定数值时,IGBT高压保护电路将检测到的结果加到CPU,CPU根据该电压的大小,使PWM脉冲控制电压降低,IGBT导通时间缩短,逆程高压降低,保护IGBT不受损坏。

第八电压检测电路

电磁炉电路图高清图中文版,爱尚电子电磁炉电路原理视频

该电路的主要功能是时刻检测交流输入电压是否在正常的范围内。若交流输入电压异常,该电路将检测出的误差电压加到CPU,然后CPU发出相应的动作指令。

第九,电流检测电路。

电磁炉电路图高清图中文版,爱尚电子电磁炉电路原理视频

该电路的主要功能是在电磁炉工作时,时刻检测整机电流的变化,CPU根据检测电流的变化而输出相应的pwm脉冲控制电压,使电磁炉保持稳定的功率输出。

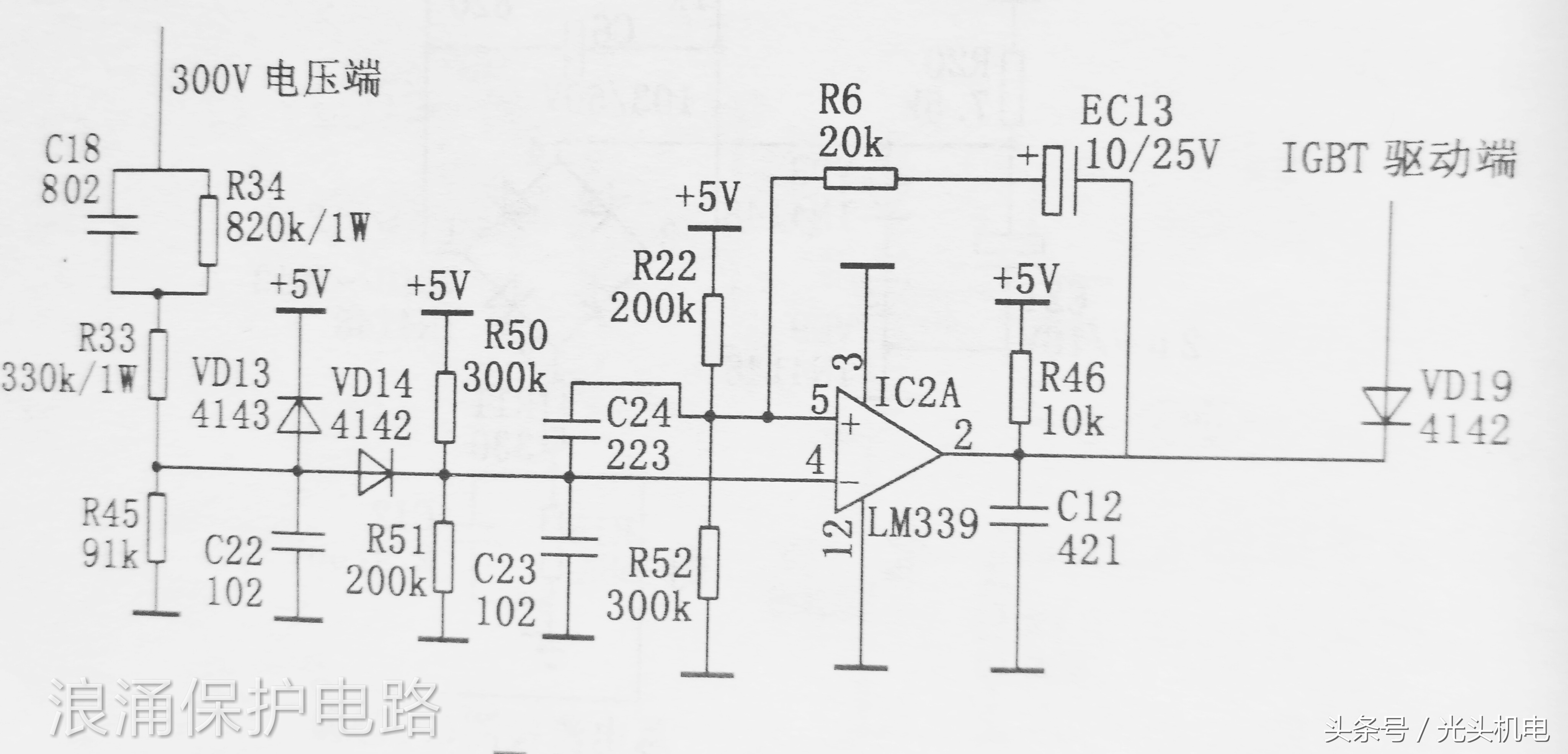
第十,浪涌保护电路。

电磁炉电路图高清图中文版,爱尚电子电磁炉电路原理视频

该电路的主要功能是在220伏交流输入电压突然出现浪涌电压时,浪涌保护电路将检测的电压信号送到集成电路,然后由集成电路输出信号切断IGBT的驱动电压,使lGBT截止,电磁炉停止加热。

第十一,CPU输出的PWM的方波的积分电路。

电磁炉电路图高清图中文版,爱尚电子电磁炉电路原理视频

该电路的主要功能是将CPU输出的不同占空比方波脉冲转变为对应的直流电压,并将该直流电压加到电路中,最终生成可调方波来控制lGBT的导通状态,积分电路也是一种数模转换电路,因为一般CPU无法直接输出模拟信号。

第十二,锅具温度检测电路。

电磁炉电路图高清图中文版,爱尚电子电磁炉电路原理视频

该电路的主要功能是将锅具温度的变化,通过电路中负温度系数热敏电阻阻值的变化,反映到CPU,由CPU发出相应的动作指令(包括过热保护,干烧保护)。

第十三,lGBT温度检测电路。

该电路的主要功能是将lGBT的工作时的温度变化通过电路中负温度系数热敏电阻阻值的变化,传递给CPU,发出相应的动作指令。

第十四,风机驱动电路。

风机驱动电路主要功能是将CPU输出的风机驱动信号,加到该电路以驱动风机运转。

第十五,蜂鸣器驱动电路。

其主要功能是将CPU输出的蜂鸣器驱动信号加到该电路,以驱动蜂鸣器发出响声。

以上是电磁炉电路的各部分电路功能介绍,如果大家有兴趣了解分析各部分电路的详细情况,请关注:光头机电,并留言,我会在下一期继续分享!