故障现象
一辆2013 款别克英朗,搭载1.6L LDE 发动机,配备EPS电动助力转向控制系统,在事故维修完成后,车辆出现无法启动现象。
故障诊断与排除
此车因事故维修,修复完成后,启动车辆时启动机不运转, 在给新换的 ECU做编程时,不能进入上海通用售后维修编程网(SPS) 进行编程。用故障诊断仪GDS2 进行扫描,发现诊断仪跟很多通讯多模块都无法通信( 图1)。

图1 GDS2与多个模块无法通信
诊断仪在车身控制模块BCM 内读到如下2 个U 类故障码:U0100,与发动机控制模块失去通信;U0121,与电子控制模块失去通信。根据GDS2诊断仪读取的信息以及故障现象分析,此故障应该出现在CAN 高速网络通信上。
首先,使万用表置于欧姆档,测量诊断接口DLC 的端子6# 和14# 之间的CAN高速总线终端电阻为120Ω( 正常情况下为60Ω)。
在高速网络上,诊断仪除了与网关(车身模块BCM)和远程通信接口控制模块外,与其他连接在高速网络上的模块都无法进行通信。
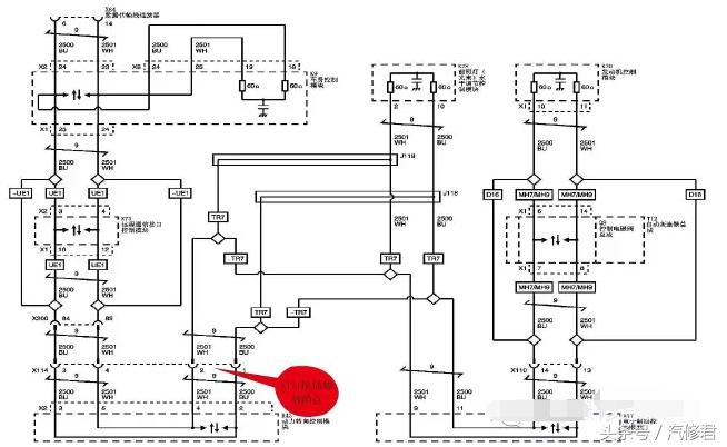
推断此故障的原因为高速网络通信线路断开,参照高速GMLAN 电路图(图2),对高速通信线路进行检查分析。据GDS2 诊断仪只能跟车身模块BCM 和远程通信接口模块VICM 进行通信,可以判断出问题应该出现在连接器 X200以后的线路或模块上。于是拆下左前A 柱下装饰板,找到接插器X200,发现X200 接插器没有腐蚀和松旷现象。

图2 高速GMLAN通信总线图
然后准备用万用表检查X200 跟X114 之间的线束导通情况。于是顺着电动助力转向控制模块出来的高速网络线束,在发动机舱保险杠下方找到了X114 连接器(图3),发现X114 连接器有松动现象,对其进行紧固后,用诊断仪GDS2 进行再次检测,发现GDS2 与其他模块通信恢复正常。
对新ECU进行SPS编程后,再启动车辆,发动机能正常启动,故障彻底排除。

图3 X114故障位置
汽修君点评
该故障是人为故障, 可能是钣金工没有插紧X114线束插接器所致。在事故车的维修中,有些钣金工只重视钣金件的修复和安装,而不重视车身线束的布置和连接问题。
有条件的4S店,可尝试各机修班组轮流配合钣金工做事故车的维修,此时,事故车维修班组可以快速地确定车辆各电器元件、线束固定点和接插器的安装位置。特别是大型事故车辆,通常有拆装仪表板等复杂作业,经过一个大型事故车辆的维修,机修工基本能摸清该车型的线路布局、重要连接器位置,便于机修工在以后的常规维修中迅速找到相应的电器元件和连接器。而钣金工也能从机修工处学到该如何正确地检查线束和如何可靠地安装线束插接器的技能 ,以达到钣金工、机修工共同进步的目的。