一、人防区预留预埋一般要求
1、人防预留预埋的内容:人防区内各专业的预留预埋线管和套管。
2、各人员出入口和连通口的防护密闭门门框墙、密闭门门框墙上均在平时预埋几根备用管,管径为65mm,管壁厚度不小于2.5mm的热镀锌钢管。
3、各种穿越外墙、临空墙、防护密闭隔墙和密闭隔墙的电缆管线作好预埋,预留备用管,并作好防护密闭或密闭处理。
4、由地下室配电房各引一路低压电缆至各人防区配电箱,相邻地块战时区域电站引来的人防电源作为战时备用电源。战时电源临战时需在3天转换时限内完成调试,平时做好电源回路的预埋管工作。
5、各种设备安装的预留孔洞。
二、人防施工注意事项
1、所有穿越人防区防护密闭隔墙、密闭隔墙及顶板的压力管道均需预留防护密闭套管,防护套管做法参照图集07FS02(人防水),重力排水不得穿越人防区隔墙及顶板。
2、人防防爆地漏安装应符合07FS02(人防水)规定。防爆地漏安装需要注意建筑后浇层厚度,控制好地漏安装标高,安装完毕后地漏盖需取下另行存放,地漏内采用编织袋内装锯木屑填塞饱满密实,以防堵塞。待建筑地面完成后再安装地漏盖。
3、人防区暗装电气管路均采用壁厚不小于2.5mm的热镀锌钢管,穿过人防隔墙及顶板的电气管线,需按照05SFD10(人防电)规定做防护密闭处理,明配管需预留穿人防隔墙及顶板的密闭套管,密闭套管做法详05SFD10(人防电)。并需注意战时如信号管、检测管等穿防护墙的备用预留管。
4、人防区战时安装的风管穿防护墙处需随结构施工预留符合密闭要求的预留管,预留管尺寸、坐标、标高均需核对各专业图纸做综合排布,以免造成各专业间管线冲突,人防通风各种预留管道均需符合人防规范要求。
三、各种穿防护墙密闭做法
1、电气钢管采用钢板密闭肋,厚3~4mm,钢板密闭肋应与结构钢筋焊牢。
2、电气刚性阻燃塑料管采用相同质材塑料板制作密闭肋,板厚>5mm。
3、通风管钢管厚度应不小于3mm,密闭肋厚5~6mm,出墙面长度应为100mm。
4、密闭肋做法大样图如下:

5、电气密闭盒做法见下图:




6、人防工程密闭套管预留预埋:
穿过人防护结构给水引入管,排水出户管、通气管、供油管、消防给水管,在其穿墙和楼板处应预埋防护密闭套管;
给水管,压力排水管的密闭穿墙短管,采用壁厚大于3mm的热镀锌钢管,密闭翼环应采用10-12mm的钢板制作,钢板要平整,其翼高宜为30-50mm,密闭翼环与密闭穿墙短管的结合部位其焊缝区要求饱满、均匀、严密。
密闭穿墙短管两端的固定法兰做法于密闭翼环做法相同,密闭穿墙短管两端固定法兰外侧要与墙面在同一平面上;
密闭翼环应位于墙体厚度的中间,并应与周围结构钢筋焊牢,密闭穿墙短管的轴线应与所在墙面垂直。
见下图:



7、结构孔洞预留
认真熟悉图纸,仔细核对建筑、结构与安装各专业图纸预留孔洞是否一致,全部汇集到结构预留孔洞图纸上,以便结构按图进行预留,避免各专业分别提交预留孔洞图造成冲突。
根据设计资料,收集对应大型机电设备数据,复核机电大型设备吊装孔洞尺寸、预埋件、荷载等条件能否满足大型设备的吊装要求。
结构施工前应完成如电气竖井、水管井等管线集中部位及人防口部等关键部位预留孔洞的深化布置设计,出具竖井预留孔洞大样图。
结构钢筋施工过程中需要随钢筋施工进度进行巡查,随时提醒钢筋作业进行孔洞预留,钢筋施工完毕模板支护之前需要全面核对预留孔洞位置,标高是否与图纸一致,发现问题立即通知土建相关管理人员落实整改,并跟进复查整改后是否合格。
四、人防几个重要器件安装的预埋
1、防爆地漏及管道的预埋安装
通常在防毒通道、密闭通道、简易洗消间、滤毒室、扩散室等房间设有防爆地漏。
防爆地漏及排水管道的预埋安装是在浇注地下室底板或建筑垫层之前进行,房间地面应按0.5%坡向地漏。由于防爆地漏是用丝口连接排水管,所以排水管必须用镀锌钢管。
防爆地漏一般有以下三种型号:FBFDD50、FBFDD80、FBFDD100。排水口尺寸规格分别为DN50、DN80、DN100。它们的安装尺寸及位置示意图如下:




2、防爆超压自动排气阀门及套管的预埋安装
防爆超压自动排气阀门一般设在防毒通道或简易洗消间。
人防地下室墙体钢筋绑好后,在相应位置预埋焊有密闭肋的短管。要求是用3mm厚的钢板卷制,直径d=250mm,刷两道防锈漆。
待地下室装修时再将连接法兰和渐缩管焊接上去,要求严密不漏气,且法兰平面必须保持铅垂,安装防爆超压自动排气阀时,阀门开启方向必须朝向排风方向,阀门杠杆必须保持铅锤。
示意图如下:

3、测压管的预埋安装
测压管是将DN15的镀锌钢管预埋在人防地下室防护密闭墙中。
室内端在战时风机房内,接测压装置。
室外端在防护密闭外的通道或竖风井内,管口应向下,并有防堵措施。
4、防爆门铃、按钮及线管的预埋安装
在战时人员主要出入口的第一道防护密闭门外侧应设置防爆门铃按钮,门铃设在防护区内。
由水电专业施工单位在它们之间预埋DN15带密闭肋的镀锌钢管作为穿线管,并在门外墙上预留一个120×120×90mm的盒子,待地下室装修时我们再将防爆门铃、防爆按钮安装上去。
考虑到电源的可靠性,门铃电源采用直流电源更为可靠。安装尺寸位置示意图如下:


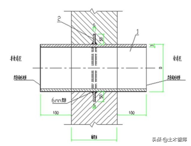
5、战时通风系统的穿墙套管的预埋
战时通风系统的穿墙套管的预埋,待墙体钢筋绑好后,将穿墙套管按图示位置标高安装上去,套管应加5cm高的密闭翼环,两面满焊,套管两端需露出墙面100mm。套管四周应用钢筋加强。
6、战时封堵预埋件的安装
战时封堵四周都要预埋钢板或角钢框,底部应平该处建筑标高,两侧和顶部预埋钢板均贴模板内侧安装。临战时再将封堵板焊上去。
7、战时通风设备的安装
通风系统包括各防护单元内战时清洁式通风、滤毒式通风、隔绝式通风系统。
战时通风设备的安装应在地下室地面完成后开始进场安装。
设置在滤毒区的进、排风管均为圆形风管,并采用3毫米厚的钢板制作,风管应有0.005的坡度坡向室外。
穿过防护密闭墙或密闭墙的管道(含风管、超压排气活门穿墙管、测压装置穿墙管等)应在穿墙管段上焊接防毒密闭盘,做法见下图:

滤毒通风时,防护单元的室内需保持30~50Pa的超压,以防外界污染物进入,并实现超压排气。
为此,战时在防化通信值班室内设置一套测压装置,测压装置做法见下图:

预埋管件应随土建施工时一起捣浇在墙内。预埋管件直径应与所连接的管道,密闭阀门, 超压自动排气活门的接管内径一致。
测压管选用DN15镀锌钢管制作。滤尘室内进入风机的总进风管上和过滤吸收器的总出风口处设置DN15(热镀锌钢管)的尾气检测取样管,该管末端设截止阀。
在滤尘器进风管道上,设置DN32(热镀锌钢管)的空气放射性取样管,取样管末端设置球阀。
在油网滤尘器的前后设置管径DN15(热镀锌钢管)的压差测量管,末端设球阀。
人防设备:风机、换气堵头、测压装置、气密测量装置、增压管、尾气检测取样管、放射性检测取样管、过滤吸收器、除尘器等设备安装做法见国家标准图集《防空地下室通风设备安装》07FK01~02。
8、给水管道防护阀门安装
当给水管道从出入口引入时,应在防护密闭门的内侧设置;
当从防空地下室围护结构引入时,应在防空地下室围护结构的内侧设置;
穿越防护单元之间的防护密闭隔墙时,应在防护密闭隔墙两侧的管道上设置。
防护阀门的公称压力不应小于1.0MPa;
防护阀门应采用阀芯为不锈钢或铜材质的闸阀或截止阀;
防空地下室围护结构内侧距离阀门的近端面不宜大于200mm。阀门应有明显的启闭标志。

大家要是需要各类建筑资料的,可以去“土木智库”公众号,里面有一个“免费资源”菜单,可供大家选择,注意是公众号,不是头条!