黄花(高洁 )GJ NO.907 型可调恒温电烙铁的控制电路图、实物如下图所示。

.............................................................................................

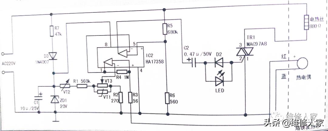
AC220V电压经R7降压、D3整流、ZD1(20V)稳压、C1滤波后,得到约20V 电流。一路供给运放IC2(HA17358)⑧脚,另一路经 VT2、VT3、VT1、R2分压后供给 IC2②脚(负输入端),以提供基准电压。VT3是温度调整主电位器;VT1、VT2是用于调整温度最大值和最小值。IC2③脚(正输入端)通过 R3与发热芯内置的热电偶相连。
热电偶属于有源器件,其正端随着温度的升高输出正电压(毫伏级)。当IC2③脚电压低于②脚的设定电压时,①脚输出低电平;反之,①脚输出高电平。IC2⑤脚(正输入端)输入由R5和R6分压的交流电压,⑥脚(负输入端)电压来自1脚,上电后,①脚为低电平,⑥脚电压低于5脚,7脚输出交流电压,通过C2和D2、LED加到可控硅TR1(MAC97A8)的控制极上,TR1导通,电热丝得电发热。
随着温度升高,当热电偶输出电压升到一定值时,IC2③脚电压高于②脚电压,①脚输出高电平,则⑥脚电压高于⑤脚电压,①脚不再输出交流电压;R4的作用是自锁,使IC2①脚电平不频繁跳变,即让加热和停止切换不过于频繁。当熔铁温度低于设定值时,重复上述过程,从而使烙铁芯温度保持在一定范围内。
提示: 在常温下,该电烙铁发热芯内的热电偶(红、蓝线)阻值为1KΩ,电热丝(白线)阻值为880Ω。