液压学习中,有一部分液压元件或液压系统工作原理不是很容易理解,但是如果把冗长的文字描述,变成直观的动画演示,就会更容易理解了呢,一言不合就上图!今天就给大家准备了一些液压系统应用到的一些常用回路的动图,学会了这些回路,在设计或阅读比较复杂的液压系统时,也能很快理清思路,设计出比较好的方案来。
1_背压回路

2_比例远调压力回路

3_变量泵回路

4_冲液阀回路

5_串联同步回路

6_电磁泄荷回路

7_分流阀同步回路

8_换向回路1

9_换向回路2

10_节流阀出口节流回路

11_节流阀旁路旁路节流调速回路

12_单级调压回路

13_无级减压回路

14_平衡回路

15_减压回路

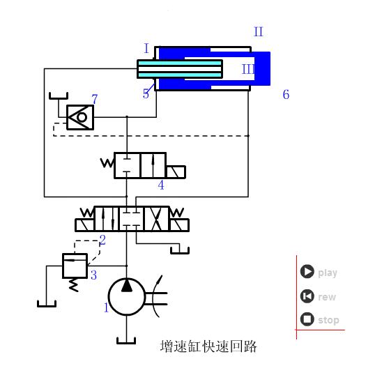
16_增速缸快速回路

17_液压缸差动连接快速回路

18_调速阀并联的速度换接回路

19_调速阀串联的速度换接回路

20_电磁溢流回路

21_电磁溢流回路2

22_进油调速回路

23_节流阀进油调速回路

24_蓄能器油缸回路

25_气缸快速往复运动回路

26_三压回路

27_双泵回路

28_双压调压回路

29_行程阀控制顺序动作回路

30_行程开关和电磁阀控制顺序动作回路
