我们在各种时刻都会流下眼泪,但眼泪不仅仅是从眼中流出的液体,它包含了水、无机盐、蛋白质、溶菌酶等各种不同的物质。

而流出的眼泪放在显微镜下观察,其实每一滴都存在很大的差异。比如这个带着刺的眼泪微观图像,其实是一个人在悲伤时流出的眼泪。

这张图是由荷兰摄影师Maurice Mikkers拍摄的,据这位老哥表示大多数情况下人们认为眼泪代表了悲伤,但其实眼泪也可以是美丽的事物。
抱着这样的想法,老哥决定和一些朋友开始了这次拍摄眼泪的实验。

首先,需要用到微量移液管,将这个装置放到眼睛附近,只要眼泪一流下来就会被收集起来。

然后再将收集好的眼泪滴到显微镜载玻片上:

完成之后,还需要等待一段时间让眼泪中的结晶沉淀。

一切准备就绪后,眼泪的真面目才能够被拍摄出来。

为了证明眼泪的差异性,Mikkers想尽一切让人流眼泪的方法,比如这滴就是切洋葱时观察到的眼泪。

切开白洋葱,再吃下一把红辣椒,可以看到两滴眼泪已经存在了一些差别,这滴眼泪有点像冬天冻出的窗花:

而只吃红辣椒辣出来的这滴眼泪,好像一块块石头的模样:

在眼睛附近滴几滴薄荷油,眼睛受到刺激流出的这滴泪水,看着像刚刚开放的路边野花:

除了用一些刺激物品强行催泪,这位老哥也让志愿者尝试对着运行中的电风扇睁大眼睛,强迫眼睛流下了这滴眼泪。

长时间不眨眼,一直睁大眼睛这种情况下流出来的这滴眼泪,好像里面藏着颗颗钻石:

切洋葱,吃辣椒,强迫不眨眼,为了挤出几滴眼泪,志愿者真的尽力了…

除了这些强行得到的泪水,Mikkers也收集了一些我们正常情况下可能会流的泪,比如这个就是一滴打哈欠时得到的眼泪,就像是随意躺在地上的藤蔓:

有时看些感人的影视作品也会令我们掉眼泪,据Mikkers表示,这滴泪就是在志愿者看电影时,因为感动流下的眼泪,看着有点像几根触手从泪水中伸出来:

还有这滴有点疼的泪水,因为这位泪水的主人脚趾不小心撞到了桌子:

开心时也同样可能留下泪水,比如这滴泪水就是在开心的情况下观察到的,里面仿佛一场美丽的雪景:

其实流出的每一滴眼泪在显微镜下观察完全不一样,主要是因为眼泪共有三个基本类型,基本眼泪,反射性眼泪和情感性眼泪。而不同类型的眼泪,它们的分子构成都会存在些许的差异。

基本眼泪存在于健康的哺乳动物眼中,因为角膜需要持续保持湿润,基本眼泪有润滑眼睛并帮助清除灰尘的作用。

而反射性眼泪主要是因为外来颗粒刺激眼睛流出的眼泪,比如洋葱,催泪瓦斯和胡椒喷雾等东西,这些眼泪主要是为了洗去这些与眼睛接触的刺激物。
同时,呕吐、咳嗽和打哈欠也会流出反射性眼泪。

情感性眼泪通常就是我们哭泣所流出的眼泪,主要是因为强烈的情绪压力导致我们流出眼泪。
当然极度开心的时候,许多人也会流出眼泪,主要是因为情绪的波动会影响神经中的一些受体,这些受体刺激泪腺就会让我们流出眼泪。

而除了上面那位热衷眼泪的老哥,还有一位美国摄影师Rose-Lynn Fisher也十分喜欢拍摄眼泪。
从2008年开始,她共拍摄了包含自己和其他志愿者的100多滴眼泪,并将这些作品取名叫「眼泪的地貌图」。

与Mikkers强行催泪的方式不同,Fisher更喜欢记录下一些情感性眼泪。
据她表示,她每天都随身携带收集眼泪的装置,为了记录下一些宝贵的瞬间。比如这个就是久别重逢的情况下观察到的这滴泪水:

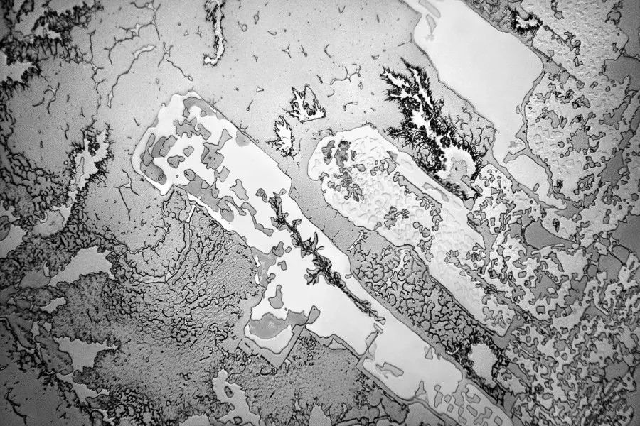
这是一滴眼泪主人在经历了一些糟糕的事情后,看到希望所流下的一滴泪水:

将这滴悲伤的眼泪放大一百倍,整个眼泪的地貌看上去十分空旷:

痛苦时流下的这滴泪水有点像一株株有着邪恶气息的魔法植物,张牙舞爪的想要吞噬些什么。

还有这滴经历重大变故流下的泪水,密密麻麻好像丧尸围城:

看恐怖片被吓到流泪,可能因为恐惧情绪来得挺突然,这滴恐惧的泪水也像是被一把刀毫无准备的割开:

Fisher所拍摄的开心时流出的这滴泪水,好像眼泪内部正在举行一场狂欢。

而看完这么多不同的泪水,小编和很多网友一样比较好奇的是,明天双十一“剁完手”后吃土的时候流出的眼泪会是什么样的?

(文中图片素材均来源自网络,仅供学习交流使用)
参考资料:
https://imaginariumoftears.com/#tears
http://www.rose-lynnfisher.com/tears.html
https://www.instagram.com/mauricemikkers/
https://en.wikipedia.org/wiki/Rose-Lynn_Fisher
https://en.wikipedia.org/wiki/Tears
https://medium.com/micrograph-stories/imaginarium-of-tears-10263c866ee1
https://www.telegraph.co.uk/news/science/science-news/12175229/Enough-to-make-you-cry-the-inner-beauty-of-tears-as-they-appear-under-a-microscope.html
https://www.npr.org/sections/pictureshow/2018/11/29/668192576/photographer-maps-emotional-terrain-one-tear-at-a-time
https://www.youtube.com/watch?v=n4mkcOR1x6c&t=64s
https://www.youtube.com/watch?v=SbbY-6rUykg&t=70s
https://www.youtube.com/watch?v=keMF8YzQoRM
https://www.youtube.com/watch?v=3nkU32Jz_eA
https://www.youtube.com/watch?v=cV9AzwumclE
https://www.youtube.com/watch?v=fWwW05nlRCY
来源:狂丸科学
编辑:Major Tom