隐框幕墙诞生于上世纪七十年代,于上世纪九十年代引入中国。此后,在一批技术工作者的努力下,隐框幕墙在中国高速发展。与此同时,人们对隐框幕墙建筑提出了越来越高的要求,而这也对相关材料的性能也提出了更高的要求。
比如:
1.高层、超高层建筑的隐框玻璃幕墙;
2.玻璃板块、分格特别大的隐框玻璃幕墙;由于节能安全等方面的要求要使用夹层中空玻璃的隐框玻璃幕墙;
3.在抗震9度设防的地区建造的隐框玻璃幕墙;
4.其他对幕墙安全性要求较高的隐框玻璃幕墙。
上述几种情况,玻璃幕墙使用的硅酮结构密封胶所需承受的荷载均可能较常规玻璃幕墙大,如果遇到几种情况的组合,按照现有规范进行设计计算,结构密封胶的宽度将大大增加。因此,仅仅满足GB16776- 2005《建筑用硅酮结构密封胶》标准要求的结构密封胶已经无法满足应用需求。高性能硅酮结构密封胶应运而生。2004年,广州市白云化工实业有限公司为了满足上述特殊应用的需求开发出了白云牌SS921/SS922超高性能硅酮结构密封胶。
结构密封胶,根据GB14682-2006《建筑密封材料术语》中的解释,是指“用于建筑结构中,能够传递结构构件间的静态荷载或动态荷载的密封胶”。结构密封胶有两项关键的技术指标,强度和弹性。强度主要是指拉伸粘结强度(GB16776,≥0.6MPa),是表征结构密封胶的力学性能的关键指标,与建筑幕墙结构粘接系统中结构密封胶的安全系数密切相关。除此之外,结构密封胶还需要有一定的弹性,因为在主体结构变形或温差变化时,玻璃和铝副框之间会产生一定的变形,这个变形会引起结构密封胶的拉伸,使结构密封胶产生内应力。弹性可以从最大强度伸长率(GB16776,≥100%)或弹性恢复率(ETAG002、JG/T475,≥95%)看出,如果结构密封胶弹性差,一旦变形就被拉断或者产生大于强度设计值的内应力,将大大降低结构密封胶的使用年限。
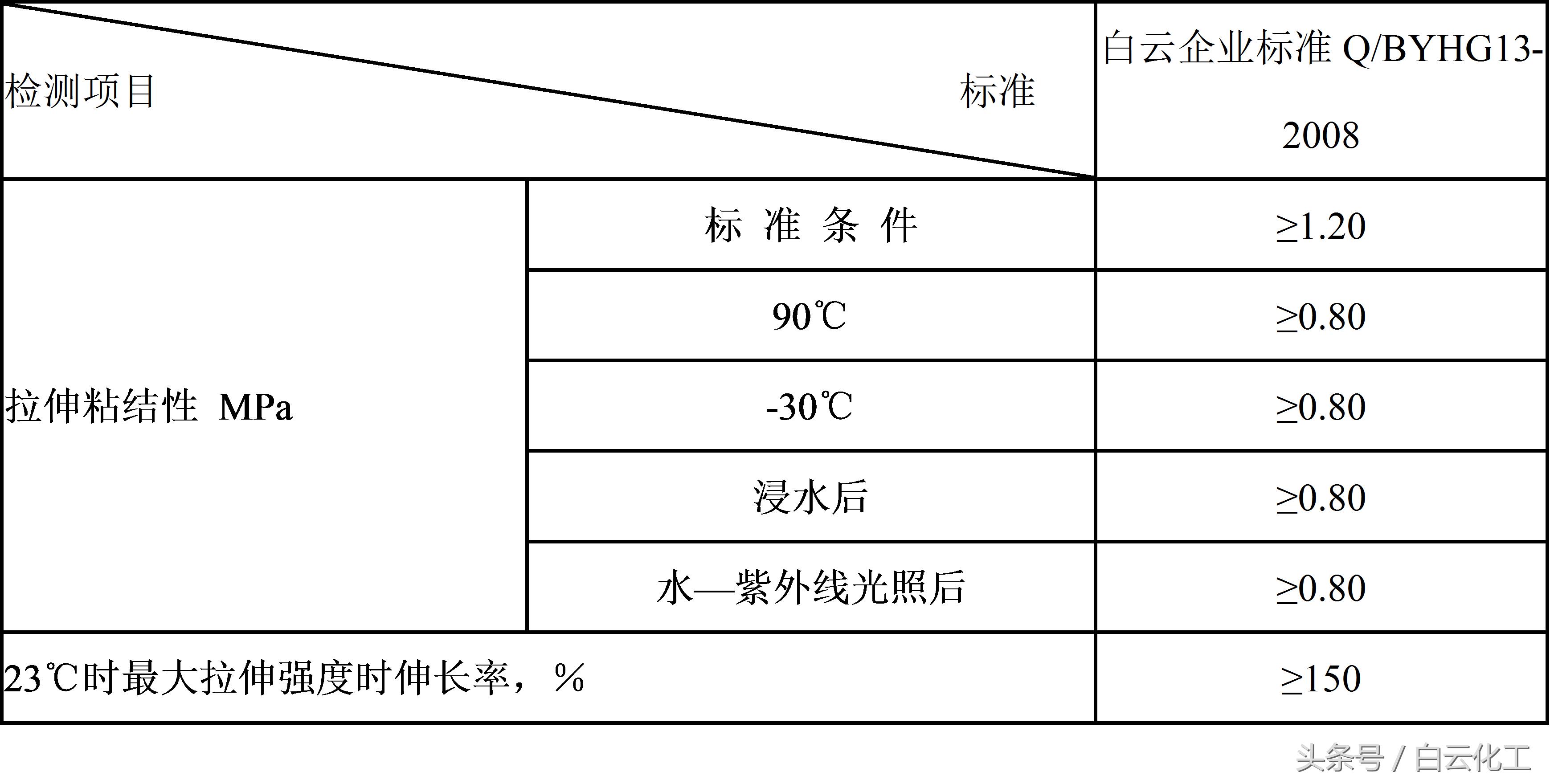
“白云牌”高性能硅酮结构密封胶兼顾了上述两项性能,不仅拥有较高的拉伸粘接强度,也拥有较好的弹性。2008年“白云牌”高性能结构密封胶的企业标准数据见表1。

表1“白云牌”高性能结构密封胶企业标准数据
正是由于高性能硅酮密封胶的优异性能,在随后的广州西塔密封胶投标中,面对众多的国外竞争对手,历经三次专家论证、两次盲测,最终以事实、以数据说话,白云化工在众多竞争品牌中脱颖而出。“白云牌”超高性能结构密封胶及耐候密封胶成功应用于该项目上。
广州国际金融中心(别名:广州西塔,广州IFC)位于珠江新城CBD中轴线上,毗邻珠江,占地面积约3.1万平方米,总建筑面积约45万平方米,总高度440.75米 ,其中主塔楼地上共103层,地下4层。广州西塔整体建筑外观为通透水晶造型,主塔外由1万多块隐框玻璃幕墙覆盖。从建造之日至今,广州西塔就一直是世界上最高的采用全隐框玻璃幕墙系统的建筑。此后,作为南中国首席金融商务平台,广州西塔与广州经济发展一脉相承,并以强大的品牌优势、综合的规划功能、优异的产品品质、完善的服务体系成为广州商务形象的新标杆。

图1 广州国际金融中心
那么,应用于全球最高的全隐框玻璃幕墙建筑上的高性能结构密封胶,其耐久性如何?在实际使用近十年之后,其性能与使用之初相比又如何呢?
2017年5月,白云化工对该项目进行了一次技术回访,主要查看了广州西塔塔楼和裙楼的隐框玻璃幕墙。该隐框玻璃幕墙主要应用“白云牌”超高性能结构密封胶SS922作为幕墙的结构粘接使用。同年5月,深圳金粤幕墙的幕墙维护团队对项目破裂的玻璃进行更换,白云化工技术人员到现场检查了密封胶的使用情况,并对结构密封胶进行取样。
经现场查看与了解,初步得到以下信息:
1. 幕墙未见漏水情况;
2. 密封胶未出现明显老化,弹性手感良好;
3. 所有密封胶均没有进行过维修;
4. 未发生玻璃整体坠落事件;
5. 有更换过自爆的玻璃。
现场取样的结构密封胶,经过进一步测试,结果如下:

表2 结构密封胶检测结果
综合上述调查和检测结果,我们可以得到以下结论:
从上述的回访结果可以看到,SS922超高性能硅酮结构密封胶经过近十年的老化,与基材粘结良好,拉伸粘结强度为1.38MPa,(2008年,SS922的企业标准规定密封胶的拉伸强度≥1.2MPa,出厂检验记录为:1.31MPa左右),强度并未出现下降,同时弹性依然保持良好,可以继续保证幕墙的结构粘结安全,给广大关心西塔幕墙及白云牌超高性能结构密封胶及耐候密封胶的业界同仁们递交了一份满意的答卷。
为什么白云化工的高性能密封胶产品在使用近十年之后仍能有如此好的表现?我们总结有以下两方面的原因:
- 首先,从对客户承诺的产品性能方面,白云化工的产品不仅符合国标、行标,还符合高于国标、行标2倍的企业标准。白云化工的企业标准经过政府质监部门的备案,是白云对客户做出的产品性能的承诺,可以作为客户验收货物的依据。而其他品牌(包括众多国际、国内一线品牌)结构密封胶对产品性能的承诺则仅限于符合国标要求,虽然其产品说明书上列出的“典型数据”有时高出国标很多,但是其产品说明书通常都会附加一句话说明:典型数据不可用于制订规格。也就是说这个数据不是其产品性能的承诺,不能依据这个数据来编制招标文件或产品性能要求,不能依据这个数据判定其产品是否合格。
- 2018年,国家新标准化法实施,强调了企业标准的市场地位,提倡企业制订和执行高于国标、行标的企业标准,引领行业健康发展。而白云化工早在二十年前,刚开始生产结构密封胶的时候,就已经在执行高于GB 16776-1997的企业标准了。到2017年,白云化工生产的所有结构密封胶产品,均执行高于国标1.5倍及以上的企业标准。“白云牌”超高性能结构密封胶的企业标准更经过数次提高,已经远远高于国标。“白云牌”超高性能结构密封胶2008年和2017年的企业标准与国家标准技术参数对比见表3。

表3“白云牌”超高性能结构密封胶企业标准与国家标准技术参数对比
更为重要的是,从产品质量管理体系方面,白云化工建立了能确保每一批产品都达到企标性能要求的质量管理体系。从产品配方工艺设计开始,白云化工就将目标定为达到企业标准所规定的更高要求,从原料进厂、生产制造以及出厂检验的整个过程中,始终围绕这个目标而制订相应的检验标准和工艺参数。因此白云化工可以确保每批产品的性能都符合企业标准的要求。
白云化工产品的性能和质量可以提供给客户高于国家标准的产品性能承诺(企业标准),在全世界最高的全隐框玻璃幕墙上经过近十年的应用,产品性能仍然非常优异。白云化工的产品已经成功应用超过二十年,在国内得到了广大用户的认可,而且也得到了越来越多国际知名顾问公司和业主的认可,广泛应用于东南亚、中东、南美、非洲等世界各地的工程项目。未来,白云化工会继续加大品牌推广力度和研发投入,让更多的人知道并选用高性能的白云牌系列密封胶产品。