
本文作者:冯松 王娜娜
故障现象
一辆2013 款雪佛兰科鲁兹,配备手动空调,行驶里程为 96000km。打开空调后,压缩机不工作,空调不制冷,其他功能正常。
故障诊断与排除
接车后确认故障现象,连接故障诊断仪,发现故障码为 P0530:空调制冷剂压力传感器电路电压过低,清码后依旧存在;接着确认K20( 发动机控制单元) 内得到的传感器数值,进入故障诊断仪的“A/C High Side Pressure Sensor”( 空调高压侧压力传感器),得到的参数均为0;使用故障诊断仪的元件测试功能,发现空调压缩机离合器能够正常吸合、断开。由此得到的初步诊断结论为:压缩机离合器自身及线路无故障,空调制冷剂压力传感器或线路存在故障导致压力信号不正常。
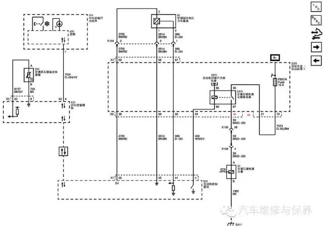
参照维修资料(图1),该传感器为三线制压电式无源传感器,即1 号线为低电平参考电压( 搭铁线)、2 号线为5V 参考电压、3号线为信号线。由于该传感器很难直接判断是否正常工作,所以决定从线路入手,依次判断每根线路的功能性。

图1 空调压缩机控制原理图(点击图片查看大图)
首先关闭点火开关,拔下空调制冷剂压力传感器插头。打开点火开关,使用万用表检测线束端2 号脚的对地电压,显示5.0V,正常;检测线束端2 号脚和1号脚之间电压,为 5.0V,正常。此时,再次确认故障诊断仪中“A/C High Side Pressure Sensor”的数据依然均为0( 图2);使用一个带有3A 熔丝的跨接线,接在传感器线束端2 号脚和3 号脚之间, 再次查看故障诊断仪中“A/C High Side PressureSensor”的数据,结果显示依然为0( 此时正常应显示5.0V、 3 570kPa),由此判定信号线存在断路或对地短路故障。

图2 故障发生时诊断仪显示的数据
关闭点火开关,断开蓄电池负极,取下K20 线束连接器。使用万用表检测传感器线束端3 号脚对地电阻,结果显示无穷大,说明信号线没有对地短路;检测3号线端对端电阻,结果显示为0.2Ω,说明信号线也没有断路。自此,笔者开始回想之前的线索,检测结果确实说明信号线没有将信号送入发动机控制单元,那么,在信号线没有对地短路也没有断路的情况下,是否要怀疑控制单元损坏呢?
此时,笔者发现了1号线的特殊性,其功能为低电平参考电压线,也就是说传感器通过该线路到K20 内部再形成搭铁回路,那么故障会不会和它有关呢?使用万用表检测传感器线束端1 号脚和3号脚之间的电阻,结果显示0.3Ω,说明两者线间短路。制冷剂压力的信号线间接对地短路,导致发动机控制单元无法得到正常数据。通过检查线路发现水箱线束(包含空调制冷剂压力传感器线束)中靠近冷却风扇的一处导线绝缘层出现破损,导致两根线碰在一起,经过询问车主得知该车之前更换过水箱,笔者怀疑维修工在更换过程中无意中擦破了导线,导致线间短路。
经检查确认,铜线本身并未受损,固对线路进行绝缘处理后重新插回各插接器,启动发动机,打开空调,压缩机工作正常,诊断仪数据正常(图3),制冷效果良好。

图3 空调系统正常运行时诊断仪显示的数据
维修小结
科鲁兹轿车的手动空调利用发动机控制模块通过制冷剂压力传感器来监测高压侧制冷剂压力,这一信号作为压缩机能否运行的许可条件之一。空调制冷剂压力的变化将使传送至发动机控制模块的传感器信号发生变化,正常压力范围应该在269 ~2 929kPa之间,当压力过高或过低时,发动机控制模块将不允许空调压缩机运行。
检修这一类故障时,首先应分析压缩机的控制条件以及相关传感器的工作原理,再结合故障诊断仪的检测数据,对照电路图有条不紊的查找故障原因。分清线路故障和元件故障,不能图省事,采用换件修理的方法,毫无根据的怀疑传感器本身或控制单元损坏,否则不但会走弯路而且容易遗漏某些潜在故障。

此故障属于常见故障,对这类相邻导线间互相短路的故障,在一般的维修手册中很少有专门的说明,或者说在检测步骤中并没有体现出来,但对于没有经验的技师来说,很可能会误认为传感器或发动机控制单元有故障,造成误更换零件。
本文的故障排除方法、步骤,是严格按照手册的要求去做的,在看到文章的前两段时,我已经确定不是一线修理工的检查思路。但并不是说这种方法不可取,而是在实际工作中还需要对空调的实际高低压力进行检查,以确认制冷剂是否正常。如果对空调系统压力没有进行确认,那么后续的检测,包括对故障零件、线路的确认,都是没有数据基准的。大部分技术人员对空调系统的高低压力传感器的工作原理都应该有所了解,但对于压力传感器检测的临界范围却缺乏一定的认识,写作思路都是非常清晰的,值得学习。
( 作者冯松、王娜娜 单位:常州刘国钧高等职业技术学校)