空气源热泵工作原理、主要部件
热泵是一种将低温热源的热能转移到高温热源的装置。通常用于热泵装置的低温热源是我们周围的介质——空气、河水、海水,城市污水,地表水,地下水,中水,消防水池,或者是从工业生产设备中排出助工质,这些工质常与周围介质具有相接近的温度。
根据低温热源的不同,热泵一般可分为:空气源、水源、地源。
空气源热泵热水器的基本原理
它主要是由压缩机、热交换器、轴流风扇、保温水箱、水泵、储液罐、过滤器、节流装置和电子自动控制器等组成。接通电源后,轴流风扇开始运转,室外空气通过蒸发器进行热交换,温度降低后的空气被风扇排出系统,同时,蒸发器内部的工质吸热汽化被吸入压缩机,压缩机将这种低压工质气体压缩成高温、高压气体送入冷凝器,被水泵强制循环的水也通过冷凝器,被工质加热后送去供用户使用,而工质被冷却成液体,该液体经膨胀阀节流降温后再次流入蒸发器,如此反复循环工作,空气中的热能被不断热泵送到水中,使保温水箱里的水温逐渐升高,最后达到55℃左右,正好适合人们洗浴,这就是空气源热泵热水器的基本工作原理。

机组主要部件及作用
热泵热水器是由:压缩机、冷凝器、蒸发器、轴流风扇、储液罐、过滤器、截流装置和电子自动控制器等组成。其中压缩机、冷凝器、蒸发器、节流装置称为四大部件。
压缩机
作用:将低压气体提升为高压的一种从动的流体机械。是制冷系统的心脏,它从吸气管吸入低温低压的制冷剂气体,通过电机运转带动活塞对其进行压缩后,向排气管排出高温高压的制冷剂气体,为制冷循环提供动力,从而实现压缩→冷凝→膨胀→蒸发(吸热)的制冷循环。
常见种类:旋转式;涡旋式;螺杆式
家用机组一般采用旋转式。
商用机组一般采用涡旋式和螺杆式。
代表企业:谷轮、三洋、美芝、大金、三菱、海立等。

| 旋转式压缩机 | 工作原理:旋转式压缩机的电机无需将转子的旋转运动转换为活塞的往复运动,而是直接带动旋转活塞作旋转运动来完成对制冷剂蒸气的压缩。优点:由于活塞作旋转运动,压缩工作圆滑平稳,平衡。另外旋转式空压机没有余隙容积,无再膨胀气体的干扰,因此具有压缩效率高、零部件少、体积小、重量轻、平衡性能好、噪音低、防护措施完备和耗电量小等优点。常规1-2.5P采用的是旋转式压缩机。 |
|
| 涡旋式压缩机 | 工作原理:涡旋式压缩机是由一个固定的渐开线涡旋盘和一个呈偏心回旋平动的渐开线运动涡旋盘组成可压缩容积的压缩机。优点:涡旋压缩机的独特设计,使其成为当今世界节能压缩机。涡旋压缩机主要运行件涡盘只有龊合没有磨损,因而寿命更长,被誉为免维修压缩机。涡旋压缩机运行平稳、振动小、工作环境宁静,又被誉为‘超静压缩机’。涡旋式压缩机结构新颖、精密,具有体积小、噪音低、重量轻、振动小、能耗小、寿命长、输气连续平稳、运行可靠、气源清洁等优点。涡旋式压缩机一般用小型热泵设备,常规3-10HP采用的是涡旋式压缩机。 |
|
节流装置
作用:
(1)节流降压 将来自冷凝器的中温高压液态制冷剂进行节流,以降低其温度和压力,使进入蒸发器的制冷剂成为饱和温度较低的湿蒸气,确保制冷剂在低温下沸腾,以降低进入车内空气的温度。
(2)调节流量 根据制冷负荷和发动机转速的变化情况自动调节制冷剂流量,使制冷系统始终保持最适宜的制冷量。
(3)防止掖击和过热 根据蒸发器出口处的温度控制制冷剂流量,以确保制冷剂在蒸发器个完全汽化,防止压缩机产生液击现象;与此同时,将制冷剂蒸气过热温度控制在从而防止异常过热现象的发生。
常见的节流装置有三种:电子膨胀阀;热力膨胀阀;毛细管。

| 热力膨胀阀 | 工作原理:热力膨胀阀是通过感受蒸发器出口气态制冷剂的过热度来控制进入蒸发器的制冷剂流量。热力膨胀阀由感应机构、执行机构、调整机构和阀体组成。感应机构中充注氟利昂工质,感温包设置在蒸发器出口处,其出口处温度与蒸发温度之间存在温差,通常称为过热度。代表企业:丹佛斯、艾默生、艾柯、鹭宫等。 |
|
| 电子膨胀阀 | 工作原理:是控制器通过对传感器采集得到的参数进行计算,向驱动板发出调节指令,由驱动板向电子膨胀阀输出电信号,驱动电子膨胀阀的动作。电子膨胀阀从全闭到全开状态其用时仅需几秒钟,反应和动作速度快,不存在静态过热度现象,且开闭特性和速度均可人为设定。特点:对于热力膨胀阀,当环境温度较低,其感温包内部的感温介质的压力变化大大减小,严重影响了调节性能。而对于电子膨胀阀,其感温部件为热电偶或热电阻,它们在低温下同样能准确反应出过热度的变化。因此,在冷藏库的冻结间等低温环境中,电子膨胀阀也能提供较好的流量调节。代表企业:丹佛斯、艾默生、艾柯、鹭宫等。 |
|
蒸发器
工作原理:蒸发器是制冷四大件中很重要的一个部件,低温的冷凝“液”体通过蒸发器,与外界的空气进行热交换,“气”化吸热,达到制冷的效果。
空气源机组采用翅片蒸发器。
水地源机组采用板式换热器。

冷凝器
工作原理:将管子中的热量,以很快的方式,将热量带走而运转的,把气体或蒸气转变成液体的装置。
常见种类:壳管式换热器(常规热水机组),钛管式换热器(泳池机组),套管换热器(风冷模块机组)。

四通阀
作用:四通阀是热泵系统中用于化霜的主要部件。
四通阀由三个部分组成:先导阀,主阀和电磁线圈。

工作原理:四通阀不同于普通直动式电磁阀,它必须在一定压力下才能正常工作,四通阀由三个部分组成:先导阀,主阀和电磁线圈,电磁线圈可以拆卸,先导阀与主阀焊接成一体。当电磁阀线圈处于断电状态,如图一,先导滑阀在右侧压缩弹簧驱动下左移,高压气体进入毛细管①后进入右端活塞腔,另一方面,左端活塞腔的气体排出,由于活塞两端存在压差,活塞及主滑阀左移,使排气管(S管)与室外机接管(C管)相通,另两根接管相通,形成制热循环。当电磁阀线圈处于通电状态,如图二,先导滑阀在电磁线圈产生的磁力作用下克服压缩弹簧的张力而右移,高压气体进入毛细管①后进入左端活塞腔,另一方面,右端活塞腔的气体排出,由于活塞两端存在压差,活塞及主滑阀右移,使排气管(S管)与室内机接管(E管)相通,另两根接管相通,形成除霜循环。
其他部件
| 传感器 | 作用:利用物质各种物理性质随温度变化的规律把温度转换为电量,并将电信号传给控制面板,从而进行对机组的控制。 |
|
| 压力开关 |
|
|
| 冷媒 | 种类:R22,R410A,R407C,R134a |
|
家用分体式热泵机组选型、安装与调试
室外机组安装场所的选择
•能提供足够的安装和维护空间处;
•进出风口无障碍和强风不可吹到处;
•干燥通风处;
•支承面平坦,能承受室外机重量,可以水平安装室外机,且不会增加噪音及振动处;
•运行噪音及排出空气不影响邻居处;
•无可燃气体泄漏处;
•便于安装水路进出水管和电器连接处;
•推荐场所:阳台,室外空调栏,屋顶等。
注意:安装在下列场所可能会导致机器故障(如不可避免,请咨询)
•有如机油等矿物油的地方
•电源电压波动严重的工厂等地方
•汽车或舱室内等地
•厨房等充满油气和油花的地方
•存在易燃气体或材料的地方
•存在酸性或碱性气体蒸发的地方
•其他特殊环境条件处
家用水箱安装场所选择
1.能提供足够的安装和维护空间处;
2.支承面平坦,能承受室外机重量,且可以在垂直方向固定水箱处;
3.无腐蚀性气体泄漏处;
4.便于安装连接水管和电器连接处;
5.便于安全阀工作时排出的水能顺利排入下水道处;
6.保证安全阀工作时排出的水不会溅到木质地板和家具处;
7.水箱高于热水出水口,热水管必须安装正负压安全阀;
8水箱与机组落差不得超过3.5m。
注意
•决定正确的搬入路径;
•尽量在原装情况下搬运本机;
•请按水箱说明书要求安装附件;
•请直立放置安装水箱。
注意:请用真空泵进行抽真空,绝对不能用冷媒气体进行空气排除。
内置水泵排空
打开出水管排气阀,排除机组内部水泵中空气,直至排出水没有气泡为止。
机组调试
安装完毕后,应该对以下几点进行检查:先总体检查下整个热水系统和电控系统是否安装好,接线是否牢固,该开的阀门是否打开,该关的是否关闭。冷媒连接管是否有泄漏的情况,然后再送电,用万用表检查电源是否正常,再开机。
开机后需要检查的几个要点:
1.压缩机是否有延迟3分钟保护。
2.机组运行时的高压压力是否正常,风机吹出的风是否感觉到凉爽,用钳形表检测机组运行电流,观察是否正常,机组无异常噪音。
3.检查机组的供水系统能否提供足够的压力给用户。
4.正常运行一段时间后,水温能够加热到设定温度停机,且水温低于设定温度5度后能够正常启动。
5.打开热水出水龙头进行水路空气排空,直至热水匀速出水。
6.以上几点如果都正常,运行至水温达到55度后,则该机组可以交付给客户使用。
注意:拆装机组,冷媒的回收。
1.按S(设置键),将F37设置成1(处于化霜状态),用六角匙关闭高压管的阀门,等待10~15秒后,用六角匙关闭低压管的阀门。此时,冷媒回收完毕!
2.下次安装时,请务必将F37设置为0。
工程热泵机组设计与安装

设计前准备工作
确定热水使用场所类型,作为划分热水使用时间及最高日用水定额的依据。如宾馆一般为全日制供水,使用时间为24h,最高日用水定额为一般为150L/标间。浴室一般为半日制供水,使用时间为12h,最高日用水定额为一般为100L/人。工厂宿舍根据实际情况,会有倒班或者全日制供水,使用时间为8~24h。最高日用水定额一般为50L/人。详细划分见4.3.2每日热水用水量计算。
了解每日热水用水量,作为系统设计依据。向经销商或甲方确认每日热水用水量或弄清日最高热水使用人数,使用房间数或用水点数量等。如宾馆房间个数、入住率,浴室每日高峰人数、用水点个数(如喷头,花洒个数),工厂或学校宿舍入住人数。并根据使用场所类型计算每日热水用水量。
确认工程所在地区:并根据气象参数表,冷水计算温度表(P21)了解当地气象参数,特别是最低水温、年平均水温及冬季平均气温,作为选择设备型号、数量及校核设备运行可靠性的依据。
明确建筑概况:建筑高度,机组、水箱的摆放位置,是否采用回水。作为水泵选型计算依据。
了解水电情况:预留水管口径,配电容量大小。若此点了解不到,需在设计资料中表明,水管预留口径,配电量大小。
了解甲方的具体要求,考虑其合理性。
每日热水用水量计算
Q容量= Q×N
式中:Q容量—水箱的容量
Q—最高日用水定额(L)
N—日最高热水使用数量,单位根据场所确定
根据上式计算得每日热水用用水量和选择水箱大小。上式中N需向经销商或甲方确认,Q根据使用场所确定,常用场所数值如下表:
| 使用场所 | 单位 | 最高日用水定额(L) | 使用时间(h) |
| 一般宾馆招待所 | 每标间每日 | 150 | 24 (全日制供水) |
| 3 星宾馆 | 每床每日 | 100——150 | 24全日制供水) |
| 4 星宾馆 | 每床每日 | 160——180 | 24(全日制供水) |
| 5 星宾馆 | 每床每日 | 300 | 24(全日制供水) |
| 浴室 | 每人每日 | 100 | 12(半日制供水) |
| 工程宿舍或学校宿舍 | 每人每日 | 50 | 8(工厂三班倒)12(工厂两班到)24(全日制供水) |
上表中归类了一些常见场所最高日用水定额和使用时间,未归类上表中的场所见:热水定额表《建筑给水排水设计规范 GB50015-2003》。

一、计算系统所需热量:
Q=CM△T
式中:Q —系统总制热能力,单位Kcal
C—水的比热容,为1Kcal/kg.℃
M-水箱中水的质量,单位kg
△T—温差,即制热所需水温-年平均水温/年最低水温,单位℃
年平均水温/年最低水温见下表(冷水计算温度表)
二、计算系统所需功率:

式中:Q —系统总制热能力,单位Kcal
W—系统总制热功率,单位Kw
860-电的热值,单位Kcal/Kw
h—运行时间,单位 小时
运行时间的考虑:
运行时间,与用水量的是影响机组选型计算中两个最主要的因素,用水量一般不变,所以根据工程情况的不同,运行时间在设计中的波动是比较大的。运行时间主要考虑以下几个方面:
节能性与经济性:在一定范围内。运行时间设计越少,那么说明系统配置的制热能力越大,即使冬季不需其他辅助加热,依靠空气源热泵就能满足热水需求,故运行成本相对较低,节能性增加,但初投入也增大,经济性下降;运行时间设计越多,那么说明系统配置的制热能力越小,冬季需用电辅加热,故运行成本相对较高,节能性减少,但初投入也减少,经济性增加。经济性与节能性是一个工程是否优质的重要指标,但这两者处于一对矛盾关系,所以只能在中间寻找一个最佳平衡点。
冬季的环境因素:空气源热泵的热源是空气,其性能受环境影响较大,所以根据冬季的环境因素的不同,运行时间要做相应的调整,对于冬季较寒冷的地区,运行时间需设计要短,对冬季温暖地区,运行时间可以设计长一些。
工程性质:这一点主要的考虑就是工厂宿舍的倒班情况,如三班倒,即24小时内轮流三班,故我们设计运行时间时得考虑冬季最冷月的运行时间要小于8小时。
经上述分析,根据经验。运行时间在江浙沪(不包括苏北)一带一般设计10小时左右,冬季较寒冷地区一般设计8小时左右,冬季温暖地区设计12小时,三班倒情况一般设计5小时左右。
三、最冷月校核计算
空气源热水机组热源是空气,其性能受环境影响较大,根据现有资料:环境温度低于-10℃,大部分热水机组不能正常工作。这就要求热水机组一般使用区域冬季环境温度高于-10℃。由此可知空气源热泵热水机组适用于夏热冬暖地区,根据我国气候条件,推荐长江以南区选用空气源热泵机组。
故机组选型时,需考虑工程所在地的冬季平均温度,根据冬季平均温度来考虑机组在冬季的衰减。冬季平均温度与机组冬季衰减关系见能效比曲线表。

该表横轴为环境温度,纵轴为能效比,反映了环境温度与空气源热泵机组能效比的曲线关系,用于计算最冷月机组产水量的衰减率以及最冷月机组产水量。计算公式如下:

上式中冬季能效比根据工程地点的冬季平均温度来查能效比曲线表,常规空气源热泵热水机组为4.0,其余机型及额定产水量详见创能机型谱。而最冷月运行时间我们规定必须小于15小时。
例:某工程每日热水需求量为3吨,配置一台5P热泵机组,已知当地冬季平均气温4.2℃。计算机组冬季制热能力衰减率,机组最冷月产水量及最冷月运行时间。
已知冬季气温4.2℃,查表得冬季能效比约为2.8,5P循环机的额定能效比为4.0,额定产水量为410L/h
根据公式(一),计算得机组冬季产水量衰减率=2.8/4.0=0.7
根据公式(二),计算得机组最冷月产水量=410×0.7=294L/h=0.294m³/h
最冷月运行时间=每天最大用水量÷(最冷月产水量×机组数量)=3m³÷(0.294m³/h×1)=10.2h
最冷月校核计算即校核最冷月运行时间是否小于规定的15小时,但实际设计中,往往处于经济性的因素,机组不得不配小,此时最冷月运行时间必然大于15小时。当遇到这种情况时,修改机组冬季产水量衰减率,将最冷月运行时间调至15小时以下,并与客户说明,机组的配置偏小,冬季运行费用比较大。
四、机组选型说明
定机组遵循以下原则:
选大不选小,即选定主机能力(KW)≥系统总能力(KW)
最冷月运行时间尽可能小于15小时
能选用两台小的不选一台大的
一般情况下机组不混搭(即一个10吨工程不采用一台10P与一台5P)
根据经验机组的选型与水箱吨位大小有一定比例关系,即1吨水:几P机组。在设计中可以根据这个经验值来进行预估,提高效率。江浙沪(不包括苏北)一带一般为1:1.5,冬季较寒冷地区一般为1:2,冬季温暖地区一般为1:1,三班倒情况一般为1:3,北方地区一般配比为1:2。
水泵选型计算
水泵的选型主要考虑两方面,流量与扬程。在热水系统中水泵可分为以下三类,机组循环泵,热水增压泵,水箱连通泵。
一、机组循环泵的选型:
机组循环泵流量的计算:机组循环流量是由技术部门在研发机组时设计好的,在工程计算略微有所不同,下面结合工程设计来对本部分内容作介绍。在工程设计中需要给循环机组配置水泵(即循环泵)来对水箱中的水进行循环加热,其中主要有两种工程形式:
(1)一台循环机组配置一台水泵,即一机一泵。对这种情况机组循环流量与循环管径即为样本中所标明的循环流量和接管管径。
在实际设计中,往往会碰到这种情况:某新机型样本中尚未标明,无法从产品样本中得知循环流量与接管管径。当碰到这种情况时,流量按下公式来估算:
Q=Q 制热 ÷5×0.86×1.2
式中: Q——流量,单位:m³/h
Q制热——机组制热量,单位:KW
1.2——安全系数
5——制热量转换流量转换系数
0.86——制热量转换流量转换系数
(2)多台循环机组共用一台水泵,即多机一泵。对这种情况机组循环流量按下公式计算:
Q ’=Q×N
式中:Q’——循环总流量,单位:m³/h
Q——机组循环流量,单位: m³/h
N——机组数量
同样若遇到新机型无法从样本上取得循环流量,按上页公式计算取值。
2.机组循环泵扬程的计算:
H=Z+P+0.1L
式中: H——水泵所需扬程
Z——机组底部与水箱底部的高度差
P——机组换热器的水压降,咨询厂商,单位 Kpa(1Kpa=0.1m)
L——循环管路的长度
根据经验,机组循环泵扬程一般选10M左右。
二、热水增压泵的选型:
1.热水增压泵流量的计算:
结合以往设计经验及一些资料文献,归类以下三种方法来确定:
(1)根据使用场所的使用时间来计算,公式如下:

式中:Q——热水出水流量,单位:m³/h
M——水箱吨位,单位: m³
T——使用场所的使用时间,单位h(在热水定额表中可查)
T’——每日高峰用水量计算时间,单位h 一般取4h
1.3——小时变化系数
(2)根据使用场所的用水点数量来计算,公式如下:

式中: Q——热水出水流量,单位:m³/h
Q’’——单用水点用水量,单位:L/min 一般为5L/min
N——用水点数量
K——同时使用率,一般取30%-40%,学校等集中供水取70%
60,1000——流量单位转化系数
(3)根据使用场所预留的冷热水管管径来计算,即已知冷热水管径,用管径大小来推算流量,公式如下:

式中: Q——热水出水流量,单位:m³/h
D——管道内径,单位:mm
1000——mm转换m 单位转换系数
5652——转换系数
2.热水增压泵扬程的计算:
根据经验,不含回水系统的热水管路,无论层高多少,扬程取10M左右。
含回水系统的热水管路,扬程根据楼层来确定,详见下表
| 楼层 | 扬程 |
| 1~3 层 | 15~20M |
| 3~6 层 | 20~25M |
若高于6层,根据实际情况决定。
水箱连通泵选型
1.水箱连通泵流量的计算:

式中: Q——流量,单位:m³/h
Q加热水箱——加热水箱容量,单位:m³
h——时间,单位:小时,一般取1
2.水箱连通泵扬程的计算:参照机组循环泵扬程选取。
水箱连通泵选型
商用热泵机组配置的水箱为不锈钢材质的敞开式保温水箱,因水箱是敞开式,故水箱内的压力不足以供水,或者和主机循环,要通过水泵来实现。常用的规格有立式和组合式。
立式保温水箱规格:
外胆:不锈钢201,厚度:0.6mm
内胆:不锈钢304,厚度:0.8mm
保温层:聚氨酯,厚度:50mm
保温层发泡密度:40Kg/m³

工程水箱
组合式保温水箱规格:
外胆:不锈钢201,厚度:0.6mm
内胆:根据水箱的高度而不同
保温层:聚氨酯,厚度:50mm
保温层发泡密度:40Kg/m³
设计中,由与组合式水箱造价高,尽量选用多个小立式保温水箱连通,而不选用一个大的组合水箱。

水泵
水泵的定义是利用动力机的机械能,传给并排除水体的机械。简单的说就是传输液体或者是给液体增压的装置。而水泵在热水工程中主要起以下两种作用:
(1)实现水箱和机组之间的水路循环。习惯上称为循环泵。
(2)给热水供水提供压力。习惯上称为增压泵。
代表企业:威乐、格兰富、南方等。

增压泵的控制方式
增压泵主要由以下几种形式来实现自动供水:
(1)通过流量开关来控制
通过流量开关检测管路流量,当流量小于设定值时,给水泵开启信号,开启水泵,当流量高于设定值是关闭水泵。
(2)通过自动增压装置来控制
通过自动增压装置检测管路水压,当水压小于设定值时,给水泵开启信号,开启水泵,当水压高于设定值是关闭水泵。

(3)通过变频恒压系统来控制
变频恒压系统的水泵电机以软启动方式启动后开始运转,由远传压力表检测供水管网实际压力,管网实际压力与设定压力经过比较后输出偏差信号,由偏差信号控制调整变频器输出的电源频率,改变水泵转速,使管网压力不断向设定压力趋近.这个闭环控制系统通过不断检测、不断调整的反复过程实现管网压力恒定,从而使水泵根据需水量自动调节供水量,达到节能节水的目的。

水路中的管材
在商用循环热泵机组的水路系统中,一般管材为:PPR热水管或镀锌钢管。一般而言,在管径小于DN50的水路系统中使用PPR热水管,大于DN50的水路系统中使用镀锌钢管。或按客户需求。


管径计算

式中:π——圆周率
D——管道内径,单位:m
4——圆面积计算中,半径与直径的转换系数
Q——流量,单位:m³/h(参照水泵流量计算)
v——流速,单位:m/s 一般取经济流速:2m/s
阀门

主要在水路系统中起到开关的作用。
常用的阀门有:用阀门材质有PPR(即塑料)、全铜、铸铁。
尺寸规格同水管尺寸规格表
一般而言大于DN50(不含DN50)的管道系统优先采用铸铁阀门,小于DN50的管道系统采用优先采用全铜。
安装施工要点:
1.安装位置,高度,进出口方向必须符合设计要求。
2.安装在保温管道上的各类手动阀门,手柄均不能朝下。
电磁阀

用电磁操作阀芯移动的阀。因为电磁阀是由电磁效应来控制,所以可以通过控制面板电磁阀的阀芯移动来实现自动开关或者调节流量。
安装施工要点:
1、安装时应注意阀体上箭头应与介质流向一致。不可装在有直接滴水或溅水的地方。电磁阀应垂直向上安装。
2、电磁阀应保证在电源电压为额定电压的15%-10%波动范围内正常工作。
3、电磁阀安装后,管道中不得有反向压差。并需通电数次,使之适温后方可正式投入使用。
4、电磁阀安装前应彻底清洗管道。通入的介质应无杂质。阀前装过滤器。
5、当电磁阀发生故障或清洗时,为保证系统继续运行,应安装旁路装置。
过滤器

过滤水路系统中的杂质。减少水路系统一些装置(如水泵,电磁阀)的损坏或失灵。
安装施工要点:
1、安装在管路中要与管道水平。
2、安装时注意介质流动的方向应与阀体所标箭头方向一致。
止回阀

靠水流流动的力量自行开启或关闭,即只有管路里的水流动时,止回阀开启。用于防止水流倒流。止回阀属于自动阀类,主要用于水流单向流动的管道上,只允许水流向一个方向流动,以防止发生事故。
安装施工要点:
1、在管线中不要使止回阀承受重量,大型的止回阀应独立支撑,使之不受管系产生的压力的影响。
2、安装时注意介质流动的方向应与阀体所标箭头方向一致。
软接

主要用来减少水路系统中由机组或是水泵引起的震动。使整个系统运行更加稳定,延长寿命。根据机组和水泵接口的不同分为:法兰软接和丝口软接。
说明:法兰接口使用法兰片连接。其实许多阀件也有法兰接口和丝口,如过滤器,止回阀。一般而言口径大于DN50以上才会使用法兰接口。
控制柜型号说明

控制柜型号命名规则
GC+D+Z+X-机组匹数-机组数量-系统总功率
GC表示工程意思
D表示电加热,若无则不填
Z表示增压泵,若无则不填
X表示循环泵,若循环泵为单相电,可由机组控制,则不填
机组匹数填写格式为:1P,2P,3P………
机组数量填写格式为:1II,2II,3II………
系统总功率填写格式为:1KW,2KW,3KW………
注意:对于水泵的一用一备,不要将备用水泵的功率也累加到系统总功率中。
电线路线径计算(估算)

根据设备或系统的功率,结合以下原则计算:
若为单相系统:

若为三相系统,分以下两种情况:
功率小于50Kw:

功率大于50Kw:

将上述计算所得的线径参照电线规格表,以选大不选小的原则选型。
常用电线型号为BVR。
常用设备电源芯数
| 电气设备 | 机组 | 水泵 | 电磁阀 | ||
| 电源规格 | 3~380V | 1~220V | 3~380V | 1~220V | 1~220V |
| 电源芯数 | 5(3火1零1地) | 3(1火1零1地) | 3(火) | 2(1火1零) | 2(1火1零) |
电缆的选型
根据线径选型,计算出火线线径,然后根据设备电源芯数来选择电缆规格。单相电源的零火线一般为同一规格,三相电源的零线比火线小1-2个规格。详见电线电缆规格表。
电缆的规格填写:火线芯数×火线电线规格+(零线芯数+地线芯数)×零线电线规格。
如10P空气热泵机组的电缆规格如下:3×4mm²+2×2.5mm²

电加热选型

电加热数量确定
根据常规经验值直接选择电辅热容量:华南地区电辅热可选择主机制热量的30%左右(主机选择有余量的情况可不配电辅热),华东、中西南地区电辅热可选择主机制热量的(50 ~ 70)%左右,东西、北华北地区电辅热基本要选择主机制热量的100%左右。
保温材料选型

辅材选用说明
密封材料:丝口连接处用生料带或麻丝胶水(大于DN50(不含DN50)的管道系统优先采用麻丝胶水,小于DN50的管道系统采用优先采用生料带)。法兰连接处用法兰橡胶垫片。
保温材料:一般使用保温管与保温棉两种形式(大于DN50(不含DN50)的管道系统优先采用保温棉,小于DN50的管道系统采用优先采用保温管)。
保温管以m为计量单位,保温棉以m³为计量单位
保温辅助材料:一般采用铝皮和铝箔扎带或电工阻燃胶带。一般而言,若保温材料选用保温棉,则保温辅助材料选用铝皮。若保温材料选用保温管,则保温富足材料选用铝箔扎带或电工阻燃胶带。
热水管道保温处理:
(1) 绝热层; (2)防水防潮层; (3)外保护层(也可以兼作防水防潮层)。
绝热层:橡塑棉、聚胺脂发泡等,厚度≥30mm;
外保护层:室外,+0.3mm厚镀锌板;室内,铝铂纸;
外保护层是最容易被忽略的。室外没有外保护层,风吹日晒雨淋时间久后,保温材料老化脱落,保温效果差,外观很丑,低档。

回水系统
当用户长时间不用时,水管中的水温降低,为了节约用水,水管中的水自动回到水箱中。回水管路安装电磁阀,当会管道水温小于设定的回水温度且低于水箱温度5度时,电磁阀开启,增压水泵开启,将水管中的冷水排放到水箱中。当管道温度高于设定温度,电磁阀与水泵停止工作,保证用户一开龙头就有热水出水。

补水系统
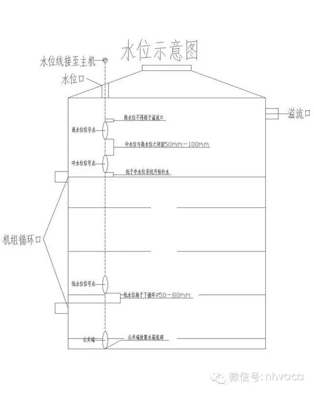
加热水箱加水采用水位补水,在水箱内设置高,中,低三个水位,当低于中水位时主机给电磁阀信号,电磁阀开启补水,当高于中水位时,主机给电磁阀信号,电磁阀关闭补水结束。

工程系统图
在标况下系统设计为自来水流经机组一次升温5℃。将保温水箱中的水循环加热至设定温度。系统设计简单,在天气比较寒冷区域,机组能稳定运行。

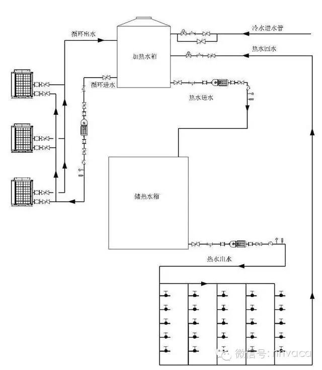
循环大小水箱工程系统图循环机组使用加热水箱和储热水箱分离设计,机组集中热量加热小水箱(加热水箱),时期温度到达设定温度后将热水放至大水箱(储热水箱),如此循环动作。
此系统适用于连续性供水且热水需求量较大的酒店、宾馆、工厂、医院等场所,水温波动小。

安装注意事项
设备基础的制作
混凝土基础,此基础用混凝土浇制,具有较佳的防震效果。
具体要求为:a.混凝土基础表面应坚实、牢固且平整,支撑面的承重应为机组运行重量的2倍。b.在做水泥基础台时,建议作如下处理:置于直径9.5mm以上之螺纹钢筋,间距10公分捆扎排放上下两层。c.在混凝土楼板上作水泥基座时,在施工前须保持表面粗糙,待清扫干净后,给予充分水份后再施工。d.水泥基础台按1:2:4比例充分混合,力求坚固,并依需要埋入规定大小数量的基础螺栓。完工后的基础台表面应保证平整。e.混凝土基础台表面需进行防水处理,基础台四周应设置排水沟槽,排水沟坡度应大于0.5°且坡向排水口。f.基础台之混凝土,须待完全干涸后才能安装机器。g.为使设备能宁静运转,避免因振动和噪音的传递而影响机组所处的楼层,机组底座与基础应以防震垫隔离,且机组安装时需注意保持水平。h.为避免设备长期运行产生的可能位移使机组产生扭曲甚至于断裂,机组应采取妥善的限位固定措施。具体见下图:(单位:mm)
一、注意
1、混凝土基础离地面的高度应≥200mm。
2、混凝土基础必须找平,水平度≤0.1%。用槽钢、工字钢、角铁焊成支撑架,支撑架与地面用拉爆螺丝固定。注意:荷载支撑面必须坚固,足以承受机组动静荷载,且不致额外增大振动和噪音,以避免影响周围环境。
3、安装注意机组的安装位置比较灵活,可装在阳台、楼面、地下室等。为了使机组能可靠的运行。
二、必须注意以下几点:
1、机组需由专业人员安装,安装时须遵守当地政府和相关部门的相应规定。
2、应考虑留出足够的空间,以连接水管和电线,同时考虑维修需要的空间(不能小于如下图所标的间隙)。
3、机组安装完毕后,要检查机组是否已良好固定,底脚是否安装防震胶垫。
4、机组应安装在室外通风的地方,同时也便于检修,机组出风口方向的遮挡物与机组的距离不得小于1.8米。如下图所示:

水泵,防雨

水箱温度传感器安装

要做盲管,传感器不能直接泡在水里。

强弱电分开走线

控制柜防水,接线规范

机组调试
安装完毕后,应该对以下几点进行检查:先总体检查下整个工的水系统和电控系统是否安装好,接线是否牢固,该开的阀门是否打开,该关的是否关闭。然后再送电,用万用表检查电源是否正常,再开机。
开机后需要检查的几个要点:
1.机组的补水系统是否正常补水,补到高水位后,电磁阀是否关闭,低于高水位后电磁阀是否再次通电补水。
2.机组的循环水泵是否能把水抽进主机,如果水泵启动了,但是水不循环,就要对水泵进行排空,直到水能正常的循环起来。
3.机组运行时的高压压力和低压压力是否正常,风机吹出的风是否感觉到凉爽,用钳形表检测机组运行电流,观察是否正常,机组无异常噪音。
4.检查工程的供水系统能否提供足够的压力给用户,是否受控制。
5.正常运行一段时间后,水温能够加热到设定温度停机,且水温低于设定温度5度后能够正常启动。
以上几点如果都正常,反复运行24小时后,则该工程可以交付给客户使用。