最近整理书籍,发现一本笔记本。里面记录着当初电源入门的时候,调试过程中所看到的一些异常现象,以及后来的解决办法。可惜现在已经没有这个好习惯了,其实很多工程师认为设计电源是非常重经验的一门技术,要见多识广。我觉得这种经验,不但体现在设计中,更体现在调试的过程。当你一看到波形,就能把问题定位,那就是最高境界。
一、首先讲讲几个实际项目中遇到的问题(包含十五个项目)
二、再从以下几个方面分享开关电源设计到生产验证的经验
1、BUCK
2、BOOST
3、FLYBACK
4、原理图pcb
5、电源调试
6、各种异常情况
7、安规
8、EMC
9、生产工艺
10、总结
项目一:UC3842控制电路学习板
现象:UC3842供电正常,但是Vref居然不是5V,而是高于5V。解决办法:把管脚重新焊一遍。分析:UC3842的GND脚焊接不良,导致电压浮起来了。需要注意几点。1、元件焊接要仔细,不能发生虚焊,虚焊非常要命,而且不容易看出来。方向不能焊反,尤其是二极管的方向。我曾经焊错过桥式整流二极管的方向,直接导致滤波电解电容加了反压,很危险。2、如果调试中需要飞线,而且是来回信号线,要把去线和回线绞在一起。因为如果去线和回线,形成包围面积的话,就相当于一个天线,很容易串入干扰。3、母线供电不仅要有大的滤波电容,而且要有高频滤波电容。输出时候的滤波也是一样。
项目二:某实验室一台电源坏了,拆开一看,UC3875控制的全桥,需要修理。
现象:初步检查,功率管坏了,由于没有同型号的管子,把所有的管子换成同功率等级的管子。上电之后,输入电压较低的时候,一切正常。当输入电压较高的时候,驱动混乱,频率抖动。解决办法:把功率管的驱动电阻增大,该现象消失,一切正常,电源修好。分析:新的管子寄生参数和旧管不同,在同样的驱动电路下,开关速度会比较快,导致干扰比较大,在高压的时候,干扰大到影响控制电路的工作。
项目三:UC3845*管双**正激
现象:两个管子关断之后,DS所承受的电压非常悬殊,并非理论上的各自一半。猜测是 MOS的参数不一致导致,把上下管焊下来,交换位置,结果,还是一样。看来和MOS无关。解决办法:调节两管驱动,让他们尽量同时关断,情况略有改善,但还是无法平分电压。分析:这个应该是两个原因引起的,一个是PCB寄生参数的不同导致,两个位置的管子,DS的实际电容有差异。另外一个是,驱动不是很同步关断。
项目四:UC3845控制辅助绕组反馈的反激
现象:主路输出电压在开机的时候有很大过冲。但是,参与反馈的辅助绕组的电压并没有过冲。解决办法:为了可调节调整率,辅组绕组上串联了一个电阻。将这个电阻的阻值减小,主路输出过冲明显减小。分析:由于反馈采样的是辅组绕组,而辅组绕组串联了一个电阻,导致启动的时候,辅组绕组的电压和反馈处的电压,有压差,通过变压器耦合,导致输出电压过冲。
项目五:NCP1014, 光藕反馈反激
现象:人家已经做过的成熟板子,重新焊了一块之后,发现输出稳压不对。解决办法:自作聪明换了其他型号同等基准的431替换原来的bom中431,换回来就好了。分析:原先用的是zetex的431,其最小工作电流是u*级A**别的,所以设计时基本没考虑最小工作电流。后来替换了TI的431,最小工作电流是1mA,导致工作不正常。
项目六:ICE1PCS01 控制boost PFC
现象:全电压范围,用调压器调节的时候,输入电流波形都很好,高频纹波都很小。惟有在220V输入电压左右时候,输入电流的高频纹波突然变大。大于220V,和小于220V都很小.解决办法:用AC souce 就好,任何电压下高频纹波都比较大,哈哈。分析:用的是自耦调压器,自藕调压是有漏感的,漏感可以把输入高频纹波电流滤掉,但是到220V(网压)的时候,自藕调压器输出端其实就直接和输入端相连了,自然就没有漏感了。
项目七: UC3845*管双**反激
现象:驱动不稳定,不停的抖动,变压器滋滋叫。调节环路毫无用处,用示波器察看uc3845振荡脚的锯齿波形,发现锯齿波的频率有抖动。UC3845是固定频率的,看来有干扰了。解决办法:把控制电路的地 和 功率地严格分开,然后的单点连接。驱动信号稳定,频率固定,变压器不叫了。但是可恶的是,传导居然变差了。可能传说中的频率抖动,的确对传导有好处。分析:layout在电源设计中很重要,特别是地的布局,功率地和信号地分开,并且单点接地。就是避免高频功率电流流过信号地平面,不然会干扰控制电路。
项目八:UCC3895电流型控制移相控制全桥,加倍流整流
现象:变压器出现偏磁解决办法:把次级功率电路的一根PCB功率走线加粗。该PCB走线连接的是倍流整流电路的某一个电感。偏磁消失~~~~分析:倍流整流电路有个特有的问题,就是两个电感上的平均电流会不一致,如果采用电流型控制的话,控制信号会保证变压器初级的正负电流峰值相同,那么如果变压器次级的正负电流不一致的话,就会导致偏磁出现。而电感平均电流不一致,是因为两个电感的直流阻抗有差异。但实际上,同一批地电感,差别没那么大,反而连接这些电感的PCB走线差异比较大,导致两个电感的实际直流电阻(加上PCB走线的电阻)差异比较大。
项目九:431加光藕反馈反激
现象:输出电压调整率很差,电压随负载的增大明显下降。测量电压采样点和输出脚的电压差并不大。解决办法:在431的基准脚,和阴极之间并一个小电容。调整率立马变好。分析:431的基准脚处受到干扰。
项目十:IR1150 boost PFC
现象:开关频率为100K,但是输入居然有1Khz 纹波电流。X电容还吱吱叫。解决办法:调整EMI滤波器参数。分析:EMI滤波器自己谐振。
项目十一:反激同步整流
现象:同步整流管的电压尖峰非常高,怎么吸收都不行。解决办法:把同步管换成,具有快恢复体二极管的管子分析:由于同步管的体二极管的反向恢复时间太长,导致很大的反向恢复电流。从而引起剧烈电压尖峰。
项目十二:IR1150 PFC
现象:高温测试的时候,MOSFET的壳温才80度,就炸鸡了。先前几台,MOS的壳温到达110度,都安然无事。解决办法:弄出来查原因,是驱动电阻焊错了,本来10R,结果焊成100R.分析:驱动电阻太大导致MOS损耗很大,同样的结到壳热阻,大的功耗会导致大的温差。虽然壳温才80度,但实际结温已经超过了MOS的承受范围。
项目十三:L4981 PFC
现象:空载上电,驱*乱动**的不得了,震荡频率明显变化。输入电压越高越厉害。开始以为,地线没布好,PCB割了又割,都是不能解决。解决办法:仔细察了一下PCB ,发现有一根功率线立离控制电路比较近,该功率线连接的是MOSFET的D极。把该功率线隔断,让功率电流从远离控制电路的地方绕过去,没用。把靠近控制电路的PCB铜线弄成孤岛,使之成为死铜,干扰消失。分析:电场干扰,MOS的D极是dv/dt很大的地方,产生很大的共模干扰。所以控制电路要尽量远离这个点。
项目十四:返修电源
现象:电源输出,前期查看没问题,又用万用表测二极管的导通,结果一看,输出的几个整流二极管全断了解决办法:焊接好后,电源正常事故分析:在运输过程中和二极管整形安装过程中存在过失。
项目十五:电源不工作
现象:SA7527+358的,客户拿过来给我的,不能工作然后VCC一直处于打隔状态,当时基本上是该查的地方都查了,包括供电啊,替换IC啊,取消次级的所有稳压恒流电路包括光耦的次级端都撬出来了,电源就是没有输出,最后将光耦整个拿掉好了。最后得知是客户拿高压将电源光耦打坏了。
这些年都用到了很多的电源拓扑结构(BUCK,BOOST,FLYBACK,LLC),设计产品,做认证,到量产,设计中和调试时种种意想不到的情况时有发生,算算还是挺有意思的。 下面从10个方面来分享下经验,顺便自己也可以复习一下之前的知识点,有不对的地方还望大家批评指正。
一、BUCK

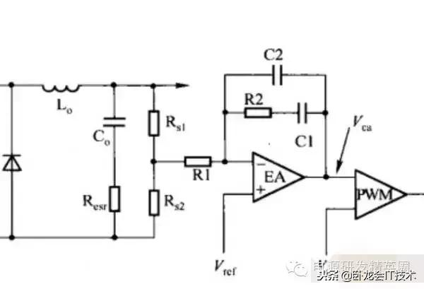
BUCK电路降压电路输出电压小于输入电压。 调试中碰到的问题,PWM占空比不稳定,大小波,负载切载时输出有抖动,起机过冲,满载起机抖动,批量生产有少量IC损坏。EMC的问题,辐射超标。 1、PWM占空比不稳定,大小波。可以通过调节环路参数来处理,如图上的C2,R2,C1,R1。设计可以参考《开关电源设计第三版》第12章图12.12。对于改这2个参数无效果的那就要反推设计中的电感和电容是否合适,直接点就是看电感的电流波形,采用电感的串并联观察PWM波形变化。另外,IC的占空比如果在极限附近,如占空比90%,工作时达到88%同样也会影响PWM的大小波,这个时候要考虑是否更换占空比更大的IC。 2、切载(满载切空载,空载切满载)时输出有抖动,如振荡2个周期以上,需要调节环路响应。3、起机过冲,更改软启动电容,IC没有软启动电容的情况可以在图纸中RS1上并联电容,或者参考参考书里面软启动方案。 4、满载起机抖动,需调节软启动和反馈电阻电容。也有启动时电感啸叫的,要过电感波形看看是否饱和,需要限制电感电流,更改峰值电流电阻或者改电感。 5、批量生产时,有少量的IC损坏,之前碰到过案例,将IC的BOOT电容端增加一个稳压管解决了。 6、辐射问题也跟整改一般的辐射问题一样,MOSFET驱动电阻增大,MOSFET的DS并联瓷片电容,D极串磁珠,二极管增加RC吸收,串磁珠,输入输出的滤波电感电容。在第三方实验室整改辐射时可以采用套磁扣的方法找出是输入影响还是输出影响,或者找弄个探头测试是哪个元器件出来的干扰,再整改,提高效率。 7、选型需要注意的部分,开关器件都有最大电压和电流的范围,要挂波形看管子的应力是否有余量,如果有-40℃的设计要降额,MOSFET的DS电压会下降,电容的容量下降,ESR增大,高温情况需看电感的参数,外购的电感温度范围一般在85℃,如果电感温度过高,环境温度过高会有匝间短路的风险。
二、boost
BOOST电路做的案子不多,碰到的问题比较少,有用模拟IC做的,也有用单片机做的,感觉这个环路比BUCK容易调整(之前的案子,功率小于60W)。 碰到过很小的体积做LED60W电源,温度不好整,最后用了铁硅铝的磁环搞定了。
三、FLYBACK
FLYBACK这个是小功率电源应用很广泛的拓扑了,大家分析也是特别多的。 我讲讲一款产品从设计到量产过程中的一个流程好了,以及其中碰到的问题和一些经验。


借鉴下NXP的这个TEA1832图纸做个说明。分析里面的电路参数设计与优化并做到认证至量产。 在所有的元器件中尽量选择公司仓库里面的元件,和量大的元件,方便后续降成本拿价格。 贴片电阻采用0603的5%,0805的5%,1%,贴片电容容值越大价格越高,设计时需考虑。 1、输入端,FUSE选择需要考虑到I2T参数。保险丝的分类,快断,慢断,电流,电压值,保险丝的认证是否齐全。保险丝前的安规距离2.5mm以上。设计时尽量放到3mm以上。需考虑打雷击时,保险丝I2T是否有余量,会不会打挂掉。 2、这个图中可以增加个压敏电阻,一般采用14D471,也有采用561的,直径越大抗浪涌电流越大,也有增强版的10S471,14S471等,一般 14D471打1KV,2KV雷击够用了,增加雷击电压就要换成MOV+GDT了。有必要时,压敏电阻外面包个热缩套管。 3、NTC,这个图中可以增加个NTC,有的客户有限制冷启动浪涌电流不超过60A,30A,NTC的另一个目的还可以在雷击时扛部分电压,减下MOSFET的压力。选型时注意NTC的电压,电流,温度等参数。 4、共模电感,传导与辐射很重要的一个滤波元件,共模电感有环形的高导材料5K,7K,0K,12K,15K,常用绕法有分槽绕,并绕,蝶形绕法等,还有UU型,分4个槽的ET型。这个如果能共用老机种的最好,成本考虑,传导辐射测试完成后才能定型。 5、X电容的选择,这个需要与共模电感配合测试传导与辐射才能定容值,一般情况为功率越大X电容越大。 6、如果做认证时有输入L,N的放电时间要求,需要在X电容下放2并2串的电阻给电容放电。 7、桥堆的选择一般需要考虑桥堆能过得浪涌电流,耐压和散热,防止雷击时挂掉。 8、VCC的启动电阻,注意启动电阻的功耗,主要是耐压值,1206的一般耐压200V,0805一般耐压150V,能多留余量比较好。 9、输入滤波电解电容,一般看成本的考虑,输出保持时间的10mS,按照电解电容容值的最小情况80%容值设计,不同厂家和不同的设计经验有点出入,有一点要注意普通的电解电容和扛雷击的电解电容,电解电容的纹波电流关系到电容寿命,这个看品牌和具体的系列了。 10、输入电解电容上有并联一个小瓷片电容,这个平时体现不出来用处,在做传导抗扰度时有效果。 11、RCD吸收部分,R的取值对应MOSFET上的尖峰电压值,如果采用贴片电阻需注意电压降额与功耗。C一般取102/103 1KV的高压瓷片,整改辐射时也有可能会改为薄膜电容效果好。D一般用FR107,FR207,整改辐射时也有改为1N4007的情况或者其他的慢管,或者在D上套磁珠(K5A,K5C等材质)。小功率电源,RC可以采用TVS管替代,如P6KE160等。 12、MOSFET的选择,起机和短路情况需要注意SOA。高温时的电流降额,低温时的电压降额。一般600V2-12A足够用与100W以内的反激,根据成本来权衡选型。整改辐射时很多方法没有效果的时候,换个MOSFET就过了的情况经常有。 13、MOSFET的驱动电阻一般采用10R+20R,阻值大小对应开关速度,效率,温升。这个参数需要整改辐射时调整。 14、MOSFET的GATE到SOURCE端需要增加一个10K-100K的电阻放电。 15、MOSFET的SOURCE到GND之间有个Isense电阻,功率尽量选大,尽量采用绕线无感电阻。功率小,或者有感电阻短路时有遇到过炸机现象。 16、Isense电阻到IC的Isense增加1个RC,取值1K,331,调试时可能有作用,如果采用这个TEA1832电路为参考,增加一个C并联到GND。 17、不同的IC外围引脚参考设计手册即可,根据自己的经验在IC引脚处放滤波电容。 18、更改前:变压器的设计,反激变压器设计论坛里面讨论很多,不多说。还是考虑成本,尽量不在变压器里面加屏蔽层,顶多在变压器外面加个十字屏蔽。变压器一定要验算delta B值,delta B=L*Ipk/(N*Ae),L(uH),Ipk(A),N为初级砸数(T),Ae(mm2)有兴趣验证这个公式可以在最低电压输入,输出负载不断增加,看到变压器饱和波形,饱和时计算结果应该是500mT左右。变压器的VCC辅助绕组尽量用2根以上的线并绕,之前很大批量时有碰到过有几个辅助绕组轻载电压不够或者重载时VCC过压的情况,2跟以上的VCC辅助绕线能尽量耦合更好解决电压差异大这个问题。 18、更改后:变压器的设计,反激变压器设计论坛里面讨论很多,不多说。还是考虑成本,尽量不在变压器里面加屏蔽层,顶多在变压器外面加个十字屏蔽。变压器一定要验算delta B值,防止高温时磁芯饱和。delta B=L*Ipk/(N*Ae),L(uH),Ipk(A),N为初级砸数(T),Ae(mm2)。(参考TDG公司的磁芯特性(100℃)饱和磁通密度 390mT,剩磁55mT,所以ΔB值一般取330mT以内,出现异常情况不饱和,一般取值小于300mT以内。我之前做反激变压器取值都是小于0.3的)附,学习zhangyiping的经验(所以一般的磁通密度选择1500高斯,变压器小的可以选大一些,变压器大的要选小一些,频彔高的减小频彔低的可以大一些吧。) 变压器的VCC辅助绕组尽量用2根以上的线并绕,之前很大批量时有碰到过有几个辅助绕组轻载电压不够或者重载时VCC过压的情况,2跟以上的VCC辅助绕线能尽量耦合更好解决电压差异大这个问题。 附注:有兴趣验证这个公式的话,可以在最低电压输入,输出负载不断增加,看到变压器饱和波形,饱和时计算结果应该是500mT左右(25℃时,饱和磁通密度510mT)。 借鉴TDG的磁芯基本特征图。 19、输出二极管效率要求高时,可以采用超低压降的肖特基二极管,成本要求高时可以用超快恢复二极管。 20、输出二极管并联的RC用于抑制电压尖峰,同时也对辐射有抑制。 21、光耦与431的配合,光耦的二极管两端可以增加一个1K-3K左右的电阻,Vout串联到光耦的电阻取值一般在100欧姆-1K之间。431上的C与RC用于调整环路稳定,动态响应等。 22、Vout的检测电阻需要有1mA左右的电流,电流太小输出误差大,电流太大,影响待机功耗。 23、输出电容选择,输出电容的纹波电流大约等于输出电流,在选择电容时纹波电流放大1.2倍以上考虑。 24、2个输出电容之间可以增加一个小电感,有助于抑制辐射干扰,有了小电感后,第一个输出电容的纹波电流就会比第二个输出电容的纹波电流大很多,所以很多电路里面第一个电容容量大,第二个电容容量较小。 25、输出Vout端可以增加一个共模电感与104电容并联,有助于传导与辐射,还能降低纹波峰峰值。 26、需要做恒流的情况可以采用专业芯片,AP4310或者TSM103等类似芯片做,用431+358都行,注意VCC的电压范围,环路调节也差不多。 27、有多路输出负载情况的话,电源的主反馈电路一定要有固定输出,或者假负载,否则会因为耦合,burst模式等问题导致其他路输出电压不稳定。 28、初级次级的大地之间有接个Y电容,一般容量小于或等于222,则漏电流小于 0.25mA,不同的产品认证对漏电流是有要求的,需注意。 算下来这么多,电子元器件基本能定型了,整个初略的BOM可以评审并参考报价了。 BOM中元器件可以多放几个品牌方便核成本。如客户有特殊要求,可以在电路里面增加功能电路实现。如不能实现,寻找新的IC来完成,相等功率和频率下,IC的更改对外围器件影响不大。如客户温度范围的要求比较高,对应元器件的选项需要参考元器件使用温度和降额使用。
四、原理图/pcb
1、PCB对应的SCH网络要对应,方便后续更新,花不了多少时间的。 2、PCB的元器件封装,标准库里面的按实际情况需要更改,贴片元件焊盘加大;插件元件的孔径比元件管脚大0.3mm,焊盘直径大于孔0.8mm以上,焊盘大些方便焊接,元器件过波峰焊也容易上锡,PCB厂家做出来也不容易破孔。还有很多细节的东西多了解些对生产是很大的功劳啊。 3、安规的要求在PCB上的体现,保险丝的安规输入到输出距离3mm以上,保险丝带型号需要印在PCB上。PCB的板材也有不同的安规要求,对应需要做的认证与供应商沟通能否满足要求。相应的认证编号需印到PCB上。初级到次级的距离8mm以上,Y电容注意选择Y1还是Y2的,跨距也要求8mm以上,变压器的初级与次级,用挡墙或者次级用三层绝缘线飞线等方法做爬电距离。 4、桥堆前L,N走线距离2.5mm以上,桥堆后高压+,-距离2.5mm以上。走线为大电流回路先走,面积越小越好。信号线远离大电流走线,避免干扰,IC信号检测部分的滤波电容靠近IC,信号地与功率地分开走,星形接地,或者单点接地,最后汇总到大电容的“-”引脚,避免调试时信号受干扰,或者抗扰度出状况。 5、IC方向,贴片元器件的方向,尽量放到整排整列,方便过波峰焊上锡,提高产线效率,避免阴影效应,连锡,虚焊等问题出现。 6、打AI的元器件需要根据相应的规则放置元器件,之前看过一个日本的PCB,焊盘做成水滴状,AI元件的引脚刚好在水滴状的焊盘上,很漂亮。 7、PCB上的走线对辐射影响比较大,可以参考相关书籍。还有1种情况,PCB当单面板布线,弄完后,在顶层敷整块铜皮接大电容地,抑制传导和辐射很有效果。 8、布线时,还需要考虑雷击,ESD时或其他干扰的电流路径,会不会影响IC。
五、调试
PCB与元器件回来就可以开始制样做功能调试了。 1、万用表先测试主电流回路上的二极管,MOSFET,有没有短路,有没有装反,变压器的感量与漏感是否都有测试,变压器同名端有没有绕错。 2、开始上电,我的习惯是先上100V的低压,PWM没有输出。用示波器看VCC,PWM脚,VCC上升到启动电压,PWM没有输出。检查各引脚的保护功能是否被触发,或者参数不对。找不到问题,查看IC的上电时序图,或者IC的datasheet里面IC启动的条件。示波器使用时需注意,3芯插头的地线要拔掉,不拔掉的话最好采用隔离探头挂波形,要不怎么炸机的都不知道。用2个以上的探头时,2根探头的COM端接同1个点,避免影响电路,或者夹错位置烧东西。 3、IC启动问题解决了,PWM有输出,发现启动时变压器啸叫。挂MOSFET的电流波形,或者看Isense脚底波形是否是三角波,有可能是饱和波形,有可能是方波。需重新核算ΔB,还有种情况,VCC绕组与主绕组绕错位置。也有输出短路的情况,还有RCD吸收部分的问题,甚至还碰到过TVS坏了短路的情况。 4、输出有了,但是输出电压不对,或者高了,或者低了。这个需要判断是初级到问题,还是次级的问题。挂输出二极管电压电流波形,是否是正常的反激波形,波形不对,估计就是同名端反了。检查光耦是否损坏,光耦正常,采用稳压管+1K电阻替换431的位置,即可判断输出反馈431部分,或者恒流,或者过载保护等保护的动作。常见问题,光耦脚位画错,导致反馈到不了前级。431封装弄错,一般431的封装有2种,脚位有镜像了的。同名端的问题会导致输出电压不对。 5、输出电压正常了,但是不是精确的12V或者24V,这个时候一般采用2个电阻并联的方式来调节到精确电压。采样电阻必须是1%或者0.5%。 6、输出能带载了,带满载变压器有响声,输出电压纹波大。挂PWM波形,是否有大小波或者开几十个周期,停几十个周期,这样的情况调节环路。431上的C与RC,现在的很多IC内部都已经集成了补偿,环路都比较好调整。环路调节没有效果,可以计算下电感感量太大或者太小,也可以重新核算Isense电阻,是否IC已经认为Isense电阻电压较小,IC工作在brust mode。可以更改Isense电阻阻值测试。 7、高低压都能带满载了,波形也正常了。测试电源效率,输入90V与264V时效率尽量做到一致(改占空比,匝比),方便后续安规测试温升。电源效率一般参考老机种效率,或者查能效等级里面的标准参考。 8、输出纹波测试,一般都有要求用47uF+104,或者10uF+104电容测试。这个电解电容的容值影响纹波电压,电容的高频低阻特性(不同品牌和系列)也会影响纹波电压。示波器测试纹波时探头上用弹簧测试探头测试可以避免干扰尖峰。输出纹波搞不定的情况下,可以改容量,改电容的系列,甚至考虑采用固态电容。 9、输出过流保护,客户要求精度高的,要在次级放电流保护电路,要求精度不高的,一般初级做过流保护,大部分IC都有集成过流或者过功率保护。过流保护一般放大1.1-1.5倍输出电流。最大输出电流时,元器件的应力都需要测试,并留有余量。电流保护如增加反馈环路可以做成恒流模式,无反馈环路一般为打嗝保护模式。做好过流保护还需要测试满载+电解电容的测试,客户端有时提出的要求并未给出是否是容性负载,能带多大的电容起机测试了后心里比较有底。 10、输出过压保护,稳定性要求高的客户会要求放2个光耦,1个正常工作的,一个是做过压保护的。无要求的,在VCC的辅助绕组处增加过压保护电路,或者IC里面已经有集成的过压保护,外围器件很少。 11、过温保护一般要看具体情况添加的,安规做高温测试时对温度都有要求,能满足安规要求温度都还可以,除非环境复杂或者异常情况,需要增加过温保护电路。 12、启动时间,一般要求为2S,或者3S内起机,都比较好做,待机功耗做到很低功率的方案,一般IC都考虑好了。没有什么问题。 13、上升时间和过冲,这个通过调节软启动和环路响应实现。 14、负载调整率和线性调整率都是通过调节环路响应来实现。 15、保持时间,更改输入大电容容量即可。 16、输出短路保护,现在IC的短路保护越做越好,一般短路时,IC的VCC辅助绕组电压低,IC靠启动电阻供电,IC启动后,Isense脚检测过流会做短路保护,停止PWM输出。一般在264V输入时短路功率最大,短路功率控制住2W以内比较安全。短路时需要测试MOSFET的电流与电压,并通过查看 MOSFET的SOA图(安全工作区)对应短路是否超出设计范围。
六、各种异常情况
其他异常情况和注意: 1、空载起机后,输出电压跳。有可能是轻载时VCC的辅助绕组感应电压低导致,增加VCC绕组匝数,还有可能是输出反馈环路不稳定,需要更新环路参数。 2、带载起机或者空载切重载时电压起不来。重载时,VCC辅助绕组电压高,需查看是否过压,或者是过流保护动作。 还有变压器设计时按照正常输出带载设计,导致重载或者过流保护前变压器饱和。 3、元器件的应力都应测试,满载、过载、异常测试时元器件应力都应有余量,余量大小看公司规定和成本考虑。 性能测试与调试基本完成。调试时把自己想成是设计这颗IC的人,就能好好理解IC的工作情况并快速解决问题。 这些全都按记忆写的,有点乱,有些没有记录到,后续想到了再补上。
七、安规
基本性能测试后就要做安规EMC方面的准备了。 1、温升测试,45℃烤箱环境,输入90,264时变压器磁芯,线包不超过110℃,PCB在130℃以内。其他的元器件具体值参考下安规要求,温度最难整的一般都是变压器。 2、绝缘耐压测试DC500V,阻值大于100MΩ,初次级打AC3000V时间60S,小于10mA,产线量产可以打AC3600V,6S。建议采用直流电压DC4242打耐压。耐压电流设置10mA,测试过程中测试仪器报警,要检查初次级距离,初级到外壳,次级到外壳距离,能把测试室拉上窗帘更好,能快速找到放电的位置的电火花。 3、对地阻抗,一般要小于0.1Ω,测试条件电流40A。 4、ESD一般要求接触4K,空气8K,有个电阻电容模型问题。一般会把等级提高了打,打到最高的接触8K,空气15K。打ESD时,共模电感底下有放电针的话,放电针会放电。电源的ESD还会在散热器与不同元器件之间打火,一般是距离问题和PCB的layout问题。打ESD打到15K把电源打坏就知道自己做的电源能抗多大的电压,做安规认证时,心里有底。如果客户有要求更高的电压也知道怎么处理。参考EN61000-4-2。 5、EFT这个没有出现过问题2KV。参考EN61000-4-4。 6、雷击,差模1K,共模2K,采用压敏14D471,有输入大电解,走线没有大问题基本PASS。碰到过雷击不过的情况,小功率5W,10W的打挂了,采用能抗雷击的电解电容。单极PFC做反激打挂了MOSFET,在输入桥堆后加入二极管与电解电容串联,电容吸收能量。LED电源打2K与4K的情况,4KV就要采用压敏电阻+GDT的形式。参考EN61000-4-5。 EFT,ESD,SURGE有A,B,C等级。一般要A等级:干扰对电源无影响。 7、低温起机。一般便宜的电源,温度范围是0-45℃,贵的,工业类,或者LED什么的有要求-40℃-60℃,甚至到85℃。-40℃的时候输入NTC增大了N倍,输入电解电容明显不够用了,ESR很大,还有PFC如果用500V的 MOSFET也是有点危险的(低温时MOSFET的耐压值变低)。之前碰到过90V输入的时候输出电压跳,或者是LED闪几次才正常起来。增加输入电容容量,改小NTC,增加VCC电容,软启动时间加长,初级限流(输入容量不够,导致电压很低,电流很大,触发保护)从1.2倍放大到1.5倍,IC的VCC绕组增加2T辅助电压抬高;查找保护线路是否太极限,低温被触发(如PFC过压易被触发)。
八、EMC
基本性能和安规基本问题解决掉,剩下个传导和辐射问题。这个时候可以跟客户谈后续价格,自己优化下线路。 跟安规工程师确认安规问题,跟产线的工程师确认后续PCB上元器件是否需要做位置的更改,产线是否方便操作等问题。或者有打AI,过回流焊波峰焊的问题,及时对元器件调整。 传导和辐射测试大家看得比较多,论坛里面也讲的多,实际上这个是个砸钱的事情。砸钱砸多了,自然就会了,整改也就快了。能改的地方就那么几个。1、这个里面看不见的,特别重要的就算是PCB了,有厉害的可以找到PCB上的线,割断,换个走线方式就可以搞掉3个dB,余量就有了。 2、一般看到笔记本电源适配器,接电脑的部分就有个很丑的砣,这个就是个EMI滤波器,从适配器出线的部分到笔记本电脑这么长的距离,可以看成是1条天线,增加一个滤波器,就可以滤除损耗。所以一般开关电源的输出端有一个滤波电感,效果也是一样的。 3、输入滤波电感,功率小的,UU型很好用,功率大的基本用环型和ET型。公司有传导实验室或者传导仪器的倒是可以有想法了就去折腾下。要是要去第三方实验室的就比较痛苦了,光整改材料都要带一堆。滤波电感用高导的10K材料比较好,对传导辐射抑制效果都不错,如果传导差的话,可以改12K,15K的,辐射差的话可以改5K,7K的材质。 4、输入X电容,能用小就用小,主要是占地方。这个要配合滤波电感调整的。 5、Y电容,初次级没有装Y电容,或者Y电容很小的话一般从150K-30M都是飘的,或者飞出限值了的,装个471-222就差不多了。Y电容的接法直接影响传导与辐射的测试数据,一般为初级地接次级的地,也有初级高压,接次级地,或者放2个Y电容初级高压和初级地都接次级的地,没有调好之前谁也说不准的。Y电容上串磁珠,对10MHz以上有效果,但也不全是。每个人调试传导辐射的方法和方式都有差异机种也不同,问题也不同,所以也许我的方法只适合我自己用。无Y方案大部分是靠改变变压器来做的,而且功率不好做大。 6、MOSFET吸收,DS直接顶多能接个221,要不温度就太高了,一般47pF,100pF。RCD吸收,可以在C上串个10-47Ω电阻吸收尖峰。还可以在D上串10-100Ω的电阻,MOSFET的驱动电阻也可以改为100Ω以内。 7、输出二极管的吸收,一般采用RC吸收足够了。 8、变压器,变压器有铜箔屏蔽和线屏蔽,铜箔屏蔽对传导效果好,线屏蔽对辐射效果好。至于初包次,次包初,还有些其他的绕法都是为了好过传导辐射。 9、对于PFC做反激电源的,输入部分还需要增加差模电感。一般用棒形电感,或者铁粉芯的黄白环做。 10、整改传导的时候在10-30MHz部分尽量压低到有15-20dB余量,那样辐射比较好整改。 开关频率一般在65KHz,看传导的时候可以看到65K的倍频位置,一般都有很高的值。 总之:传导的现象可以看成是功率器件的开关引起的振荡在输入线上被放大了显示出来,避免振荡信号出去就要避免高频振荡,或者把高频振荡吸收掉,损耗掉,以至于显示出来的时候不超标。

上个传导的图,仅供参考,之前传导整改大致分了几个区去调整的,有些细节不用太纠结。 每个人的整改经验都还有所不同的,想法也有差异。


上个辐射的垂直于水平测试图,仅供参考,之前的辐射整改大致分了几个区去调整的,有些细节不用太纠结。 每个人的整改经验都还有所不同的,想法也有差异。 电源的干扰一般在200MHz以后基本没有了,垂直比较难整改,水平方向一般问题不大,有DC/DC的情况水平方向干扰会大些。


辐射整改 1、PCB的走线按照布线规则来做即可。当PCB有空间的时候可以放2个Y电容的位置:初级大电容的+到次级地;初级大电容-到次级地,整改辐射的时候可以调整。 2、对于2芯输入的,Y电容除了上述接法还可以在L,N输入端,保险丝之后接成Y型,再接次级的地,3芯输入时,Y电容可以从输入输出地接到输入大地来测试。 3、磁珠在辐射中间很重要,以前用过的材料是K5A,K5C,磁珠的阻抗曲线与磁芯大小和尺寸有关。如图所示,不同的磁珠对不同的频率阻抗曲线不同。但是都是把高频杂波损耗掉,成了热量(30MHz-500MHz)。一般MOSFET,输出二极管,RCD吸收的D,桥堆,Y电容都可以套磁珠来做测试。 4、输入共模电感:如果是2级滤波,第一级的滤波电感可以考虑用0.5-5mH左右的感量,蝶形绕法,5K-10K材质绕制,第一级对辐射压制效果好。如果是3芯输入,可以在输入端进线处用三层绝缘线在K5A等同材质绕3-10圈,效果巨好。 5、输出共模电感,一般采用高导磁芯5K-10K的材料,特殊情况辐射搞不定也可以改为K5A等同材质。 6、MOSFET,漏极上串入磁珠,输入电阻加大,DS直接并联22-220pF高压瓷片电容可以改善辐射能量,也可以换不同电流值的MOS,或者不同品牌的MOSFET测试。 7、输出二极管,二极管上套磁珠可以改善辐射能量。二极管上的RC吸收也对辐射有影响。也可以换不同电流值来测试,或者更换品牌。8、RCD吸收,C更改容量,R改阻值,D可以用FR107,FR207改为慢管,但是需要注意慢管的温度。RCD里面的C可以串小阻值电阻。 9、VCC的绕组上也有二极管,这个二极管也对辐射影响大,一般采取套磁珠,或者将二极管改为1N4007或者其他的慢管。 10、最关键的变压器。能少加屏蔽就少加屏蔽,没办法的情况也只能改变压器了。变压器里面的铜箔屏蔽对辐射影响大,线屏蔽是最有效果的。一般改不动的时候才去改变压器。 11、辐射整改时的效率。套满磁珠的电源先做测试,PASS的情况,再逐个剪掉磁珠。 fail的情况,在输入输出端来套磁环,判断辐射信号是从输入还是输出发射出来的。 套了磁环还是fail的话,证明辐射能量是从板子上出来的。这个时候要找实验室的兄弟搞个探头来测试,看看是哪个元器件辐射的能量最大,哪个原件在超出限值的频率点能量最高,再对对应的元件整改。 辐射的现象可以看成是功率器件在高速开关情况下,寄生参数引起的振荡在不同的天线上发射出去,被天线接收放大了显示出来,避免振荡信号出去就要避免高频振荡,改变振荡频率或者把高频振荡吸收掉,损耗掉,以至于显示出来值的时候不超标。 磁珠的运用有个需要注意的地方,套住MOSFET的时候,MOSFET最好是要打K脚,套入磁珠后点胶固定,如果磁珠松动,可能导电引起MOSFET短路。有空间的情况下尽量采用带线磁珠。
九、生产工艺
传导辐射整改完成后,PCB可以定型了,最好按照生产的工艺要求来做改善,更新一版PCB,避免生产时碰到问题。 1、验证电源的时刻到了,客户要求,规格书。电源样品拿给测试验证组做测试验证了。之前问题都解决了的话,验证组是没问题的,到时间拿报告就可以了。 2、准备小批量试产,走流程,准备物料,整理BOM与提供样机给生产部同事。 3、准备做认证的材料(保险丝,MOSFET等元器件)与样机以及做认证的关键元器件清单等文档性材料。关键元器件清单里面的元件一般写3个以上的供应商。认证号一定要对准,错了的话,后续审厂会有不必要的麻烦。剩下的都是一些基本的沟通问题了。 做认证时碰到过做认证的时候温升超标了的,只能加导热胶导出去。或者提高效率,把传导与辐射的余量放小。这种问题一般是自己做测试时余量留得太少,很难碰到的。 4、一般认证2个月左右能拿到的。2个月的时间足够把试产做好了。 5、试产问题:基本上都是要改大焊盘,插件的孔大小更改,丝印位置的更改等。 6、试产的测试按IPS和产线测试的规章制度完成。 碰到过裸板耐压打不过的,原因竟然是把裸板放在绿色的静电皮上操作;也有是麦拉片折痕处贴的胶带磨损了。 7、输入有大电容的电源,需要要求测试的工序里面增加一条,测试完毕给大电容放电的一个操作流程。 8、试产完成后开个试产总结会,试产PASS,PCB可以开模了。量产基本上是不会找到研发工程师了,顶多就是替代料的事宜。 9、做完一个产品,给自己写点总结什么的,其中的经验教训,或者是有点失败的地方,或者是不同IC的特点。项目做多了,自然就会了。 整个开发过程中都是一个团队的协作,所以很厉害的工程师,沟通能力也是很强的,研发一个产品要跟很多部门打交道,技术类的书要看,技术问题也要探讨,同时沟通与礼仪方面的知识也要学习,有这些前提条件,开发起来也就容易多了。
十、总结
一个项目做完,接着做下一个,一个接着一个,一不小心就做了好几年了。 就会开始迷茫了,开始会胡思乱想,什么时候是个头啊,什么的,想去探索着做自己没有做过的,以及新技术的应用等。同时也会发现刚入门2年3年的弟兄处理问题也不比自己差,又发现做的类似的项目越来越容易了,凭经验值可以得出什么样的电源用什么芯片方案,磁性器件,开关元器件等,成本什么的都可以了解到了,不同品牌的元器件的差异性,怎么去降成本,增加利润什么的。或者有开始转行,做业务,做管理,开始自己创业的想法等。 迷茫过后,在我当时看来,这些技术的问题才刚刚开始,就像美剧一样,第一季往往只是个序幕。 电容:有几个特性是需要注意的,做0-40℃的产品可能都还很顺利,但是做到-40℃—60℃的产品时就出问题了,起机不正常,跳了几次后才起来,LED 电源最明显,输出带载抖动,PFC的MOSFET低温炸了,或者反激的MOSFET炸了。这个就是电容低温时的特性导致的。电解电容在低温时ESR很大,容量很小,可以看成1个NTC与一个小电容串联,起机的前几个周期,电容峰值电压高,储能不够,无法满载起机,这种情况要加大电容容量,或者换更好的系列的电容。如输出抖动之类的情况基本就是反馈环路上的电容容值太临界,低温时容量的差异导致环路不稳定,热机后问题就没有重复出现了。对于电容的材质、温度特性、以及datasheet里面图表和参数多少都必须要有了解,并且能用理论与自身经验来证明设计是对的。与电容在电路里面不同的作用必须弄清楚,才能选对电容。电容的寿命也是需要关注的,瓷片电容,陶瓷电容虽然比电解电容寿命长,但是都是有寿命的,相关的问题都可以查找资料来参考。 一般电容的datasheet找自己的供应商去要就好了,有看不懂的地方一般能查找资料查出来的。有时候供应商会来公司培训什么的,可以找供应商问清楚一些曲线是如何测试,为什么测试电容的时候不同的容值范围需要用不同的频率和电压测试,等问题。不同厂商给出的电容规格书参数是有区别的,做替换的时候一定要看清楚,要不产线出了状况就来不及了。 二极管 这个里面分类很多,必须搞清楚二极管的工作原理。模拟电路的书里面讲的比较抽象,还是需要看看半导体工艺,半导体制造,等其他的书来做个了解,二极管的 datasheet里面有很多参数与曲线,看不懂的情况直接网上搜索相关内容,学校里面学的对于工程应用来讲还是太过于简单。学校只教了这个东西怎么工作,但是怎么选型,选肖特基,超快恢复,还是普通整流的还是其他类型都没有讲。选型也需要做大量的前期工作,最简单的还是经验值。在加班自学阶段,自己做实验来验证二极管参数,二极管datasheet里面的很多参数可以自己用些方法测试出来,网上一般能找到。做二极管的实验测试正向电压电流功率,找到二极管的热阻,再来推算散热片的尺寸对温度影响等,接下来散热设计就可以开始从这里入门了。 三极管,MOSFET,IGBT 二极管弄明白了后,再来看三极管,MOSFET,IGBT就比较容易理解了。那么多的概念性的东西,还有一大堆的计算,公式等等,都复杂得很。从简单的来讲,开关电源就是让这些开关器件工作在饱和区,按照这些元器件的设计要求来做,其他的情况碰到了再去学习就可以了。这些元器件,用多了,慢慢的公式也就容易理解了,之后再看看不同的厂家的元器件的培训资料,选型方案等等。

电感,变压器这些设计根据经验总结出来,一般ΔB值,占空比,温升基本计算就可以了。至于采用什么磁芯,可以找供应商来推荐的,也可以自己用公式计算出来,一般书上的公式需要自己验证一下,对于有出入的地方做相应的调整。比如书上的变压器计算一般不包括屏蔽,线损什么的,自己做计算的时候需要把这些考虑进去。变压器的绕线可以参考图片。(书籍《精通开关电源设计》第266页) 采用棒形电感,工字型电感的设计功率建议小于20W,功率大的采用环形电感设计。 当实际应用与元器件的特性基本掌握的时候,可以开始下一个阶段的学习了。 学习不同公司的应用文档,电源的书里面的计算公式,以及自己设计时抓到的波形来分析,来对应这些公式做计算,做优化,做出一套适合自己思维模式的计算书。 比如桥堆的计算书对应不同的输出特性要求,以及之前做项目的经验,可以得出桥堆的峰值电流能到多少A能过1kV雷击或者2kV雷击。多大的封装在密封环境或者open的环境的温升数值,散热片尺寸。 计算书采用MATHCAD的就能满足一般要求,每次做个设计都可以更新里面的参数与系数值为后续的设计提供方便。有了计算书,之前的经验就相当于一个总结了,这个时候对应自己的计算书再来看电源设计书里面的公式,基本上就能看懂了。自己也会比较容易的开始推导这些公式了。