故障现象
10款凯越,客户反映,该车车门无法上锁,即遥控钥匙和手动开关都不能锁止车门。
故障诊断
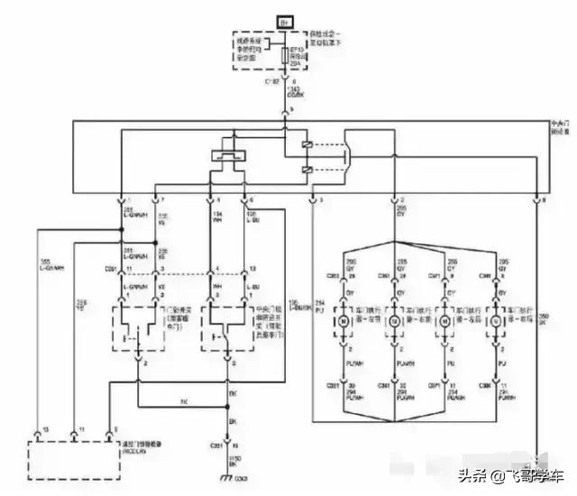
首先检查中央控制门锁保险(20A),保险良好,无熔断现象。由于电动门锁执行器是由4 个双向直流电机采用并联的方式,并由两个常接通开关通过中控控制单元搭铁(如图1 所示),由于4 个门锁同时损坏的可能性很小,所以暂时排除门锁故障。

图1 中央门锁装置相关电路
拔下中控门锁控制单元插头,打开点火开关,用万用表测量其供电端5 号与搭铁间电压为12.08V,搭铁端8 号与5 号电压为12.08V( 如图2、图3 所示),表明给控制单元的供电和搭铁良好。


图2 实际测量位置

图3 中控门锁相关电路
观察电路图(如图3 所示)发现,左前门中控门锁开关的1 号和3 号针脚均是由中控控制单元供电,并且是12V 的常供电端。于是拔下左前门中控锁开关,用万用表通断挡测量1 号到中控6 号、3 号到中控4 号,结果表明其线路良好,并无短路和断路现象。
但用电压挡测量1 号到中控6 号、3 号到中控4 号线间,电压均为0V。
综合上述检查,中控控制单元供电和搭铁正常,但其控制的两根中控开关常火线都没有电压输出。最终确定中控控制单元内部电路损坏。中控模块位于右侧A 柱最下方,如图4 所示。

图4 中控控制单元位置
拔下中控控制单元后,用鼻子闻,有明显的煳味。拆开控制单元后发现,其集成电路板后面有明显的熔断迹象,如图5 所示。

图5 集成电路板
故障排除
由于配件部没有新的中控控制单元,于是简单地用电烙铁对熔断部分重新焊接了一下,装到车辆上后,故障排除,无论是遥控,还是手动开关,均能上锁和解锁。