任务描述
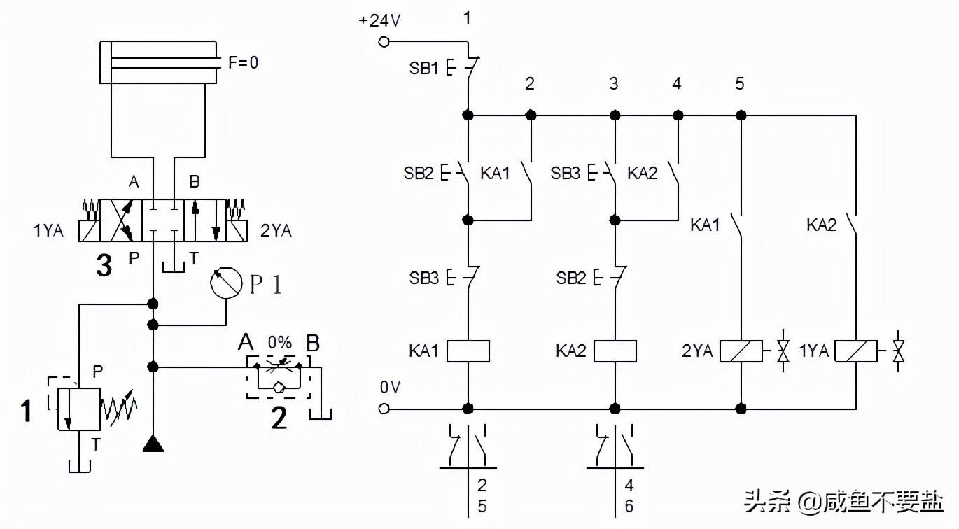
在液压实训系统中采用单向节流阀搭建旁油路的节流调速回路,液压回路和电气控制线路如下图2-1-9所示。

图2-1-9 节流阀旁路节流调速回路的液压回路和电气控制线路图
搭建上图液压回路,连接上图所示的电气控制线路;油泵能正常启动与停止、加载卸荷;能实现单向节流阀的旁油路节流调速动作:调阀1,使P1=4MPa,单向节流阀2全关,2YA得电,活塞杆右行,速度较快(快进);1YA得电,油缸退回(快退);打开单向节流阀2,2YA得电,活塞杆右行,随着单向节流阀的开度越大,速度变慢(工进);电磁铁动作及节流阀状况见下表。
电磁铁动作及节流阀状况表
|
工况 |
1YA |
2YA |
节流阀 |
|
快进 |
- |
+ |
全关 |
|
工进 |
- |
+ |
开大 |
|
快退 |
+ |
- |
全关 |
|
原位停止 |
- |
- |
/ |
仿真视频
节流阀旁路节流调速回路的液压回路和电气控制线路图仿真视频
(点击上方蓝色字体即可观看仿真视频)
#电工交流圈##电工##自动化#