虽然现在的房子变化了很多,但仍有很多卫生间的布局非常不合理。这涉及到整个卫生间的调整。其中最大的一个问题就是排水,而最最麻烦的就是马桶的问题。因为马桶排水是一根很粗的管子,所以一谈到马桶移位都觉得无从下手,很多时候只能对不合理的卫生间布局作出妥协,其实马桶移位没这么难。
今天就一次性把所有的方法都给到大家!
马桶移位,最主要解决的一个问题就是:排污的横管放在哪儿?其实无非三个位置来解决:1.埋地面;2.埋墙面;3.埋顶面。
首先来说说埋地面的几种方法。
一.移位器
这个方法适合100-350mm尺寸以内的短距离移位,不要超过400mm,越长堵得机率也就越大。
实施步骤:
1、首先得购买成品移位器。现在市面这类移位器横管多是椭圆的扁管,管高度只有约60mm。

2、其次在做防水前,凿除地面楼板20-40mm。
3、预埋移位器,一端连接原有马桶管,另一端放到想要移的位置。

4、浇地平,做防水,高度约20mm。
5、正常铺贴瓷砖,高度约30mm。
6、安装马桶。
(↓这是一张安装示意图)

优点:改动量小,成本低。
缺点:移位距离较短,距离超过300mm时需要设置坡度,否则会增加堵塞风险。(做选择都要付出相应的代价)
二.同层排水——楼板降板
这个方法适合卫生间建筑结构已经有降板的房子(卫生间楼板下凹)。如果卫生间的楼板已经降板,也就是地面下凹(一般250-350mm不等),可以任意布置马桶以及其他下水口位置(如下图↓)

(这是一张安装示意图↓)

注意点:回填材料建议采用轻质砖或砌块。
优点:最方便的移位,位置不限。
缺点:需卫生间本身已经降板,不具有普遍通用性。
三.同层排水——楼板抬高
适合家中没有腿脚不方便的人群
实施步骤:
1、布置马桶排污横管(约110mm直径)
2、用轻质砌块砌筑底台180-200mm,把排污管预埋。
3、正常做地坪防水贴地砖

(下图是一张安装示意图↓)

注意点:抬高高度以一个踏步的高度(180-200mm)为宜,砌筑材料建议采用轻质砖或砌块。
优点:移动距离长,位置不限,布局自由。
缺点:家里有老人会不方便,工程量较大。
四、埋墙面的方法
隐藏式水箱适合较大距离的移位
实施步骤:
1、购买成品隐藏式水箱及配件。

2、安装立管三通

3、连接横排污管至需移位处

4、安装固定水箱
5、连接水箱和排污管。

6、砌筑矮墙封闭水箱和管路,厚度180-220mm,高度根据水箱型号不同900-1200mm。

7、最后安装马桶,挂墙式和落地式都可以

优点:移动距离很大,完成后美观、易清洁。
缺点:1、无法移至排污立管的对角墙面(如下图)。2、排污立管外侧有其他立管的也不行。

当然,小卫生间布局方式,也是完全可以采用这方式移位到达布局需求。(小卫生间墙排安装示意图)

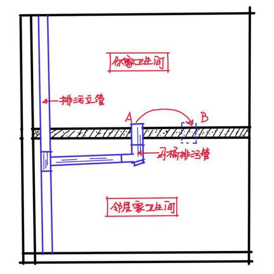
五、楼下顶面改管方法
对于隔层排水还有一种方案就是到邻居家改排水----这个方法适合邻里关系和睦的人群
先看下图,隔层排水的示意图,你就知道为什么要和睦了
(你和邻居家水管示意图)

实施步骤:
1、最好新房,你楼下邻居家还没装修
2、和邻居处好关系。
3、和邻居处好关系。
4、和邻居处好关系。
……………………………
N、去邻居家改排污管,搞定。
优点:移位距离不受限制,布局自由
缺点:考验邻里关系和你的社交公关能力!
还有另一种情况,你家是别墅,那就随意改吧!

六.安装污水提升泵
适合想随意加个卫生间的人群
先看个图,污水提升泵就这样儿,尺寸其实挺小的,比小厨宝略大一点点。

实施步骤:
1、购买污水提升泵
2、购买后排式马桶


提升泵安装在马桶后面。建议明装,如果断电的话泵上面的按钮可以手动。还有就是检修方便。


实在要隐藏泵的,也建议预留检修门,如下图。

3、管路经过处需要做吊顶(如下图),否则影响美观。
4、由厂家专业人员上门安装污水提升泵,再连接马桶即可。

优点:不要说移马桶了,就算你想随意加个卫生间都没问题。
缺点:能接受污水从吊顶上过的方式;停电的话会影响使用;造价增加一台污水提升泵约3K-5K,辅材和人工1K-2K不等。
以上就是目前能解决的所有马桶移位的方法了。是不是感觉没那么难了。做干湿分离甚至三分离又变为可能了。在好用舒服的布局前,我们不能妥协!
-END-
更多设计理念欢迎沟通交流,20年家居设计经验,累计服务客户超过600位,专注源于热爱!
图文来自网络