文丨侃娱的阿蔓
编辑丨侃娱的阿蔓
前言
天鹅绒阴极是最佳的电子发射器,因为它具有较低的等离子体膨胀速度和最小的射击变化。
不同阴极材料在特定条件下产生相对论性电子束的特性, 石墨、不锈钢和红色聚合物丝绒作为阴极材料 ,并测试了在160-180纳秒的单脉冲持续时间下,峰值电流在10至220千伏和0.5至2.2安培之间的发射特性。
相对论电子束已经在许多高功率微波器件、自由电子激光器和闪光X射线中得到应用。REB的产生通常采用爆炸电子发射工艺,其中一个极高的电场(高于107V/m)跨越阳极-阴极间隙。在阴极表面存在微小的突起尖端,这些突起导致负表面电荷密度增加(约为×104),从而产生局部场增强。

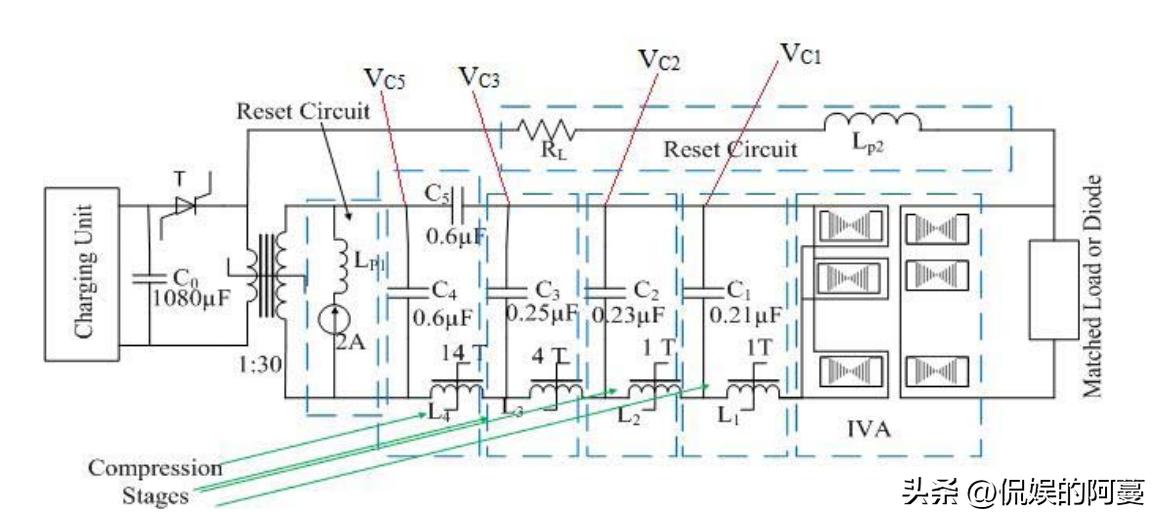
图1 LIA-400系统及其各类部件的电路图。VC1、VC2、VC3和VC5给出了测量电压的位置
这样的场增强导致电子的场发射,形成极高的电子电流密度。然而,这也可能导致在阴极表面解吸的气体释放,从而导致气体的电离。
阴极等离子体膨胀速度的观察是通过研究等离子体动力学光学和监测时变的二极管电压波形以及电流波形来实现的。阴极材料是决定等离子体膨胀速度的一个重要参数。阴极等离子体主要由表面污染物组成,其中氢是最主要的成分,它具有较高的膨胀速度。
在确定最终的等离子体膨胀速度时,表面污染物和阳极材料之间可能存在竞争关系。在电子发射过程中,产生的电子可能会撞击阳极,形成阳极等离子体。阳极等离子体主要由阳极材料的蒸发和高能电子撞击阳极表面释放的表面污染物组成。

图2 LIA-400系统各阶段的电压波形。VC5:变压器二次电压处的电压输出
如果有效的二次离子系数大于(me/mi)的平方根,其中me和mi分别是电子和离子的质量,就会发生双极流现象。这种双极流使得电流达到最大化。流动的离子对电子的电荷中和效应导致电流增加了1.86倍。
大部分的阴极区域可能没有参与其中。通过使用透射率数据,我们计算了阴极的初始发射面积和等离子体膨胀速度。在施加电压脉冲持续时间较长的情况下,阴极的初始发射面积与电子束电流的均匀性相关,而 等离子体膨胀速度则与电子束电流的持续时间相关 。
实验装置
1重复脉冲功率系统LIA-400是由俄罗斯物理托木斯克研究所(IPT)和孟买巴巴原子研究中心(BARC)合作开发的,用于电子束脉冲的基础和应用研究。它采用了磁脉冲压缩(MPC)技术和感应电压加法器(IVA),类似于BARC在过去开发的LIA-200脉冲电源。

图3 100虚拟负载下的电压(黑色)和电流(蓝色)波形
LIA-400系统由多个组件组成,其中包括:直径为700毫米的不锈钢腔室,安装在软钢小车上。70千瓦电容器充电电源,采用一级谐振充电,使用绝缘栅双极晶体管和SCRs进行1-300赫兹的脉冲变压器一次绕组的触发。
非晶高马合金(NP50)磁芯环形饱和脉冲互感器(1:30)。三个阶段的MPC,分别用于60-10微秒、10-3微秒和3-1微秒的脉冲压缩。14级的IVA组件,用于将脉冲压缩至从1微秒到250纳秒。重新安装节流阀和电子枪组件的真空室。
系统使用焊接小车结构构成框架,容纳了所有的电容充电电源组件。上部是带有油封的LIA-400腔室,包括脉冲变压器、磁性开关、储能电容器、电阻探头和带有感应电压加法器组件的条形线。

图4 在LIA-400中使用的REB二极管示意图
容纳LIA-400脉冲发生器的部分被变压器油填充,直到带有观察端口的缓冲室水平。一个可拆卸的脱油泵组件集成在侧壁,用于从系统中泵出油。脉冲变压器的输入通过低电感的铜带与电源连接。还提供了四个用于监测MPC电压的婴儿N连接器。系统还包括复位电源和一次储能电容器组件, 用于与脉冲变压器的一次储能阶段同步。
整个系统已经集成,并通过虚拟负载进行了描述,MPC级和负荷端的输出如图所示。德林波纹管用于隔离油室和二极管真空室。复位线圈将脉冲器的高压端与接地电位连接。该复位线圈位于德林机上。
2电子束二极管的结构如图4所示。它由一个直径为25毫米的平面阴极组成,其中正极材料分别为石墨、不锈钢(SS)和红色聚合物丝绒。阳极由一个SS法兰组成,距离阴极表面18毫米处安装,并处于接地电位。

图5 (a)电压(黑色),实验(洋红色)和计算(蓝色)电流波形
电子束二极管的电压和电流波形分别通过硫酸铜水电阻分压器和自积分罗氏线圈进行测量。由于dI/dt非常小,传输线电感引起的感应校正可以忽略不计,这个传输线连接了分频器和阴极端。电阻分频器和罗氏线圈之间存在电缆的时间延迟,电阻分频器和罗氏线圈的响应时间分别为2纳秒和15纳秒。
为了保持二极管腔室中的真空水平(≤5×10^-5mbar),使用了由旋转泵支持的扩散泵。 这样的真空水平可以通过在二极管腔室中使用扩散泵来获得。
增值回复生成和分析,在距离18毫米的阳极和阴极(AK间隙)之间,进行了石墨、不锈钢(SS)和红色聚合物天鹅绒阴极的发射特性实验。

图5(b)二极管实验(品红色)和计算(黑色)渗透率的时间行为,并计算(蓝色)和实验(红色)二极管阻抗。
具体实验内容和结果可能因为缺少详细信息而难以确定,但在这个AK间隙下,可以对这些不同材料的发射特性进行比较和研究。这可能包括测量不同材料在该间隙下的电子发射效率、电流密度等参数。
石墨、SS和红色聚合物天鹅绒阴极的发射特性的具体结果需要通过实验数据来获得,确切的方法是在给定的AK间隙下测量每种材料的发射特性。实验结果可能包括发射效率曲线、发射度、阴极温度以及与间隙电压和电流相关的特性。
石墨阴极,图5(a)显示了二极管的电压和电流波形。在观察到二极管导通之前,观察到了300 kV的电压峰值。 这个峰值的形成是因为阴极上的等离子体形成的时间,大约几纳秒,在此期间,脉冲形成线在输出中看到一个开路状态。

图5(c)阴极的镜头间变异性分析。
电子从阴极表面提取形成等离子体,将二极管从开路状态转变为导通状态。 这导致了二极管电压的降低。 采用电流在间隙内开始流动的时间为t = 0进行渗透率计算。在t = 170 ns时,电压脉冲降至零,电子束停止通过间隙,因此电子束持续时间为170 ns。
峰值电流密度为390 A/cm2。根据假设的间隙闭合速度为4.0 cm/μs计算的电流也如图5(a)所示。电压脉冲和电流脉冲之间的30 ns的延迟可能是由于石墨阴极间隙的击穿电压较高。
对石墨阴极的分析如图5(c)所示。可以看到,在50 ns处,二极管渗透率的变化范围在19到33 μA/V^1.5之间,峰值计数在27 μA/V^1.5之间。同样,50 ns的二极管阻抗在79到115之间变化,最大计数为93。石墨阴极的击穿电压在300 kV到345 kV之间变化,图中显示为最大值。

图6在18 mm加速间隙下的(a)电压(黑色)、实验(蓝色)和计算的(洋红色)电流波形。
可以得出在18 mm的AK间隙中,石墨阴极的发射阈值电场为179 kV/cm,峰值二极管电流在1.8 kA到2.1 kA之间变化,最大计数为1.8 kA。
图6(a)显示了一个经过高度抛光的不锈钢(SS)阴极在18毫米的AK间隙下的动态电压-电流波形。该间隙的击穿电压为350 kV。施加电压与二极管电流之间的延迟为40 ns,比石墨阴极高。
二极管电流持续时间为160 ns,峰值电流密度约为330 A/cm2。根据图6(b)中的渗透率分析,得到的等离子体膨胀速度为5.2 cm/μs。 阻抗也显示在同一图中 。

图6(b)二极管实验(黑色)和计算(蓝色)渗透率,以及计算(红色)和实验(洋红色)二极管阻抗的时间行为。
图6(c)显示了通过52次射击的SS阴极发射参数的变异性分析。在50 ns的二极管渗透率中观察到巨大的变化范围,从8到52 μA/V^1.5,最大计数为20 μA/V^1.5。类似地,二极管阻抗也显示了从50到210之间的变化,峰值计数为125。
结果与讨论
击穿电压从340 kV到490 kV变化,峰值为385 kV,SS阴极的发射阈值电场为215 kV/cm。 峰值二极管电流略小于石墨阴极的电流 ,变化范围在1.35 kA到2.05 kA之间,峰值计数为1.7 kA。

图6(c)阴极的镜头间变异性分析
可以得出在18 mm的AK间隙中,经过高度抛光的SS阴极的发射阈值电场为215 kV/cm,峰值二极管电流在1.35 kA到2.05 kA之间变化,峰值计数为1.7 kA。
图7(a)显示了动态二极管的电流和根据公式(8)计算得到的电流的电压变化。在二极管导通的状态下,峰值电流密度为448 A/cm2,峰值电压为-220 kV。对于丝绒阴极,计算的电流和实验的电流显示出很好的一致性。
对于丝绒阴极,击穿电压以及电压和电流脉冲之间的延迟非常小(约为20 ns)。由于较低的击穿电压,电流脉冲的持续时间也会增加。等离子体膨胀速度通过渗透率分析计算,结果为2.7 cm/μs。

图7。天鹅绒阴极在18毫米加速间隙处的(a)电压(黑色)、实验电压(蓝色)和计算的(洋红色)电流波形。
对丝绒阴极进行了射击的变异性分析,如图7(c)所示。所有的发射参数都显示出该阴极之间最小的发射的变化。在50 ns的渗透率中观察到非常小的变化范围,为16-20.2 μA/V^1.5,最大计数为18.8 μA/V^1.5。
石墨阴极的变化范围为109到123,最大计数为114。间隙的击穿电压范围为108 kV到170 kV,计数峰值为150 kV。这给出了丝绒阴极的平均发射阈值为83 kV/cm。峰值二极管电流范围为2.02 kA到2.35 kA,最大计数为2.15 kA。通过对比表一,可以得出不同材料的阴极及其发射特性的比较。
结论
采用三种不同的阴极材料进行了平面结构操作,并保持18 mm的阳极-阴极间隙进行了单镜头模式下的52次射击。对每种阴极的52次射击进行了射击变异性分析,并对这些射击的平均数据进行了渗透率和阻抗的计算分析。这些实验是在LIA-400上进行的。

图7(b)二极管实验(黑色)和计算(蓝色)渗透率,以及计算(红色)和实验(洋红色)二极管阻抗的时间行为。
存在双极流以及对阴极发射电流的较大边缘贡献,这是导致AK间隙内电流密度增强的原因。在这个系统中需要一个具有非常快速的EEE开启时间的阴极。 红色聚合物丝绒具有高电流密度、低等离子体膨胀速度、外加电压变化最小、电流延迟较小等优良的发射特性。
基于实验系统的特点,其中没有陡峭的电压上升时间,天鹅绒阴极是较为优越的选择,因为它具有较小的电流延迟从施加的电压开始。

表一:各种阴极材料的发射特性
尽管在非常高的电流密度下(大于1 kA/cm2),天鹅绒阴极的发射特性可能会迅速下降由于阴极材料的侵蚀,但对于较低的电流密度,天鹅绒阴极可以安全使用而无需过于担心其代表速率的操作。
红色聚合物丝绒阴极在该系统中具有优异的发射特性,对于快速EEE开启时间的要求较高。天鹅绒阴极也是一个可行的选择, 特别是在系统中没有陡峭的电压上升时间的情况下 。需要根据实际应用需求和系统要求综合考虑使用不同的阴极材料。