前几天一个朋友,拿一台华硕笔记本到店维修。
具体型号是:
华硕X53B,AMD CPU 集成在主板上的那种笔记本。
性能一般,可满足普通办公需求。
朋友描述故障现象是:
单接电源适配器,笔记本可以正常开关机,使用没有任何问题。
但是如果接上电池,笔记本就无法开机,当然也不能充电了。
下面就是那台问题华硕笔记本:

她有时候出差要用的话,就感觉特别不方便。而且这台笔记本还是她上大学时用的,的确有点舍不得扔掉,觉得如果费用不高的话,就尽量维修了,做为备用电脑也好。
我接过笔记本,先单接电源测试,确定笔记本可以正常使用。
然后把电池装上,按开关,电源指示灯快闪一下就灭了,我们维修叫掉电。根据以往维修经验,这种现象应该是有什么地方短路了,所以才会快速掉电。
因为单接电源供电正常,装上电池就掉电,这样的情况一般来说应该是笔记本充放电路问题,有元件烧毁短路。
朋友好奇的问会不会是电池坏了呢?那好,我们就调一个新电池测试一下嘛!因为在电脑城拿货方便,就在一层楼。几分钟后拿到新电池,开机一样的掉电。
因为当时店里还有两个客户买二手游戏电脑主机,我忙到给装系统,还有下午淘宝发货的二手主板也等到测试,确实有点忙,就叫朋友改天来取,因为笔记本要全部拆开,还要看电路图,测试查找短路的具体原因。朋友也不急用,也就爽快的说,那就慢慢维修,修好后多测试一下,再打电话。
第二天,早上没有什么事情,就拆开这款华硕X53B笔记本,看到笔记本主板板号是:LA-7322P
下面就是笔记本主板图片

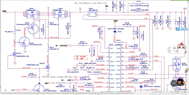
然后上网找到笔记本主板充放电电路部分PDF图纸,现在*载下**图纸都是需要付费,所以一定要记得保存哦!

再在主板上找到电源管理芯片附近的相关电子元件,用万用表测试是否有短路的元器件。

仔细查找后,如上图所示,测试零件号PQ102的场效应管,D极与S极击穿短路。现在确定是P沟道的场效应管4407损坏后,那就在笔记本维修料板上看看有没有相同芯片的4407,结果只找到一个4825P.那么4825P是否可以代换4407呢?
下一步就是查找资料对比MOS管,也就是刚刚说的场效应管,看看两个型号是否可以代换。
4407 P沟道MOS管,最大支持电压30V,电流12A。
4825P P沟道MOS管,最大支持电压30V,电流11.5A。
根据以往的维修经验,相同类型P沟道MOS管,电压一样,电流相差0.5A,可直接代换。
然后开机测试,笔记本正常启动进系统,笔记本电池充电指灯也正常显示了,屏幕下方提示正在充电。
下面是安装好电池,正在充电的测试图片。

到此维修结束。测试两天后,运行稳定,电池充放电正常,然后电话通知朋友取件。
维修总结:
笔记本这样的故障对于专业维修笔记本的来说,应该是小菜一碟,我在此发文记录。只是为了给初学者一个维修思路而已。有什么不清楚的地方,可以关注讨论,共同进步!
笔记本维修流程一般是根据客户故障描述,核实故障。理清维修思路,然后动手拆机,按照主板板号*载下**PDF图纸,然后根据相关电路工作原理,分析故障原因,查找到损坏的元器件,找拆机原件或者代换件更换,然后测试机器,判断故障是否搞定,确定好后,再电话通知客户取件。
本人非专业维修笔记本的,请高手勿喷!
还有一点就是我因为白天要看店,晚上才能整理发文,几乎很难保证每天发一篇文章,而且电脑行业的相对特殊,
不是很多客户有时间或者愿意让你拍照的。因此我们整理的维修案例一般都是熟人朋友的,
如果能给大家提供那么一点点帮助的话,请记得一定要关注我们的头条号:二手电脑之家
相信您的关注!将是我们持续发文的动力,谢谢大家了!