沈阳钢结构设计-优化专用教室钢结构项目优化
工程概况
项目名称:沈阳某中学优化加建项目
建设单位:沈阳市
项目地点:辽宁省沈阳市
设计范围:优化专用教室钢结构项目优化
建筑面积:355平展开面积
设计单位:义鑫钢结构幕墙设计工作室
参考网站:http://www.gjgsj66.com/
工程简介
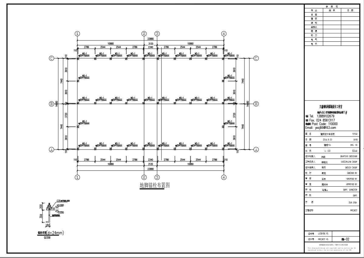
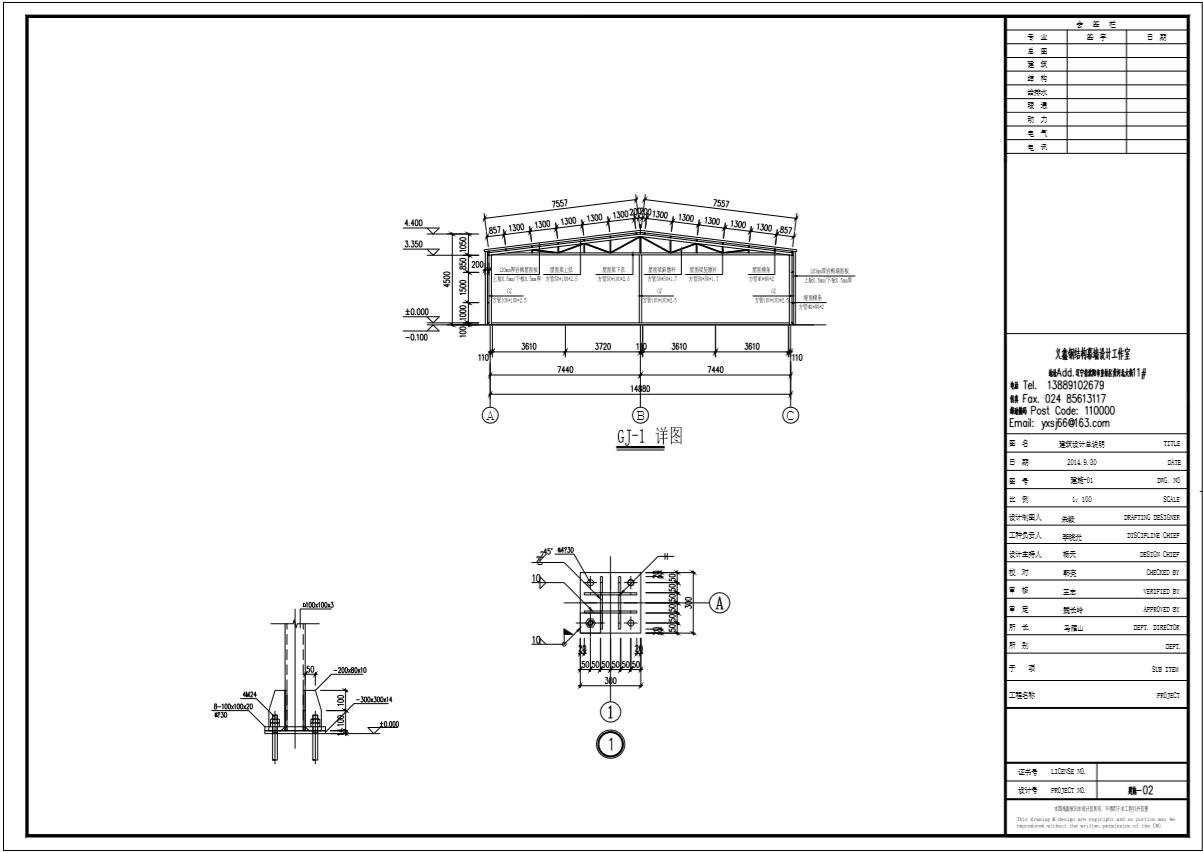
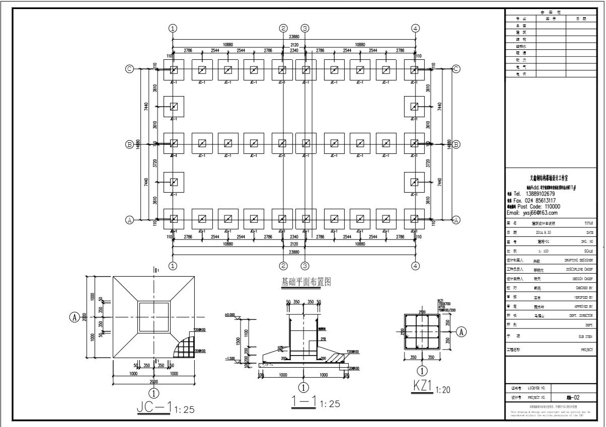
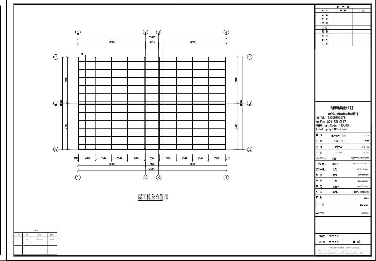
该项目为沈阳北塔中学优化加建钢结构设计项目,整体建筑为轻钢钢结构,屋面,墙面均采用100mm厚岩棉复合板,该建筑长度23388米,宽度14.88米双坡屋面,檐口高度3.55米,屋脊总高度4.4米,因建筑跨度较小,但结构使用用途为教学楼,所以结构安全系数为1,综合结构样式采用排架结构,屋面采用三角屋架,柱子采用钢柱,梁柱采用铰接链接。
详细案例:






