车辆: 长安福特福克斯
年份: 2007年
排量: 2.0L
故障现象: 车主反映故障问题是偶尔无法启动车辆,特别是冷车频率很高,连着很长时间启动无反应,再等会儿启动一切又正常了。
故障检查:让车子处于冷车状态,启动钥匙无任何反应,起动机也无任何反应,先读取故障码如图,有多个模块CAN通讯接收故障 ,PCM内有防盗故障码 并且无法启动车辆时仪表上防盗灯会闪。

故障排查:结合故障码判断无法着车是防盗引起的,更换电池后故障依旧,故障码也无法清楚而且PCM也是存在CAN线接收故障便怀疑是CAN线上出了问题导致防盗无法通过。下图为防盗灯,防盗通过时会灭,没有通过时闪。

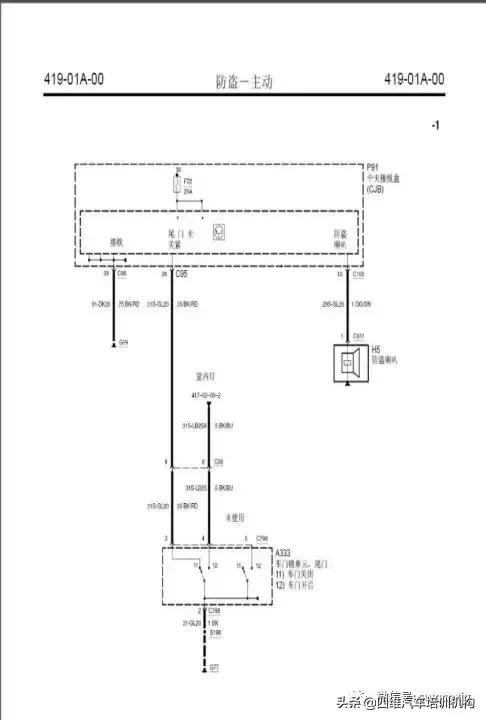
查看电路图得知此车防盗模式有两种,主动防盗:锁车后进入防盗,未经过钥匙而打开车门便启用防盗。被动防盗:钥匙打开点火开关无法通过验证而启用防盗。此车应该就是钥匙验证没有通过而启用防盗了,从电路图得知正常情况下:钥匙-线圈-被动防盗模块(验证通过)-仪表-CAN-PCM。了解结构后其中一点出问题防盗就通过不了后续又发现解码器无法进入仪表系统正常应该是可以进去便找到突破口验证问题。


打开钥匙仪表也有显示所以暂时排除仪表供电问题,此仪表有两组CAN 一个高速,一个低速,根据电路图判断故障出现在高速CAN上,拆下仪表接上示波器测量没有发现问题,断开CAN线测量仪表发出波形也没异常,单独测量CAN线上也都没发现异常,测量低速依旧没有异常。

断开电瓶后拔下仪表用万用表测量高速CAN有120欧姆电阻,插上插头后测量有62欧姆,说明仪表内部也有一个120欧姆电阻且主CAN线上也没有存在断路。

检查无果后再次恢复好仪表试着启动,结果启动着车再次读取故障码发现仪表系统可以进入,故障码也都可以清除由于是偶发故障决定用示波器抓取故障波形,在接下来的检测过中都是一次启动故障也没再出现。无缘无故好了?不可能!回忆故障排查过程重点在于拆过仪表后故障消失,排查插头针脚无问题后重点放在了仪表内部,分解仪表后发现问题!下图中C3角为高速CAN低明显脱焊并还有其他好几个脚脱焊。之所以之前测can线没有发现问题是应为拔插头时让内部针脚又接触好了。

加固脱焊点试车故障解决,一个小小细节差点走弯路,所以维修当中注意细节很重要。
此案例由四维学员花山勇提供,看案例学的是分析思路,通过案例就能看出你维修此故障的整体思路,修好车,想明白,说清楚。是需要长时间的积累和不断学习,刻意练习才能做到的。喜欢的朋友记得转发分享出去。