聊聊苹果7手机主板中的芯片U3602 协处理器的维修技巧。
如果你的机器遇到了无震动 无受话 无铃声 无送话 无录音。在更换音频IC3601无效时,一定要想着去研究一下U3602,或许会柳暗花明。
对于局部故障,大家有针对性的测量工作条件即可,比如无送话或者无受话,重点检查U3101相关电路;如果*放播**音乐上扬声器不响,重点检查U3301相关电路;无振动重点检查U3502相关电路;下扬声器不响重点检查U3402相关电路。
对于全无故障,是比较麻烦的,可能很多朋友无从下手,有不少朋友换了主音频U3101故障依旧。这个时候,就需要重点关注同时与这些芯片有关的公共电路。如果分析不到位,折腾再久,也搞不定故障。还有可能出现多处二次故障,因小失大。如果思路打不开了。可以先方法,询问一下有经验的维修师傅,或者自己查查资料。也有可能你放了一两天,突然楼暗花明。

1、这个时候,提醒大家注意他们的公共总线问题。
如果U3602,U3101,U3301,U3502,U3402的任何一个芯片出现短路现象,就有可能造成整个系统瘫痪,出现无声,如果简单测量发现不了问题,只能通过更换的方法,来判断是谁的问题。
2、第二个需要大家关注的就是今天的主角协处理器U3602。
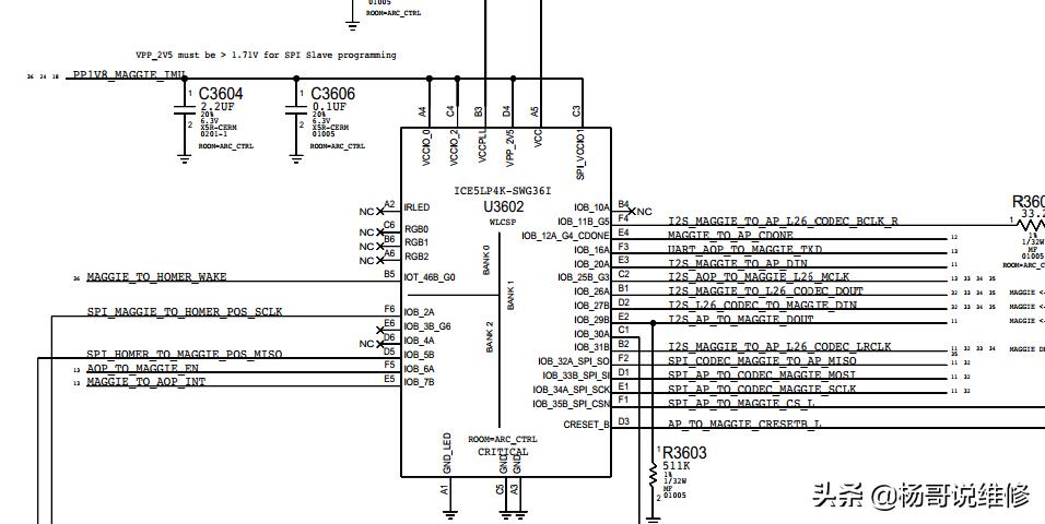
CPU通过I2S_AP_TO_MAGGIE_DOUT 将音频信号送给协处理器,通过协处理器再送到音频电路,比如受话信号、铃声信号。同时,协处理器通过I2S_MAGGIE_TO__AP_DOUT将音频信号送到CPU,比如送话信号。
由于时间关系,不再深入研究,对于怀疑U3602时,根据工作条件,进行维修即可,重点要先测量一下供电是否正常。

大家都知道,据听说,苹果公司以后会对自己主板外挂芯片都设置加密功能,比如指纹、WIFI等等。振动器更换有时需要更换好多个才匹配,还有专门写振动器码的仪器。如果无法破解,找到故障维修难度也比较大。
与你一起终身学习,这里是杨哥说维修。欢迎大家关注我们,一起交流分享。