谐振逆变器三相电路原理为避免滤波电抗Ld上产生大的感生电势,电流必须连续。也就是说,必须保证逆变器上、下桥臂晶闸管在换流时,是先开通后关断,也即在换流期间(tγ)内所有晶闸管都处于导通状态。这时,虽然逆变桥臂直通,由于Ld足够大,也不会造成直流电源短路,但换流时间长,会使系统效率降低,因而需缩短tγ,即减小Lk值。
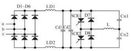
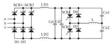
逆变器必须采用三相全控整流器作为直流电源,其主电路原理如图 1 所示。而串联逆变器原则上3 种整流器均可为其 供电,但为了控制方便和节能,一般采用三相不可 控整流器或三相半控整流器作为直流电源,如图 2 ~3 所 示 。 其 中 : a、 b、 c 代 表 三 相 , SCR1 ~SCR10 为可控硅,LD为滤波电抗器,L 为振荡线 圈,C 为振荡电容器,D1~D8 为整流二极管,Cd1、 Cd2 为滤波电容器,Cn1、Cn2 为谐振电容器。

图 1 三相全控整流器并联谐振式主电路

图 2 三相不可控整流器串联谐振式主电路

采用三相半控整流器提供直流电源,但不用来调压,只用来在软启动和出现 故障时作为电子开关,快速切断电源。正常工作 时,可控硅总是处于全导通状态,其工作特性与三相不可控整流器串联谐振电路完全相同。一般 100 kW 以上的中频电源多采用此种整流方式。串联谐振逆变器的工作频率必须低于负载电路的固有振荡频率,即应确保有合适的t时间,否则会因逆变器上、下桥臂直通而导致换流的失败。并联逆变器的工作频率必须略高于负载电路的固有振荡频率,以确保有合适的反压时间t,否则会导致晶闸管间换流失败;但若高得太多,则在换流时晶闸管承受的反向电压会太高,这是不允许的。功率调节方式有二:改变直流电源电压Ud或改变晶闸管的触发频率,即改变负载功率因数cosφ。并联逆变器的功率调节方式,一般只能是改变直流电源电压Ud。改变cosφ虽然也能使逆变输出电压升高和功率增大,但所允许调节范围小。
它由三相晶闸管全控整流桥、平波电感dL、滤波电容dC、单相全控桥式逆变电路、续流二极管、串联谐振逆变器负载构成。 三相晶闸管全控整流桥将正弦的工频交流电整流成脉动的直流电dU,可通过调节直流电压dU来调节负载电流。平波电感dL在此起切断直流通路的作用。由于要求恒压源供电,所以需要一个很大的滤波电容dC,当dC足够大时,可以认为输入电压是恒压dU。在电路还没开始工作前,电容dC就通过电网储能,以便于启动逆变电路。
由四只晶闸管构成的单相全控桥式逆变电路将直流电压dU逆变为中频方波电压,并将它加到负载电路。负载电路是由感应线圈和补偿电容组成的串联振荡电路,对工件进行感应加热。通过电感的电流接近正弦波形。
串联补偿逆变电路是通过自然换流来实现工作晶闸管之间转换的,其工作原理如下:
第一阶段:首先触发晶闸管SCR1、SCR4,电流通过正端流入,经过SCR1、串联振荡负载、SCR4,再由负端流出,此时补偿电容C充上了左正右负的电压。
第二阶段:由于电流波形为正弦波,当电流变为负的时候,电流就通过与SCR1、SCR4 同桥臂的续流二极管D1、D4续流,同时给SCR1、SCR4 加上了反压,使SCR1、SCR4关断。
第三阶段:经过一段时间,当SCR1、SCR4 完全关断后,我们同时触发晶闸管SCR2和SCR3。此时由于晶闸管SCR2、SCR3两端均加有正压,因此马上就能导通。电容C通过续流二极管D1、晶闸管SCR2回路和续流二极管D4、晶闸管SCR3回路放电。当电容C放电完成后,续流二极管D1、D4中不再通过电流,整个回路电流走向为:正端流入,经过SCR2、串联振荡负载、SCR3,负端流出。电容C开始反充电,充上左负右正的电压。
var cpro_psid = "u2787156";
var cpro_pswidth = "966";
var cpro_psheight = "120";
当电流再一次变为负时,电流将通过续流二极管D2、D3续流,同时给SCR2、SCR3加上反压,使晶闸管SCR2、SCR3关断。
当SCR2、SCR3 关断后,我们触发SCR1、SCR4,电容C通过D2、SCR1回路和D3、SCR4回路放电。当电容C放电完成后,续流二极管D2、D3中不再通过电流,整个回路电流走向为:正端流入,经过SCR1、串联振荡负载、SCR4,负端流出。电容C开始充电,充上左正右负的电压
调幅控制方法是通过调节直流电压源输出(逆变器输入)电压Ud(可以用移相调压电路,也可以用斩波调压电路加电感和电容组成的滤波电路,来实现调节输出功率的目的。即逆变器的输出功率通过输入电压调节,由锁相环(PLL)完成电流和电压之间的相位控制,以保证较大的功率因数输出。