格莱圈是双向密封,一般用于活塞密封,O形圈在外侧。格莱圈由孔用的,也有轴用的。

孔用旋转格莱圈由一个低摩擦的填充聚四乙烯密封环和O型圈组成,用于有旋转或摆动运动的杆、轴、旋转接头等处,属于外周密封,是一种可受两侧压力或交变压力作用的双向作用的旋转密封圈。根据聚四氟乙烯密封环截面大小不同,可加工一个或两个环形沟槽,使之形成一个润滑油腔,降低摩擦力,同时提高了密封表面的比压,也增强了密封效果。在高压和低压及高频工况下的重载双想活塞密封场合非常出色。适用在长及短行程的情况,并在范围较大的液体和高温场合,可适合较大的活塞间隙。例如用在注塑机、推土机、农业机械、压机和其他车床等 。

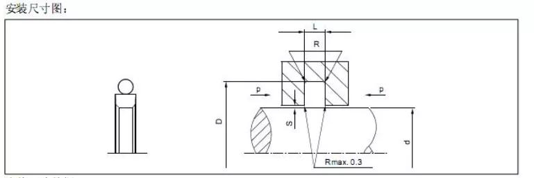
轴用格莱圈是由一个低摩擦的填充聚四氟乙烯矩形密封环和一个O型圈组成,用于直线往复运动的高压系统油缸,伺服油缸中的活塞杆密封,起双向密封的作用。
轴用格莱圈的优势:
可允许较大的挤出空间,静密封性能非常好;摩擦力小,无爬行现象;基础材料的材质可选择范围广,能适用不同的工作环境。

格莱圈的选择一般看聚四氟乙烯和O型圈的材质来适应不同的工况。
聚四氟乙烯可添加不同的材料以及调整其含量,变更他的工作性质。选什么O型圈一般是由温度和介质来决定的。比如:
*腈丁**橡胶,其温度范围是-40~120℃,耐油,经常和PTEF+青铜材料搭配使用,性价比高。
氟橡胶:耐温-20~250℃,耐油,耐腐蚀,一般要求高的工况是使用氟橡胶搭配PTFE碳纤维。
HOLM从1979年开始,已制造和销售用于液压,气动,静态和旋转应用的标准和特殊密封件。其产品适用于最恶劣的环境以及国内外的众多行业。元象为大家提供HOLM的各种产品,从用于机械维修的简单密封件到开发项目的原型,再为重要的OEM客户批量生产垫片。我们以具有竞争力的价格为大家提供平高质量的产品。