把V280的左右单旋翼改进为左右共轴双旋翼,新倾转旋翼机参见下图:

在旋翼荷载相同的前提下,双旋翼的直径比单旋翼的直径小,整机的横向尺寸可减小。机身两侧可以有导弹挂载和发射空间。相比V280 原型机,两个发动机的位置改在了机身两侧,这样整机惯性矩较小,机动性好且安全性提升。
为什么要这样改进?我们来对比一下V280原型。V280是米国未来先进直升机中在研的倾转旋翼机,两副单旋翼各自倾转。缺点是旋翼直径较大,整机横向尺寸较大。旋翼遮挡了机身两侧,无法安装发射导弹。优点是旋翼倾转时,发动机短舱不倾转,这种倾转方式需要尽量减小单向推力,尽量减小倾转控制机构,具有一定技术难度。V280原型参见下图:

现有实现倾转的传动技术是锥齿轮传动,V280采用了这种倾转方式。锥齿轮传动需要单向推力,倾转控制机构需要提供单向推力。对飞行器来说,这意味着倾转控制机构需要大而强,一般需要液压驱动。下图是锥齿轮传动的结构示意图:

锥齿轮传动时两个锥齿轮保持啮合,所述传动即输入轴(左锥齿轮)转动导致输出轴(上锥齿轮)自转。所述倾转即输出轴轴承被控制围绕输入轴轴线公转。当输入轴顺时针转动时,输出轴受到力F1。只受到力F1,输出轴只会围绕输入轴轴线顺时针公转,不自转不传动。当输出轴还受到本轴承的单向推力F2,F1与F2形成力偶,产生自转力矩,输出轴才自转才传动。所以单向推力F2是锥齿轮传动的必要条件,传动需要单向推力F2。所以倾转控制机构受力大,液压倾转机构重量大,倾转角度只有97.5度。
为了减小单向推力,从而减小倾转控制机构,V280应该采用如下方案:提高传动转速,减小锥齿轮传动力矩,这样单向推力减小。提高传动转速完成小力矩的锥齿轮传动之后,再用行星排减速,减到单旋翼需要的转速。所以V280的传动倾转系统是这样的:

图中发动机1和2的动力通过减速器和离合器传动到中转速的横向连接主轴,连接主轴传动到倾转锥齿轮。在锥齿轮及倾转控制机构之后,设置行星排减速器3和4,为两个单旋翼减速。行星排减速器的传动比约为4倍,可以使锥齿轮传动提速4倍,处于中转速状态,单向推力缩小为原1/4。倾转控制机构相应减小了一些。
我们的新倾转旋翼机,传动倾转系统已经全面改进,改进共有两点:
改进一,采用动轴传动器代替锥齿轮传动,完全取消单向推力F2, 倾转控制机构很小很轻,倾转角度可以远大于97.5度,机动性极佳。机械行业内,没人想到要在倾转传动中取消单向推力,或许有人想到了但无力发明这种特殊机械。这种特殊机械就是动轴传动器,原理参见下图:

熟悉履带车辆驱动系统的朋友可以看出,3和4是两组普通行星排,从同转输入端1、反转输入端2到左主动轮5和右主动轮6是最先进的双流波箱结构。左半轴轮7、右半轴轮8和行星轮9 是一套差速器。同转输入端1使两个主动轮同方向转动,反转输入端2使两个主动轮反方向转动。我们把两个主动轮的转动分别引伸到左半轴轮7和右半轴轮8之中,行星轮9作为最终输出连接单旋翼。同转输入端1使行星轮9公转倾转,也就是1作为倾转控制的输入端;1不输入转速时,行星轮9不倾转。反转输入端2使行星轮9自转,也就是2作为单旋翼动力传动的输入端。公转与自转完全解耦,互不干涉。
这个结构简图证明了:机械行业存在盲区!完全取消单向推力的自由倾转的动轴传动器可以实现。动轴传动器有两个特性,一是取消了单向推力,倾转控制机构小。如果没有其他外力影响,一根手指的力量就可以控制倾转。二是倾转与自转各自独立,互不干涉,倾转时自转相位不变。可用于纵列双桨加推进桨直升机新构型,是机动性远好于现有各种构型的直升机。参见文章《超越SB1和V280,未来最先进直升机》。动轴传动器可以应用在直升机旋翼、船舶螺旋桨和机器人跨活动关节传动这几个方面。作为一种非常基础的机械传动新发明,还会影响其他那些行业那些方面,希望朋友们能研讨交流。上图这个动轴传动器功能齐备,但结构比较复杂而不具有实用性。真正实用的动轴传动器非常简洁,另有发明。
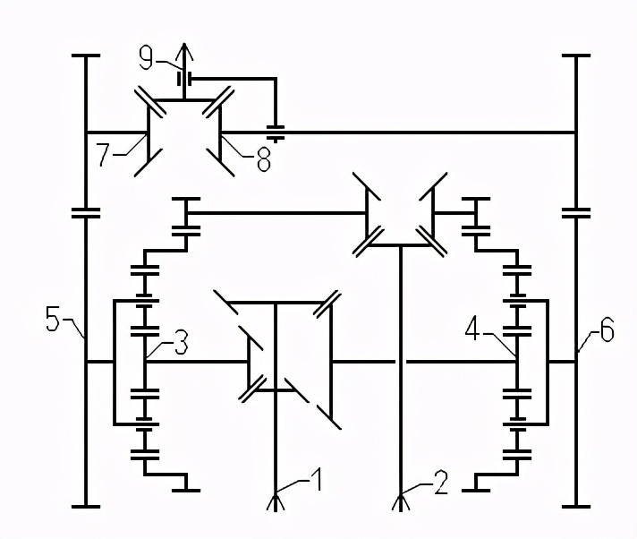
改进二,采用特殊行星排多输出端传动器代替主减速器和对转分动器。特殊行星排多输出端传动器实现对转分动,把一个转速分动转化为两个同轴对转的转速。该传动器在对转分动的同时实现大传动比减速,传动比可以为40-70,传动系统不需要设置多级减速器。这个发明也可用于替代共轴对转双旋翼直升机的主减速器和对转分动器。如果左右旋翼轴之间距离不变,左右单旋翼改为左右共轴双旋翼,旋翼直径减小,机身两侧就各有约1.3米宽的导弹挂载及发射空间,整机横向尺寸可以减小。采用共轴双旋翼后,新倾转旋翼机的垂直起降性能不变,最大飞行速度会有所提升。新倾转旋翼机的传动倾转系统如下:

图中,动轴传动器与特殊行星排多输出端传动器这两个发明,整合为兼具有对转分动、减速和倾转三项功能的传动器——三合一传动器。三合一传动器之前的传动系统都处于高转速状态,高速低扭自重轻。传动系统和倾转控制机构估计比V280原型的倾转传动系统自重减半。