■ 背景
在全国大学生智能车竞赛中有一个传统的赛车引导的模式,就是使用电磁线引导车模运行。在 信号源[1] 驱动铺设在赛道上电磁线(漆包线),产生方波电流。电流的频率为20kHz, 电流峰值约为100mA 。
参赛同学制作的车模使用工字型电感(10mH)配合适当的谐振电容(6.8nF)来感应赛道周围的交变准稳态磁场,通过磁场的大小(多个传感器可以检测到电磁场的方向)来获得赛道的信息。
特别是今年(2020年第十五届)引入了 AI电磁组[2] 根据安装在车模上前后多个传感器,通过训练多层前馈神经网络来控制车模的运行。
本质上,驱动赛道电流是否是正弦波对于车模检测来讲并不是特别的重要。因为电磁检测基本上都采用了前端LC谐振回路来测量交表磁场的强度。但是在传统的信号源驱动大型赛道(特别是赛道铺设两圈电磁线)就会引信号源输出电流大小发生波动。为了解决这个问题,出现了两种方案:
- 设计制作的能够稳定输出信号基波的信号源;
- 允许比赛同学现场对信号源进行改动,包括更换自己的信号源。
在 傅里叶,请再帮我们一次吧....[3] 介绍了使用单片机软件来稳定信号源基波的方法。实际上,也可以直接通过硬件(LC滤波)来提取输出信号的基波,并进行稳定。

▲ 开源的信号源在加电工作状态
下面是佟超(原北京科技大学参赛队员)设计的一款 开源正弦波20kHz信号发生器 V2[4] ,广受参赛同学们的喜欢。
前几天佟超给我寄送过几块制作的电路板。并将相关的 信号源开源*载下**信息[4] 发送给我。下面来分析一下这款电源的基本工作原理。
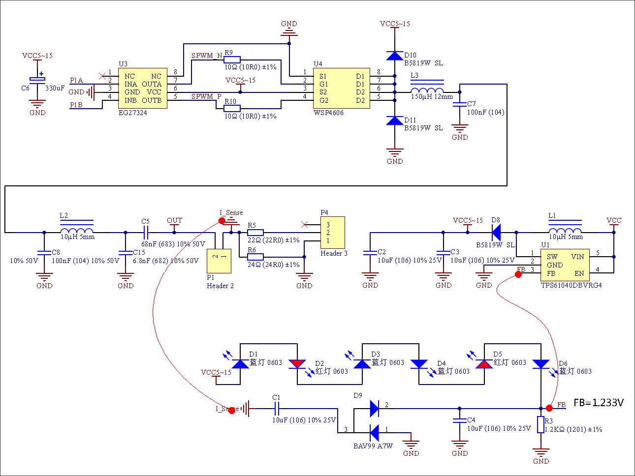
01电源原理图
总的电路图可以从前面开关*载下**信息中看到。下面分别对于电路的几个主要部分进行分析。
电路的核心是一款基于 LGT8F684P[5] (据说这款单片机现在已经停产了)的8位单片机。MCU的主要功能:
- 产生20kHz的SPWM信号(P1A,P1B)驱动后面的MOS桥电路。
- 读取输出信号驱动级工作电压,反映信号输出的情况。
- 驱动板上工作LED(绿色)指示工作状态:如果绿色熄灭,表示输出阻抗过小(输出短路了)。

▲ MCU及其工作电源电路
下图测量了MCU输出的P1A,P1B上的SPWM波形。SPWM频率大约是500kHz。每个周期(20kHz,50us)有25个脉冲输出。

▲ MCU产生的SPWM互补的波形
由于后期是直接驱动互补N-P沟道MOS管半桥输出信号。为了避免上下直通,所以在输出的两路SPWM脉冲之间留有死区时间。也就是保证上管先关断,下管再导通。

▲ 上下SPWM波形之间留有死区时间
通过示波器可以看到这个死区时间大约是180ns左右。

▲ 测量上下波形之间的死区时间大约180ns
这个电路板的精彩之处在后面的滤波以及恒流控制部分。
MCU产生的SPWM信号通过 EG27324[6] MOS驱动芯片驱动 WSP4606 (N-P互补功率MOS管,30V/7A-6A)输出功率信号。
输出信号先经过L3(150uH)和C7(100nF)低通滤波。L3 ,C7的谐振频率为:
代入实际数值,可以计算:。

▲ 输出正弦波电路以及硬件恒流控制

▲ 经过低通滤波后的正弦波
输出的电压在经过L2,C15,C8的低通滤波,最后输出正弦电压波形。
输出信号电流通过R5,R6并联之后,形成电流反馈电压。该电压经过D9(BAV99)倍压整流之后,C4滤波形成U1(TPS61040D)开关升压电源的反馈电压。
TPS61040D是一款开关BOOST控制芯片,将工作5V电压升压到5~15V,提供U4桥电路作为工作电压。
电路图中的疑问: U3的工作电压的标示?U4的工作电压?不可能有D10反向给出?
由于VCC5-15V升压的高低反映了输出阻抗的情况。当输出阻抗越大,VCC5-15越高,该电压经过分压之后有单片机读取,可以判断试试负载是否断路,或者断路。
02电路小结
1.电路的优点
该电路由于输出就是正弦波,所以通过电流采样进行峰峰倍压整流之后的电压与输出信号的幅值(基波)成正比。这一点与使用方波输出信号来比,对于基波的幅值测量更加精准。对于普通的方波输出,特别是电流波形变形之后,需要获得基波,则需要通过离散傅里叶变换(DFT)才能够检测到。
对于输出电流的恒流控制是由TPS61040D完成,就不需要单片机进行横流控制,这使得输出电流波动更加的平稳。
2.改进之处
为了简洁,这款信号源没有增加关于输出电流的精确显示,只能大体上通过LED的表示线路是否断路或者断路。在有的情况下,可能需要对电流源的大小根据环境的 影响进行适当的调整(增加或者减少),电路还缺少对输出电流设置的功能。
电路对于恒流控制使用了TPS61040内部闭环控制,当外部道路的电磁线圈电抗发生较大变化,特别是电感分量增,这会增加电流闭环回路的时间常数,在极端情况下,也会使得恒流变得不稳定。
最后一点,那就是电路所使用的单片机现在已经停产,因此本电路需要能够采用新一代的MCU进行更新。
最后,感谢佟超对于这款信号源的开源共享。
参考资料
[1] 信号源: https://zhuoqing.blog.csdn.net/article/details/104120702
[2] AI电磁组: https://zhuoqing.blog.csdn.net/article/details/105055375
[3] 傅里叶,请再帮我们一次吧....: https://zhuoqing.blog.csdn.net/article/details/104120683
[4] 开源正弦波20kHz信号发生器 V2: https://zhuoqing.blog.csdn.net/article/details/108335489
[5] LGT8F684P: https://www.electrodragon.com/w/LGT_PIC
[6] EG27324: https://pdf1.alldatasheet.com/datasheet-pdf/view/1146405/EGMICRO/EG27324.html