
第十九章 生活用电
1、 知识归纳
(一)家庭电路的组成
1.家庭电路的组成
主要组成部分有进户线、电能表、总开关、保险装置、用电器、导线等。2.家庭电路各部分的作用及连接方法
(1)进户线:一根叫 线,另一根叫 线,火线和零线之间有 电压,它们构成家庭电路的电源(火线和大地间有 电压,零线和大地间 电压)。
(2)电能表:其作用是 电能,装在 路上。
(3)总开关:其作用是控制整个家庭电路的 ,装在 路上。安装闸刀开关时,上端为静触头,接输入导线,切不可倒装。
(4)保险丝:a.保险丝是用 合金制作的, 比较大, 比较低;b.当电路中的电流过大时能 而切断电路,起保险作用;c保险丝应 联在电路中,绝对不允许用铁丝、铜丝代替保险丝;d.保险丝的选择原则是保险丝的额定电流 或稍大于电路中最大正常工作电流。
说明:
在实际生活中有些地区已经用空气开关取代了保险丝,其作用是相似的。当电路中电流过大时,空气开关能自动断开(俗称"跳闸"),以保护电路。
(5) 插座:给可移动的家用电器供电,插座应并联在电路中,插座可分为两孔插座和三孔插座。
(6)开关:可以控制所在电路的通断,开关应和被控制的用电器 联。
(7)用电器:直接利用电能工作的器件,各个用电器应 联接入电路。
(二)试电笔
用来辨别火线和零线的工具。构造:由笔尖金属体、大电阻、氖管、弹簧和笔尾金属体等组成。
2.使用时,用手接触笔尾 ,将笔尖接触被测电路,若碰到的是火线,则氖管 ;若碰到的是零线,则氖管就不会发光。
(三)避雷针
避雷针是针状金属物,当带电云层接近时,大地中的异种电荷被吸引至避雷针的尖端,并由于尖端放电而释放到空气中,与云层中的电荷中和,达到避雷的目的。
(四)家庭电路中电流过大的原因
1.发生 ,即火线和零线直接连接。例如,电线绝缘皮刮破、老化,连接线路时不小心等情况造成火线、零线直接连接;连接用电器时发生短路等。
2.用电器的 过大。例如,居民楼里电炉子、电暖气、微波炉等大功率的用电器插在一个插座上让它们同时工作,导致电流过大烧毁保险丝或造成跳闸等。
(五)家庭电路的安装
为用电安全,家庭电路的安装要遵循以下几项原则:
1.开关应先接在 线上再与用电器串联;大功率用电器的保险盒应接在 线上,不能接在零线上。
2.火线不能直接接入灯座,必须先经过保险丝、开关后才能接入。
3.螺口灯座的螺旋套只允许接在 线上,绝不允许接在 线上在装卸灯泡时,人们不慎碰到灯泡的螺旋也不会发生触电事故。
4.三孔插座的接线方法: 。
(六)触电
低压触电:通常所讲的"触电"是指一定大小的电流通过人体所引起的伤害事故。触电一般分为单线触电和双线触电。
(1)人体只接触零线不会触电,
(2)在家庭电路中,人体触电一定直接或间接接触到火线,但人.体接触火线不一定会触电。高压触电:最常见的是 触电和 触电。。
触电急救:当发现有人触电时,千万不要用手去拉触电的人,而是要立即切断电源。如果找不到电源开关,可用一根较长的绝缘棒把电线挑开再救人,防止自身发生触电事故。必要时对触电者进行急救,同时尽快通知医务人员抢救。
如果出现电火灾时,绝不能带电泼水灭火,而应先切断电源再灭火。
(八)安全用电常识
安装和使用用电器时,必须注意防止发生触电或引起火灾。
1.一般隋况下,只有不高于36 V的电压才是安全的。
2.安全用电原则
(1)不接触低压带电体,不靠近高压带电体。
(2)更换灯泡、搬动电器前应断开电源开关。
(3)不弄湿用电器,不损坏绝缘层。
(4)保险装置、插座、导线、家用电器等达到使用寿命应及时更换。
二、聚焦中考 明确航向
生活用电常识与人们生活联系密切,因此是中考的高频考点.考查的热点主要有:(1)家庭电路的连接(2)安全用电常识(3)测电笔的使用(4)家庭电路故障
三、诊断达标

1、某家庭电路的部分组成如图所示,下列说法正确的是( )
A. 图中两个插座是串联的
B. 控制灯泡的开关S要接在火线上 C. 三脚插头的用电器也可插入两孔插座 D. 闭合开关S时,灯泡不亮,一定是零线某处断路
2.家用漏电保护器是在用电器发生漏电故障或人体触电时实施保护的设备,家庭电路漏电时,通过火线与零线的电流不相等,漏电保护器中有一特殊装置(在图中虚线框内,未画出)检测到这一差异后,便切断电源,起到保护作用,漏电保护器中还有试验电路,由一只开关S与电阻R组成,闭合开关S就能模拟漏电情形,图中电路的连接符合要求的是( )
A.

B.

C.

D.

3.如图甲所示,墙壁上线盒内有三根电线,其中红色为火线、蓝色为零线、黄绿色为地线,现将三孔插座与三根电线连接,图乙中接线情况正确的是( )
A.

B.

C.

D.

4.如图所示,闭合开关S后,发现电灯L不亮,且保险丝没有熔断.用试电笔测试灯头的两端C、D,发现这两处都能使试电笔的氖管发光,再用试电笔测试B处氖管不发光.若电路中只有一处故障,则( )

A.AC段某处断路
B.BD段某处断路
C.电灯L断路
D.电灯L短路

5.电某家庭电路的部分电路如图所示,其中甲、乙两处分别装用电器和开关。对此电路,下列说法正确的是( )
A. 火线上的保险丝应该改装到零线上 B. 甲处应装用电器,乙处应装开关 C. 当用电器功率增大时,通过保险丝的电流就增大 D. 当保险丝熔断后,可以用铜丝代替

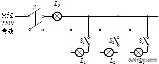
6. 如图所示的家庭照明电路,已知其中一只灯泡的灯头接线处存在故障。电工师傅为查明故障,在保险丝处接入一只"220 V 40 W"的灯泡L0。当只闭合开关S、S1时,灯泡L0和L1都呈暗红色(比正常发光状态暗得多);当只闭合开关S、S2时,灯泡L0正常发光,L2不发光。由此可以确定( )
A. L1灯头接线处断路 B. L1灯头接线处短路 C. L2灯头接线处断路 D. L2灯头接线处短路
7.用电安全是天大的事,在随州曾发生过这样一幕惨剧,在某农户的鱼塘上空有高压线通过,一位钓鱼者抬竿取鱼时,钓鱼竿触及电线,钓鱼者当场被电死。下面说法不正确的是( )
A. 此高压线是裸导线(导线外没有绝缘皮) B. 钓鱼竿接触到了火线 C. 钓鱼竿导电了 D. 小鸟只能落在零线上,落在火线上同样将被电死

8. 一位"法师"在铺有塑料地毯的舞台上表演不怕电的"功夫"。他将一盏普通白炽灯泡接到两导线头A、B之间,灯泡正常发光;随后将灯泡取下,"法师"两手分别抓住两导线头A、B,如图所示,其助手用试电笔分别测试A、B及"法师"的皮肤。发现试电笔的氖管都发光。对此表演的合理解释是( ) A. "法师"有特异功能,确实不怕电 B. "法师"的两手均戴有特制绝缘手套 C. 在人、灯交替过程中,助手将零线断开了 D. 在人、灯交替过程中,助手将火线断开了
9. "珍爱生命,注意安全"是中学生应具备的基本安全意识。下列关于安全用电的说法正确的是( )
A.只要不接触高压设备就不会触电
B.使用测电笔时,手指不能接触笔尾金属体
C.电灯的开关可以接在零线和灯泡之间
D.一旦发生触电事故,应先切断电源再进行抢救
10. 如图所示是一款带有开关和指示灯的插线板。下列说法正确的是( )

A.可以把用电器的三脚插头改为两脚插头插在两孔插座上使用
B.有金属外壳的家用电器要使用三孔插座
C.插座上的开关和指示灯是并联的
D.使用多个大功率用电器时,可以同时插在同一插线板上
11.

小充现代化的生活已经离不开电了,电在工厂、电在学校、电在商场……电也在我们的生活中,如图是家庭电路的组成示意图.请你完成下列填空题:
(1)图中用电器B正常工作时电压是 V.
(2)人体的安全电压不高于 V.
(3)正确捏住测电笔,且使笔尖插入图中插座A的 (填"左"或"右")孔,可以观察到氖管发光.
(4)螺口灯的螺旋金属一定要接在 线上.
12.

如图所示小华在家开着空调看电视,妈妈打开电饭锅做饭时,家里的空气开关自动"跳闸"了,则"跳闸"的原因可能是 。根据小华家空气开关上的铭牌,如图所示,他家的电路允许使用的用电器总功率最大为 W。
13.

电工师傅常用一只额定电压为220V的灯泡L0(检验灯泡)取代保险丝来检查新安装的照明电路中每个支路的情况,如图所示.当S闭合后,再分别闭合S1、S2、S3(每次只能闭合其中之一)时,可能出现以下三种情况,试判断(选填:"短路"、"断路"或"正常"):
(1)L0不亮,说明该支路 .
(2)L0正常发光,说明该支路 .
(3)L0发光呈暗红色,说明该支路 .
14. 如图,甲是插线板,请将乙图的内部电路连接完整。要求:在开关断开时插线板上的指示灯不发光,插孔不能提供工作电压;在开关闭合时指示灯发光,插孔可提供工作电压,若指示灯损坏,开关闭合时插孔也能提供工作电压。


甲 乙
15. 综合作图﹣﹣家庭电路:
如图所示家庭电路,吊灯L1和L2由开关S控制,墙上有一个固定插座.请把电路连接完整.

16. .现代家庭电器化程度越来越高,用电安全是一个十分突出的问题.下表提供了一组人体电阻数据.如图所示,用电器R接在电压为220 V的电源上时,消耗电功率是1 100 W,电路中还有额定电流为10 A的熔丝.则:

(1)只有用电器R接入电路时,通过熔丝的电流为 A.
(2)一个潮湿的人,赤脚站在地上,由于不小心手接触火线,发生触电事故,则通过人体的电流是 A.(上表电阻数据适用此人).
(3)熔丝不会"救"人命的原因是 .
山东省滕州市鲍沟中学2019届中考物理一轮复习
第十九章 生活用电 参考答案
1、 B 2、C 3、C 4、B 5、C 6、D 7、D 8、C 9、D 10、B
11. (1) 220 (2) 36 V(3)左 (4)零
12. 略

13. (1)断路;(2)短路;(3)正常.
14.
15. 略
16. (1) 5 (2) 0.025 (3) 通过人体的电流远小于保险丝熔断电流,人已触电,但保险丝未断由(2)可知发生触电时,通过人体的电流远小于保险丝熔断电流(10 A),即:人已触电,但保险丝未断,所以熔丝不会"救"人命.