ECH211021-2632-3594 消毒定时芯片
一. 功能说明
供电方式:2-3V电池供电。一路霍尔开关输入控制,两路电平信号同步输出:1路OUTH高电平输出、1路OUTL低电平输出(可二选一)。
霍尔开关断开状态上电不工作,OUTH为低电平、OUTL为高电平。霍尔开关闭合OUTH输出高电平、OUTL输出低电平定时6分钟。定时结束OUTH、OUTL停止输出,电平信号翻转。
二. 电气参数(VDD=5.0V TA=25℃)
|
参数 |
符号 |
最小值 |
典型值 |
最大值 |
单位 |
条件 |
|
工作电压 |
VDD |
2.4 |
3.0 |
5.0 |
V |
|
|
工作电流 |
IOP |
1.6 |
mA |
Fcpu=2MHz@XTAL-4M |
||
|
静态电流 |
ISTB |
3 |
uA |
VDD=5V, WDT 开, LVR 关 |
||
|
驱动电流 |
Iol |
30 |
mA |
Vol=0.6V |
||
|
工作温度 |
TA |
-10 |
25 |
70 |
℃ |
|
|
储存温度 |
Tstg |
-20 |
25 |
100 |
℃ |
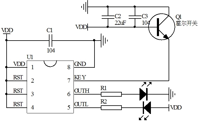
三. 封装脚位图(SOP-8)

6分钟消毒灯定时IC
|
管脚号 |
符号 |
功能描述 |
|
1 |
VDD |
电源正 |
|
2 |
RST |
上拉VDD |
|
3 |
RST |
上拉VDD |
|
4 |
RST |
上拉VDD |
|
5 |
OUTL |
信号输出,低电平有效 |
|
6 |
OUTH |
信号输出,高电平有效 |
|
7 |
KEY |
触发开关 |
|
8 |
GND |
电源负 |
四. 电路图参考

UV消毒灯定时芯片
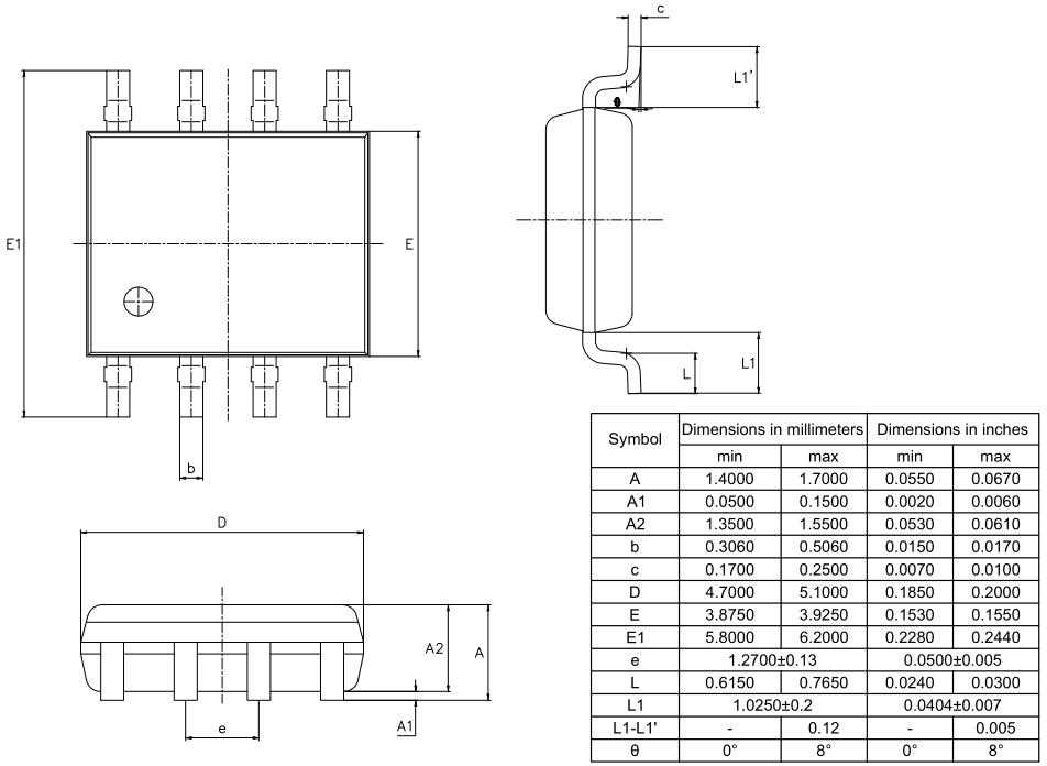
五. 封装尺寸图(SOP-8)

LED紫外线消毒灯芯片方案
六. 版本说明
|
版本 |
日期 |
描述 |
|
ECH211021-2632-3594 |
2021/11/5 |
V01初版 |

消毒盒定时IC