IGBT——绝缘栅双极型晶体管(Insulated Gate Bipolar Transistor),顾名思义,是由 BJT(双极结型晶体三极管) 和 MOS(绝缘栅型场效应管) 组成的复合型功率半导体器件,兼有MOS管的高输入阻抗和晶体管的低导通压降两方面的优点,因此非常适用于高电压、大电流的应用场合(频率不如MOS管)。

IGBT符号及等效电路
1.IGBT的基础知识
IGBT是电压控制型器件,它只有开关特性(通和断两种状态),没有放大特性。由IGBT等效电路可知,它是以晶体管为主导元件,以MOS管为驱动元件的达林顿结构。当栅极电压Uge达到开启电压,IGBT导通,当Uge=0或者负电压时(负电压作用:可靠关断),IGBT断开。
常见的有IGBT单管和IGBT模块两种结构。

IGBT模块实物图

晶体管、MOS管、IGBT比较
2.IGBT主要参数

士兰微某款IGBT规格书

士兰微某款IGBT规格书
①集电极—射极电压(VCE):截止状态下集电极与发射极之间能够承受的最大电压。
②栅极—射极电压(Vge):栅极与发射极之间允许施加的最大电压,通常为±20V。栅极的电压信号控制IGBT的导通和关断,其电压不可超过Vge值。
③集电极电流(IC):IGBT在饱和导通状态下,允许持续通过的最大电流。
④饱和压降Vce(sat):IGBT在饱和导通状态下,集电极与发射极之间的压降。该值越小,则管子工作时的功率损耗越小。
⑤开关时间:它包括导通时间ton和关系时间toff。导通时间ton又包含导通延迟时间td和上升时间tr。关断时间toff又包含关断延迟时间td和下降时间tf。
3.IGBT驱动电路
由于功率 IGBT 在电力电子设备中多用于高压场合,所以驱动电路必须与整个控制电路在电位上完全隔离,主要的途径及其优缺点如下表所示。

驱动电路与控制电路隔离的途径及优缺点

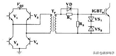
脉冲变压器驱动电路
说明: V1 ~ V4 组成脉冲变压器一次侧驱动电路,通过控制 V1 、 V4 和 V2 、 V3 的轮流导通,将驱动脉冲加至变压器的一次侧,二次侧通过电阻 R1 与 IGBT5 栅极相连, R1 、 R2 防止 IGBT5 栅极开路并提供充放电回路, R1 上并联的二极管为加速二极管,用以提高 IGBT5 的开关速度,稳压二极管 VS1 、 VS2 的作用是限制加在 IGBT5g-e 端的电压,避免过高的栅射电压击穿栅极。栅射电压一般不应超过 20 V 。

光耦驱动电路
说明:由于 IGBT 是高速器件,所选用的光耦必须是小延时的高速型光耦,由 PWM 控制器输出的方波信号加在三极管 V1 的基极, V1 驱动光耦将脉冲传递至整形放大电路 IC1 ,经 IC1 放大后驱动由 V2 、 V3 组成的对管 (V2 、 V3 应选择β >100 的开关管 ) 。对管的输出经电阻 R1 驱动 IGBT4 , R3 为栅射结保护电阻, R2 与稳压管 VS1 构成负偏压产生电路, VS1 通常选用 1 W/5.1 V 的稳压管。此电路的特点是只用 1 组供电就能输出正负驱动脉冲,使电路比较简洁。

IGBT模块驱动典型电路
说明:应用成品驱动模块电路来驱动 IGBT ,具备过流软关断、高速光耦隔离、欠压锁定、故障信号输出等功能。由于这类模块具有保护功能完善、免调试、可靠性高的优点,所以应用这类模块驱动 IGBT 可以缩短产品开发周期,提高产品可靠性。