电饭锅电路识图 (苏泊尔球釜电饭锅电路图纸)

电饭锅属于电热类小家电产品,其核心器件是加热器(电热盘)和控制器件。而控制器件根据控制方式的不同,主要有温控器和单片机两种。下面介绍典型电饭锅电路的识图方法和技巧。

万家乐CFXB25-1/CFXB40-1型电饭锅电路

万家乐CFXB25-1/CFXB40-1型机械控制型电饭锅电路的核心器件是加热盘、总成开关、磁钢温控器、保温器,辅助器件有热熔断器(温度型熔断器)、指示灯、限流电阻等,如图4-1所示。

老式电饭锅电路原理图,美的电饭锅主板电路图解

图4-1 万家乐CFXB25-1/CFXB40-1型

1.加热电路

放入内锅后,将电源插头插入市电插座,再按下总成开关的按键,磁性温控器内的永久磁铁在杠杆的作用下克服弹簧的推力,上移与感温磁铁吸合,使总成开关的触点闭合。此时,220V市电电压不仅为加热盘供电,使加热盘发热煮饭,而且通过150kΩ电阻限流,使红色指示灯发光,表明电饭锅工作在煮饭状态。当煮熟饭时(温度达到103℃),磁钢温控器内感温磁铁的磁性消失,感温磁铁在弹簧的作用下复位,通过杠杆将总成开关的触点断开,此时市电电压通过保温板(电阻丝)降压后,为加热盘供电,电饭锅进入保温状态。同时,市电电压通过150kΩ限流电阻为黄色指示灯供电,使它发光,表明电饭锅工作在保温状态。

2.过热保护电路

热熔断器用于过热保护。当总成开关触点粘连使加热盘加热时间过长,导致加热温度达到165℃时热熔断器熔断,切断市电输入回路,加热盘停止加热,以免加热盘过热损坏,实现过热保护。

格兰仕Y4、Y6系列电饭锅电路

格兰仕Y4、Y6系列电饭锅电路的核心元件是加热盘(发热盘)、开关总成、限温器(磁钢),辅助器件有热熔断器(温度型熔断器)、控温器、指示灯、限流电阻等,如图4-2所示。

老式电饭锅电路原理图,美的电饭锅主板电路图解

图4-2 格兰仕Y4、Y6系列电饭锅电路

1.加热、保温电路

放入内锅后,将电源插头插入市电插座,再按下开关总成的按键,通过磁钢使磁钢内的永久磁铁与感温磁铁吸合,使总成开关的触点闭合。此时,220V市电电压通过热熔断器输入后,不仅为加热盘(发热盘)供电,使它开始加热煮饭,而且通过电阻限流,使煮饭指示灯发光,表明电饭锅工作在煮饭状态。当煮饭温度达到 103℃时,饭已煮熟,磁钢内的感温磁铁的磁性消失,感温磁铁在弹簧的作用下复位,通过杠杆将总成开关的触点断开,加热盘停止加热,电饭锅进入保温状态。同时,市电电压通过限流电阻为保温指示灯供电,使它发光,表明电饭锅工作在保温状态。保温期间若米饭没有被食用,当锅内的温度低于55℃时,控温器的触点闭合,为加热盘供电,加热盘发热;当加热温度达到65℃时,控温器的触点断开,停止发热。这样,在控温器的控制下,米饭的温度被保温在55~65℃。

2.过热保护电路

热熔断器用于过热保护。当总成开关或温控器的触点粘连,使加热盘加热时间过长,导致加热温度达到 165℃时后热熔断器熔断,切断市电输入回路,加热盘停止加热,实现过热保护。

美的MB-YHB40型电饭锅电路

美的 MB-YHB40 型电饭锅电路的核心元器件是加热器(主、副、上盖加热器)、总成开关、限温器(磁性温控器)ST1、保温温控器ST2,辅助器件是热熔断器FU、指示灯、限流电阻等构成,如图4-3所示。

老式电饭锅电路原理图,美的电饭锅主板电路图解

图4-3 美的MB-YHB40型电饭锅电路

1.加热、保温电路

需要煮饭时,按下总成开关ST1的按键,通过杠杆使磁钢内的永久磁铁与感温磁铁吸合,使总成开关组件的触点接通。此时,220V市电电压不仅为主加热器(加热盘)EH1供电,使EH1开始加热煮饭,而且通过R1限流,使煮饭灯HL1发光,表明电饭锅工作在煮饭状态。当煮饭的温度升至103℃时,饭已煮熟,磁钢限温器的感温磁铁磁性消失,在弹簧的作用下复位,通过杠杆将 ST1 的静触点与上边的动触点断开,而与下边动触点接通,此时由于温控器 ST2的触点断开,电饭锅进入保温状态。随着保温的进行,锅内温度不断下降,当温度低于65℃后,ST2的触点闭合,使市电电压通过EH2、EH1构成的回路,使EH2开始加热,对侧面的米饭加热,确保侧面的米饭也柔软可口。同时,EH2两端产生的电压一路为上盖加热器EH3供电,使它发热,将水蒸气烘干,以免滴入米饭,确保米饭干松爽口;另一路经R2限流,使HL2发光,表明电饭锅工作在保温状态。这样,在ST2的控制下,米饭的温度被控制在65℃左右。

2.过热保护电路

过热保护电路由热熔断器FU构成。当总成开关ST1或温控器ST2的触点粘连,使加热器加热时间过长,导致加热温度超过 160℃后 FU 熔断,切断市电输入回路,加热器停止加热,避免了加热器等器件过热损坏,实现过热保护。

家乐GDS70-BI型电饭锅电路

家乐 GDS70-BI 型电饭锅电路由电源电路、微处理器、加热控制电路等构成,如图4-4所示。

1.电源电路

该机的电源电路由变压器T、稳压器IC1、整流管VD1~VD4、滤波电容C4等构成。

该机输入220V市电电压后,市电电压通过电源变压器T降压,从它的次级绕组输出9V左右(与市电高低有关)的交流电压。该电压经D1~D4桥式整流,再通过C1滤波产生12V左右的直流电压。该电压不仅为继电器J的线圈供电,而且经三端稳压器LM7805稳压产生5V直流电压。5V电压利用C2、C3滤波后,不仅为温度取样电路、市电过零检测电路等供电,而且为微处理器电路供电。

2.市电过零检测信号形成电路

该机室内机的市电过零检测信号形成电路由变压器T、放大管V4为核心构成。

由变压器T输出的50Hz交流电压经R15限流,C6滤波后,再通过V4倒相放大,产生50Hz的市电过零检测信号。该检测信号通过C10滤波后,加到CPU(MH8841)的K3脚,被CPU识别后,确保上盖加热器供电回路中的单向晶闸管在市电过零点处导通,避免了它在导通瞬间可能因过流损坏,实现它的低功耗导通控制。

3.微处理器电路

微处理器电路由CPU基本工作条件电路、操作键电路、指示灯显示电路、蜂鸣器电路等构成。

老式电饭锅电路原理图,美的电饭锅主板电路图解

图4-4 家乐GDS70-BI型电饭锅电路

(1)CPU基本工作条件电路

该机的CPU基本工作条件电路由供电电路、复位电路和时钟振荡电路构成。

当电源电路工作后,由它输出的5V电压经C2、C3滤波后,加到CPU的VDD脚为它供电。CPU得到供电后,它内部的振荡器与OSC1、OSC2脚外接的电阻R20通过振荡产生时钟信号。该信号经分频后协调各部位的工作,并作为CPU输出各种控制信号的基准脉冲源。同时,5V供电通过C7充电,为CPU的INIT脚输入一个由高到低的复位信号,使CPU内的存储器、寄存器等电路复位后开始工作。

(2)操作电路

操作电路以CPU、操作键S1、S2、V3、D6~D9构成。该操作键电路采用键扫描方式。CPU的Q6脚输出的键扫描信号经R13限流,再经V3倒相放大后,加到S1、S2的左端。未按压S1、S2时,CPU的K1、K2脚无操作信号输入,CPU不执行操作命令;当按压S1、S2使CPU的K1、K2有键扫描信号输入,被CPU识别后执行操作程序,不仅控制加热进入相应的工作状态,而且控制指示灯显示工作状态。

(3)显示电路

显示电路以CPU、发光二极管LED1~LED6构成。需要LED1~LED6发光,表明该机的工作状态时,CPU的R2~R6、Q7脚相应的端子就会输出指示灯驱动信号。

(4)蜂鸣器电路

蜂鸣器电路由CPU、蜂鸣器B及其放大器V5等构成。

进行功能操作、程序结束或需要报警时,CPU的R9脚输出的音频信号经R11限流,再经V5倒相放大后,驱动蜂鸣器B鸣叫,完成提示和报警功能。

(5)硬性米/软性米选择电路

硬性米、软性米选择电路由CPU、开关S3构成。

当用户使用晚稻米、糯米等软性米做饭时,拨动S3将它接在CPU的R7脚上,被CPU识别后执行软性米煮饭程序,自动缩短吸水和加热时间。当使用早稻米等硬性米做饭时,拨动 S3将它接在CPU的R8脚上,被CPU识别后执行硬性米煮饭程序,自动延长吸水和加热时间。

(6)温度取样电路

温度取样电路由锅底温度传感器RT、锅盖温度传感器Rf、比较器LM393、 CPU为核心构成。

LM393的同相输入端⑤脚输入的是CPU输入的控制电压,而LM393的⑥脚输入的温度取样电压。由于LM393的⑤脚通过5只二极管和5只不同阻值的电阻接CPU的5个端子,所以CPU根据固化的程序分别从这5个端子输出高电平或低电平电压值,也就实现了5个不同温度点的设置。

4.吸水控制电路

在选择好煮饭方式或设置好定时时间,被CPU识别后,根据内部固化的程序控制该机执行吸水程序。此时,CPU的Q1~Q4端输出低电平,Q5、Q0端输出高电平控制信号。Q0端为高电平后通过D14、R40与RC分压后,为LM393的⑤脚提供的参考电压最低;Q5输出的高电平经D19、RT与Rf、R17取样后,使LM393的⑤脚电压高于⑥脚电压,于是LM393⑦脚输出高电平电压,该电压经D13加到CPU的K4脚,被CPU识别后控制R0输出的信号为高电平,经V1 倒相放大,为继电器J的线圈供电,使它的触点闭合,煮饭加热器得到供电后发热,水温逐渐升高。当水温达到40℃左右时,RT的阻值减小到需要值,经取样后为LM393的⑥脚提供的电压超过⑤脚电压,于是 LM393⑦脚输出的信号为低电平,被 CPU 识别后,控制R0输出低电平信号,经V1倒相放大后,使J的触点断开,煮饭加热器停止加热。这样,在内部程序和温度检测电路控制下,使煮饭加热器间断加热,让水温保持在40℃左右,确保米粒能充分吸入水分。

5.煮饭控制电路

完成吸水程序后,CPU根据内部固化的程序控制该机执行煮饭程序。此时CPU的Q1~Q4端输出低电平,Q4、Q5端输出高电平控制信号。Q4端为高电平后通过D18、R95与RC分压后,为 LM393 的⑤脚提供的参考电压最高;Q5 输出的高电平经 D19、RT 与 Rf、R17取样后,使LM393的⑤脚电压高于⑥脚电压,如上所述,煮饭加热器发热,使水温逐渐升高,直至沸腾,实现快速煮饭。当RT检测的温度达到95℃左右时,RT的阻值减小到需要值,经取样后为LM393的⑥脚提供的电压超过⑤脚电压,于是LM393⑦脚输出的信号为低电平,被CPU识别后,控制R0输出低电平信号,经V1倒相放大后,使J的触点断开,煮饭加热器停止加热,进入焖饭程序。

在煮饭过程中,锅盖传感器Rf对室内温度和水蒸气进行检测,以改变LM393的⑥脚输入的电压,也在一定范围内控制了加热器的加热时间。

6.焖饭、保温电路

进入焖饭程序后,CPU根据内部固化的程序。此时CPU从Q0、Q1、Q3、Q4端输出低电平,Q2、Q5、R1端输出高电平控制信号。Q2端为高电平后通过D16、R70与RC分压后,为 LM393⑤脚提供的参考电压升高,Q5 输出的高电平经 D19、RT 与 Rf、R17 取样后,使LM393的⑤脚电压低于⑥脚电压,煮饭加热器不能加热。R1端输出的高电平信号经R4限流、V2射随放大后,使单向晶闸管VS导通,接通上盖加热器的供电回路,使它开始加热,将上盖的凝露水烘干,以免它们滴入米饭,导致米饭发黏。焖饭结束后进入保温状态,此时CPU控制控制保温指示灯发光,表明进入保温状态。随着保温时间的延长,当RT检测的温度达到50℃左右时,RT的阻值增大到需要值,经取样后为LM393⑥脚提供的电压超过⑤脚电压,于是LM393⑦脚输出的信号为高电平电压,被CPU识别后,控制R0输出高电平信号,如上所述,煮饭加热器开始加热,使温度升高。当温度超过70℃后,RT的阻值减小,使LM393的⑦脚输出低电平电压,CPU的R0脚输出低电平信号,煮饭加热器停止加热。这样,在RT、CPU的控制下,煮饭加热器间断性加热,不仅使米饭的温度保持在65℃左右,而且使米饭松软可口。

7.过热保护电路

过热保护功能由热熔断器完成。当继电器J的触点粘连或其驱动电路异常,使加热器加热时间过长,导致加热温度达到热熔断器的保护阈值后它熔断,切断市电输入回路,加热器停止加热,避免了加热器等器件过热损坏,实现过热保护。

美的MB-YCB系列电饭锅电路

美的MB-YCB系列电饭锅有MB-YCB30B、MB-YCB40B、MB-YCB50B三种型号,它们的电路构成相同,都是由电源电路和加热/保温控制电路两大部分构成。

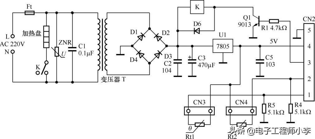
1.供电电路

供电电路由继电器K、变压器T、整流管D1~D4、稳压器U1、滤波电热C1~C3等构成,如图4-5所示。

老式电饭锅电路原理图,美的电饭锅主板电路图解

图4-5 美的MB-YCB系列模糊控制型电饭锅电源电路

220V市电电压经熔断器Ft输入到电源板,再经C1滤除市电中的高频干扰脉冲,随后加到变压器T的初级绕组,从它的次级绕组输出12V左右(与市电高低有关)交流电压,再经D1~D4桥式整流,利用C2、C3滤波产生12V左右的直流电压。该电压分为两路输出:一路为继电器 K 的线圈供电;另一路经三端稳压器 U1(7805)稳压产生 5V 直流电压,通过C5滤波后再经连接器CN2的④脚为微处理器电路供电。

市电输入回路的ZNR是压敏电阻,用于防市电过压和雷电窜入保护。

2.微处理器电路

该机的微处理器电路由微处理器TMP87P809N为核心构成,如图4-6所示。

老式电饭锅电路原理图,美的电饭锅主板电路图解

图4-6 美的MB-YCB系列模糊控制型电饭锅控制电路

(1)TMP87P809N的实用资料

TMP87P809N的引脚功能和引脚维修参考数据如表4-1所示。

老式电饭锅电路原理图,美的电饭锅主板电路图解

表4-1 微处理器TMP87P809N的引脚功能和维修参考数据

(2)工作条件电路

5V供电:插好电饭锅的电源线,待电源电路工作后,由其输出的5V电压经R25限流,再经C12、L1、C4、C8组成的π形滤波器滤波后,加到微处理器U2(TMP87P809N)供电端 28 脚为它供电。

复位电路:复位电路由 U2、复位芯片 U3(KIA7039)和相关元件构成。开机瞬间,由于5V供电在滤波电容的作用下是逐渐升高的,当该电压低于设置值(多为4V)时,U3输出一个低电平的复位信号。该信号加到U2的 27 脚后,U2内的存储器、寄存器等电路清零复位。当5V供电超过4V后,U3输出高电平信号,使U2内部电路复位结束,开始工作。

时钟振荡:时钟振荡电路由微处理器U2和晶振XL1为核心构成。U2得到供电后,它内部的振荡器与①、②脚外接的晶振XL1和移相电容C6、C7通过振荡产生4MHz的时钟信号。该信号经分频后协调各部位的工作,并作为U2输出各种控制信号的基准脉冲源。

3.加热、保温电路

该机的加热、保温电路由加热盘、微处理器 U2、温度传感器(负温度系数热敏电阻)Rt1及Rt2、继电器K1等构成,如图4-5、图4-6所示。

未加热时,Rt1、Rt2的阻值较大,通过取样后此时的电压较低,加到U2的④、⑤脚后,U2将电压数据与内部存储器固化的不同电压数据对应的温度值比较后,确认锅内温度低,并且无水蒸汽,U2可接受煮饭等功能操作。此时,通过功能键选择煮饭功能,并按下开始键,被U2识别后,U2控制快煮和开始指示灯发光,表明电饭锅进入煮饭状态,同时从脚输出高电平信号。该信号经连接器CN2的③脚输入到电源板,通过R1加到放大管Q1的b极,经它倒相放大后为继电器K的线圈供电,使K内的触点闭合,为加热盘供电,使它开始发热,进入煮饭状态。当水温达到100℃,传感器Rt1的阻值减小,使U1的⑤脚输入的电压增大到设置值,被 U2 识别后控制它的 26 脚间断性输出高电平、低电平控制信号,维持沸腾状态。保沸时间达到20min左右,U2的 26脚输出低电平,使加热盘停止加热,电饭锅进入焖饭状态。此时,米饭基本煮熟,但米粒上会残留一些水分,所以焖饭达到一定时间后,U2的 26 脚再次输出高电平信号,使加热盘开始加热,将米粒上多余的水分蒸发掉后,Rt2 的阻值减小到设置值,为U2的④脚提供的电压逐渐增大到设置值,U2判断饭已煮熟,不仅控制蜂鸣器鸣叫,提醒用户饭已煮熟,而且控制脚输出低电平信号,使加热盘停止加热,同时控制煮饭指示灯熄灭,提醒用户煮饭结束,米饭可以食用。若未进行操作,自动进入保温状态。保温期间,U2控制保温指示灯LED17发光,表明该机进入保温状态。此期间,加热盘在Rt1、U2、Q1、K的控制下,温度保持在65℃左右。

4.过热保护电路

过热保护功能是通过热熔断器 Ft 实现的。当继电器 K 的触点粘连或其驱动电路异常,使加热器加热时间过长,导致加热温度达到Ft的保护阈值后它熔断,切断市电输入回路,加热器停止加热,避免了加热器等器件过热损坏,实现过热保护。