11月22日,佛山市陶瓷行业协会发布“关于‘佛山陶瓷’集体商标产品标准《陶瓷砖(板)》的对外公示通知”,现对该标准进行对外公示,公示期至11月30日,将于12月1日起正式实施。
《陶瓷信息》从“佛山陶瓷”集体商标持有者佛山市陶瓷行业协会了解到, 上述标准仅作为“佛山陶瓷”认证的产品质量标准,是基础条件之一,后续还将出台更多的申报条件细则。





















“佛山陶瓷”集体商标产品标准发布
规定了陶瓷砖(板)的分类、要求、试验方法等
据了解,“佛山陶瓷”集体商标由佛山市陶瓷行业协会在2020年9月份注册,并在同月得到国家工商总局正式批复。
今年以来,佛山市市场监督管理局陆续发布《第一批通过评价的佛山标准产品名单》及《佛山标准产品目录(第一批)》、《2021年下半年通过评价的佛山标准产品名单》,共78家企业的126个产品通过“佛山标准”认定。其中, 32家陶瓷卫浴企业的54款产品通过“佛山标准”官方认定,成为名副其实的“佛山砖”。

根据佛山市人民政府《关于推进佛山标准工作的实施意见》,通过“佛山标准”产品认定的企业将会 在相关产品经营现场、产品外包装使用“佛山标准”专用标识以及二维码, 给每个通过“佛山标准”认定的产品给予实实在在的“身份证”。
同时,随着此次 “佛山陶瓷”集体商标产品标准的出台,终端消费市场对“佛山陶瓷”的监管将越来越规范,假冒、山寨产品将无处遁形。
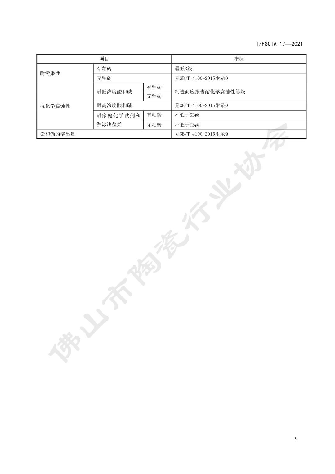
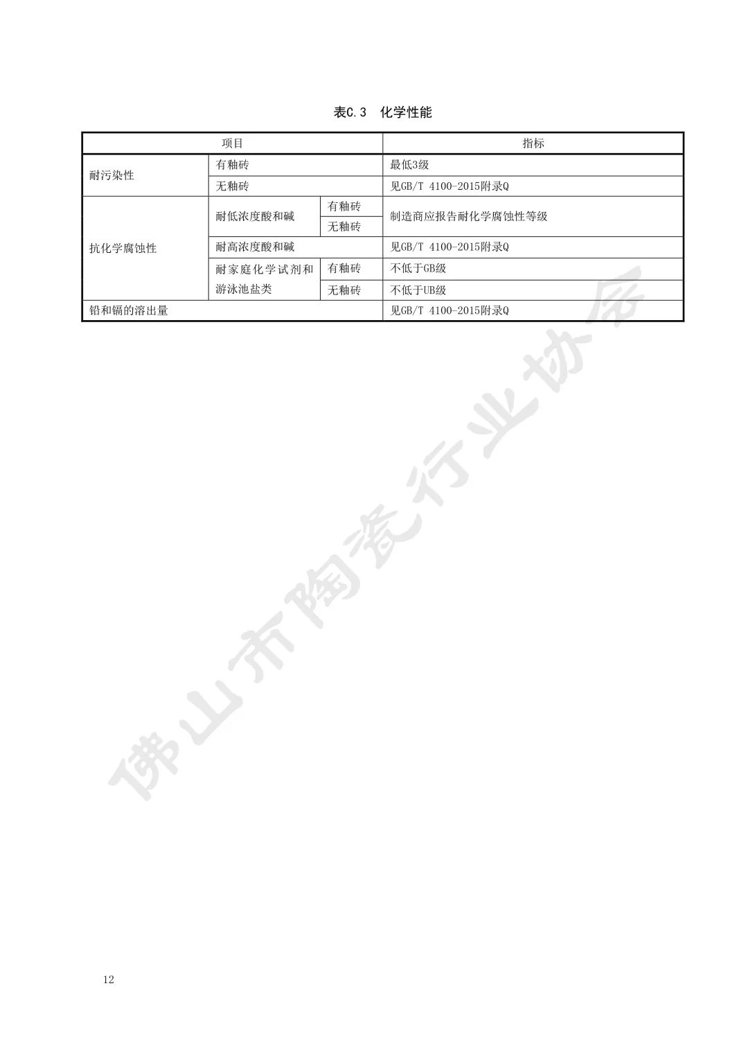
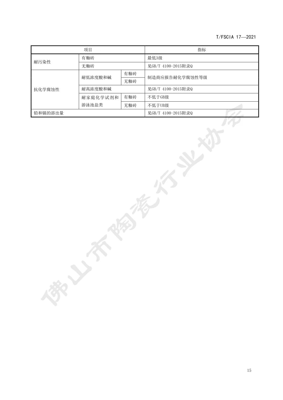
此次“佛山陶瓷”集体商标产品标准《陶瓷砖(板)》 规定了陶瓷砖(板)的分类,如吸水率、尺寸(陶瓷砖:面积小于1.62㎡;陶瓷板:面积大于等于1.62㎡),要求(技术要求、放射性核素限量),实验方法,检验规则(出厂检验、型式检验、组批规则、抽样和判定),标记和说明,包装,运输,贮存和订货等。
适用于各种室内外墙地装修装饰或家居装饰等用途、采用干压成型的陶瓷砖或陶瓷板。
标准出台后 假冒“佛山砖”,后果……
陶瓷,是佛山一张响亮的城市名片。
“佛山陶瓷”,因在中国建陶产业中具有强大的区域品牌影响力,成为商家和消费者选择瓷砖产品的重要指标,于是便有部分瓷砖厂家费尽心机的将其产品贴上“广东佛山”的标签。
在终端消费市场中,假冒“佛山砖”的案例屡见不鲜。
近日, 内蒙古阿拉善左旗市场监管综合执法大队针对瓷砖行业“假冒产地”乱象开展专项整治行动,目前已有8家瓷砖店因未标明所售瓷砖的真实产地被立案处罚。
该事件的起因是,2020年7月,阿拉善盟左旗市场监管局接到消费者李女士投诉,称其家装工程中所使用的卫生间瓷砖发生大面积皲裂现象,怀疑瓷砖出现质量问题,因与商家协调无果,请求市场监管部门协调处理。
执法人员在进一步核查时发现,广东佛山市并不存在涉案瓷砖所标称的生产者“广东佛山奇xx尚陶瓷有限公司”,涉案瓷砖属于无厂址产品, 且其包装物上以大号字体明显标注的含有“广东佛山”字样的字号名称对消费者购买行为产生了实质性的误导影响, 虽然销售者并非伪造产地的主体,但因其未履行法定查验义务,造成了无法查询生产者和消费者权益被损害的事实,所以销售者应当先行承担相应三包义务。
为此,执法人员依法向当事人下达责令改正通知书,经营者赔付了该消费者的全部经济损失共计3500元(含退还购砖款1000元,拆墙砖及重新补贴所需费用2500元)。
一直以来,不少不法经营者鱼目混珠、以次充好,在外包装上打擦边球,将含有广东佛山字样的公司名称标注在一些低档瓷砖上,伪造产地或不标明产地进行销售,本质就是盗用商业信誉、欺骗、渠道消费者权益,扰乱正常市场经营秩序的不正当竞争违法行为。
特别是在每年的国抽、省抽等瓷砖质量抽检活动中,“佛山陶瓷”频频上榜,产品品质不合格率居高不下,但实际上,其中大部分品牌与“佛山陶瓷”风马牛不相及,既非佛山陶瓷、亦非佛山生产,严重侵害了“佛山陶瓷”声誉。
此前,《陶瓷信息》根据公开渠道获悉,2021年以来,马可波罗、蒙娜丽莎、简一、冠军等知名品牌重拳打假,严厉打击山寨产品。 (详见:太猖獗了!冠军、马可波罗、蒙娜丽莎、简一等重拳打假)
随着此次“佛山陶瓷”集体商标产品标准的发布及实施,通过标准的严格约束,将长期以来靠贴牌、山寨“佛山砖”的厂商区别开来,净化消费市场,帮助消费者分清什么是真正的“佛山陶瓷”。
更为重要的是, 通过依据该标准相关技术指标门槛,将不合格的产品杜绝在市场之外,让消费者能够买到真正高质量的“佛山砖”。
未经陶瓷信息网的书面授权,严禁转载,否则视为侵权。
