二极管
导电性能介于导体与绝缘体之间的材料称为半导体,常见的半导体材料有硅、锗和硒等。利用半导体材料可以制作各种各样的半导体元器件,如二极管、三极管、场效应管和晶闸管等都是由半导体材料制作而成的。 1.半导体的特性 半导体的主要特性有以下几个。 ① 掺杂性。当往纯净的半导体中掺入少量某些物质时,半导体的导电性就会大大增强。二极管、三极管就是用掺入杂质的半导体制成的。 ② 热敏性。当温度上升时,半导体的导电能力会增强,利用该特性可以将某些半导体制成热敏器件。 ③ 光敏性。当有光线照射半导体时,半导体的导电能力也会显著增强,利用该特性可以将某些半导体制成光电器件。 2.半导体的类型 半导体主要有3种类型:本征半导体、N型半导体和P型半导体。 ① 本征半导体。纯净的半导体称为本征半导体,它的导电能力很弱,在纯净的半导体中掺入杂质后,半导体的导电能力会大大增强。 ② N型半导体。在纯净半导体中掺入五价杂质(原子核最外层有5个电子的物质,如磷、砷和锑等)后,半导体中会有大量带负电荷的电子(因为半导体原子核最外层一般只有4个电子, 所以可理解为当掺入五价元素后,半导体中的电子数偏多),这种电子偏多的半导体称为N型半导体。 ③ P型半导体。在纯净半导体中掺入三价杂质(如硼、铝和镓)后,半导体中的电子偏少,会有大量的空穴(可以看作正电荷)产生,这种空穴偏多的半导体称为P型半导体。
- 构成
当P型半导体(含有大量的正电荷)和N型半导体(含有大量的电子)结合在一起时,P型半导体中的正电荷向N型半导体中扩散,N型半导体中的电子向P型半导体中扩散,于是在P型半导体和N型半导体中间就形成一个特殊的薄层,这个薄层称为PN结,该过程如图5-1所示。

图5-1 PN结的形成
从含有PN结的P型半导体和N型半导体两端各引出一个电极并封装起来就构成了二极管。与P型半导体连接的电极称为正极(或阳极),用“+”或“A”表示;与N型半导体连接的电极称为负极(或阴极),用“-”或“K”表示。
- 结构、图形符号和实物外形
二极管的内部结构、图形符号和实物外形如图5-2所示。

图5-3 二极管的性质说明图
在图5-3(a)所示电路中,当闭合开关S后,发现灯泡会发光,表明有电流流过二极管,二极管导通;而在图5-3(b)所示电路中,当开关S闭合后灯泡不亮,说明无电流流过二极管,二极管不导通。通过观察这两个电路中二极管的接法可以发现:在图5-3(a)所示电路中,二极管的正极通过开关S与电源的正极连接,二极管的负极通过灯泡与电源的负极相连;而在图5-3(b)所示电路中,二极管的负极通过开关S与电源的正极连接,二极管的正极通过灯泡与电源的负极相连。
由此可以得出这样的结论:当二极管正极与电源正极连接,负极与电源负极相连时,二极管能导通,反之二极管不能导通。二极管这种单方向导通的性质称为二极管的单向导电性。
(2)伏-安特性曲线
在电子工程技术中,常采用伏-安特性曲线来说明元器件的性质。伏-安特性曲线又称为电压-电流特性曲线,用来说明元器件两端电压与通过电流的变化规律。
二极管的伏-安特性曲线用来说明加到二极管两端的电压U与通过电流I之间的关系。二极管的伏-安特性曲线如图5-4(a)所示,图5-4(b)和图5-4(c)所示则是为解释伏-安特性曲线而画的电路。

图5-4 二极管的伏-安特性曲线及电路说明
在图5-4(a)所示的坐标图中,第一象限内的曲线表示二极管的正向特性,第三象限内的曲线表示二极管的反向特性。下面从两方面来分析伏-安特性曲线。
① 正向特性。正向特性是指给二极管加正向电压(二极管正极接高电位,负极接低电位)时的特性。在图5-4(b)所示电路中,电源直接接到二极管两端,此电源电压对二极管来说是正向电压。将电源电压U从0V开始慢慢调高,在刚开始时,由于电压U很低,流过二极管的电流极小,可认为二极管没有导通,只有当正向电压达到图 5-4(a)所示的电压 UA时,流过二极管的电流急剧增大,二极管才导通。这里的电压UA称为正向导通电压,又称门电压(或阈值电压)。不同材料的二极管,其门电压是不同的,硅材料二极管的门电压为0.5~0.7V,锗材料二极管的门电压为0.2~0.3V。
从上面的分析可以看出,二极管的正向特性是:当二极管加正向电压时不一定能导通,只有正向电压达到门电压时,二极管才能导通。
② 反向特性。反向特性是指给二极管加反向电压(二极管正极接低电位,负极接高电位)时的特性。在图5-4(c)所示电路中,电源直接接到二极管两端,此电源电压对二极管来说是反向电压。将电源电压U从0V开始慢慢调高,在反向电压不高时,没有电流流过二极管,二极管不能导通。当反向电压达到图 5-4(a)所示 UB电压时,流过二极管的电流急剧增大,二极管反向导通了。这里的电压UB称为反向击穿电压,反向击穿电压一般很高,远大于正向导通电压。不同型号的二极管反向击穿电压不同,低的十几伏,高的有几千伏。普通二极管反向击穿导通通常是损坏性的,所以反向击穿导通的普通二极管一般不能再使用。
从上面的分析可以看出,二极管的反向特性是:当二极管加较低的反向电压时不能导通,但反向电压达到反向击穿电压时,二极管会反向击穿导通。
二极管的正、反向特性与生活中的开门类似:当你从室外推门(门是朝室内开的)时,如果力很小,门是推不开的,只有力气较大时门才能被推开,这与二极管加正向电压,只有达到门电压才能导通相似;当你从室内往外推门时,门是很难推开的,但如果推门的力气非常大,门也会被推开,不过门被推开的同时一般也就损坏了,这与二极管加反向电压时不能导通,但反向电压达到反向击穿电压(电压很高)时二极管会击穿导通相似。
3.主要参数
二极管的主要参数有以下几个。
(1)最大整流电流IF
二极管长时间使用时允许流过的最大正向平均电流称为最大整流电流,或称为二极管的额定工作电流。当流过二极管的电流大于最大整流电流时,二极管容易被烧坏。二极管的最大整流电流与PN结面积、散热条件有关。PN结面积大的面接触型二极管的IF大,点接触型二极管的IF小;金属封装二极管的IF大,而塑封二极管的IF小。
(2)最高反向工作电压UR
最高反向工作电压是指二极管正常工作时两端能承受的最高反向电压。最高反向工作电压一般为反向击穿电压的一半。在高压电路中需要采用UR大的二极管,否则二极管易被击穿损坏。
(3)最大反向电流IR
最大反向电流是指二极管两端加最高反向工作电压时流过的反向电流。该值越小,表明二极管的单向导电性能越佳。
(4)最高工作频率fM
最高工作频率是指二极管在正常工作条件下的最高频率。如果加给二极管的信号频率高于该频率,二极管将不能正常工作。fM的大小通常与二极管的PN结面积有关,PN结面积越大,fM越低,故点接触型二极管的fM较高,而面接触型二极管的fM较低。
5.极性判别
二极管引脚有正、负极之分,在电路中乱接轻则二极管不能正常工作,重则损坏。二极管极性判别可采用下面介绍的一些方法。
- 根据标注或外形判断极性
为了让人们更好地区分出二极管的正、负极,有些二极管会在表面用一定的标志来指示,有些特殊的二极管从外形也可找出正、负极。
图 5-5 所示左上方的二极管表面标有二极管符号,其中三角形端对应的电极为正极,另一端为负极;左下方的二极管标有白色圆环的一端为负极;右方的二极管金属螺栓为负极,另一 端为正极。

图5-5 根据标注或外形判断二极管的极性
- 用指针万用表判断极性
对于没有标注极性或无明显外形特征的二极管,可用指针万用表的欧姆挡来判断其极性。将万用表拨至“R×100”或“R×1k”挡,测量二极管两个引脚之间的阻值,正、反各测一次,会出现阻值一大一小的情况,如图5-6所示,以阻值小的一次为准,如图5-6(a)所示,黑表笔接的为二极管的正极,红表笔接的为二极管的负极。

图5-6 用指针万用表判断二极管的极性
(3)用数字万用表判断极性
数字万用表与指针万用表一样,也有欧姆挡,但由于两者测量原理不同,数字万用表欧姆挡无法判断二极管的正、负极(数字万用表测量正、反向电阻时阻值都显示∞符号“1”),不过数字万用表有一个二极管专用测量挡,可以用该挡来判断二极管的极性。用数字万用表判断二极管极性的过程如图5-7所示。

图5-7 用数字万用表判断二极管的极性
在检测判断时,将数字万用表拨至“ ”挡(二极管测量专用挡),然后将红、黑表笔分别接被测二极管的两极,正、反各测一次,测量中会出现一次显示“1”,如图5-7(a)所示,另一次显示100~800的数字,如图5-7(b)所示,以显示100~800数字的那次测量为准,红表笔接的为二极管的正极,黑表笔接的为二极管的负极。在图中,显示“1”表示二极管未导通,显示“585”表示二极管已导通,并且二极管当前的导通电压为585mV(即0.585V)。
6.常见故障及检测二极管的常见故障有开路、短路和性能不良。
在检测二极管时,将万用表拨至“R×1k”挡,测量二极管的正、反向电阻,测量方法与极性判断相同,可参见图5-6。正常锗材料二极管的正向阻值在1kΩ左右,反向阻值在500kΩ以上;正常硅材料二极管的正向电阻在1~10kΩ,反向电阻为∞(注:不同型号万用表测量值略有差别)。也就是说,正常二极管的正向电阻小,反向电阻很大。
若测得二极管正、反向电阻均为0Ω,说明二极管短路。若测得二极管正、反向电阻均为∞,说明二极管开路。若测得正、反向电阻的差距小(即正向电阻偏大,反向电阻偏小),说明二极管性能不良。
1.整流二极管整流二极管的功能是将交流电转换成直流电。整流二极管的功能说明如图5-8所示。

图5-8 整流二极管的功能说明
在图 5-8(a)中,将灯泡与 220V 交流电源直接连起来。当交流电为正半周时,其电压极性为上正下负,有正半周电流流过灯泡,电流流过途径为交流电源上正→灯泡→交流电源下负,如实线箭头所示;当交流电为负半周时,其电压极性变为上负下正,有负半周电流流过灯泡,电流流过途径为交流电源下正→灯泡→交流电源上负,如虚线箭头所示。由于正、负半周电流均流过灯泡,所以灯泡会发光,并且光线很亮。
在图5-8(b)中,在220V交流电源与灯泡之间串接一个二极管,会发现灯泡也亮,但亮度较暗,这是因为只有交流电源为正半周(极性为上正下负)时,二极管才导通,而当交流电源为负半周(极性为上负下正)时,二极管不能导通,结果只有正半周交流电通过灯泡,故灯泡仍亮,但亮度较暗。图中的二极管允许交流电的一个半周通过而阻止另一个半周通过,其功能称为整流,该二极管称为整流二极管。
用作整流功能的二极管要求最大整流电流和最高反向工作电压满足电路要求,如图5-8(b)中的整流二极管在交流电源负半周时截止,它两端要承受300多伏的电压,如果选用的二极管最高反向工作电压低于该值,则二极管会被反向击穿。
表5-1列出了一些常用整流二极管的主要参数。

表5-1 常用整流二极管的主要参数
3.整流桥
整流桥又称整流桥堆,它内部含有多个整流二极管,整流桥有半桥和全桥之分。
(1)整流半桥
半桥内部有两个二极管,根据二极管连接方式不同,可分为共阴极半桥、共阳极半桥和独立二极管半桥,共阴极半桥、共阳极半桥有3个引脚,独立二极管半桥有4个引脚,如图5-9所示

图5-9 整流半桥
在检测 3 个引脚的整流半桥时,将万用表拨至“R×1k”挡,测量任意两引脚之间的阻值。当出现阻值小时,黑表笔接的为该二极管的正极,红表笔接的为该二极管的负极;然后黑表笔不动,红表笔接余下的引脚,如果测得的阻值也很小,则所测整流半桥为共阳极,黑表笔接的为公共极;如果测得阻值为∞,则所测整流半桥为共阴极,红表笔先前接的引脚为公共极。
- 整流全桥
全桥内部有4个整流二极管,其实物外形与内部连接如图5-10所示。全桥有4个引脚,标有“~”的两个引脚为交流电压输入端,标有“+”和“-”的分别为直流电压“+”和“-”输出端。

图5-10 整流全桥
开关二极管
二极管具有导通和截止两种状态,对应着开关的“开(接通)”和“关(断开)”两种状态。当二极管加正向偏压时,正极电压高于负极电压,二极管导通,相当于开关闭合;当二极管加反向偏压时,正极电压低于负极电压,二极管截止,相当于开关闭合。
1.特点
在开关进行开、关状态切换时,需要一定的切换时间,同样,二极管由一种状态转换到另一种状态也需要一定的时间,二极管从导通状态转换到截止状态所需的时间称为反向恢复时间,二极管从截止状态转换到导通状态所需的时间称为正向开通时间,二极管的反向恢复时间要远大于正向开通时间。故二极管通常只给出反向恢复时间。
为了达到良好的开、关效果,要求开关二极管的导通、截止切换速度很快,即要求开关二极管的反向恢复时间要短。开关二极管具有开关速度快、体积小、寿命长、可靠性高等特点,广泛应用于电子设备的开关电路、检波电路、高频和脉冲整流电路及自动控制电路中。
2.种类
开关二极管的种类很多,如普通开关二极管、高速开关二极管、超高速开关二极管、低功耗开关二极管、高反压开关二极管和硅电压开关二极管等。
① 普通开关二极管。常用的国产普通开关二极管有2AK系列锗开关二极管(如2AK1)。② 高速开关二极管。高速开关二极管较普通开关二极管的反向恢复时间更短,开、关频率更快。常用的国产高速开关二极管有2CK系列(2CK13),进口高速开关二极管有1N系列(如1N4148)、1S系列(如1S2471)、1SS系列(有引线塑封)和RLS系列(表面封装)。
③ 超高速开关二极管。常用的超高速开关二极管有1SS系列和RLS系列。④ 低功耗开关二极管。低功耗开关二极管的功耗较低,但其零偏压电容和反向恢复时间值均较高速开关二极管低。常用的低功耗开关二极管有RLS系列和1SS系列。 ⑤ 高反压开关二极管。高反压开关二极管的反向击穿电压均在 220V 以上,但其零偏压电容和反向恢复时间值相对较大。常用的高反压开关二极管有RLS系列和1SS系列。⑥ 硅电压开关二极管。硅电压开关二极管是一种新型半导体器件,有单向电压开关二极管和双向电压开关二极管之分,主要应用于触发器、过电压保护电路、脉冲发生器及高压输出、延时、电子开关等电路。单向电压开关二极管也称转折二极管,其正向为负阻开关特性(即当外加电压升高到正向转折电压值时,开关二极管由截止状态变为导通状态,即由高阻转为低阻),反向为稳定特性;双向电压开关二极管的正向和反向均具有相同的负阻开关特性。
最常用的开关二极管有 1N4148、1N4448,两者均采用透明玻壳封装,靠近黑色环的引脚为负极,它们可以代换国产大部分2CK系列型号的开关二极管。1N4148、1N4448的参数见表5-2。

表5-2 1N4148、1N4448的参数
3.应用
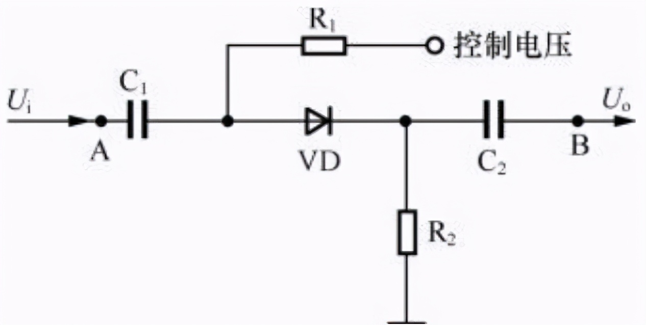
开关二极管的应用举例如图 5-11 所示。从 A 点输入的Ui信号要到达 B 点输出,必须经过二极管 VD,当控制电压为正电压时,二极管导通,Ui信号经C1、VD、C2到达B点输出;当控制电压为负电压时,二极管截止,Ui信号无法通过VD,不能到达B点。二极管VD在该电路中相当于一个开关,其通断受电压控制,故又称为电子开关。

图5-11 开关二极管的应用举例
国产二极管的型号命名分为以下5个部分。第1部分用数字“2”表示主称为二极管。 第2部分用字母表示二极管的材料与极性。第3部分用字母表示二极管的类别。第4部分用数字表示序号。第5部分用字母表示二极管的规格号。国产二极管的型号命名及含义见表5-3。
表5-3 国产二极管的型号命名及含义

举例:

稳压二极管
稳压二极管又称齐纳二极管或反向击穿二极管,在电路中起稳压作用。稳压二极管的实物外形和图形符号如图5-12所示。

图5-12 稳压二极管
在电路中,稳压二极管可以稳定电压。要让稳压二极管起稳压作用,需将它反接在电路中(即稳压二极管的负极接电路中的高电位,正极接低电位),稳压二极管在电路中正接时的性质与普通二极管相同。下面以图5-13所示的电路为例来说明稳压二极管的稳压原理。

图5-13 稳压二极管的稳压原理说明图
图5-13中所示稳压二极管VZ的稳压值为5V,若电源电压低于5V,当闭合开关S时,VZ反向不能导通,无电流流过限流电阻R,UR= IR = 0V,电源电压途经R时,R上没有压降,故A点电压与电源电压相等,VZ两端的电压UVZ与电源电压也相等。例如E=4V时,UVZ也为4V,电源电压在5V范围内变化时,UVZ也随之变化。也就是说,当加到稳压二极管两端的电压低于它的稳压值时,稳压二极管处于截止状态,无稳压功能。
若电源电压超过稳压二极管的稳压值,如E=8V,当闭合开关S时,8V电压通过电阻R送到A点,该电压超过稳压二极管的稳压值,VZ反向击穿导通,马上有电流流过电阻R和稳压二极管VZ,电流在流过电阻R时,R产生3V的压降(即UR=3V),稳压二极管VZ两端的电压UVZ=5V。
若调节电源E使电压由8V上升到10V时,由于电压的升高,流过R和VZ的电流都会增大,因流过R的电流增大,R上的电压UR也随之增大(由3V上升到5V),而稳压二极管VZ上的电压UVZ则维持5V不变。
稳压二极管的稳压原理可概括为:当外加电压低于稳压二极管的稳压值时,稳压二极管不能导通,无稳压功能;当外加电压高于稳压二极管的稳压值时,稳压二极管反向击穿,两端电压保持不变,大小等于稳压值(注:为了保护稳压二极管并使它有良好的稳压效果,需要给稳压二极管串接限流电阻)。
稳压二极管在电路中通常有两种应用连接形式,如图5-14所示。 在图5-14(a)所示电路中,输出电压Uo取自稳压二极管VZ两端,故Uo=UVZ。当电源电压上升时,由于稳压二极管的稳压作用,UVZ稳定不变,输出电压Uo也不变。也就是说在电源电压变化的情况下,稳压二极管两端的电压始终保持不变,该稳定不变的电压可供给其他电路,使电路能稳定正常工作。 在图 5-14(b)所示电路中,输出电压取自限流电阻 R 两端,当电源电压上升时,稳压二极管两端电压 UVZ不变,限流电阻 R 两端电压上升,故输出电压 Uo也上升。稳压二极管按这种 接法是不能为电路提供稳定电压的。

图5-14 稳压二极管在电路中的两种应用连接形式
稳压二极管的主要参数有稳定电压、最大稳定电流和最大耗散功率等。
- 稳定电压
稳定电压是指稳压二极管工作在反向击穿状态时两端的电压值。同一型号的稳压二极管,稳定电压可能为某一固定值,也可能在一定的数值范围内。例如2CW15的稳定电压是7~8.8V,说明它的稳定电压可能是7V,可能是8V,还可能是8.8V等数值。
(2)最大稳定电流
最大稳定电流是指稳压二极管正常工作时所允许通过的最大电流。稳压二极管在工作时,实际工作电流要小于该电流,否则其会因为长时间工作而损坏。
最大耗散功率
最大耗散功率是指稳压二极管通过反向电流时允许消耗的最大功率,它等于稳定电压和最大稳定电流的乘积。在使用中,如果稳压二极管消耗的功率超过该功率,稳压二极管就容易损坏。
检测
稳压二极管的检测包括极性判断、好坏检测和稳压值检测。稳压二极管具有普通二极管的单向导电性,故其极性检测与普通二极管相同,这里仅介绍稳压二极管的好坏检测和稳压值检测。
- 好坏检测
将万用表拨至“R×100”或“R×1k”挡,测量稳压二极管的正、反向电阻,如图5-15所示。正常的稳压二极管的正向电阻很小,反向电阻很大。

图5-15 稳压二极管的好坏检测
若测得的正、反向电阻均为0Ω,说明稳压二极管短路。若测得的正、反向电阻均为∞,说明稳压二极管开路。若测得的正、反向电阻差距不大,说明稳压二极管性能不良。
注:对于稳压值小于9V的稳压二极管,用万用表的R×10k挡(此挡位万用表内接9V电池)测反向电阻时,稳压二极管会被反向击穿,此时测出的反向阻值较小,这属于正常情况。
2.稳压值检测
检测稳压二极管的稳压值可按下面两个步骤进行。
第1步:按图5-16所示的方法将稳压二极管与电容、电阻和耐压大于300V的二极管接好,再与220V市电连接。

图5-16 稳压二极管稳压值的检测
第2步:将万用表拨至直流“50 V”挡,红、黑表笔分别接被测稳压二极管的负、正极,然后在表盘上读出测得的电压值,该值即为稳压二极管的稳定电压值。图中测得稳压二极管的稳压值为15V。
变容二极管在电路中可以相当于电容,并且容量可调。变容二极管的实物外形和图形符号如图5-17所示。

图5-17 变容二极管
工作原理
变容二极管与普通二极管一样,加正向电压时导通,加反向电压时截止。在变容二极管两端加反向电压时,其除了截止外,还可以视为电容。变容二极管的性质说明如图5-18所示。

图5-18 变容二极管的性质说明图
(1)加正向电压
当变容二极管两端加正向电压时,其内部的PN结变薄,如图5-18(a)所示,当正向电压达到导通电压时,PN结消失,它对电流的阻碍消失,变容二极管像普通二极管一样正向导通。(2)加反向电压当变容二极管两端加反向电压时,其内部的PN结变厚,如图5-18(b)所示,PN结阻止电流通过,故变容二极管处于截止状态。反向电压越高,PN结越厚。PN结阻止电流通过,相当于绝缘介质,而P型半导体和N型半导体分别相当于两个极板,也就是说处于截止状态的变容二极管内部会形成电容的结构,这种电容称为结电容。普通二极管的P型半导体和N型半导体都比较小,形成的结电容很小,可以忽略;而变容二极管在制造时特意增大P型半导体和N型半导体的面积,从而增大结电容。也就是说,当变容二极管两端加反向电压时,变容二极管处于截止状态,内部会形成电容器的结构,此状态下的变容二极管可以看成是电容器。(3)容量变化规律变容二极管加反向电压时可以相当于电容器,当反向电压改变时,其容量就会发生变化。下面以图5-19所示的电路和曲线为例来说明变容二极管的容量变化规律。

图5-19 变容二极管的容量变化规律
在图5-19(a)所示电路中,变容二极管VD加有反向电压,电位器RP用来调节反向电压的大小。当RP滑动端右移时,加到变容二极管负端的电压升高,即反向电压增大,VD内部的PN结变厚,内部的P、N型半导体距离变远,形成的电容容量变小;当RP滑动端左移时,变容二极管反向电压减小,VD内部的PN结变薄,内部的P、N型半导体距离变近,形成的电容容量增大。也就是说,当调节变容二极管的反向电压大小时,其容量会发生变化。反向电压越高,容量越小;反向电压越低,容量越大。图5-19(b)所示为变容二极管的特性曲线,它直观表示出变容二极管两端反向电压与容量的变化规律。如当反向电压为2V时,容量为3pF;当反向电压增大到6V时,容量减小到2pF。
主要参数
变容二极管的主要参数有结电容、结电容变化范围和最高反向电压等。(1)结电容结电容指两端加一定反向电压时变容二极管PN结的容量。(2)结电容变化范围结电容变化范围是指变容二极管的反向电压从 0V 开始变化到某一电压值时,其结电容的变化范围。(3)最高反向电压最高反向电压是指变容二极管正常工作时两端允许施加的最高反向电压值。使用时超过该值,变容二极管容易被击穿。 变容二极管的检测方法与普通二极管基本相同。检测时将万用表拨至“R×10k”挡,测量变容二极管的正、反向电阻,正常的变容二极管反向电阻为∞,正向电阻一般在200kΩ左右(不同型号该值略有差别)。
若测得正、反向电阻均很小或为0Ω,说明变容二极管漏电或短路。若测得正、反向电阻均为∞,说明变容二极管开路。
双向触发二极管
双向触发二极管简称双向二极管,它在电路中可以双向导通。双向触发二极管的实物外形和图形符号如图5-20所示。

图5-20 双向触发二极管
性质
普通二极管有单向导电性,而双向触发二极管具有双向导电性,但它的导通电压通常比较高。下面通过图5-21所示电路来说明双向触发二极管的性质。(1)加正向电压在图5-21(a)所示电路中,将双向触发二极管VD与可调电源E连接起来。当电源电压较低时, VD并不能导通,随着电源电压的逐渐调高,当调到某一值(如30V)时,VD马上导通,有从上往下的电流流过双向触发二极管。(2)加反向电压在图5-21(b)所示电路中,将电源的极性调换后再与双向触发二极管VD连接起来。当电源电压较低时,VD不能导通,随着电源电压的逐渐调高,当调到某一值(如30V)时,VD马上导通,有从下向上的电流流过双向触发二极管。综上所述,不管加正向电压还是反向电压,只要电压达到一定值,双向触发二极管就能导通。(3)特性曲线双向触发二极管的性质可用图5-22所示的曲线来表示,坐标中的横轴表示加在双向触发二极管两端的电压,纵轴表示流过双向触发二极管的电流。

图5-21 双向触发二极管的性质说明

图5-22 双向触发二极管的特性曲线
从图5-22所示特性曲线可以看出,当双向触发二极管两端加正向电压时,如果两端电压低于电压UB1,流过的电流很小,双向触发二极管不能导通,一旦两端的正向电压达到UB1(称为触发电压),双向触发二极管马上导通,有很大的电流流过双向触发二极管,同时双向触发二极管两端的电压会下降(低于UB1)。
同样,当双向触发二极管两端加反向电压时,在两端电压低于电压 UB2时双向触发二极管也不能导通,只有两端的反向电压达到UB2时才能导通,导通后的双向触发二极管两端的电压会下降(低于UB2)。从图5-22中还可以看出,双向触发二极管的正、反向特性相同,具有对称性,故双向触发二极管的极性没有正、负之分。双向触发二极管的触发电压较高,30V左右最为常见。双向触发二极管的触发电压一般有20~60V、100~150V和200~250V 3个等级。
检测
双向触发二极管的检测包括好坏检测和触发电压检测。
- 好坏检测
将万用表拨至“R×10k”挡,测量双向触发二极管的正、反向电阻,如图5-23所示。若双向触发二极管正常,则正、反向电阻均为∞。若测得的正、反向电阻很小或为0Ω,则说明双向触发二极管漏电或短路,不能使用。2.触发电压检测检测双向触发二极管的触发电压可按下面3个步骤进行。第1步:按图5-24所示的方法将双向触发二极管与电容、电阻和耐压大于300V的二极管接好,再与220V市电连接。

图5-23 双向触发二极管的好坏检测

图5-24 双向触发二极管触发电压的检测
第2步:将万用表拨至直流“50 V”挡,红、黑表笔分别接被测双向触发二极管的两极,然后观察表针位置。如果表针在表盘上摆动(时大时小),则表针所指最大电压即为双向触发二极管的触发电压。图中表针指的最大值为30V,即双向触发二极管的触发电压值约为30V。第3步:将双向触发二极管的两极对调,再测两端电压,正常时该电压值应与第2步测得的电压值相等或相近。两者差值越小,表明双向触发二极管的对称性越好,即性能越好。
双基极二极管
双基极二极管又称单结晶管,它除了有一个发射极E外,还有B1、B2两个基极。
双基极二极管的实物外形、图形符号、结构和等效图如图5-25所示。双基极二极管的制作过程:在一块高电阻率的 N 型半导体基片的两端各引出一个铝电极,如图5-25(c)所示,分别称为第一基极B1和第二基极B2,然后在N型半导体基片一侧埋入P型半导体,在两种半导体的结合部位就形成了一个 PN 结,再在 P 型半导体端引出一个电极,称为发射极(E)
双基极二极管的等效图如图5-25(d)所示。双基极二极管B1、B2极之间为高电阻率的N型半导体,故两极之间的电阻 RBB较大(4~12kΩ)。以 PN 结为中心,将 N 型半导体分为两部分,PN结与B1极之间的电阻用RB1表示,PN结与B2极之间的电阻用RB2表示,RBB=RB1+RB2。E极与N型半导体之间的PN结可等效为一个二极管,用VD表示。

图5-25 双基极二极管
为了分析双基极二极管的工作原理,在E极和第一基极B1之间加电压UE,在第二基极B2和第一基极B1之间加电压UBB,具体如图5-26(a)所示。下面分几种情况来分析双基极二极管的工作原理。

图5-26 双基极二极管工作原理说明图
当UE=0V时,双基极二极管内部的PN结截止,由于B2、B1极之间加有电压UBB,所以有电流IB流过RB2和RB1,这两个等效电阻上都有电压,分别是URB2和URB1。从图中不难看出,URB1与UBB之比等于RB1与(RB1+RB2)之比,即

s式中

称为双基极二极管的分压系数(或称分压比),常用η表示。不同的双基极二极管的η有所不同,η通常在0.3~0.9范围内。
当0<UE<(UVD+URB1)时,由于电压UE小于PN结的导通电压UVD与RB1上的电压URB1之和,所以PN结仍无法导通。
当UE=UVD+URB1=UP时,PN结导通,有电流IE流过RB1。由于RB1呈负阻性,流过RB1的电流增大,其阻值减小,其上的电压 URB1也减小,根据 UE=UVD+URB1可知,URB1减小会使 UE也减小(PN结导通后,其UVD基本不变)。
IE的增大使 RB1的阻值变小,而 RB1的阻值变小又会使 IE进一步增大,这样就会形成正反馈,其过程如下

正反馈使IE越来越大,RB1的阻值越来越小,电压UE也越来越低,该过程如图5-26(b)中的P点至V点曲线所示。当IE增大到一定值时,RB1的阻值开始增大,RB1又呈正阻性,电压UE开始缓慢回升,其变化如图5-26(b)中的V点右方曲线所示。若此时UE<UV,双基极二极管又会进入截止状态。
综上所述,双基极二极管具有以下特点。① 当电压 UE小于峰值电压 UP(也即小于 UVD+URB1)时,双基极二极管 E、B1极之间不能导通。② 当电压 UE等于峰值电压 UP时,双基极二极管 E、B1极之间导通,两极之间的电阻变得很小,电压UE的大小马上由峰值电压UP下降至谷值电压UV。③ 双基极二极管导通后,若UE<UV,双基极二极管会由导通状态进入截止状态。④ 双基极二极管内部的等效电阻 RB1的阻值随电流 IE的变化而变化,而 RB2的阻值则与电流IE无关。⑤ 不同的双基极二极管具有不同的UP、UV值。对于同一个双基极二极管,如果其电压UBB变化,那么其UP、UV值也会发生变化。
检测
双基极二极管的检测包括极性检测和好坏检测。1.极性检测双基极二极管有E、B1、B23 个电极,从图5-25(d)所示的等效图可以看出,双基极二极管的E、B1极之间和E、B2极之间都相当于一个二极管与电阻串联,B2、B1极之间相当于两个电阻串联。双基极二极管的极性检测过程如下。① 检测出E极。将万用表拨至“R×1k”挡,红、黑表笔测量双基极二极管任意两极之间的阻值,每两极之间都正、反各测一次。若测得某两极之间的正、反向电阻相等或接近(阻值一般在2kΩ以上)时,这两个电极就为B1、B2极,余下的电极为E极;若测得某两极之间的正、反向电阻出现一次阻值小,另一次为∞,以阻值小的那次测量为准,黑表笔接的为E极,余下的两个电极为B1、B2极。② 检测出 B1、B2极。万用表仍置于“R×1k”挡,黑表笔接已判断出的 E 极,红表笔依次接另外两极,两次测得的阻值会出现一大一小,以阻值小的那次为准,红表笔接的电极通常为 B1极,余下的电极为B2极。由于不同型号双基极二极管的RB1、RB2阻值会有所不同,所以这种检测B1、B2极的方法并不适合所有的双基极二极管。如果在使用时发现双基极二极管工作不理想,可将B1、B2极对换。对于一些外形有规律的双基极二极管,其电极可以根据外形判断出来,具体如图 5-27 所示。双基极二极管引脚朝上,最接近管子管键(凸出部分)的引脚为E极,按顺时针方向旋转依次为B1、B2极。

图5-27 从双基极二极管的外形判别电极
2.好坏检测双基极二极管的好坏检测过程如下。① 检测E、B1极和E、B2极之间的正、反向电阻。将万用表拨至“R× 1k”挡,黑表笔接双基极二极管的E极,红表笔依次接B1、B2极,测量E、B1极和E、B2极之间的正向电阻,正常时正向电阻较小;然后红表笔接E极,黑表笔依次接B1、B2极,测量E、B1极和E、B2极之间的反向电阻,正常时反向电阻为∞或接近∞。② 检测B1、B2极之间的正、反向电阻。将万用表拨至“R×1k”挡,红、黑表笔分别接双基极二极管的B1、B2极,正、反各测一次,正常时B1、B2极之间的正、反向电阻在2~200kΩ范围内。若测量结果与上述不符,则为双基极二极管损坏或性能不良。
肖特基二极管
肖特基二极管又称肖特基势垒二极管(SBD)。常见的肖特基二极管实物外形如图 5-28(a)所示。3个引脚的肖特基二极管内部由两个二极管组成,其连接有多种方式,如图5-28(b)所示。

图5-28 肖特基二极管
肖特基二极管是一种低功耗、大电流、超高速的半导体整流二极管,其工作电流可达几千安,而反向恢复时间可短至几纳秒。二极管的反向恢复时间越短,从截止转为导通的切换速度就越快,普通整流二极管的反向恢复时间长,无法在高速整流电路中正常工作。另外,肖特基二极管的正向导通电压较普通硅二极管低。由于肖特基二极管的导通、截止状态可高速切换,故主要用在高频电路中。由于面接触型的肖特基二极管工作电流大,故变频器、电动机驱动器、逆变器和开关电源等设备中的整流二极管、续流二极管和保护二极管常采用面接触型的肖特基二极管;对于点接触型的肖特基二极管,其工作电流稍小,常在高频电路中用于检波或小电流整流。
肖特基二极管的缺点是反向耐压低,一般在 100V 以下,因此不能用在高电压电路中。肖特基二极管与普通二极管一样具有单向导电性,其极性与好坏检测方法与普通二极管相同。
表5-4列出了一些TO封装肖特基二极管的主要参数,表5-5为一些常用的表面封装肖特基二极管的主要参数。
表5-4 一些TO封装肖特基二极管的主要参数

表5-5 一些表面封装(SMD封装)肖特基二极管的主要参数

快恢复二极管
快恢复二极管(FRD)、超快恢复二极管(SRD)的图形符号与普通二极管相同。常见的快恢复二极管的实物外形如图5-29(a)所示。3个引脚的快恢复二极管内部由两个二极管组成,其连接有共阳和共阴两种方式,如图5-29(b)所示。

图5-29 快恢复二极管
快恢复二极管是一种反向工作电压高、工作电流较大的高速半导体二极管,其反向击穿电压可达几千伏,反向恢复时间一般为几百纳秒。快恢复二极管广泛应用于开关电源、不间断电源、变频器和电动机驱动器中,主要用于高频、高压和大电流整流或续流。
快恢复二极管和肖特基二极管的区别主要有以下几点。① 快恢复二极管的反向恢复时间为几百纳秒;肖特基二极管更快,可达几纳秒。② 快恢复二极管的反向击穿电压高(可达几千伏),肖特基二极管的反向击穿电压低(一般在100V以下)。
③ 快恢复二极管的功耗较大,肖特基二极管功耗相对较小。因此快恢复二极管主要用在高电压、小电流的高频电路中,肖特基二极管主要用在低电压、大电流的高频电路中。快恢复二极管与普通二极管一样具有单向导电性,其极性与好坏检测方法与普通二极管相同。
表5-6列出了一些快恢复二极管的主要参数。
表5-6 一些快恢复二极管的主要参数

瞬态电压抑制二极管
瞬态电压抑制二极管又称瞬态抑制二极管,简称 TVS。常见的瞬态抑制二极管实物外形如图5-30(a)所示。瞬态抑制二极管有单极型和双极型之分,其图形符号如图5-30(b)所示。

图5-30 瞬态抑制二极管
性质
瞬态抑制二极管是一种二极管形式的高效能保护器件,当它两极间的电压超过一定值时,能以极快的速度导通,将两极间的电压固定在一个预定值上,从而有效地保护电子线路中的精密元器件。
单极型瞬态抑制二极管用来抑制单向瞬间高压,如图5-31(a)所示,当大幅度正脉冲的尖峰到来时,单极型瞬态抑制二极管反向导通,正脉冲被钳在固定值上;在大幅度负脉冲到来时,若A点电压低于-0.7V,单极型瞬态抑制二极管正向导通,A点电压被钳在-0.7V。
双极型瞬态抑制二极管可抑制双向瞬间高压,如图5-31(b)所示,当大幅度正脉冲的尖峰到来时,双极型瞬态抑制二极管导通,正脉冲被钳在固定值上;当大幅度负脉冲的尖峰到来时,双极型瞬态抑制二极管导通,负脉冲被钳在固定值上。在实际电路中,双极型瞬态抑制二极管更为常用,如无特别说明,瞬态抑制二极管均是指双极型。

图5-31 瞬态抑制二极管性质说明
检测
单极型瞬态抑制二极管具有单向导电性,其极性与好坏检测方法和稳压二极管相同。 双极型瞬态抑制二极管的两引脚无极性之分,用万用表R×1k挡检测时正、反向阻值应均为∞。双极型瞬态抑制二极管击穿电压的检测如图5-32所示,二极管VD为整流二极管,白炽灯 用于降压限流,在 220V 电压正半周时 VD 导通,对电容充得上正下负的电压,当电容两端电压上升到瞬态抑制二极管的击穿电压时,瞬态抑制二极管击穿导通,两端电压不再升高,万用 表测得的电压近似为瞬态抑制二极管的击穿电压。该方法适用于检测击穿电压小于300V的瞬态抑制二极管,因为220V市电的最高瞬间电压可达

,其电压对电容充电最高达300V以上。

图5-32 双极型瞬态抑制二极管的检测