在农村提到盖房子,许多亲戚朋友都会插上一嘴,想必大家都会听到,在农村盖房子一定要设计旋转楼梯,这样会让室内显得高大上,气质感十足,但大家也讲不出,为什么要在室内设计旋转楼梯,旋转楼梯施工起来到底难不难,很多人都不知道 只知道好看。

今天小编就带大家了解一下旋转楼梯的用处,还有施工起来难不难?首先我们来了解一下旋转楼梯的用处优点和缺点在哪里,一是旋转楼梯,省空间这是众所周知的,旋转设计为室内节省不少空间,针对于中小户型的别墅来说非常实用而且很美观,其次再来看看旋转楼梯的缺点,旋转楼梯布置成扇形平面这样踏步,宽度很小,坡度比较低,行走时安全系数不是很好。

第2个缺点就是旋转楼梯,看上去精巧又很实用,但是会施工制作旋转楼梯的人并不多,就算有会施工的师傅,建筑起来也比较花费时间。但尽管这样喜欢旋转,楼梯设计的户主不在少数,今天小编也为大家推荐一款旋转楼梯设计的别墅,让我们一起看看是怎么布置的吧。

眼前这款田园风别墅室内布局就采用了旋转楼梯设计,首先我们从别墅效果图来看,第一眼就能感受到这款别墅满满的田园风格,画面十分温馨,就像是来到了世外桃源一般,眼前的美景让人的心情顿时就放松下来。


再来看一下这款别墅的基本详情:
面宽:12.2m,进深:12.8m 占地面积:160㎡
建筑面积:359㎡ 总高度:12.8m 结构形式:砖混结构

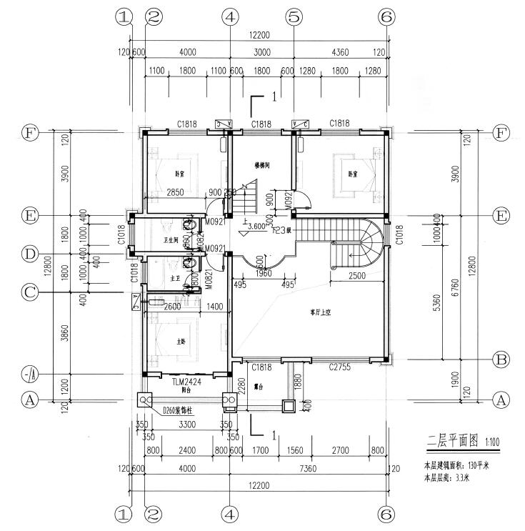
平面布局图为这款别墅的特色所在,首先就是看首层的旋转楼梯,就是亮点所在,很多人都喜欢设计旋转楼梯,这款别墅图纸就能够给大家起到参考的作用,图中标记了旋转楼梯的位置,十分抢眼,大家可以根据情况进行设计。1层设计客厅玄关,旋转楼梯两间卧室,卫生间,餐厅厨房储藏间。面积虽小,但室内布局应有尽有。

二层主要涉及三间卧室,一间主卧,两间次卧其中主卧含有内卫,并且附带阳台,业主小两口居住最适合最温馨,两件次卧留给家中小孩使用,既能够保障小孩子的私密空间,又能够给小两口营造一个甜蜜的氛围。

3层和2层的布局情况大致一样。要说非有什么不同,那么就是露台和主卧的差别,其实大家可以根据家庭情况,将三层布局情况改造一下,将其中一间卧室改造成健身房或者独立书房,再或者是娱乐室都是不错的选择。

怎么样?各位看官,对于这款旋转楼梯设计的别墅是否心动了呢?在此小编温馨提示,想要在农村建房的朋友们,一定要趁早,避免政策善的变化导致不能建房,现在很多农村地区都已经限制了宅基地,因此还希望大家引起注意。
好了,今天小编就给大家讲解到这里,想要查看更多图纸,记得关注本号哟,每天为您带来经典户型。
如需查看更多建房图纸与实建案例,请搜索(图纸之家网)