
案例系技师帮帮友“通用老中医”原创,转载请注明作者及出处!
车辆信息
科帕奇,VIN:LP,行驶里程53474Km。
故障现象
收音机、时钟、点烟器与4门玻璃升降旗失效,右转向灯有时不工作。接车后由修理工验证故障现象,与客户保修内容一致。
故障原因
BCM本身故障。
故障诊断
1、修理工对车内电源配点中心的保险丝和供电进行了初步的测量,未能找到故障原因,诊断思路全无一时没了头绪,于是向技术部求助;
作者接手后先是对客户描述的故障现象进行了再次的验证,与之前的情况一致。于是查阅相关电器设备的电路图;
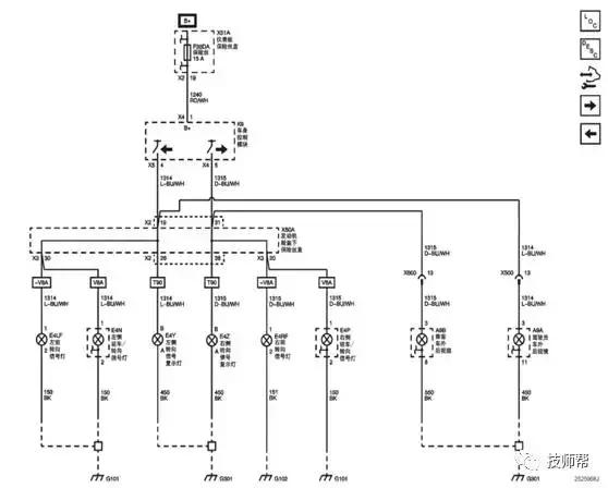
(1)查看右前转向灯电路图:

点击图片可放大查看

点击图片可放大查看
根据输入控制输出的控制思路,先对输出部分进行检查。打开危险警告灯开关,全车转向灯工作正常。再对输入系统进行检查,打开 GDS2 软件,查看转向开关数据,发现右侧转向开关的信号没有输入给 BCM(车身控制模块);

测量转向灯开关的 L 端子电压为 0V(异常),正常为12V;

测量BCM X1 插头的 16#端子电压为 0V(异常),正常为 12V;

BCM X1 插头的16#端子的供电是由BCM提供的,怀疑BCM的供电、接地或BCM本身存在问题。考虑到本车还有其他问题,决定先将转向信号灯的问题搁置,先检查别的问题;
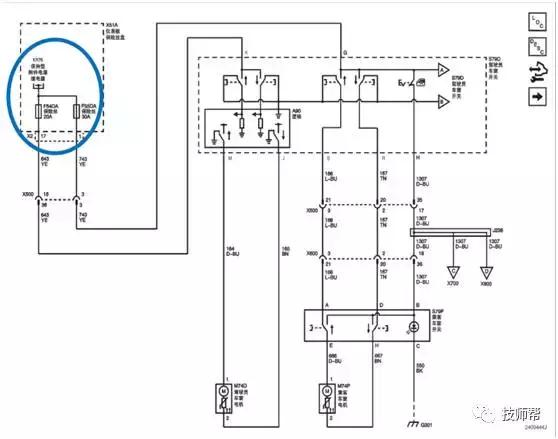
(2)查看升降器的电路图:

点击图片可放大查看

点击图片可放大查看
对保险丝盒供电进行测量,发现F54DA 和 F55DA 保险丝正常,但是测量保险盒上的对应供电端子电压为0V(异常),正常应为 12V 。与修理工沟通得知,此保险丝为方形保险丝,在保险丝的表面没有电压检测端子。修理工在检查时只是通过保险丝上的观察窗观察到保险丝没有熔断,并没有拆下保险丝测量保险丝的供电是否到位;

点击图片可放大查看

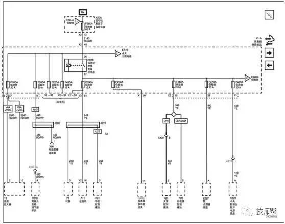
2、两个保险丝的供电是由KR76保持型附件电源继电器提供的,根据这一线索继续查找相关电路图;

点击图片可放大查看

点击图片可放大查看

点击图片可放大查看
3、根据电路图和车主的保修内容分析得知,车辆的大部分问题都是由于 KR76 继电器不供电造成的。拆下继电器,测量保险盒端对应的30号脚电压为12V(正常),用一根带10A保险丝的跨接线,跨接30和87号脚对应端子后,用电设备工作恢复正常;
-
测量继电器的85和86号脚电阻为80Ω(正常),替换同型号继电器,故障现象依旧。测量保险盒端继电器对应 85 号端子与 B-接地的电阻为0.05Ω(正常);
-
测量保险盒端继电器对应 86 号端子的电压 1.19V(异常),正常值应为蓄电池电压 12V 左右;
-
测量BCM X5 插头的 11#脚电压为 1.19V(异常),正常值为 12V。

4、故障检测到这里和之前检查右前转向灯故障的故障点相吻合,对 BCM 的供电保险进行检查,供电全部正常;

△ 点击图片可放大查看
5、为了进一步排除外围线路的可能,分别断开BCM的插头,测量模块的供电和搭铁;
(1)X2插头2# 12V(正常);


(2)X3 插头 1#与 B- 0.05Ω(正常), 2# 12V(正常), 3# 12V(正常), 5#与 B- 0.05Ω(正常);


(3)X4 插头 1# 12V(正常) ,2#12V(正常),3# 12V(正常),4# 12V(正常),9#与 B- 0.05Ω(正常),10#12V(正常);


BCM 的供电和接地线路都已经排查完毕,全部正常。检查步骤进行到此处,已经将故障元件锁定到BCM本身问题。

故障排除
由于更换新的 BCM 需要进行在线编程,程序写入后无法再用到其它车辆上,库房中没有配件需要订货。考虑到故障现象在验证时不需要启动车辆(防盗),决定替换试驾车上 BCM 模块进行验证,互换 BCM 后故障车功能恢复,故障现象随模块转移到试驾车上。
故障确认后,由配件订货后更换 BCM 并编程,车辆功能恢复。
案例总结
在诊断过程中修理工犯了一个严重的错误,那就是在检查保险丝的时候只检查了保险丝是否熔断,并没有检查保险丝是否有电,导致诊断思路混乱,没有头绪。在维修后为了分析故障原因,与车主沟通后得知,车辆在内蒙古出过一次大事故,当时挡风玻璃碎了,外面还下着大雨。在一家修理厂维修时更换过仪表台和挡风玻璃,维修后就出现了这个故障。由此分析可能是在维修前事故车辆淋雨导致电器元件损坏。
技师帮(微信搜索“技师帮”即可),免费查阅各汽车品牌维修手册及电路图,更有在线提问功能,技术总监一对一进行回答~
如您是车主,请联系技师帮小草(微信号:youranqwe),有汽修专家为您的爱车诊断!
如您是汽修师傅,请联系技师帮小花(微信号:practicezx1),让小花带您与全国上万名汽修师傅交流学习!