前段时间,我写了几篇和”世界最大柴油机“有关的技术文章,其实我的目的很简单,我就是想利用这款柴油机的名气,来给大家普及一些船舶知识。当时很多网友看了我的文章后都不约而同的提到了:这款柴油机是烧重油的;但是又有好多网友问:重油是什么油?既然大家那么感兴趣,那我今天还是利用这款柴油机,给大家讲解船舶的燃油系统(燃料油(重油)部分)。

船舶
咱们还是老规矩先有请我们今天的主角上场了,由芬兰的瓦锡兰公司设计生产的,型号为RT-flex96C.船用柴油机。

RT-flex96C.船用柴油机
RT-flex96C是一款采用直列14缸设计的柴油发动机,接近10.9万匹马力,长27.3米,高13.5米,装机总重2446吨(净重2300吨),转速102转/分,使用重油,热效率达到50%。通过RT-flex96C柴油机的参数我们看到,”使用重油“,那么重油是什么油呢?

重油
船舶用的重油应该叫“船用重油”或者“船用燃料油”是指低脂燃油泛指品质低劣、使用困难、价格低廉的船用燃油,它是由原油提取汽油、柴油后的剩余重质油,其特点是分子量大、黏度高。重油的比重一般在0.94~1.06,热值在10,000~11,000 kcal/kg。其成分主要是碳氢化合物,另外含有部分的硫化物及微量的无机化合物。常用的船用燃料油有,180#燃料油,380#燃料油等。

炼油厂
通过上面的讲解我们了解到:相较于我们常见的车用的轻柴油,船用重油有以下突出特点:
1.密度大。密度大会造成燃油净化和雾化困难,同时油滴燃烧时易产生热裂,导致机件结增多。
2.黏度高。黏度高会造成燃油储存、输送、净化和雾化困难。
3.成分复杂。重油含有较多的水分、灰分和硫、钒、钠、硅、残炭等杂质。油中的杂质加剧了柴油机燃烧室部件和喷油设备元件的腐蚀和磨损。
3.发火性差。这个其实既是优点也是缺点,优点是储存安全,船舶一次能装载几百吨甚至上千吨燃油,如果发生危险后果不堪设想;缺点就是在使用时发火性差。
因为这些特点的存在,也就意味着,重油的燃油系统并不会像普通汽车的燃油系统那么简单。

车用柴油机电控高压共轨系统
就是因为重油的燃油系统复杂,所以我们一般把船舶的燃油系统,分成《燃油输送系统》,《燃油分油(净化)系统》,《燃油泄放系统》等多个部分来设计。因为其中最重要的是《燃油输送系统》和《燃油分油(净化)系统》,所以等下主讲这两个系统,就不再讲《燃油泄放系统》了。

典型的压力供油系统
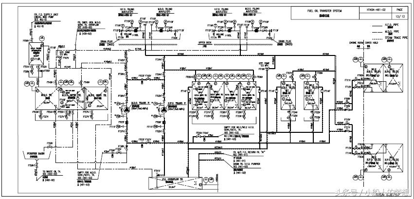
咱们首先讲《燃油输送系统》。其实船舶的输送系统的基本原理和汽车的是类似的,主要不同在于:第一点就是:船舶有多个油舱(油柜),比如:燃油舱xx~xx,燃料油日用舱(柜)一般两个,燃料油澄清舱(柜)等等,他们互相之间需要有互相调驳的能力;第二个点就是:之前提到了黏度高会造成燃油储存、输送,这时我们为了便于输送就要对燃料油加热,现在最常见的就是蒸汽盘管加热,所以所有的油舱(柜)都有加热盘管,所有的管路都有蒸汽伴热管。

实船的燃油输送系统图
接着讲《燃油分油(净化)系统》。刚才我们讲了船用重油的成分复杂,含有较多的水分、灰分和硫、钒、钠、硅、残炭等杂质。油中的杂质会加剧了柴油机燃烧室部件和喷油设备元件的腐蚀和磨损,所以燃油的净化变得非常重要。显然重油的净化不会像汽车的那样,用过滤器就可以,船用重油的净化除了用到滤器以外,还会用到到一个很重要的设备,那就是分油机。

分油机
离心式分油机的工作原理:就是将燃油置于高速回转的分离筒中,利用燃油中各杂质的密度不同,把各种杂质分离出来 。使用离心分油机可以缩短燃油净化时间,提高净化效果,但是在实船中,重油在进入分油机之前,我们先还要把它输送到燃料油澄清舱(柜)进行沉淀,然后进入分油机进行分离,分油机分离出来的干净燃油输入日用油舱(柜),渣子和水排进油渣舱,日用油舱(柜)的油最后输入供油单元供主机使用。

实船的燃油分油(净化)系统图
其实实船的燃油系统远比我这里讲的还要复杂的多,如果我在这里全讲了,估计洋洋洒洒要出一个大长篇,估计到时精力花了去了,大家也不爱看了,所以今天我就挑选了其中的一些重点,让大家对船舶的燃油系统(重油部分)大概有个了解就可以了。如果大家还有兴趣,可以自行去购买相关书籍学习。
申明:本文部分图片来源网络,如有侵权请联系删除。
作者:小船人的梦想 2018年8月26号