谈到数字电路我们会想到逻辑电路与数制码制,而数字电路中,逻辑电路占很大一个篇幅,因为逻辑电路会在后续的微机原理、数字集成IC中广泛应用。
既然谈到数字逻辑,那么先来探讨一下,数学逻辑,在数学中我们有乘法、除法、加法、减法。那么在数字电路中依然会有逻辑加、逻辑乘。
今天来讨论其中一个逻辑门也叫作逻辑闸,与门。
与运算是计算机运算的一种,我们计算机进行计算的是二进制数值,所以我们只需要比较二者的逻辑高低,既可以得出结果。
那么与运算是什么?
与运算既是我们数学逻辑中的乘,其有两个以上输入端,一个输出端 (一般电路都只有一个输出端,ECL电路则有二个输出端)。 只有当所有输入端都是高电平(逻辑“1”)时,该电路输出才是高电平(逻辑“1”),否则输出为低电平(逻辑“0”)。
与门符号:
在这里与门有3种逻辑符号,包括:形状特征型符号( ANSI / IEEE Std 91-1984)图一、 IEC 矩形国标符号(IEC 60617-12)图二、DIN符号(DIN 40700)图三。如图所示:



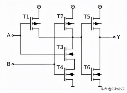
那么与门可不可以用分离元件进行组成呢?当然可以,我们在学习模拟IC时不就是用COMS等基本半导体元件进行组合。那么与门同样可以用CMOS逻辑、NMOS逻辑、PMOS逻辑以及二极管实现等。如图所示:


那么介绍了这么多逻辑与究竟是怎么样的关系?
为了探究这个问题,我们不得不引入一个新知识点,真值表
真值表是数字电路逻辑分析的重要分析依据。
下面来看一下,与门的真值表:
|
输入A |
输入B |
输出Y |
|
0 |
0 |
0 |
|
0 |
1 |
0 |
|
1 |
0 |
0 |
|
1 |
1 |
1 |
从图中我们可以知道,逻辑与是乘法关系,及全一为一,有零为零。
但分析逻辑电路不止真值表一个逻辑分析方法,还有一种叫做波形分析,在芯片PDF中我们常常会看到时序图。其实就是逻辑关系图,下面来看一下,逻辑与的波形

那么与逻辑究竟长什么样?实际的物品是什么?


这就是与逻辑门电路的集成芯片,当然集成芯片的型号有很多,在此只做举例。