电容器是电子产品中必不可少的元器件,不同的应用场合需要用到不同的电容器。你知道电容器都有哪些种类吗?不同种类的电容器都有哪些作用吗?下面给大家谈谈电容器的应用。
请关注头条号@电子产品设计方案,我们经验分享设计方案和经验哦。
安规电容
安规电容器是安全等级较高,失效也不会对人体产生伤害。需要通过各种安规认证,比如:UL/ENEC/VDE/CQC等,不同的国家有不同的安规认证要求。

安规电容
安规电容器一般应用在交流电路中,它的电荷保留时间会比普通电容短很多。断电后,手摸上去也不会被电到(容易特别大的就难说了)。
安规电容器分为X电容和Y电容,在电源电路想过EMC基本上离不开安规电容器,下面给大家分享一下怎么样正确的使用安规电容。
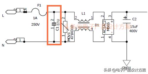
抑制差模干扰:使用X2电容
在交流电源的输入端,L(火线)与N(零线)之前一般需要接X2电容,如下图的C1位置

X2电容应用场合
抑制差模干扰一般用0.1uF就可以了,220VAC的场合,耐压值至少为275VAC的
抑制共模干扰:使用Y1电容
在L(火线)与地(GND)或者N(零线)与地(GND)之间接入Y1电容,如下图的CY1位置

Y1电容应用场合
因为Y电容与地连接,所以容量不能太大,不然容易引起安全隐患。一般1nF或者2.2nF就可以了。
阻容降压电路:也可以使用X2电容
在成本比较低的电子产品中,一般会用阻容降压电路来做电源,X2电容也可以应用在此场合,如下图C10位置

阻容降压电路
但使用X2电容做阻容降压就要特别小心的,因为X电容的设计是跨接在L/N之间的,如果串接到L或者N线中去,寿命会大大的缩短。所以阻容降压所用的X2电容是经过特别设计的,可以加长寿命。所以做阻容降压用时一定要特别小心,必须选用阻容降压专用的X2电容。
电机启动:用X2电容器
X2电容器也常常用作用交流电机的启动电容。
铝电解电容器
铝电解电容器的容量可以做得比较大,成本也比较低,广泛应用在直流电源滤波的场合,如下图C2/C4/C6/C13位置,也会应用于低频旁路和信号偶合的场合

铝电解电容应用
铝电解电容器的使用一定要注意以下事项
- 耐压值
耐压值最好是工作电压的2倍以上,以提高可靠性
- 工作温度
工作温度一般有两种规格85℃ 和105℃,普通场合用85℃ 的就可以了。因为铝电解电容内部有电解液,使用温度越高,电解液最容易干。所以产品工作的环境温度较高,比如超过60℃ 最好选用105℃ 规格的。
- 正负极
铝电解电容器必须严格按照正负极连接使用,正负接反是失效的并且很快会损坏。
钽电容器
钽电容有很好的温度特性和频率特性,漏电流也极小。所以特别适合尺寸要求比较小的场合或者使用电池供电产品的电源滤波。钽电容的缺点就是容量不能做得很大,耐压值也不能很高。

钽电容器
钽电容器使用注意事项
- 耐压值
耐压值最好是工作电压的2倍以上,以提高产品的可靠性
- 正负极
钽电容器也必须严格按照正负极连接使用,正负接反是失效的并且很快会损坏。
陶瓷电容器
陶瓷电容器的应用就更加广泛了,高频、隔直、旁路、滤波,振荡、谐振等等的场合都有它的身影。

陶瓷电容
陶瓷电容器的应用特别需要注意
- 高频场合需要选用NPO/C0G
比如晶振的匹配电容,LC/RC振荡这些场合,一定要高频的陶瓷电容(NPO/C0G)。如下图的C11/C12/C13/C14位置

C0G/NPO电容应用
- 耐压值
耐压值最好是工作电压的2倍以上,以提高产品的可靠性
- 工作温度
陶瓷电容器根据材料类型不同,适用的工作温度也不一样的,设计的时候也需要考虑清楚。